Федеральное государственное бюджетное образовательное учреждение
высшего профессионального образования
«Петербургский Государственный Университет Путей Сообщения Императора Александра I»
Кафедра "Изыскания и проектирование железных дорог"
Практическое задание № 5
по дисциплине "Проектирование высокоскоростных магистралей"
на тему: " Расчёт увеличения прямой вставки между двумя кривыми, направленными в разные стороны "
выполнил студент _____ В. Р. Ли
подпись, дата
факультет Транспортное строительство группа V - СЖД – 104
руководитель _______________________________________ Д. О. Шульман
подпись, дата
Санкт-Петербург
2015
Дано:
=
2600 м
α = 24°
=
2200 м
α2 = 29°
=
70 м
=
3000 м
=
190 м
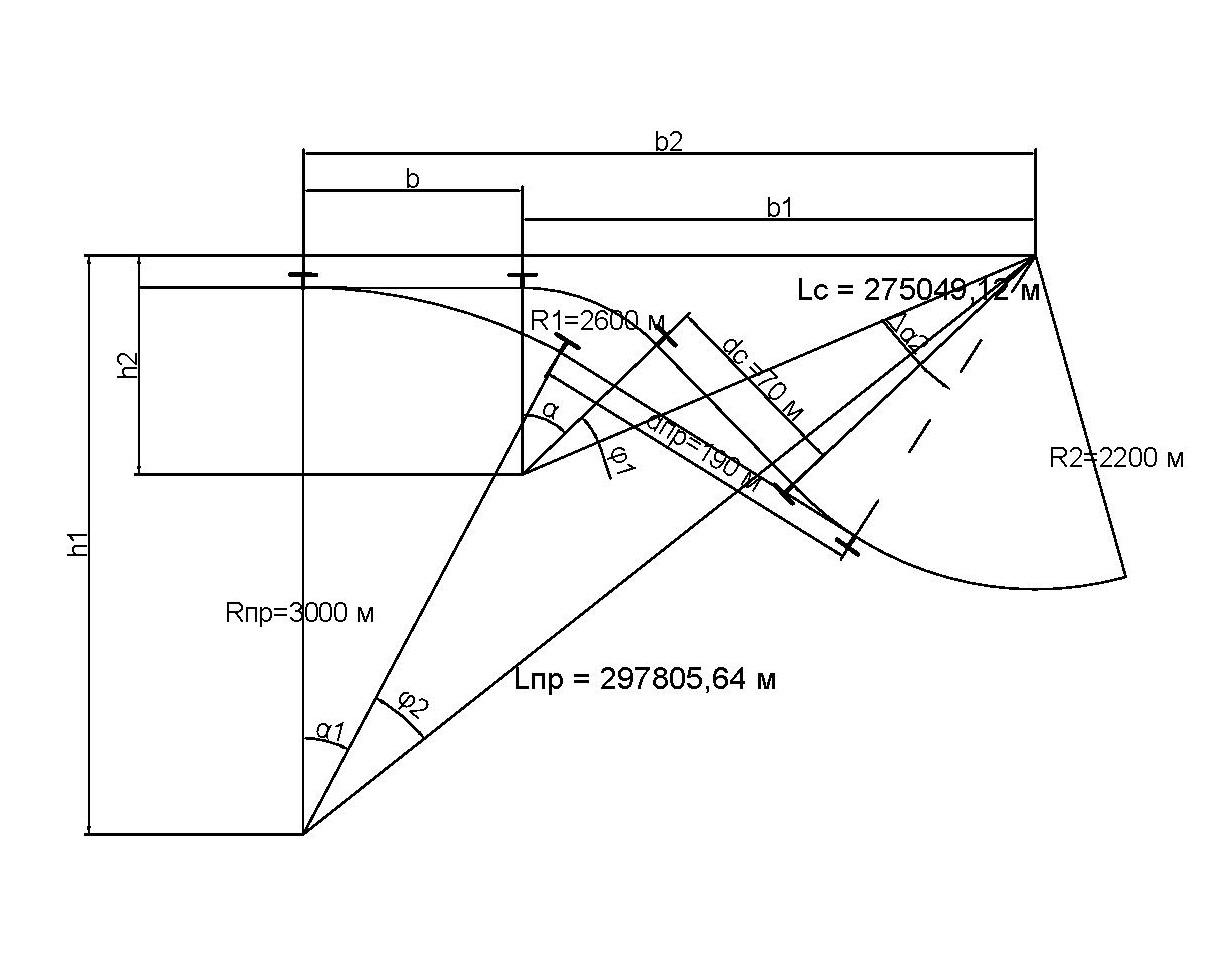
Требуется: увеличить радиус первой кривой с 2600 м до 3000 м, довести длину прямой вставки до 190 м.
1. Решение вспомогательной задачи: определить расстояние между центрами кривых по заданным величинам прямым вставок.
Между
существующими кривыми
.

tg
=
=
= 0,014583
=0°
50’ 08”
=
=
= 4800,44 м
Между
проектируемой и существующей прямыми
.

tg
=
=
= 0,036538
=2°
5’ 33”
=
=
= 5205,48м
2. Необходимо найти.
2.1
Длину участка реконструкции плана линии
.
2.2 Сокращение длины линии ΔL. Для этого определим неизвестные: b, α1, Δα2.

Решение:
b=b2 – b1 = Lпр · sinβ2 – Lc · sinβ1 = 5205,48 · sin23°58’ 34” – 4800,44 · ·sin24°50’ 8” = 2114,77 – 2016,6 =98,17 м
β1 = α + φ1 = 24° + 0° 50’ 8” =24°50’ 8”
h1 = Lc · cosβ1 = 4800,44 · cos24°50’ 8” = 4356,32 м
h2 = h1 + ΔR = 4356,32 + 400 = 4756,32 м
ΔR = Rпр - Rc = 3000 – 2600 = 400 м
cosβ2
=
=
=0,9137; β2
= 23°58’ 34”
Далее определяем:
α1 = β2 - φ2 = 23°58’ 34” - 2° 5’ 33” = 21°53’ 1”
Δα2 = α- α1 = 24° - 21°53’ 1” = 2°6’ 59”
Определяем параметры кривых:
|
|
Элементы первой проектируемой кривой |
Элементы отрезаемой кривой (от второй кривой) |
Элементы второй проектируемой кривой |
|
Угол |
21°53’ |
2°7’ |
26°53’ |
|
Радиус, R |
2600 |
2200 |
2200 |
|
Тангенс, Т |
502,56 |
40,64 |
525,74 |
|
Длина кривой, К |
992,38 |
81,23 |
1031,59 |

Определяем: Lрек , ΔL,
Lрек = b + К1 + dc + 81,23 = 98,17 + 992,38 + 70 +81,23 = 1241,78 м
ΔL = Lрек – L’= 1241,78 – 1335,05 = -93,27 м
L’ = Кпр +dпр = 1145,05 + 190 =1335,05 м
Кпр=
=
=1145,05 м