Материал: RGR_6Voronina

Внимание! Если размещение файла нарушает Ваши авторские права, то обязательно сообщите нам
  • Определяем принужденную составляющую при t=∞

Рис.6 – Схема для нахождения принужденной составляющей

Схема после коммутации, установившийся режим, конденсатор будет разрывом (рис.6), находим ток как и в прошлом пункте используя закон Ома:

Напряжение аналогично напряжению ЗНУ найдем через II закон Кирхгофа взяв контур обхода, который указан на рис.6:

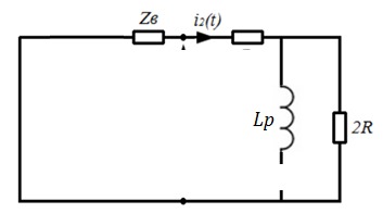
  • Определяем корень характеристического уравнения

Рис.7 – Схема для нахождения корня характеристического уравнения

Для получения схемы заменяем источник ЭДС на закоротку, а конденсатор обозначаем и делаем разрыв (желательно в месте реактивного сопротивления, так будет удобнее считать полное сопротивление). Находим полное сопротивление и приравниваем к нулю:

  • Находим постоянные интегрирования:

  • Записываем конечный результат:

Отраженные от конца линии волны напряжения будут иметь вид:

Рассчитываем распределение напряжения и тока вдоль линии для момента времени:

, после подключения источника, когда отраженные от конца линии волны напряжения и тока достигли середины линии. Для этого заполним таблицу 4:

Таблица 4

Точка

А

Середина

линии

Б

В

Г

Нагрузка

Теперь построим графики для :

Рис.8 – напряжения в различных точках линии

Рис.9 – Токи в различных точках линии

3. Проанализировать полученные результаты, графики зависимостей и сформулировать выводы по работе.

Вывод: в ходе решения задания в установившемся режиме при заданном фазном напряжении в конце линии были рассчитаны следующие параметры: волновое сопротивление, постоянная распространения, фазовая скорость, длина волны, комплексы действующих значений и токов и напряжения, а также активные мощности в начале и конце линии и КПД. Также были построены зависимости U(x), I(x) и P(x): изменение напряжения и тока вдоль линии в функции x обусловлено наличием продольных сопротивлений и поперечных проводимостей, а активная мощность P монотонно убывает к концу линии.

В переходном режиме при подключении линии без потерь к источнику постоянного напряжения были рассчитаны законы изменения тока i(x, to) и напряжения u(x, to) для соответствующего момента времени после подключения источника, когда отраженные от конца линии волны напряжения и тока достигли середины линии и построен график распределения напряжения и тока вдоль линии для этого момента времени. В каждой точке линии напряжение и ток равны сумме падающих и отраженных волн, которые запаздывают во времени относительно соответственно начала и конца линии.

Также были выявлены значения напряжений и токов, которые должны выдержать изоляция и площадь сечения провода:

В установившемся режиме Umax=213,2кВ при x=300км (конец линии), Umin=188,9кВ при x=900 км (начало линии), Imax=728.72А при x=1500 км (конец линии), Imin=310.553кА при x=0 км.

В переходном режиме Umax= В в точке А (середина линии), Umin= В в точке Г (нагрузка), Imax= А в точке Г (нагрузка), Imin= А в точке А (середина линии)