Материал: PDF_2

Внимание! Если размещение файла нарушает Ваши авторские права, то обязательно сообщите нам

 

 

 

1

 

 

 

 

 

 

2

 

 

 

 

3

 

 

 

 

 

 

 

 

 

 

4

 

 

 

 

 

 

 

 

 

 

 

 

 

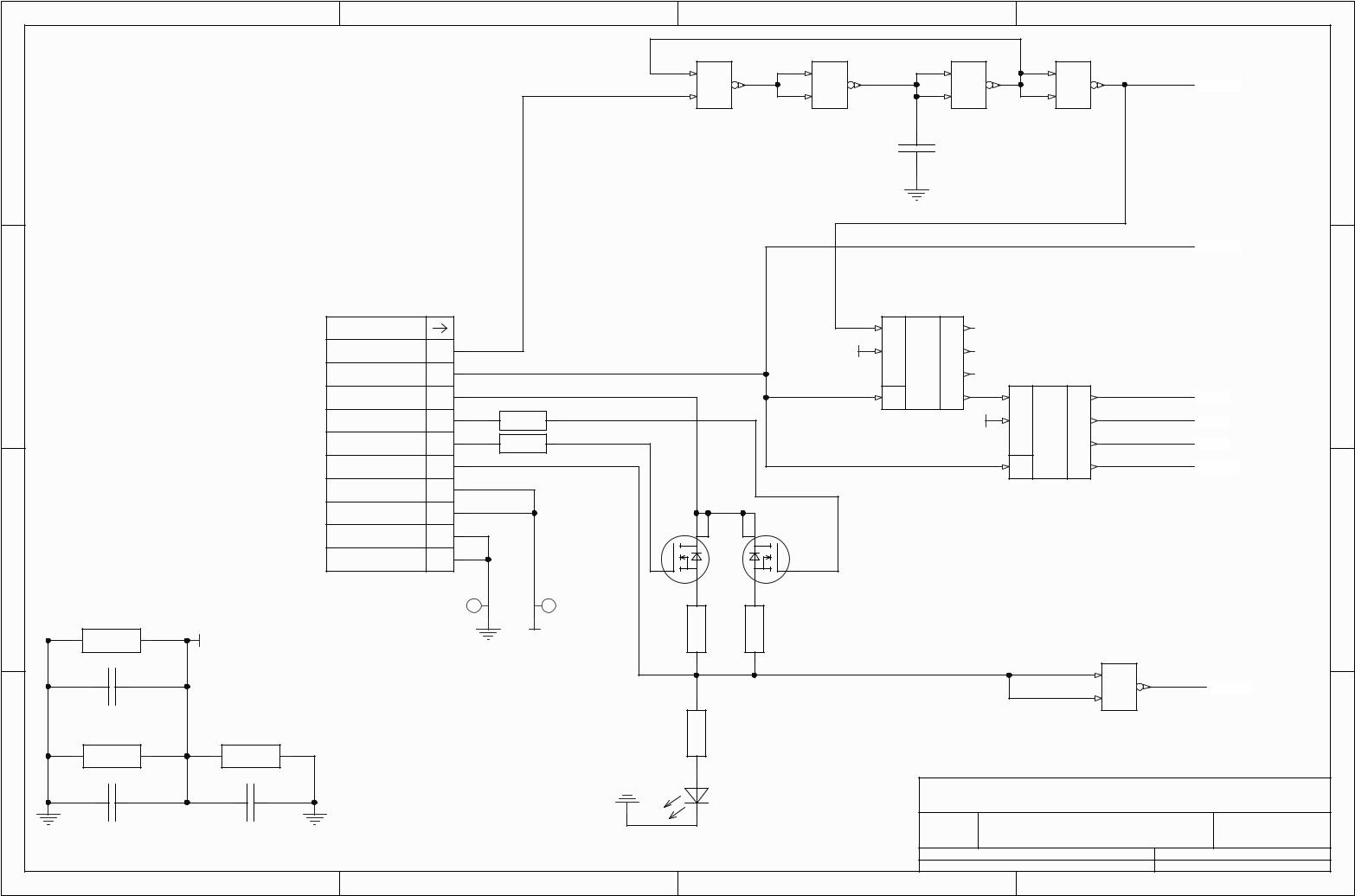
D3A

 

D3B

 

 

D3D

 

 

 

D3C

 

 

 

 

 

 

 

 

 

 

 

 

 

 

1

 

3

4

 

6

 

12

 

 

11

 

9

 

8

 

 

 

 

 

 

 

 

 

 

 

 

 

2

&

5

&

 

13

&

 

10

&

 

A

 

 

 

 

 

 

 

 

 

 

 

 

 

 

 

 

 

 

 

 

 

 

 

 

A

 

 

 

 

 

 

 

 

 

 

 

 

 

 

 

 

 

 

 

 

 

 

 

 

 

 

A

 

 

 

 

 

 

 

 

 

 

 

 

 

 

 

 

 

 

C12

 

 

 

 

 

 

 

 

 

 

 

 

 

 

 

 

 

 

ONOFF

 

 

 

 

 

 

 

GND

 

 

 

 

 

 

 

 

 

 

 

 

 

 

 

 

 

 

 

 

 

 

 

 

 

 

 

 

 

 

 

 

 

 

 

 

 

 

 

 

 

 

 

 

 

 

 

 

 

 

 

 

 

 

 

 

 

 

 

 

 

 

 

Reset

 

 

 

 

 

 

 

XP1

 

 

 

 

 

 

 

 

1

 

D1A

 

3

 

 

 

 

 

 

 

 

 

 

 

 

 

 

Цепь

 

 

 

 

 

 

 

 

C

CT2

Q0

 

 

 

 

 

 

 

B

 

 

 

 

 

 

 

1

 

 

 

 

 

 

+5

2

V

 

Q1

4

 

 

 

 

 

 

B

 

 

 

 

 

 

 

Вкл/Выкл

 

 

 

 

 

 

 

 

 

 

 

 

 

 

 

 

 

 

 

 

 

 

 

 

 

 

 

 

 

 

 

 

 

5

 

 

 

 

 

 

 

 

 

 

 

 

 

 

Сброс

2

 

 

 

 

 

 

 

 

 

 

Q2

 

 

D1B

 

 

 

 

 

 

 

 

 

 

 

 

 

 

 

 

 

 

 

7

 

 

 

6

9

 

 

11

 

 

 

 

 

 

 

 

 

Выход А

3

 

 

 

 

 

 

 

R

 

Q3

C

CT2

Q0

 

S0

 

 

 

 

 

 

 

 

4

 

R1

 

 

 

 

 

 

 

 

+5 10

 

 

 

12

 

 

 

 

 

 

 

 

 

Выход В

4

 

 

 

 

 

 

 

 

 

V

 

Q1

 

S1

 

 

 

 

 

 

 

 

5

 

R2

 

 

 

 

 

 

 

 

 

 

 

 

 

13

 

 

 

 

 

 

 

 

 

Выход С

5

 

 

 

 

 

 

 

 

 

 

 

 

 

Q2

 

S2

 

 

 

 

 

 

 

 

 

 

 

 

 

 

 

 

 

 

 

 

15

 

 

 

14

 

 

 

 

 

 

 

 

 

Выход D

6

 

 

 

 

 

 

 

 

 

 

 

 

R

 

Q3

 

B

 

 

 

 

 

 

 

 

 

 

 

 

 

 

 

 

 

 

 

 

 

 

 

 

 

 

 

 

 

 

 

 

 

 

+5 В

7

 

 

 

 

 

 

 

 

 

 

 

 

 

 

 

 

 

 

 

 

 

 

 

 

 

 

 

 

 

 

 

 

 

 

 

 

 

 

 

 

 

 

 

 

 

 

 

 

 

 

 

 

 

+5 В

8

 

 

VT1

 

 

VT2

 

 

 

 

 

 

 

 

 

 

 

 

 

 

 

 

 

 

 

 

 

 

 

 

 

 

 

 

 

 

 

 

 

 

 

 

 

 

 

 

 

 

 

 

 

 

9

 

 

 

 

 

 

 

 

 

 

 

 

 

 

 

 

 

 

 

 

 

 

 

 

Общий

 

 

 

 

 

 

 

 

 

 

 

 

 

 

 

 

 

 

 

 

 

 

 

 

 

 

 

 

 

 

 

 

 

 

 

 

 

 

 

 

 

 

 

 

 

 

C

 

 

 

 

 

 

Общий

10

 

 

 

 

 

 

 

 

 

 

 

 

 

 

 

 

 

 

C

 

 

 

 

 

 

 

 

 

 

 

 

 

 

 

 

 

 

 

 

 

 

 

 

 

 

 

 

 

 

 

 

 

Width

i

i

Width

 

 

 

 

 

 

 

 

 

 

 

 

 

 

 

 

8

 

 

 

 

 

 

 

 

 

 

 

R3

 

R4

 

 

 

 

 

 

 

 

 

 

 

 

 

GND

+5V

16

+5

 

 

 

 

 

+5

 

 

 

 

 

 

 

 

 

 

 

 

 

 

 

 

 

 

 

 

 

 

 

 

 

 

 

GND

 

 

 

 

 

 

 

 

 

 

 

 

 

 

D2A

 

 

 

D1C

 

 

 

 

 

 

 

 

 

 

 

 

 

 

 

 

 

 

 

 

 

 

1

 

 

 

 

 

 

 

 

 

 

 

 

 

 

 

 

 

 

 

 

 

 

 

 

 

 

 

4

 

 

 

 

 

 

 

 

 

 

 

 

 

 

 

 

 

 

 

 

 

 

 

 

 

2

&

C

 

 

 

 

 

 

 

 

 

 

 

 

 

 

 

 

 

 

 

 

 

 

 

 

 

 

 

 

C2

 

 

 

 

 

 

 

 

 

 

 

 

 

 

 

 

 

 

 

 

 

 

 

 

 

 

D3E

 

 

 

 

 

 

 

 

 

 

R5

 

 

 

 

 

 

 

 

 

 

 

 

 

 

 

 

 

 

 

 

 

 

 

 

 

 

 

 

 

 

 

 

 

 

 

 

 

 

 

 

 

7

GND

+5V

14

5

+5V

GND

3

 

 

 

 

 

 

 

 

 

 

 

 

 

 

 

 

 

 

 

 

D

 

 

 

 

D2B

 

 

 

 

 

GND

 

 

 

 

 

 

Title

 

 

 

 

 

 

 

 

D

 

 

 

 

 

 

 

 

 

 

 

 

 

 

 

 

 

 

 

 

 

 

 

 

 

 

 

 

 

 

 

 

 

 

 

 

 

 

 

 

 

 

 

 

 

 

 

 

 

 

 

 

 

 

 

 

 

 

 

 

 

 

VD1

 

 

 

 

 

Size

 

 

Number

 

 

 

 

Revision

 

C3

 

 

 

C6

 

 

 

 

 

 

 

 

 

 

 

 

 

 

 

 

 

GND

 

 

 

GND

 

 

 

 

 

 

 

 

 

 

A4

 

 

 

 

 

 

 

 

 

 

 

 

 

 

 

 

 

 

 

 

 

 

 

 

 

 

 

 

 

 

 

 

 

 

 

 

 

 

 

 

 

 

 

 

 

 

 

 

 

 

 

 

 

 

 

 

 

 

 

 

 

 

 

 

 

 

 

 

 

 

 

 

 

 

 

 

 

 

 

Date:

 

24.12.2020

 

 

Sheet

of

 

 

 

 

 

 

 

 

 

 

 

 

 

 

 

 

 

 

File:

 

 

F:\garbage\..\MIET_464512_1C_VinichenkoDrawnListBy:2.SchDoc

 

 

 

1

 

 

 

 

 

 

2

 

 

 

 

3

 

 

 

 

 

 

 

 

 

 

4