Материал: Labnikeo

Внимание! Если размещение файла нарушает Ваши авторские права, то обязательно сообщите нам

МИНИСТЕРСТВО ОБРАЗОВАНИЯ и науки РОССИЙСКОЙ ФЕДЕРАЦИИ

_____________________

Национальный исследовательский университет «МЭИ»

_______________________________________________

А.М. ПОЛЯКОВ, П.В. Субботин

Режимы и испытания электрооборудования электростанций

Лабораторные работы № 1 – 3 Методическое пособие по курсу

«Эксплуатация электрооборудования электростанций и подстанций»

для студентов, обучающихся по профилю

«Электрические станции»

Москва 2016

Лабораторная работа № 1 Тепловой режим работы трансформаторов при изменении условий эксплуатации

  1. Цель работы

Получение представления о тепловом режиме работы трансформатора, определяющем срок его службы, и практических навыков моделирования теплового переходного процесса в наиболее нагретой точке . Оценка влияния изменения нагрузки и температуры окружающей среды на тепловой режим трансформатора.

  1. Методические указания

Предполагаемый нормальный срок службы трансформатора - это некоторая условная величина, принимаемая для непрерывной постоянной нагрузки при нормальной температуре охлаждающей среды и номинальных условиях эксплуатации.

Нагрузка и (или) температура охлаждающей среды, превышающие номинальную, вызывают ускоренный износ и заключают в себе некоторую степень риска.

Таким образом, с увеличением тока нагрузки и температуры возникает опасность преждевременного отказа. Такая опасность может возникнуть немедленно или явиться следствием общего ухудшения состояния трансформатора в течение многих лет.

Длительная работа трансформатора (ГОСТ Р 52719-2007 устанавливает полный срок службы силовых трансформаторов не менее 30 лет) гарантируется при соблюдении нормированных условий: S = Sном (I = Iном); U = Uном; θохл = 20°С.

Как правило, условие UUном обеспечивается схемой и режимом работы электрической сети. В соответствии с ПТЭ допускается продолжительная работа трансформаторов (при мощности не более номинальной) при напряжении на любом ответвлении обмотки на 10% выше номинального для данного ответвления. При этом напряжение на любой обмотке должно быть не выше наибольшего рабочего.

Наиболее интенсивный нагрев изоляции обмоток происходит при перегрузке трансформаторов. Для масляных трансформаторов допускается длительная перегрузка по току любой обмотки на 5% номинального тока ответвления, если напряжение на ответвлении не превышает номинального. Кроме того, в зависимости от режима работы допускаются большие перегрузки.

Перегрузки делятся на длительные (систематические и аварийные) и кратковременные (аварийные).

Длительные перегрузки, обусловленные неравномерным суточным графиком нагрузки трансформатора, называются систематическими. Длительные перегрузки, обусловленные аварийным отключением какого-либо элемента системы электроснабжения, называются аварийными перегрузками.

Допустимость длительных систематических и аварийных перегрузок масляных трансформаторов при их эксплуатации регламентируется ГОСТ 14209, а в зарубежной практике используют стандарты IEEE/ANSI, IEC60076-7.

Допустимость систематических перегрузок лимитируется износом изоляции, требуется, чтобы средний относительный износ Lср < 1, при этом вводятся дополнительные ограничения (для трансформаторов мощностью до 100 МВА по ГОСТ 14209-85): температура наиболее нагретой точки θн.н.т.< 140 °С, температура верхних слоев масла θм < 95 °С, мощность (ток) S < 1,5 Sном (могут быть дополнительные ограничения, связанные с вводами трансформатора и устройством РПН).

Допустимость аварийных перегрузок лимитируется не износом изоляции, а предельно допустимыми температурами обмотки и масла: θн.н.т.< 140 °С при номинальном напряжении более 110 кВ и θн.н.т.< 160 °С при номинальном напряжении 110 кВ и менее, θм< 115 °С, мощность (ток) S < 2,0 Sном.

Ниже в таблице

.1 приводиться допустимые значения перегрузок трансформатора в соответствии IEC 60076-7.

Таблица 1.1

Предельные значения температуры и тока для режимов нагрузки, превышающей номинальную

Нагрузки

Трансформаторы

Распределительные

Средней мощности

Большой мощности

Режим систематических нагрузок

Ток, отн. ед.

Температура наиболее нагретой точки и металлических частей, соприкасающихся с изоляционным материалом, °С

Температура масла в верхних слоях, °С

1,5

140

105

1,5

140

105

1,3

120

105

Режим продолжительных аварийных перегрузок

Ток, отн. ед.

Температура наиболее нагретой точки и металлических частей, соприкасающихся с изоляционным материалом, °С

Температура масла в верхних слоях, °С

1,8

150

115

1,5

140

115

1,3

130

115

В IEC60076-7 расчет производится с помощью дифференциальных уравнений (см. рисунок 1.1), описание используемых величин приведены в таблице 1.2.

Рисунок 1.1 – Представление дифференциальных уравнений в виде блок-схемы

Таблица 1.2

Символы и аббревиатуры

Символ

Значение

Единицы

k11, k21, k22, y, х

Параметры расчетной модели, определяемые конструкцией трансформатора

K

Коэффициент нагрузки трансформатора

s

Оператор Лапласа

R

Отношение потерь короткого замыкания к потерям холостого хода

Δ θa

Отклонение температуры окружающей среды

° C

θa

Температура воздуха

° C

θ0

Температура верхнего слоя масла

° C

τW0

Тепловые постоянные времени обмотки и верхних слоев масла

мин

Δ θh

Превышение температуры н.н.т.

° C

Δ θhr

Расчетное превышение температуры н.н.т. над температурой верхних слоев масла в номинальном режиме

° C

Δ θ0

Превышение температуры верхних слоев масла

° C

Δ θor

Превышение температуры верхних слоев масла над температурой воздуха

° C

Для ввода переменных рекомендуются данные приведенные в таблице 1.3.

Таблица 1.3

Рекомендуемые тепловые характеристики для показательных уравнений

Распределительные трансформаторы

Средние и крупногабаритные силовые трансформаторы

С естественной циркуляции масла

(ONAN)

ONAN

ONAF

OF

OD

Показатель x

0.8

0.8

0.8

1.0

1.0

Показатель обмотки y

1.6

1.3

1.3

1.3

2.0

Постоянная k11

1.0

0.5

0.5

1.0

1.0

Постоянная k21

1.0

3.0

3.0

1.45

1.0

Постоянная k22

2.0

2.0

2.0

1.0

1.0

Постоянная времени

180

210

150

90

90

Постоянная времени

4

10

7

7

7

Градиент температуры наиболее нагретой точки (масло на выходе из обмотки) Hqr

23

23

26

22

29

Превышение температуры масла на выходе из обмотки Δ θir

55

55

52

56

49

При этом установившаяся температура определяется по формуле:

.

Удельный износ изоляции трансформатора определяется из выражения:

Лабораторная работа № 2 Определение параметров контура намагничивания асинхронного двигателя

  1. Цель работы

Ознакомление с методами испытаний асинхронных двигателей (АД) и получение практических навыков определения параметров намагничивающего контура схемы замещения АД из опыта холостого хода в виртуальной лаборатории.

  1. Методические указания

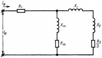
Параметры электродвигателя определяются для Г-образной схемы замещения с вынесенным активным сопротивлением статора, представленной на рисунке 2.1:

Рисунок 2.1 – Одноконтурная схема замещения асинхронного двигателя

По данным опыта холостого хода, выполненного на модели электродвигателя в среде SimInTech, используя величины сопротивления обмотки статора постоянному току, намагничивающего тока и магнитных потерь в сердечнике статора, рассчитываются параметры намагничивающего контура.

Измерение сопротивления обмотки статора постоянному току

Измерение сопротивления обмотки статора постоянному току должно проводиться одним из следующих методов [2]:

  • вольтметра и амперметра;

  • одинарного (двойного) моста;

  • омметра.

В данной лабораторной работе используется метод вольтметра и амперметра. Схема опыта в SimInTech представлена на рисунке 2.2.

В качестве источника питания измерительной схемы применяется идеальный источник ЭДС. Значение ЭДС подбирается таким образом, чтобы значение постоянного тока, при измерении сопротивления обмотки методами вольтметра и амперметра, не превышало 15–20% номинального тока данной обмотки.

Значение активного сопротивления фазы обмотки статора , определяется по формуле (внутренним сопротивлением амперметра пренебрегается):

где – измеренное линейное напряжение, В; – измеренный фазный ток, А, – сопротивление измерительного прибора, по умолчанию равно 10-6 Ом.

Рисунок 2.2 – Схема опыта измерения сопротивления обмотки статора постоянному току

Определение тока и потерь холостого хода

Определение тока и потерь холостого хода производится в режиме ненагруженного двигателя.

Опыт холостого хода выполняется постепенным понижением приложенного к статору напряжения , начиная с наибольшего значения, равного 130 % номинального, и кончая возможно более низким, составляющего около 40% от номинального, при котором еще не наблюдается возрастание тока статора. При проведении опыта рекомендуется производить 9 – 11 отсчетов при различных значениях напряжения. При этом один из замеров должен соответствовать номинальному напряжению.

В ходе опыта измеряются значения токов холостого хода и мощностей холостого хода , включающих в себя электрические потери в обмотке статора , магнитные потери в сердечнике статора и механические потери , в зависимости от приложенного к статору напряжения.