МИНОБРНАУКИ РОССИИ
Санкт-Петербургский государственный
электротехнический университет
«ЛЭТИ» им. В.И. Ульянова (Ленина)
Кафедра САУ
отчет
по лабораторной работе №3
по дисциплине «Силовая электроника»
Тема: Исследование однофазного мостового управляемого выпрямителя
при работе на активно-индуктивную нагрузку с противо-ЭДС.
Вариант 7
Студенты гр. 6408 |
|
Винокуров А.А. |
|
|
Земельков М.А. |
Преподаватель |
|
Кузнецов М.А. |
Санкт-Петербург
2019
Цель работы: Исследование однофазного мостового управляемого выпрямителя при работе на активно-индуктивную нагрузку с противо-ЭДС с нулевым диодом.
|
|
Рис. 1 |
Рис. 2 |
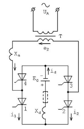
Исследуемая схема приведена на Рис. 1. Теоретические временные диаграммы, характеризующие работу выпрямителя показаны на Рис. 2 (2-6 – активная нагрузка, 7-9 – индуктивная нагрузка).
Рис. 3
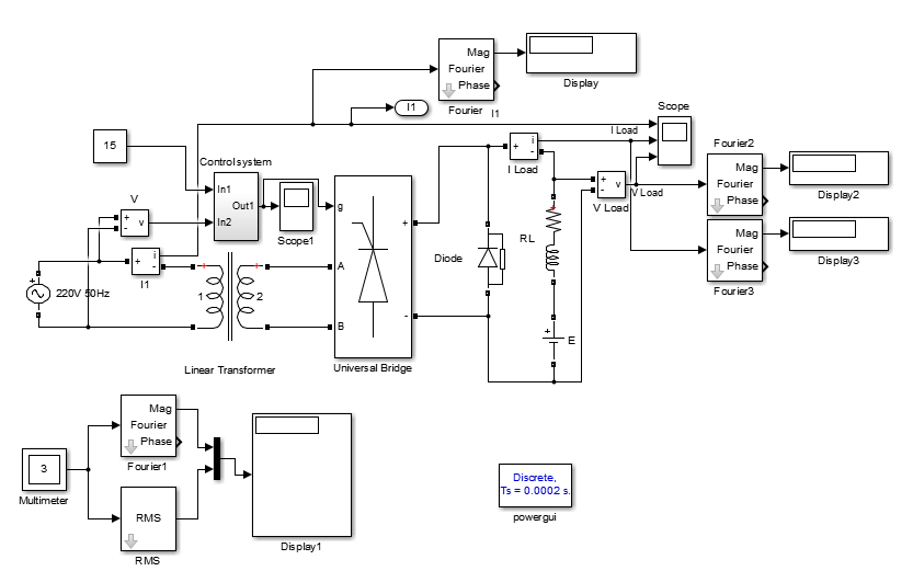
Для исследования в лабораторной работе используется виртуальная установка, приведенная на Рис. 3.
Выполнение работы:
1.Настроим установку
для исследования однофазного мостового
управляемого выпрямителя. Зададим
исходные значения параметров
,
в источнике питания (Рис. 4).
|
|
Рис. 4 |
Рис. 5 |
В окне настройки
трансформатора (Рис. 5) устанавливаем
напряжение первой катушки и напряжение
второй катушки, взятое для своего
варианта
.
Параметры для моделирования схемы сведем в Табл. 1.
Табл. 1
R, Ом |
10 |
120 |
L,Гн |
0,35 |
4,2 |
2. Исследуем регулировочную характеристику ОМУВ при нулевом значении противо-ЭДС, изменяя угол управления от 0 до 180 при разных нагрузках. Результаты моделирования приведем в Табл. 2.
Табл. 2
Измерения
|
|
R = 10; L =0,35 |
|
|
|
0 |
120,7 |
30 |
111,3 |
60 |
42,69 |
90 |
0,91 |
120 |
3,73e-19 |
150 |
3,73e-19 |
180 |
3,73e-19 |
R = 120; L =4,2 |
|
, град
|
, В
|
0 |
257,4 |
30 |
196,2 |
60 |
77,45 |
90 |
1,67 |
120 |
1,56e-18 |
150 |
1,56e-18 |
180 |
1,56e-18 |
Построим
регулировочные характеристики
по данным Табл. 2 (Рис. 6).
3. Исследуем регулировочную характеристику ОМУВ при ненулевом значении противо-ЭДС (E = 90 В) и изменении угла управления от 0 до 180 градусов с шагом 30 градусов. Результаты моделирования занести в Табл. 3 для каждого значения угла управления.
Построим регулировочные характеристики по данным Табл. 3 (Рис. 7).
Табл. 3
Измерения
|
|
R = 10; L =0,35 |
|
, град
|
, В
|
0 |
169,6 |
30 |
151 |
60 |
94,85 |
90 |
90 |
120 |
90 |
150 |
90 |
180 |
90 |
R = 120; L =4,2 |
|
, град
|
, В
|
0 |
266,7 |
30 |
203,8 |
60 |
95,77 |
90 |
90 |
120 |
90 |
150 |
90 |
180 |
90 |
|
|
Рис. 6 |
Рис. 7 |
4. Исследуем внешние характеристики ОМУВ при работе на активно-индуктивную нагрузку с противо-ЭДС и обратным диодом. Исследование осуществляется изменением величины противо-ЭДС нагрузки от 100 В до 0 В с шагом 20 В. Внешние характеристики снимаются для трех значений угла управления выпрямителем ( = 0°, 30°, 60°), при этом моделирование проводится для каждого значения противо-ЭДС и угла управления. Результаты моделирования заносятся в Табл. 4 для R = 10; L =0,35 и в Табл. 5 для R = 120; L =4,2.
Табл. 4
Данные
|
Измерения
|
Вычисления
|
|||||||||||||
|
|
|
|
|
|
|
|
|
|
|
|
|
|
||
град
|
В
|
А |
В
|
А
|
град
|
А
|
А
|
В
|
А
|
ВА
|
Вт
|
Вт
|
Вт |
||
0 |
100 |
12,5 |
227,2 |
24,05 |
-33,41 |
6,06 |
8,45 |
427,7 |
13,42 |
3896 |
1600 |
2840 |
2556 |
||
80 |
13,85 |
221,2 |
26,48 |
-34,55 |
6,7 |
9,33 |
425,7 |
14,81 |
4290 |
4290 |
3064 |
2809 |
|||
60 |
15,2 |
215,1 |
28,9 |
-35,75 |
7,34 |
10,2 |
423 |
16,15 |
4682 |
1729 |
3270 |
3052 |
|||
40 |
16,55 |
209,1 |
31,31 |
-36,88 |
8 |
11,07 |
421,1 |
17,5 |
5072 |
3464 |
3461 |
3297 |
|||
20 |
17,9 |
203,2 |
33.71 |
-38 |
8,64 |
11,95 |
419,1 |
18,84 |
5461 |
5216 |
3637 |
3542 |
|||
0 |
19,26 |
197,2 |
36,1 |
-39,12 |
9,29 |
12,81 |
416,4 |
20,22 |
5848 |
873 |
3798 |
3773 |
|||
30 |
100 |
8,43 |
183,6 |
15,63 |
-44,96 |
3,16 |
5,15 |
431,7 |
9,38 |
2532 |
1415 |
1548 |
1572 |
||
80 |
9,91 |
179,2 |
18,16 |
-45,51 |
3,7 |
6 |
429,5 |
10,85 |
2942 |
1523 |
1776 |
1823 |
|||
60 |
11,38 |
174,8 |
20,71 |
-46,06 |
4,26 |
6,88 |
427,4 |
12,32 |
3355 |
1629 |
1989 |
2080 |
|||
40 |
12,86 |
170,5 |
23,28 |
-46,55 |
4,82 |
7,76 |
424,9 |
13,79 |
3771 |
3167 |
2193 |
2332 |
|||
20 |
14,33 |
166,2 |
25,82 |
-47,2 |
5,38 |
8,6 |
422,4 |
15,22 |
4183 |
4171 |
2382 |
2569 |
|||
0 |
15,81 |
161,9 |
28,38 |
-47,79 |
5,94 |
9,49 |
419,6 |
16,73 |
4598 |
3615 |
2560 |
2816 |
|||
60 |
100 |
0,56 |
104,6 |
1,58 |
-61,79 |
0,17 |
0,42 |
398,1 |
1,22 |
256 |
129 |
59 |
118 |
||
80 |
0,73 |
86,5 |
1,7 |
-62,78 |
0,19 |
0,47 |
397,1 |
1,37 |
275 |
275 |
63 |
132 |
|||
60 |
1,71 |
76,47 |
2,75 |
-64,1 |
0,39 |
0,87 |
382,9 |
2,33 |
446 |
133 |
131 |
236 |
|||
40 |
3,2 |
68,48 |
4,54 |
-64,77 |
0,71 |
1,55 |
379 |
3,78 |
735 |
264 |
219 |
415 |
|||
20 |
4,67 |
64,26 |
6,27 |
-66,26 |
1,02 |
2,19 |
364,4 |
5,24 |
1016 |
974 |
300 |
564 |
|||
0 |
6,15 |
60,05 |
8,04 |
-67,38 |
1,34 |
2,84 |
361,8 |
6,7 |
1302 |
213 |
369 |
727 |
|||
Табл. 5
Данные
|
Измерения
|
Вычисления
|
|||||||||||||
|
|
|
|
|
|
|
|
|
|
|
|
|
|
||
град
|
В
|
А |
В
|
А
|
град
|
А
|
А
|
В
|
А
|
ВА
|
Вт
|
Вт
|
Вт |
||
0 |
100 |
1,41 |
281,4 |
3,12 |
-19,2 |
0,68 |
0,97 |
453,7 |
1,48 |
505 |
475 |
397 |
311 |
||
80 |
1,56 |
280,6 |
3,4 |
-19,03 |
0,75 |
1,07 |
453,4 |
1,63 |
551 |
542 |
438 |
343 |
|||
60 |
1,71 |
279,9 |
3,68 |
-18,95 |
0,82 |
1,17 |
453,2 |
1,77 |
596 |
593 |
479 |
375 |
|||
40 |
1,86 |
279,2 |
3,96 |
-18,95 |
0,89 |
1,27 |
453 |
1,92 |
642 |
638 |
519 |
407 |
|||
20 |
2 |
278,5 |
4,24 |
-18,89 |
0,99 |
1,37 |
452,8 |
2,07 |
687 |
686 |
557 |
439 |
|||
0 |
2,15 |
277.5 |
4,5 |
-18,89 |
1,04 |
1,47 |
452,3 |
2,22 |
729 |
728 |
597 |
470 |
|||
30 |
100 |
0,87 |
211,6 |
2,03 |
-40,2 |
0,3 |
0,51 |
454,4 |
0,95 |
329 |
264 |
184 |
164 |
||
80 |
1,02 |
211,1 |
2,28 |
-39,85 |
0,35 |
0,6 |
454,2 |
1,1 |
369 |
202 |
215 |
193 |
|||
60 |
1,17 |
210,7 |
2,53 |
-39,56 |
0,4 |
0,69 |
454 |
1,25 |
410 |
117 |
247 |
222 |
|||
40 |
1,32 |
210,2 |
2,78 |
-39,32 |
0,46 |
0,78 |
453,7 |
1,4 |
450 |
23 |
277 |
250 |
|||
20 |
1,47 |
209,7 |
3,04 |
-39,12 |
0,51 |
0,86 |
453,5 |
1,55 |
492 |
74 |
308 |
276 |
|||
0 |
1,61 |
209,3 |
3,29 |
-39,07 |
0,56 |
0,95 |
453,3 |
1,7 |
533 |
106 |
337 |
305 |
|||
60 |
100 |
0,05 |
105,1 |
0,63 |
-49,61 |
0,014 |
0,035 |
411,8 |
0,11 |
102 |
81 |
5 |
10 |
||
80 |
0,066 |
87,17 |
0,63 |
-49,9 |
0,015 |
0,039 |
411,7 |
0,12 |
102 |
95 |
6 |
11 |
|||
60 |
0,18 |
82 |
0,75 |
-51,75 |
0,039 |
0,087 |
401,8 |
0,24 |
122 |
10 |
15 |
25 |
|||
40 |
0,33 |
81,55 |
0,91 |
-53,56 |
0,065 |
0,15 |
398,6 |
0,38 |
147 |
146 |
27 |
42 |
|||
20 |
0,48 |
81,11 |
1,07 |
-54,83 |
0,092 |
0,21 |
398,4 |
0,53 |
173 |
26 |
39 |
59 |
|||
0 |
0,63 |
80,66 |
1,28 |
-55,77 |
0,12 |
0,28 |
398,1 |
0,68 |
207 |
148 |
51 |
79 |
|||