АЛМАТИНСКИЙ УНИВЕРСИТЕТ ЭНЕРГЕТИКИ И СВЯЗИ
Некоммерческое акционерное общество
Кафедра электрических станций, сетей и систем
РАСЧЕТНО-ГРАФИЧЕСКАЯ РАБОТА № 1
Дисциплина: Электрические сети и системы _
Специальность: 5В071800 – Электрэнергетика__________________ __
Выполнил: Әкімқожа Ә.С Группа: Эк 14-6
№ зачетной книжки:134243 ____________________________________
Принял: Мукашева Р.Т
_________________ «___» ________________________ 2017 г.
Подпись
Алматы, 2017
Содержание
1 Исходные данные……………………………………………………………….3
2 Схема замещения ЛЭП и трансформатора …………………………………....4
2.1 Расчет параметров ЛЭП…………………………………...………………….4
2.2 Расчет параметров трансформатора …………………………………...........5
3 Расчет потерь мощностей …………………………………...………………....5
3.1 Расчет потерь мощностей в трансформаторе……………………………….5
3.2 Расчет потерь мощностей в ЛЭП …………………………………................6
4 Расчет уровней напряжения в узловых точках ……………………………….7
5 Контрольные вопросы …………………………………...……………………..8
Заключение …………………………………...………………………………….11
Список литературы …………………………………...…………………………12
1 Исходные данные
Потребители понизительной подстанции, на которой установлен трехобмоточный трансформатор, получают электроэнергию по ВЛ длиной 90 км. Среднегеометрическое расстояние между проводами 4.5 м. Мощность потребителей подстанции на шинах среднего и низкого напряжения составляет соответственно 0,6 и 0,3 от номинальной мощности трансформатора и имеют одинаковые значения Tmax и cosφ.
Требуется:
а) составить схему замещения ЛЭП и схему замещения трансформатора. Параметры схем замещения определить расчетным путем;
б) определить потери мощности в элементах сети и уровни напряжения в узловых точках схемы замещения электропередачи.

Рисунок 1 – Расчетная схема сети
Таблица 1 – Исходные данные
|
Тип трансформатора |
n |
Марка провода |
D,м |
α |
β |
L, км |
cosφ |
Расположение фазных проводов |
|
АТДЦТН – 125000/220/110/10 |
2 |
АС-300/39 |
8 |
0,55 |
0,4 |
50 |
0,9 |
горизонтальное |
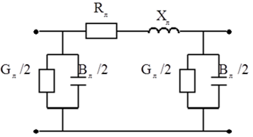
2 Схема замещения ЛЭП и трансформатора

Рисунок 2 – Схема замещения
2.1 Расчет параметров ЛЭП
Марка провода : АС-300/39;
Длина линии: 50 км;
r0=0,429 Ом/км;
Активное сопротивление ЛЭП:
Rл=(r0·L)/2=(0,429·50)/2=10,72 Ом,
где r0=0,429 Ом/км для данного провода
Среднее расстояние между проводами линии
Dср=
м,
Индуктивное сопротивление ЛЭП:
x0=
=0,144·lg(
)+0,016/2=0,51
Ом/км
где радиус данного провода: rпр=Dпр/2=24/2=12мм=0,012 м
Xл=(x0·L)/2=(0,51·50)/2=25,41 Ом
Межпроводная проводимость ЛЭП:
b0=
=
=2,55·10-6
См/км
Bл=b0·L=2,55·10-6·50=1,27·10-4 См
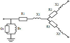
2.2 Расчет параметров трансформатора АТДЦТН – 125000/220/110 :

Рисунок – 3 Схема замещения трансформатора
Sном =125 MBA, Uн.ВН=230 кВ, Uн.СН=121 кВ, Uн.НН=6,6 кВ,
Uк.ВС=11%, Uк.ВН=42%, Uк.СН=27%, Pх=80 кВт, Іх=0,5%
Для данного трансформатора:
UкВ=0,5· (Uк.ВС + Uк.ВН - Uк.СН)= 0,5·(11+42-27)=13%; UкС=0,5·( Uк.ВС + Uк.СН - Uк.ВН)= 0,5·(11+27-42)=-2%;
UкН=0,5·( Uк.ВН + Uк.СН - Uк.ВС)= 0,5·(42+27-11)=29%;
Индуктивное сопротивление обмоток трансформатора:
Xтр1=
=
=55,01
Ом;
Xтр2=0;
Xтр3=
=
=122,73
Ом;
Pк=105 кВт;
Іх=0,5%;

ΔPкВ = ΔPкС = ΔPкН =0,5 ΔPк(ВН) =0,5·105=52,5 кВт;
Rобщ=
;

Рисунок – 3 Общая схема замещения
3 Расчет потерь мощностей
3.1 Расчет потерь мощностей в трансформаторе
R23=R34=R35=0,5·Rобщ=0,5·55,54 = 27,8 Ом;
Pтр=Sтр·cosφ=125000·0,9= 112,5 МВт
ΔQтр=
Sтр·
P4 = Pтр ·α = 112,5·0,55 = 61,87 МВт;
Q4= Qтр·α = 54,48·0,55 = 29,96 МВАр;
P5 = Pтр ·β = 112,5·0,4 = 45 МВт;
Q5= Qтр· β = 54,48·0,4 = 21,79 МВАр;
Потери мощности во второй обмотке трансформатора:
ΔP34
=
=
=
9,93 МВт;
ΔQ34
=
=
0;
ΔP35
=
=
=5,25
МВт;
ΔQ35
=
=
=23,2
МВАр;
P3= ΔP34 + ΔP35 = 9,93+5,25 =15,18 МВт;
Q3 = ΔQ34 + ΔQ35 = 0+23,2 = 23,2 МВАр;
ΔP23
=
=
=
1,61
МВт;
ΔQ23
=
=
=
3,19
МВАр;
P2= ΔP23 + P3 = 1,61+15,18 =16,79 МВт;
Q2 = ΔQ23 + Q3 = 3,19+23,2 =26,39 МВАр;
ΔP12
=
=
=
0,19
МВт;
ΔQ12
=
=
=
1,88
МВАр;
4 Расчет уровней напряжения в узловых точках
;
=
=
=
=114,5кВ;
=
=
=
=113,11 кВ;
=
=
=
= 110,669 кВ;
=
=
=
=83,62 кВ;
Контрольные вопросы
Вариант 1
Приведите порядок расчета районной сети по «данным конца».
Возможны четыре случая постановки задачи расчета линий.
Первый случай — известны напряжение и мощность в конце линии электропередачи U2 и S'2; требуется определить напряжение и мощность в начале линии U1 и S'1,
Второй случай — известны напряжение и мощность в начале линии U1 и S'1 требуется определить напряжение и мощность в конце линии U2 и S'2.
Третий случай — известны мощность в начале линии S'1 и напряжение в конце линии U2; требуется определить напряжение в начале линии U1 и мощность в конце линии S'2.
Четвертый случай — известны мощность в конце линии S'2 и напряжение в начале линии U1 требуется определить напряжение в конце линии U2 и мощность в начале линии S'1.
Каждый из этих случаев является характерным для практического решения задач о передаче мощности:
первый — от любой точки сети энергосистемы к потребителю с заданной мощностью, с установкой на передающем конце линии регулирующего напряжение линейного автотрансформатора;
второй — от электростанции в любую точку сети энергосистемы, с установкой на приемном конце линии линейного или силового автотрансформаторов, регулирующих напряжение в точке примыкания электропередачи к сети энергосистемы (т. е. на расчетном напряжении в первом случае и на вторичном напряжении во втором);
третий — от отдельной электростанции, связанной рассчитываемой электропередачей с сетью энергосистемы на приемном конце линии (при любом числе цепей);
четвертый — от любой точки сети энергосистемы с фиксированным уровнем напряжения к потребителю с заданной нагрузкой. Как правило, в этом, наиболее распространенном на практике случае расчет линий электропередачи ведут с учетом трансформаторов, устанавливаемых на приемных подстанциях.
Отметим, что два последних случая с заданными исходными величинами по разным концам линии приводятся в расчетном отношении к первым двум случаям, т. е. к расчету по данным конца линии или по данным начала линии, соответственно заданному исходному напряжению.
Как определяются потери мощности и энергии в трансформаторах и автотрансформаторах?
По обыкновению известные паспортные данные трансформаторов: DPк, DРх. х.,U К. , І х. х.
Для мощных силовых трансформаторов справедливые следующие соотношения
;
;
;
,
где DР м..ном и DQ г. ном – потери активной и реактивной мощности в обмотках (в меди) трансформатора за номинальной нагрузке; D Рс и DQc – потери активной и реактивной мощности в стали трансформатора.
Потери активной мощности в стали не зависят от нагрузки трансформатора, а потери в меди (в обмотках) прямо пропорциональные квадрату нагрузки:
;
.
Для n одинаковых, параллельно включенных трансформаторов
,
где S – суммарная нагрузка всех трансформаторов; Sном – номинальная мощность одного трансформатора.
Потери активной мощности в автотрансформаторах:
,
где
;
;
.