Некоммерческое акционерное общество
«АУЭС им. Гумарбека Даукеева»
Кафедра «Электрических станций и электроэнергетических систем»
СРЕЗ № 2
По дисциплине: Электрические сети и системы
Специальность: 5В071800 – Электроэнергетика Выполнил: Кайыпкали Б. Группа ЭЭ-17-8
Номер шифра: 174277
Принял: доц. Михалкова Е.Г.
____________ _____________«____» ____________2020 г.
(оценка) (подпись)
Алматы 2020
Содержание
|
1.Задание……………………………………………………………………… |
3 |
|
2.Определение параметров ЛЭП и трансформаторов……………………… |
3 |
|
2.1 Расчет параметров ЛЭП………………………………………………….. |
4 |
|
2.2 Расчет параметров трансформатора ТДТН-40000/220………………… |
6 |
|
2.3 Расчет потерь мощностей………………………………………………... |
7 |
|
3.Расчет уровней напряжения в узловых точках…………………………... |
8 |
|
Заключение…………………………………………………………………… |
11 |
1 Задание
Провести расчет параметров ЛЭП и трансформаторов, рассчитать падения напряжения в программе «Rastrwin3» и сравнить результат с ручным расчетом.
2 Определение параметров ЛЭП и трансформаторов.
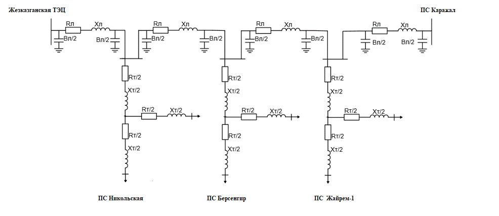
Выбран участок электрических сетей между Жезказганской ТЭЦ и Каражальской подстанцией, между которыми находятся 3 подстанции (Никольская, Барсенгир, Жайрем-1). Для этого участка определим параметры ЛЭП с проводом АСО-300 и трансформаторов ТДТН 40000/220 расчётным путем. Для этого составим схему замещения.

Рисунок 2-Расчетная схема Жезказаганская ТЭЦ- ПС Каражал

Рисунок 3-Схема замещения Жезказаганская ТЭЦ- ПС Каражал
Таблица 1 – Исходные данные
|
Тип трансформатора |
n |
Марка провода |
D, м |
α |
β |
L, км |
cosφ |
Расположение фазных проводов |
|
ТДТН-40000/220 |
1/2 |
АСО-300/39 |
8 |
0,5 |
0,85 |
169,1 |
0,83 |
Треугольное |
Таблица 2 – Исходные данные трансформатора
|
Тип трансформатора |
Sном, МВА |
ΔPкз, кВт |
ΔPхх, кВт |
Uк, % |
Iхх, % |
Uн |
||||||
|
ВС |
СН |
ВН |
ВН-СН |
ВН-НН |
СН-НН |
ВН |
СН |
НН |
||||
|
ТДТН-40000/220 |
40 |
130 |
135 |
105 |
54 |
12,5 |
22 |
9,5 |
0,6 |
230 |
38,5 |
10,5 |
2.1 Расчет параметров ЛЭП
Так как марка нашего провода АСО-300/39, то следовательно

где
p – удельное проводимость, равное 29
Ом
мм2/км;
F – сечение провода, равное 300 мм2.
Значит, активное сопротивление линии для 1-4 участка соответственно:




Предполагается, что фазные провода расположены треугольником, отсюда следует:

После получения основных данных мы можем определить величину погонного индуктивного сопротивления линии (реактивное) на участках 1-4:

где
радиус данного провода:





Межпроводная проводимость ЛЭП:

Емкостная проводимость линии на участках 1-4:




2.2 Расчет параметров трансформатора ТДТН-25000/220
Для данного трансформатора:
Для данного трансформатора:
UкВ=0,5· (Uк.ВС + Uк.ВН - Uк.СН)= 0,5·(12,5+22-9,5)=12,5%
UкС=0,5·( Uк.ВС + Uк.СН - Uк.ВН)= 0,5·(12,5+9,5-22)=0%;
UкН=0,5·( Uк.ВН + Uк.СН - Uк.ВС)= 0,5·(22+9,5-12,5)=9,5%;
Потери мощности короткого замыкания в каждой обмотке:
ΔРк.В=0,5· (Рк.ВС + Рк.ВН - Рк.СН)= 0,5·(135+130-105)=160 кВт;
ΔРк.С=0,5·( Рк.ВС + Рк.СН - Рк.ВН)= 0,5·(135+105-130)=110 кВт;
ΔРк.Н=0,5·( Рк.ВН + Рк.СН - Рк.ВС)= 0,5·(130 +105 -135)=100 кВт;
Сопротивления обмоток:
=
Ом;
=
Ом;
=
Ом.
Индуктивное сопротивление обмоток трансформатора:
Xтр1=
=
=165,3
Ом;
Xтр2=0;
Xтр3=
=
=0,26
Ом;
Потери холостого хода реактивной мощности

Так как в нашей исходной схеме 2 трансформатора, то рассчитанные параметры активного и индуктивного сопротивления обмоток трансформатора делим на 2. И полученный результат указываем на схеме замещения.
2.3 Расчет потерь мощностей
Так как трансформатор ТДТН 25000/220, то Sтр=25000 кВА. Мощность потребителей подстанции на шинах среднего и низшего напряжения составляет соответственно α и β от номинальной мощности трансформаторов. Принимаю α=0.6 и β=0.6 и cosφ=0,83
Pтр=Sтр·cosφ=25000·0,83= 20,75 МВт;
ΔQтр=
Sтр·
.
Активные и реактивные мощности нагрузки соотвественно будут равны.
P = Pтр ·α = 20,75·0,6 = 10,45 МВт;
Q= Qтр·α = 13,94·0,6 = 7,2 МВар.
3 Расчет уровней напряжений в узловых точках
Все дальнейшие расчеты будут производиться в программе RastrWin3, предназначенной для проектирования электроэнергетических систем, расчета потерь ЭЭ в ЛЭП.
Заполняем раздел «Узлы», указывая напряжение каждого элемента энергосистемы. Указываем название объектов, а также значения активных и реактивных мощностей нагрузки для среднего и низкого напряжения.

Рисунок 4 - Вкладка «Узлы»
Во вкладке «Ветви» мы указываем номера начала и конца, т.е. от какого узла к какому передается электроэнергия. Далее заполняем параметры линии электропередачи и трансформаторов, которые мы рассчитали выше. Для трансформаторов указываем коэффициент трансформации, который для трансформатора ТДТН-25000/220/35/10 мы посчитали следующим образом.
Коэффициент трансформации среднего и низкого напряжения соответственно:



Рисунок 5 - Вкладка «Ветви»
После ввода всех данных параметров и указания активные и реактивные мощности нагрузки, нажатием клавиши F5 производим расчёт режима и получаем результат потерь напряжения во вкладке «Узлы» в столбике «V». Эти результаты мы сравниваем с исходными напряжениями и рассчитываем падение напряжения в узлах. В трансформаторе на стороне высокого напряжения, мы можем наблюдать падение напряжения в пределах 3,09-3,77%. На стороне среднего напряжения в пределах 3,45-4,11% и на стороне низкого напряжения на 3,6-4,7%. В линиях электропередач этот предел составляет 1,03-1,67%.

Рисунок 6 - Вкладка «Потери»

Рисунок 7 - График системы
Заключение
В данной работе рассчитаны параметры линии электропередачи и трансформаторов, расчетные данные были внесены в программу «RastrWin3» и был произведен расчет режима. В результате оказалось что в трансформаторе на стороне высокого напряжения, падение напряжения в пределах 3,09-3,77%, на стороне среднего напряжения в пределах 3,45-4,11% и на стороне низкого напряжения в пределах 3,6-4,7%. В линиях электропередач этот предел составил 1,03-1,67%. В первой работе показания данных не превышали 1%, максимальное отклонение показаний составляло 3,7%. Данные отклонения могут объясняться неправильным округлением чисел и не соблюдением каких-либо иных условий в ручном варианте расчета.
Потери в линии или при трансформации с одного напряжения в другое в трансформаторах, эквиваленты денежным средствам. Это создает необходимость выполнения наиболее точных расчетов, что позволит эффективно организовать производство.