Материал: Argel L Руководство по эксплуатации

Внимание! Если размещение файла нарушает Ваши авторские права, то обязательно сообщите нам

ООО «ВИТЭКО»

Argel L

Ш. 280.186 РЭ

 

 

 

1.3 Состав изделия

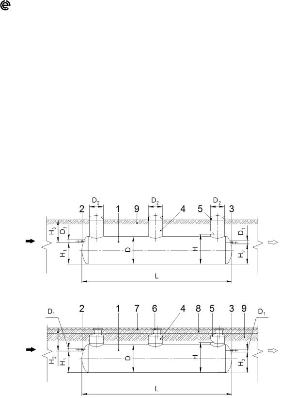
1.3.1 Argel L вне зависимости от модификации представляет собой горизонтальную цилиндрическую ёмкость, разделенную внутри перегородками.

Устройство отстойника представлено на рисунке 1.

Модификация Argel LS

 

 

Модификация Argel LN

1

– корпус стеклопластиковый;

7

– труба для откачки нефтепродуктов;

2

– патрубок входной;

8 – датчик уровня нефтепродуктов (опция);

3

– патрубок выходной;

9

– датчик уровня песка (опция).

4– блок полимерных пластин;

5– перегородка полупогружная;

6– колодец технический;

Рисунок 1 – Устройство изделия

Корпус отстойника и перегородки выполнены из стеклопластика. Наклонные

6

ООО «ВИТЭКО»

Argel L

Ш. 280.186 РЭ

 

 

 

пластины выполнены из полимерных материалов. Входной и выходной патрубки изготовлены из НПВХ.

1.3.2Отстойники производительностью от 1 до 10 л/с изготавливаются в моноблочном исполнении.

Отстойники производительностью выше 10 л/с состоят из нескольких параллельных блоков тонкослойного отстаивания.

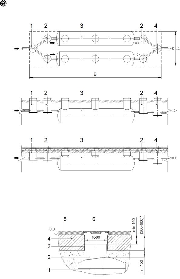
1.3.3Отстойники Argel L изготавливаются в двух исполнениях для подземного размещения:

- для монтажа под стеклопластиковый люк («газон»); - для монтажа под чугунный люк ГОСТ 3634-99 («нагрузка»).

Общий вид различных исполнений представлен на рисунках 2 и 3. Основные размеры и параметры отстойников представлены в таблицах 3, 4.

Размещение под газон

Размещение под нагрузку

1

– блок тонкослойного отстаивания;

L – длина корпуса;

2

– патрубок входной;

D – диаметр корпуса;

3

– патрубок выходной;

D1 – диаметр патрубков;

4

– колодец технический;

D2 – диаметр технических колодцев;

5

– люк стеклопластиковый;

H – высота корпуса;

6

– люк чугунный;

H1 – высота расположения входного па-

7

– дорожное покрытие;

трубка;

8

– плита разгрузочная;

H2 – высота расположения выходного па-

9

– песок уплотнённый;

трубка;

 

 

H3 – глубина расположения входного па-

 

 

трубка от поверхности земли.

7

ООО «ВИТЭКО»

Argel L

Ш. 280.186 РЭ

 

 

 

Рисунок 2 – Общий вид моноблочного отстойника Argel L

Размещение под газон

Размещение под нагрузку

1

– колодец смотровой ж/б;

4 – колодец для отбора проб ж/б;

2 – колодец смотровой поворотный ж/б;

А – ширина комплекса*;

3

– тонкослойный отстойник Argel L;

В – длина комплекса*.

 

 

*Определяется проектом.

Рисунок 3 – Общий вид многоблочного отстойника Argel L

1

– колодец технический;

4

– плита разгрузочная;

2

– переходник под чугунный люк;

5

– дорожное покрытие;

3

– кольцо опалубочное;

6

– люк чугунный.

8

ООО «ВИТЭКО»

Argel L

Ш. 280.186 РЭ

 

 

 

Рисунок 4 – Вариант технического колодца в исполнении под чугунный люк Таблица 3 – Технические характеристики

Параметры

 

 

 

 

Отстойник Argel L

 

 

 

 

 

 

 

 

 

 

 

 

 

 

 

 

 

1

2

3

5

7,5

 

10

15

 

20

30

40

60

 

 

 

 

 

 

 

 

 

 

 

 

 

 

 

 

 

Количество бло-

1

1

1

1

1

 

1

2

 

2

3

4

6

ков

 

 

 

 

 

 

 

 

 

 

 

 

 

 

 

Масса сухая, т

0,5

0,7

1,1

1,7

2,2

 

3,3

4,4

 

6,7

10,0

13,3

20,0

 

 

 

 

 

 

 

 

 

 

 

 

 

 

Масса с водой, т

6,3

9,9

17,2

28,9

38,6

 

49,2

77,1

 

98,4

147,6

196,7

295,2

 

 

 

 

 

 

 

 

 

 

 

 

 

 

Диаметр кор-

 

 

 

 

 

 

 

 

 

 

 

 

 

пуса (D), м

1,5

1,5

2

2

2

 

2,4

2

 

2,4

2,4

2,4

2,4

(рисунок 2)

 

 

 

 

 

 

 

 

 

 

 

 

 

Длина корпуса

 

 

 

 

 

 

 

 

 

 

 

 

 

(L), м

3,9

6,2

6,2

10,2

13,6

 

13

13,6

 

13

13

13

13

(рисунок 2)

 

 

 

 

 

 

 

 

 

 

 

 

 

 

 

 

 

 

 

 

 

 

 

 

 

 

 

Высота корпуса

 

 

 

 

 

 

 

 

 

 

 

 

 

(Н), м

1,7

1,7

2,2

2,2

2,2

 

2,6

2,2

 

2,6

2,6

2,6

2,6

(рисунок 2)

 

 

 

 

 

 

 

 

 

 

 

 

 

 

 

 

 

 

 

 

 

 

 

 

 

 

 

Высота располо-

 

 

 

 

 

 

 

 

 

 

 

 

 

жения входного

1,35

1,35

1,7

1,7

1,7

 

1,9

1,7

 

1,9

1,9

1,9

1,9

патрубка (Н1), м

 

 

 

 

 

 

 

 

 

 

 

 

 

 

 

(рисунок 2)

 

 

 

 

 

 

 

 

 

 

 

 

 

 

 

 

 

 

 

 

 

 

 

 

 

 

 

Высота располо-

 

 

 

 

 

 

 

 

 

 

 

 

 

жения выход-

 

 

 

 

 

 

 

 

 

 

 

 

 

ного патрубка

1,25

1,25

1,6

1,6

1,6

 

1,8

1,6

 

1,8

1,8

1,8

1,8

2), м

 

 

 

 

 

 

 

 

 

 

 

 

 

(рисунок 2)

 

 

 

 

 

 

 

 

 

 

 

 

 

Длина* (В), м

-

-

-

-

-

 

-

20

 

19,4

16,2

20,5

20,5

(рисунок 3)

 

 

 

 

 

 

 

 

 

 

 

 

 

 

 

 

 

 

 

 

 

 

 

 

 

 

 

 

 

Ширина* (А), м

-

-

-

-

-

 

-

5

 

5,8

9,2

12,6

19,4

(рисунок 3)

 

 

 

 

 

 

 

 

 

 

 

 

 

 

 

 

 

 

 

 

 

 

 

 

 

 

 

 

 

Диаметр патруб-

 

 

 

 

 

 

 

 

 

 

 

 

 

ков

110

160

 

200

 

 

 

315

 

(входного и вы-

 

 

 

 

 

 

 

 

 

 

 

 

 

 

 

 

 

 

ходного), мм

 

 

 

 

 

 

 

 

 

 

 

 

 

Глубина распо-

 

 

 

 

 

 

 

 

 

 

 

 

 

ложения лотка

 

 

 

 

 

 

 

 

 

 

 

 

 

входного па-

 

 

 

 

 

1800-4000

 

 

 

 

 

трубка от по-

 

 

 

 

 

 

 

 

 

 

 

 

 

 

 

 

 

 

 

 

 

 

 

верхности

 

 

 

 

 

 

 

 

 

 

 

 

 

земли, Н3, мм

 

 

 

 

 

 

 

 

 

 

 

 

 

 

 

 

 

Примечания:

 

 

 

 

 

 

1) * Размеры для справок.

2) В серийном исполнении установлены патрубки с раструбом из НПВХ SN4 ТУ 2248-057- 72311668-2007 «Трубы и патрубки из непластифицированного поливинилхлорида для канализации»; по согласованию с заказчиком допускается установка патрубков другого типа. 3) Диаметр технических колодцев D2 составляет 800 мм у моделей производительностью 1 и 2 л/с и 1200 мм у остальных моделей типоряда.

9

ООО «ВИТЭКО»

Argel L

Ш. 280.186 РЭ

 

 

 

1.4 Устройство и работа изделия

1.4.1Тонкослойный отстойник Argel L предназначен для осаждения мелкодисперсных взвешенных веществ и отделения нефтепродуктов.

1.4.2В зависимости от специфики поверхностных стоков выбирается модификации серии Argel L. Для стоков с преобладающими загрязнениями в виде взвешенных веществ применяется модификация Argel LS. Для стоков с высоким содержанием нефтепродуктов используется модификация Argel LN (см. таблицу 1).

1.4.3Поступающий через подводящий патрубок поток жидкости, проходя через блок полимерных пластин и разделяясь на ярусы, переходит в ламинарный режим движения. В блоке происходит разделение жидкостей. Мелкодисперсные взвешенные вещества по наклонным пластинам оседают на дно, а всплывающие нефтепродукты собираются на поверхности. Плёнка нефтепродуктов удерживается от смешивания с отводимым потоком жидкости полупогружной перегородкой.

1.5 Маркировка

1.5.1Схема маркировки отстойников Argel L представлена на рисунке 5.

1.5.2На корпусе отстойника нанесены информационные надписи «ВХОД» 1, «ВЫХОД» 2, обозначающие входной и выходной патрубок; «КОРПУС» 3, обозначающая корпус установки; «№ 1 КОЛОДЕЦ ТЕХНИЧЕСКИЙ 1200» 4, 5, обозначающая номер технического колодца по порядку слева на право от входного патрубка.

1.5.3На корпусе отстойника наклеен ярлык 6 с нанесённой маркировкой изготовителя (товарный знак), наименования установки, номера технических условий, заводского номера, даты изготовления, массы изделия. Внешний вид ярлыка представлен на рисунке 6.

1.5.4На корпусе отстойника наклеены ярлыки 8, 9, 10, 11 с обозначением номера и названия детали отстойника. Внешний вид ярлыков представлен на рисунке 7.

1.5.5На корпусе отстойника наклеена схема сборки установки 7. Внешний вид схемы сборки представлен на рисунке 8.

10