Материал: A-V-Kuzmickij-Mashiny-i-oborudovanie-dlya-ochistki-i-sortirovaniya-zernovyh-i-zernobobovyh-kultur

Внимание! Если размещение файла нарушает Ваши авторские права, то обязательно сообщите нам

зернового вороха оптимизируется установленным вбрасывающим битером 7. Диаметральный 24-лопастный вентилятор создает замкнутый равномерный по ширине воздушный поток, полностью выделяющий из зернового вороха легкие примеси.

Технологический процесс отличается тем, что материал, прошедший сквозь сетчатый транспортер 2, вбрасывается битером 7 во всасывающий канал аспирации 1. Скорость воздушного потока регулируется дроссельной за-

слонкой 5, расположенной в нагнетательном канале.

 

 

У

 

 

 

В сепараторе совмещена грубая и тонкая регулировки воздуха. Грубая

регулировка осуществляется тягой при отпущенной гайке. Тонкая регулиров-

ка осуществляется вращением винта при затянутой гайке.

 

Т

3.2. Воздушно-решетные зерноочистительные машиныА

 

 

Г

 

 

Б

 

 

Первичная очистка зерна проводится после предварительной очистки и сушки. Машины (сепараторы) первичной очистки должны выделять из зерновой массы оставшиеся сорные и зерновые примеси, которые поддаются отде-

лению на решетах и в воздушном потоке.

 

Вторичная очистка зерна провод тсяйпосле первичной подготовки се-

менного материала или для доведен я п одовольственного зерна до базисных

кондиций. При этом удаляются такие пимеси, как куколь, овсюг, гречиха, ди-

кий горошек и др.,

ванные

основной культуры, ликвидируется

 

зерна

 

видовое засорение. Очищенный материал часто разбивается по сортам. Как

правило, вторичная оч с каовключает в себя обработку на триерах.

Машина перв чной очистки зерна МЗП-50 (рис. 3.5) состоит из двух

 

травмир

унифицированных во душно-решетных блоков 26, установленных на раме 2.

Оба блока соединеныимежду собой отстойником 19. Выходные лотки решет-

ных бл к в и тстойника соединены со сборником фракций 24. Каждый ре-

 

з

шетный бл к имеет тягу 25 для регулирования подачи очищаемого материала.

Режим воздушной очистки регулируется клапанами с помощью рычагов 20.

Р шетные блоки 26 служат для очистки зернового материала на вра-

п

 

щающихся цилиндрических решетах, установленных в три яруса. Решета

крепятся на кольцах барабана с помощью винтов.

Решетный барабан 14 вращается вместе с остовом и одновременно ко-

Рлеблется относительно него в вертикальной плоскости. Колебания передают-

ся барабану шатуном 9 от вибратора. Перемещение барабана относительно остова ротора осуществляется благодаря деформации резиновых втулок 12, установленных на каждой спице с обеих сторон.

26

Забивание решет предотвращается очистителями 28. Верхний и средний ярусы решет очищаются комбинированными очистительными элементами, а нижний ярус – одним (с резиновыми элементами).

Очистители состоят из резиновых дисков и капроновых щеток, которые

 

 

 

 

 

 

 

 

 

 

 

 

У

насажены на ось. В рабочем положении очиститель прижимается пружинами

к поверхности решета. При замене решет очиститель отводится в сторону с

последующей фиксацией его в крайнем положении.

 

 

Т

 

 

 

 

 

 

 

 

 

 

 

 

 

 

А

 

 

 

 

 

 

 

 

 

 

Г

 

 

 

 

 

 

 

 

 

 

 

Б

 

 

 

 

 

 

 

 

 

 

 

й

 

 

 

 

 

 

 

 

 

 

и

 

 

 

 

 

 

 

 

 

 

р

 

 

 

 

 

 

 

 

 

 

о

 

 

 

 

 

 

 

 

 

 

т

 

 

 

 

 

 

 

 

 

 

и

 

 

 

 

 

 

 

 

 

 

з

 

 

 

 

 

 

 

 

 

 

о

 

 

 

 

 

 

 

 

 

 

п

 

 

 

 

 

 

 

 

 

 

 

е

 

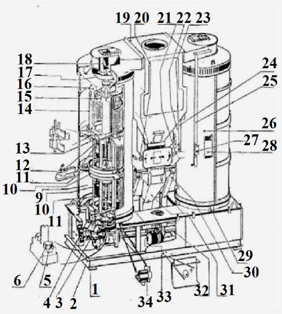
Рис. 3.5. Машина первичной очистки зерна МЗП-50:

 

 

 

 

 

 

 

 

1 – опора машины; 2 – рама; 3 – контрпривод ротора; 4 – поддон; 5 – шайба стопорная;

6 – винт; 7 – остов; 8 – ротор; 9 – шатун; 10 – кольцо алюминиевое; 11 – лопатка;

 

Р12, 34 – втулки резиновые; 13, 27 – гайки; 14 – барабан решетный; 15, 17 – разбрасыватели;

16 – обечайка; 18, 21 – клапаны; 19 – отстойник; 20, 22 – рычаги; 23 – фиксатор; 24 – сборник фракций; 25 – тяга; 26 – блок решетный; 28 – очиститель; 29 – болт; 30 – течка фуража; 31 – течка легких примесей; 32 – вал соединительный с муфтами; 33 – контрпривод вибратора

27

Технологический процесс (рис. 3.6), выполняемый машиной, протекает следующим образом. Подлежащий очистке зерновой материал через дозатор 1 поступает на вращающийся разбрасыватель, который направляет зерновую массу в кольцевой пневмосепарирующий канал 3. Клапаны 2 дозатора уста-

 

 

 

 

 

 

 

 

 

 

 

 

 

У

навливают на требуемую производительность машины. Под действием воз-

душного потока «б» легкие частицы выносятся из кольцевого канала в отстой-

 

 

 

 

 

 

 

 

 

 

 

 

Т

ник 14, где они осаждаются и выводятся из машины через вакуум-клапан и

сборник. Пыль с воздухом транспортируется в пылеотделитель зерноочисти-

тельного отделения.

 

 

 

 

 

 

А

 

 

 

 

 

 

 

 

 

 

 

 

 

 

 

 

 

 

 

 

Г

 

 

 

 

 

 

 

 

 

 

 

 

Б

 

 

 

 

 

 

 

 

 

 

 

 

й

 

 

 

 

 

 

 

 

 

 

 

и

 

 

 

 

 

 

 

 

 

 

 

р

 

 

 

 

 

 

 

 

 

 

 

о

 

 

 

 

 

 

 

 

 

 

 

т

 

 

 

 

 

 

 

 

 

 

 

и

 

 

 

 

 

 

 

 

 

 

 

з

 

 

 

 

 

 

 

 

 

 

 

о

 

 

 

 

 

 

 

 

 

 

 

п

 

 

 

 

 

 

крупные примеси

 

 

 

е

— — не чищенное зерно

 

 

 

 

 

 

 

—◊— мелкие примеси

 

 

 

— — легкие примеси

 

 

 

Р

 

—D – дробленое (мелкое) зерно

 

—П— пыль

 

 

 

 

—О— очищенное зерно

 

 

—б— воздушный поток

 

 

 

 

 

 

 

 

 

 

—В, Г, Б— решета

Рис. 3.6. Схема технологическая одного блока зерноочистительной машины МЗП-50: 1 – дозатор; 2 – клапан; 3 – канал аспирационный; 4 – питатель дисковый;

5, 9, 10 – решета; 6 – корпус; 7 – очистители резиновые; 8, 11 – лопатки; 12 – вибратор; 13 – очиститель щеточный; 14 – камера осадочная;

В, Г, Б – решета (верхнее, среднее, нижние)

28

Очищенный от легких примесей и обеспыленный зерновой поток направляется по конусу на вращающийся нижний дисковый питатель 4 и подается с его помощьюравномернымпотокомнавнутреннююповерхностьверхнегорешетаВ.

За счет центробежных сил инерции вращательного движения зерновая

 

 

 

 

 

 

 

 

 

 

 

 

 

 

 

У

смесь прижимается к решету, а за счет силы тяжести и инерционных сил коле-

бательного движения перемещается сверху вниз. Мелкие примеси провалива-

 

 

 

 

 

 

 

 

 

 

 

 

 

 

Т

ются сквозь отверстия решета В, поэтому оно выполняет функцию подсевного.

 

 

Сход с решет В попадает на среднее решето Г, выделяющее проходом

 

 

 

 

 

 

 

 

 

 

 

 

 

 

А

 

остатки мелких примесей и фуражное зерно (роль сортировального решета),

и, наконец, основной поток попадает па нижнее решето Б, являющееся коло-

совым. То есть, зерно проходом через решето Б выводится в течку очищенно-

го зерна, а сход с решета Б (крупные примеси) выводится в свою течку.

 

 

 

Все фракции решетной очистки выводятся из машины специальными

лопатками

8, 11. При

необходимости объединения фракцийГ, выделенных

 

 

 

 

 

 

 

 

 

 

 

 

й

 

 

верхним и средним решетами, клапан сборника 21

(рис. 3.5) устанавливается

в вертикальное положение.

 

стки

Б

 

 

 

 

Кроме описанной прямоточной схемы очистки, машина может работать

и по фракционной схеме в случае оч

 

зерновых с повышенным содержа-

 

 

 

 

 

 

 

 

 

 

р

 

 

 

 

нием длинных и коротких примесей. В этом вар анте решета Г ставят на один

 

 

 

 

 

 

 

 

 

до

 

 

 

 

 

или два размера больше, а решета Б – меньше. При этом решето Г просевает

до 30

% зерен основной культу ы, в

сновном, все короткие и часть длинных

примесей. Решето Б

просевает

40 % зерен основной культуры с небольшим

 

 

 

 

 

 

 

 

 

блоки

 

 

 

 

 

 

 

содержанием длинных примесей. П сле МЗП-50 проход решета Г направля-

ется на триерные

 

с кукольными и овсюжными цилиндрами, а сход с

 

 

 

 

 

з

 

 

 

 

 

 

 

 

решета Б – на блоки с овсюжными цилиндрами. Проход же решета Б не под-

 

 

о

 

 

направляется в обход триеров в бункер чистого зер-

вергается триерован ю

на. Эта схема раб ты МЗП-50 существенно разгружает триеры, повышая про-

 

п

 

 

 

 

 

 

 

 

 

 

 

изводительн сть всего очистительного отделения.

 

 

 

 

 

Зерн

 

чиститель СSА-50 предназначен для первичной и вторичной

лкие

 

 

 

 

 

 

 

 

 

 

 

 

 

очисток семян всех сортов зерна, рапса, кукурузы, семян зернобобовых и

других культур от примесей легких (семенная пленка, пыль), тяжелых (песок,

Р

 

 

семена сорняков, мелкие и размельченные зерна), а также крупных

м

 

 

(солома, колосья, камни и т.д.).

Зерноочиститель создан с использованием базовой машины АI-БИС-100 производства ОАО «Мильинвест», доработанной в части системы аспирации решет, за счет чего существенно улучшены его характеристики.

29

 

 

 

 

 

 

 

 

 

 

 

 

 

У

 

 

 

 

 

 

 

 

 

 

 

 

Т

 

 

 

 

 

 

 

 

 

 

 

А

 

 

 

 

 

 

 

 

 

 

 

Г

 

 

 

 

 

 

 

 

 

 

а)

 

Б

 

 

 

 

 

 

 

 

 

 

 

 

 

 

 

 

 

 

 

 

 

 

 

 

 

й

 

 

 

 

 

 

 

 

 

 

 

и

 

 

 

 

 

 

 

 

 

 

 

р

 

 

 

 

 

 

 

 

 

 

 

о

 

 

 

 

 

 

 

 

 

 

 

т

 

 

 

 

 

 

 

 

 

 

 

и

 

 

 

 

 

 

 

 

 

 

 

з

 

 

 

 

 

 

 

 

 

 

 

о

 

 

 

 

 

 

 

 

 

 

 

п

 

 

 

 

 

 

 

 

 

 

 

е

 

 

 

 

 

 

 

 

 

 

 

 

Р

 

 

 

 

 

 

 

 

 

 

 

 

 

Рис. 3.7. Зерноочиститель CSA-50:

а – зерноочиститель с аспирационной системой; б –схема технологическая; 1 – механизм привода вибратора; 2 – рамки решетные; 3 – корпус; 4 – разделитель струи; 5 – камера приемная; 6 – коробка; 7 – решето сортировочное; 8 – решето подсевное; 9 – заслонки; 10 – каналы аспирации; 11 – желоб крупных примесей; 12 – приемник зерна;

13 – ограничитель; 14 – желоб мелких примесей; 15 – вентилятор; 16 – циклон

30