ловинкой, не подвергавшейся испытанию, проверяя на соответствие подраздела 2.1.
Предел прочности при изгибе определяют на целом кирпиче. В местах опирания и приложения нагрузки поверхность кирпича пластического формования выравнивают цементным или гипсовым раствором, шлифованием или применяют прокладки из технического войлока, резинотканевых пластин и др. Кирпич полусухого прессования испытывают без применения растворов и прокладок. Кирпич с несквозными пустотами устанавливают на опорах так, чтобы пустоты располагались в растянутой зоне образца.
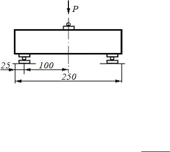
Рис. 4. Схема испытания кирпича на изгиб
Образец устанавливают на двух опорах пресса (рис. 4). Нагрузку прикладывают в середине пролета и равномерно распределяют по ширине образца. Нагрузка на образец должна возрастать непрерывно со скоростью, обеспечивающей его разрушение через 20 – 60 с после начала испытаний.
Предел прочности при изгибе Rизг, МПа (кгс/см2), вычисляют по формуле
3 P l Rизг 2 b h2 ,
где P – наибольшая нагрузка, установленная при испытании образца, Н (кгс); l – расстояние между осями опор, см; b– ширина образца, см; h – высота образца посередине пролета без выравнивающего слоя, см.
Предел прочности при изгибе образцов в партии вычисляют с точностью до 0,05 МПа (0,5 кгс/см2) как среднее арифметическое значение результатов испытаний установленного числа образцов. Образцы, пределы прочности которых отклоняются от среднего значения более чем на 50 %, не учитывают.
16
Образцы испытывают в воздушно-сухом состоянии. При испытании кирпича испытуемый образец составляют из двух целых кирпичей, уложенных постелями друг на друга (рис. 5). Подготовку опорных поверхностей изделий проводят шлифованием.
Отклонение от плоскостности опорных поверхностей испытуемых образцов не должно превышать 0,1 мм на каждые 100 мм длины. Непараллельность опорных поверхностей испытуемых образцов (разность значений высоты, измеренной по четырем вертикальным ребрам) должна быть не более 2 мм. Испытуемый образец измеряют по средним линиям опорных поверхностей с погрешностью до ± 1 мм. На боковые поверхности образца наносят осевые линии.
Образец устанавливают в центре опорной плиты машины для испытаний на сжатие, совмещая геометрические оси образца и плиты,
и прижимают верхней плитой машины. |
|
При испытаниях нагрузка на об- |
|
разец должна возрастать следующим |
|
образом: до достижения примерно по- |
|
ловины ожидаемого значения разру- |
|
шающей нагрузки – произвольно, за- |
|
тем поддерживают такую скорость на- |
|
гружения, чтобы разрушение образца |
|
произошло не ранее чем через 1 мин. |
|
Значение разрушающей нагрузки ре- |
Рис. 5. Схема испытания кирпича |
гистрируют. |
на сжатие |
|
Предел прочности при сжатии кирпича Rсж, МПа (кгс/см2), вычисляют по формуле
Rсж = P / F,
где P – наибольшая нагрузка, установленная при испытании образца, Н (кгс); F – площадь поперечного сечения образца (без вычета площади пустот), вычисляют как среднеарифметическое значение площадей верхней и нижней поверхностей, мм2 (см2).
Значение предела прочности при сжатии образцов вычисляют с точностью до 0,1 МПа (1 кгс) как среднеарифметическое значение результатов испытаний установленного числа образцов.
17
Испытания следует проводить в помещениях с температурой воздуха 20 ± 5 °С на целых кирпичах, очищенных от загрязнений и предварительно высушенных при 100 ± 5 °С до постоянной массы. Среднюю плотность определяют не менее чем на трех образцах.
Объем образцов определяют по геометрическим размерам, измеренным с погрешностью не более 1 мм. Для определения каждого линейного размера образец измеряют в трех местах – по ребрам и посередине грани. За окончательный результат принимают среднеарифметическое трех измерений.
Среднюю плотность ρср , кг/м3, вычисляют по формуле
m
ρср V 1000,
где m– масса образца, г; V – объем образца, см3.
Результат определения средней плотности кирпича округляют до 10 кг/м3.
Водопоглощение определяют при насыщении кирпича водой температурой (20 ± 5) °С при атмосферном давлении.
Предварительно высушенные до постоянной массы образцы (не менее трех) укладывают в один ряд с зазорами между ними не менее 2 см в сосуд с водой так, чтобы слой воды над образцами был не меньше 2 – 10 см, и выдерживают 48 ч. Насыщенные водой образцы вынимают, обтирают влажной тканью и взвешивают. Взвешивание каждого образца должно быть закончено не позднее 2 мин после его удаления из воды. Массу воды, вытекшей на чашу весов, включают в массу насыщенного водой образца.
Водопоглощение образцов W, %, по массе вычисляют по фор-
муле
W m1mm 100,
где m1– масса образца, насыщенного водой, г; m– масса образца, высушенного до постоянной массы, г.
18
За значение водопоглощения кирпича принимают среднеарифметическое результатов определения водопоглощения всех образцов, вычисленное с точностью до 1 %.
Морозостойкость определяют методом объемного замораживания. Оценку степени повреждений всех образцов проводят через каждые пять циклов замораживания и оттаивания.
Морозостойкость при объемном замораживании можно определять по двум показателям: степени повреждения и потере массы (на пяти образцах). Кроме того, при необходимости контроля потери прочности отбирают 20 образцов, из которых половину используют в качестве контрольных для сравнения. Контрольные образцы хранят в ванне с гидравлическим затвором.
На образцах, подвергаемых замораживанию, фиксируют все обнаруженные дефекты (трещины, отколы ребер и т.п.). Перед испытанием образцы высушивают до постоянной массы, затем насыщают водой по методике для определения водопоглощения. Допускается использовать образцы непосредственно после определения их водопоглощения.
Водонасыщенные образцы загружают в морозильную камеру, температура в которой после загрузки не должна превышать –5 °С. Началом замораживания считают момент установления в камере температуры –15 °С. От начала до конца замораживания образцов она должна быть в камере от –15 до –20 °С. Продолжительность одного замораживания не менее 4 ч.
После окончания замораживания образцы в контейнерах полностью погружают в воду, температура которой до конца оттаивания должна поддерживаться термостатом на уровне (20 ± 5) °С. Продолжительность оттаивания должна быть не менее половины продолжительности замораживания. Одно замораживание и последующее оттаивание составляют один цикл, продолжительность которого не должна превышать 24 ч. При оценке морозостойкости по степени повреждений после проведения требуемого числа циклов заморажива- ния-оттаивания образцы осматривают и фиксируют вновь появившиеся дефекты.
При оценке морозостойкости по потере массы после проведения требуемого числа циклов замораживания-оттаивания образцы высу-
19
шивают до постоянной массы. Потерю массы m, %, вычисляют по формуле
m mmm1 100,
где m – масса образца, высушенного до постоянной массы до испытания, г; m1– масса образца, высушенного до постоянной массы, по-
сле требуемого числа циклов замораживания-оттаивания, г. Образцы выдержали испытание, если потеря массы не превышает
5 %.
При оценке морозостойкости по потере прочности при сжатии после замораживания-оттаивания опорные поверхности каждого образца в отдельности (в том числе контрольных) выравнивают цементным раствором. Если образцы изготовлены методом прессования, то опорные поверхности при отсутствии на них неровностей, вздутий, шелушений и т.д. не выравнивают.
Потерю прочности кирпичей при сжатии ∆R, %, вычисляют с точностью до 1 % по формуле
R RкR R 100,
где Rк – среднее арифметическое пределов прочности при сжатии контрольных образцов, МПа; R – среднее арифметическое пределов прочности при сжатии образцов после требуемого числа циклов замо- раживания-оттаивания, МПа.
Коэффициент теплопроводности кладок определяют по [3, 6]. В лабораторной работе ориентировочный коэффициент тепло-
проводности кирпича , Вт/(м·°С), определяют по формуле
λ 1,16
0,0196 0,22 (ρср
ρв)2 0,16,
где ρср – средняя плотность кирпича, кг/м3; ρв– плотность воды, кг/м3.
20