Материал: 5) Конструкция аппаратов гравитационного осаждения

Внимание! Если размещение файла нарушает Ваши авторские права, то обязательно сообщите нам

Конструкция аппаратов гравитационного осаждения

Пылеосадительные камеры. Для предварительной грубой очистки закаленных газов применяются камеры, в которых деление дисперсной фазы происходит под действием силы тяжести. Основное требование для этих аппаратов: движение НС по аппарату должно быть в ламинарном режиме. На рис. 4.3 представлены схемы осадительных камер периодического действия.

Рис. 4.3 Схемы пылеосадительных камер

Пылеосадитель типа а может работать как в периодическом, так и непрерывном режиме в случае установки затвора для отвода пыли.

Пылеосадительная камера типа б имеет полки, которые время от времени поворачиваются вниз и при этом очищаются от накопившейся пыли.

Пылеосадительная камера типа в имеет неподвижные горизонтальные полки, очищение которых от накопившейся пыли производится через окна.

Отстойники. Отстойники, работающие в поле сил тяжести, применяются, в основном, для грубых суспензий и эмульсий.

Рис. 4.4 Схемы отстойников: а, б – отстойники для суспензий, в, г – отстойники для эмульсий.

Отстойники для разделения суспензий типа а периодического действия, в котором отвод осветленной жидкости производится с помощью подвижной трубы.

Отстойник типа б с коническими полками, на поверхности которых осаждаются твердые частицы. Осадок сползает по наклонным полкам к стенкам корпуса и затем перемещается в нижнюю часть аппарата, откуда удаляется. Осветленная жидкость уходит по центральной трубе.

Отстойник для разделения эмульсий типа в периодического действия. После разделения эмульсии на фракции с помощью вентиля сначала сливают твердую фазу, затем – легкую.

Отстойник типа г непрерывного действия. Он состоит из горизонтального резервуара с перфорированной перегородкой. Перегородка предотвращает возмущение эмульсии по длине отстойника, выравнивая поле скоростей. Расслоившиеся легкая и тяжелая фазы выводятся с противоположной стороны отстойника.

Тонкослойные отстойники. Традиционные гравитационные отстойники имеют относительно большую высоту зоны осаждения. Уменьшая это расстояние можно получить тонкослойное осаждение.

Одинаковый эффект осаждения достигается при равенстве соотношений:

h1 t1 h2 t2

где h1 и h2 - высота зоны осаждения, t1 и t2 - время осаждения.

Из приведенного соотношения следует, что при уменьшении высоты осаждения в n раз во столько же раз сокращается продолжительность отстаивания. Таким образом, отстаивание в тонком слое позволяет значительно уменьшить размеры отстойника при заданной производительности или увеличить производительность тонкослойного отстойника по сравнению с полым при заданном рабочем объеме.

Распространенные тонкослойные отстойники имеют наклонные трубчатые или полочные блоки, установленные под углом 45-60º.

4.2.2. Разделение НС в поле центробежных сил

Осаждение под действием центробежной силы происходит в центрифугах, гидроциклонах, циклонах, скрубберах и т.д. Как уже было сказано, интенсивность

центробежного осаждения определяется фактором разделения К р 2r / g . Рассмотрим центробежное осаждение на примере осадительной центрифуги.

Обозначим: V - объемный расход суспензии, R1 и R2 - внутренний радиус поверхности суспензии и внутренний радиус аппарата соответственно, d0 min - диаметр минимальной частицы, которую необходимо уловить.

Рис. 4.5 Схема расчета центробежного осаждения.

Суспензия подается на дно центрифуги. Частица диаметром d0 min при своем движении по винтовой линии вверх должна пройти путь по оси h , по радиусу R2 R1, т.е. из точки 1 до точки 2 (рис. 4.5). Тогда для времени осаждения получим соотношение:

t

R2 R1

 

h

.

(4.8)

 

 

oc

wocцб

 

wпср

 

 

 

 

где h - высота аппарата, wocцб - скорость осаждения, wпср - средняя осевая скорость потока суспензии. Определим скорость осаждения в поле центробежных

сил:

 

 

 

 

 

 

 

 

 

wocцб woc K p

(4.9)

Фактор разделения в процессе центробежного осаждения будет меняться. Для

 

 

 

2R

 

 

 

упрощения расчета примем K

 

 

cp

, R

R

R / 2 . При определение

p

 

 

 

g

cp

1

2

 

 

 

 

 

 

режима обтекания частицы необходимо исходить из комплекса Ar Kp .

Значение woc определим по полученным зависимостям (4.2) - (4.4).

 

Дл объемной производительности центрифуги получим соотношение:

 

V

R22 R12 wocцб h R2 R1 .

(4.10)

Необходимо помнить, что формула (4.8) дает немного заниженное значение toc , по сравнению с наблюдаемым на практике. Необходимо учесть стесненность осаждения и возможное проскальзывание потока по барабану центрифуги.

Идеология технологических расчетов циклонов и других осадительных центробежных аппаратов аналогична рассмотренной.

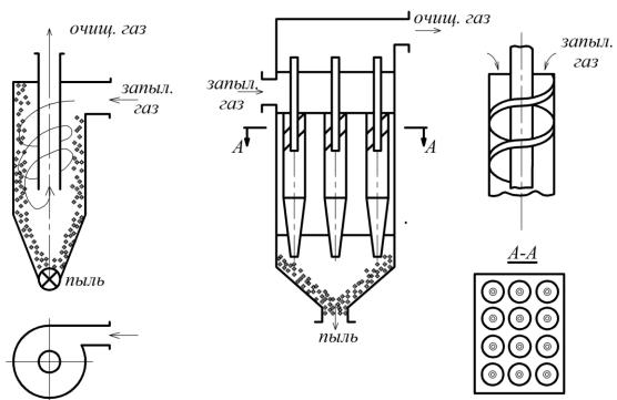
Конструкция аппаратов центробежного осаждения

Циклоны используются для разделения пылей.

Запыленный газ вводится в корпус циклона через тангенциальный штуцер со скоростью 20 30м / c . Газ вращается, и по винтовой линии опускается вниз. За счет центробежных сил твердые частицы постепенно оседают на внутреннюю поверхность корпуса и собираются в нижней его части. Освобожденный от взвешенных частиц газовый поток выводится из циклона вверх через центральную трубу.

а)

б)

Рис. 4.6 Схемы циклонов: а – одиночный циклон, б – батарейный циклон

При больших

расходах запыленного газа вместо одного циклона большого

диаметра целесообразно использование батарейного циклона (рис. 4.6 б). Диаметр

одиночных циклонов обычно составляет от 40 до 103 мм , а элементов батарейных циклонов – от 40 до 250мм .

Степень очистки газа от пыли в циклонах составляет для частиц диаметром:

d0 min 5мкм

30-85%

d0 min 10мкм

70-95%

d0 min 20мкм

95-99%

Гидроциклоны, предназначенные для разделения ЖНС (суспензии, эмульсии), по устройству и принципам работы аналогичны циклонам. Однако скорость осаждения частиц в гидроциклонах невелика из-за небольшой разности плотностей дисперсной фазы и дисперсионной среды. Во все формулы для расчета wocцб входит

 

 

. Если для ГНС величина

 

составляет от 103 3 103

кг

, то для ЖНС

 

 

ч

 

 

 

 

ч

 

 

м3

 

 

 

 

 

 

 

 

 

 

 

 

2

3 кг

 

 

 

 

 

-

10

 

10

 

. Необходимо отметить,

что гидроциклоны имеют большие

 

м3

гидравлические сопротивления и степень очистки НС у них ниже, чем в циклонах.

Осадительные центрифуги