Материал: 4600

Внимание! Если размещение файла нарушает Ваши авторские права, то обязательно сообщите нам

21

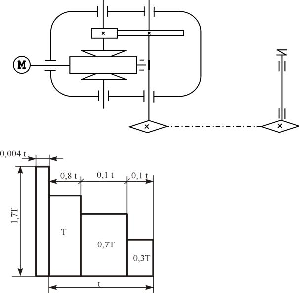
Задание 16

L = 12 лет

Kг = 0,65

Kс = 0,60

Варианты задания

Параметр

1

2

3

4

5

6

7

8

9

10

 

 

 

 

 

 

 

 

 

 

 

Pвых, кВт

1,5

2,5

3,5

4

6

7

7,5

8

8,5

9

 

 

 

 

 

 

 

 

 

 

 

nвых, мин-1

6

7

8

9

10

11

12

15

10,5

8,5

 

 

 

 

 

 

 

 

 

 

 

22

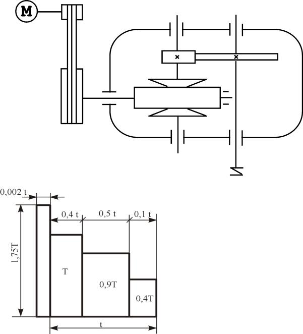
Задание 17

L = 11 лет

Kг = 0,85

Kс = 0,55

Варианты задания

Параметр

1

2

3

4

5

6

7

8

9

10

 

 

 

 

 

 

 

 

 

 

 

Pвых, кВт

10

8,5

7

6,5

5,5

4

3,5

2

1,5

0,5

 

 

 

 

 

 

 

 

 

 

 

nвых, мин-1

15

12,5

12

10

9

7,5

6

5,5

4

2,5

 

 

 

 

 

 

 

 

 

 

 

23

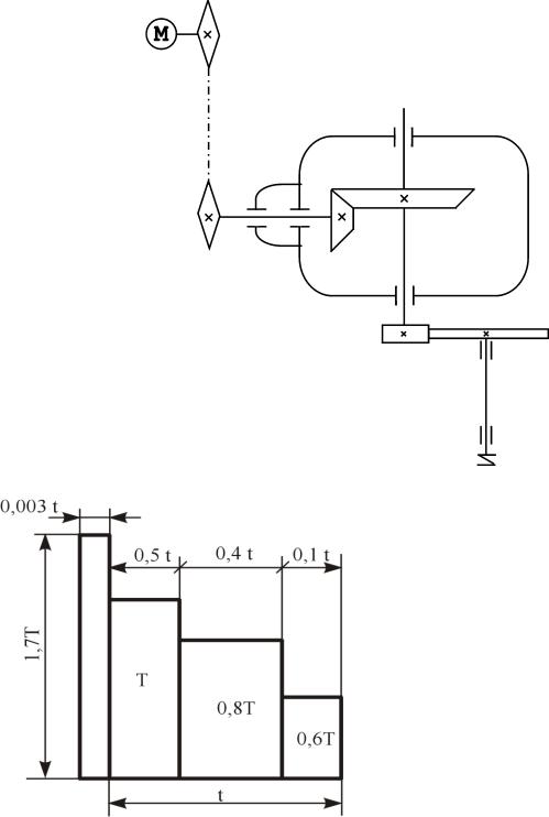
Задание 18

L = 12 лет

Kг = 0,60

Kс = 0,65

Варианты задания

Параметр

1

2

3

 

4

5

6

7

8

9

10

 

 

 

 

 

 

 

 

 

 

 

 

Pвых, кВт

1,5

3

5

6

 

7,5

8

9

10

2

12

 

 

 

 

 

 

 

 

 

 

 

 

nвых, мин-1

25

27

30

 

32

35

40

45

50

55

60

 

 

 

 

 

 

 

 

 

 

 

 

24

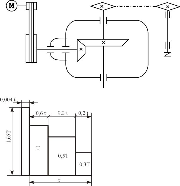
Задание 19

L = 10 лет

Kг = 0,90

Kс = 0,50

Варианты задания

Параметр

1

2

3

4

5

6

7

8

9

10

 

 

 

 

 

 

 

 

 

 

 

Pвых, кВт

13,1

12,4

11,9

10,6

9,7

8,5

7,5

6,0

5,1

4,0

 

 

 

 

 

 

 

 

 

 

 

nвых, мин-1

65

60

55

50

45

40

35

30

25

20

 

 

 

 

 

 

 

 

 

 

 

25

Задание 20

L = 11 лет

Kг = 0,70

Kс = 0,50

Варианты задания

Параметр

1

2

3

4

5

6

7

8

9

10

 

 

 

 

 

 

 

 

 

 

 

Pвых, кВт

13

12,5

11

10

9,5

8

7,5

6,5

5,5

3,5

 

 

 

 

 

 

 

 

 

 

 

nвых, мин-1

70

65

60

55

50

45

40

35

30

25