Материал: 4600

Внимание! Если размещение файла нарушает Ваши авторские права, то обязательно сообщите нам

16

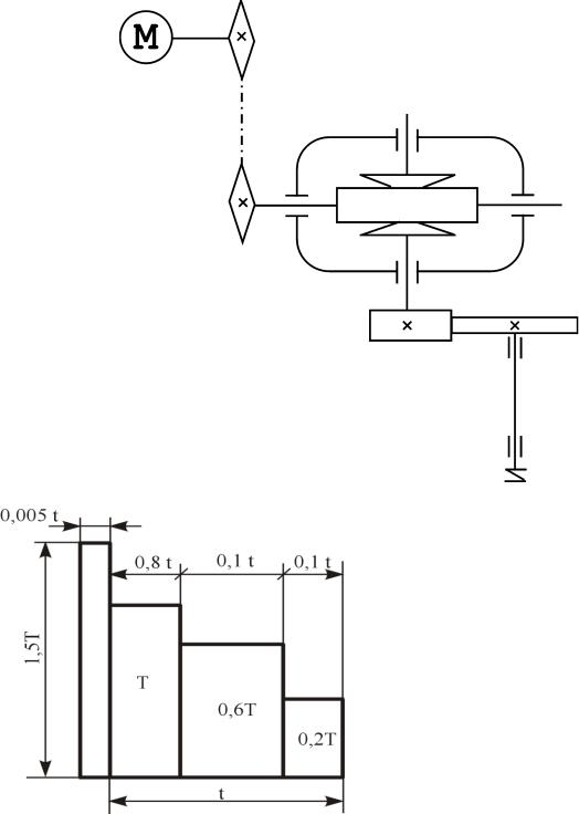
Задание 11

L = 9 лет

Kг = 0,90

Kс = 0,25

Варианты задания

Параметр

1

2

3

4

5

6

7

8

9

10

 

 

 

 

 

 

 

 

 

 

 

Pвых, кВт

2

2,5

3

4

5

7

7,5

8

9

10

 

 

 

 

 

 

 

 

 

 

 

nвых, мин-1

4,5

5

6,5

7

8,5

9

10

10,5

12

15

 

 

 

 

 

 

 

 

 

 

 

17

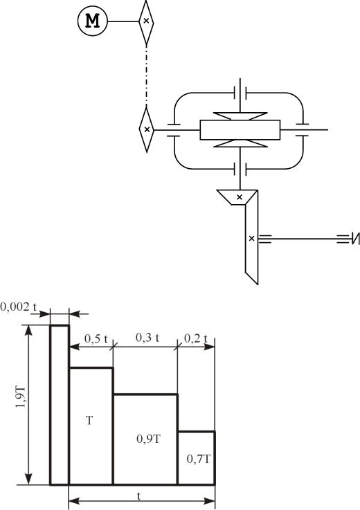
Задание 12

L = 10 лет

Kг = 0,75

Kс = 0,33

Варианты задания

Параметр

1

2

3

4

5

6

7

8

9

10

 

 

 

 

 

 

 

 

 

 

 

Pвых, кВт

9,5

8

6

4

2

1

1,5

2,5

5

7,5

 

 

 

 

 

 

 

 

 

 

 

nвых, мин-1

12

10

7,5

5

4

2

11

9

8

9,5

 

 

 

 

 

 

 

 

 

 

 

18

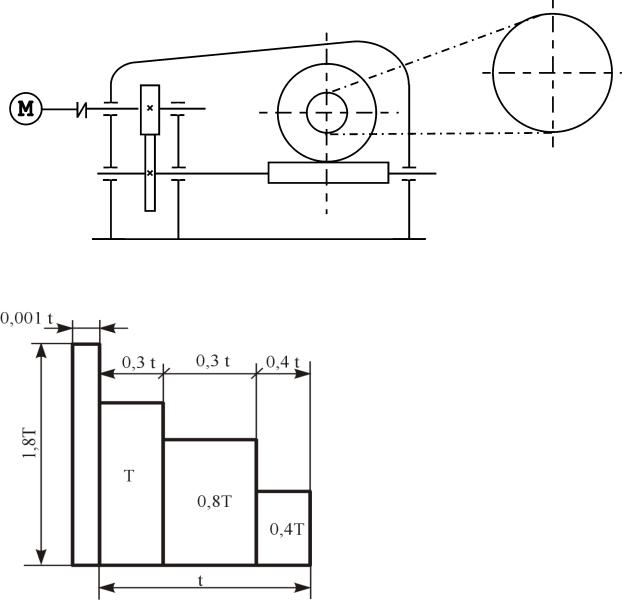
Задание 13

L = 9 лет

Kг = 0,90

Kс = 0,40

Варианты задания

Параметр

1

2

3

4

5

6

7

8

9

10

 

 

 

 

 

 

 

 

 

 

 

Pвых, кВт

0,4

0,9

1,2

1,5

1,9

2,5

3

4,5

5

7,5

 

 

 

 

 

 

 

 

 

 

 

nвых, мин-1

10

9

8

7

6

5

4

3

2,5

9,5

 

 

 

 

 

 

 

 

 

 

 

19

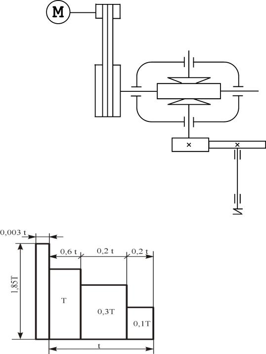
Задание 14

L = 11 лет

Kг = 0,70

Kс = 0,50

Варианты задания

Параметр

1

2

3

4

5

6

7

8

9

10

 

 

 

 

 

 

 

 

 

 

 

Pвых, кВт

10

9

8

7

6

5

4

3

2

1

 

 

 

 

 

 

 

 

 

 

 

nвых, мин-1

8

4,5

6

2

7

2,5

7,5

4

9

10

 

 

 

 

 

 

 

 

 

 

 

20

Задание 15

L = 12 лет

Kг = 0,50

Kс = 0,40

Варианты задания

Параметр

1

2

3

4

5

6

7

8

9

10

 

 

 

 

 

 

 

 

 

 

 

Pвых, кВт

2

4

6

8

10

12

11

9

7

5

 

 

 

 

 

 

 

 

 

 

 

nвых, мин-1

10

12

15

17

20

22

25

21

19

11