Материал: 4590

Внимание! Если размещение файла нарушает Ваши авторские права, то обязательно сообщите нам

26

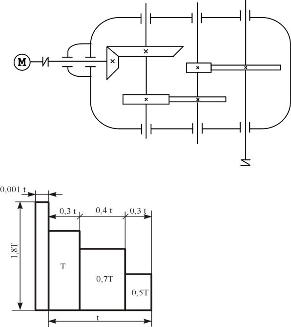
Задание 21

L = 8 лет

Kг = 0,90

Kс = 0,35

Варианты задания

Параметр

1

2

3

4

5

6

7

8

9

10

 

 

 

 

 

 

 

 

 

 

 

Pвых, кВт

12,9

11,8

10,7

10

9,6

8,5

7,4

6,6

5,9

4,3

 

 

 

 

 

 

 

 

 

 

 

nвых, мин-1

110

105

100

90

80

70

60

50

40

30

 

 

 

 

 

 

 

 

 

 

 

27

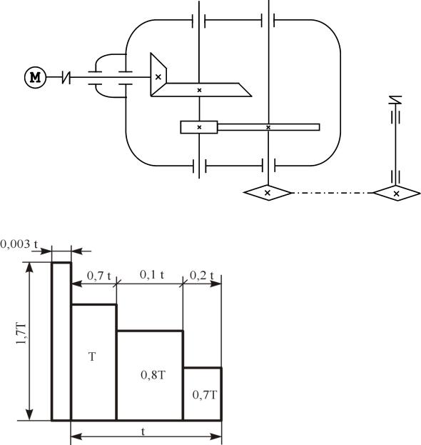
Задание 22

L = 8 лет

Kг = 0,90

Kс = 0,35

Варианты задания

Параметр

1

2

3

4

5

6

7

8

9

10

 

 

 

 

 

 

 

 

 

 

 

Pвых, кВт

1,5

1,9

2,2

3,1

4,4

5

6,3

7,1

8,9

10

 

 

 

 

 

 

 

 

 

 

 

nвых, мин-1

35

45

55

65

75

85

95

105

115

130

 

 

 

 

 

 

 

 

 

 

 

28

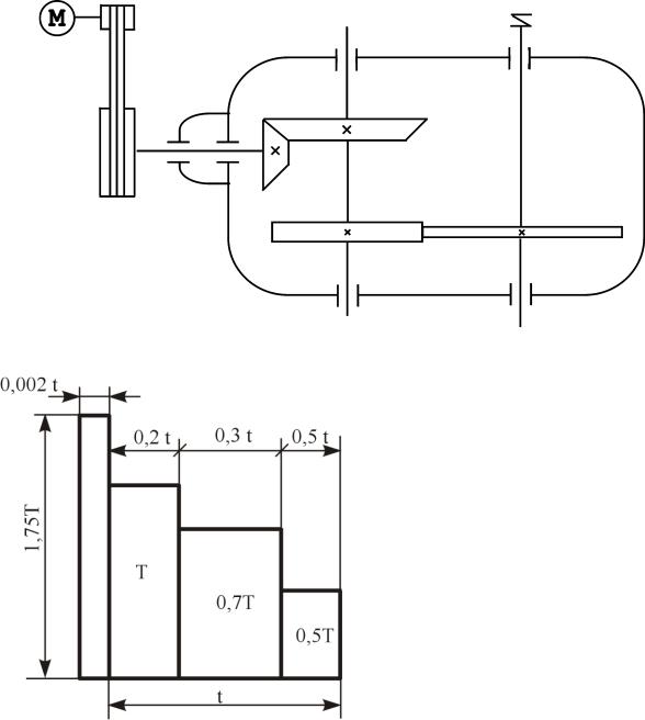
Задание 23

L = 8 лет

Kг = 0,90

Kс = 0,35

Варианты задания

Параметр

1

2

3

4

5

6

7

8

9

10

 

 

 

 

 

 

 

 

 

 

 

Pвых, кВт

13,4

13,0

12,2

11,4

10,6

9,9

8,7

7,1

6,2

5,0

 

 

 

 

 

 

 

 

 

 

 

nвых, мин-1

50

54

60

65

70

64

51

49

34

25

 

 

 

 

 

 

 

 

 

 

 

29

Список литературы

Основная литература

1. Чернавский, С.А. Проектирование механических передач. [Текст]:

учеб. пособие/ Под редакцией Чернавского С.А. - М.: Машиностроение, 2008.

-558 с.: ил.

2.Дунаев П.Ф. Конструирование узлов и деталей машин [Текст] : доп.

М-вом образования и науки Рос. Федерации в качестве учеб. пособия для студентов высш. учеб. заведений, обучающихся по машиностроит. направле-

ниям подгот. и специальностям / П. Ф. Дунаев, О. П. Леликов. - 11-е изд.,

стер. - М. : Академия, 2008. - 496 с.

Дополнительная литература

1. Иванов, М.Н. Детали машин [Текст] : рек. М-вом образования и науки Рос. Федерации в качестве учеб. для студентов высш. учеб. заведений /

М. Н. Иванов, В. А. Финогенов. - Изд. 13-е, перераб. - М. : Высш. шк., 2010. -

408 с.

2. Карамышев, В.Р. Расчет механических передач [Текст]: учеб. посо-

бие/ В.Р. Карамышев.– Воронеж: Воронеж. гос. лесотехн. акад., 2005. – 148 с.

30

Приложения

Пример оформления титульного листа

Министерство образования и науки Российской Федерации Федеральное государственное бюджетное образовательное учреждение высшего о бразования

«Воронежский государственный лесотехнический университет имени Г.Ф. Морозова»

Кафедра механизации лесного хозяйства и проектирования машин

РАСЧЕТНО-ГРАФИЧЕСКАЯ РАБОТА

по дисциплине: Детали машин и основы конструирования

Студент:___________________

/________________________/

подпись, дата

фамилия, инициалы

Группа:___________________

 

Руководитель :________________ /________________________/

подпись, дата

фамилия, инициалы

ВОРОНЕЖ 2016