Материал: 439

Внимание! Если размещение файла нарушает Ваши авторские права, то обязательно сообщите нам

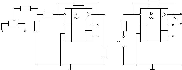
В некоторых случаях возникает необходимость в создании только усилителя переменного тока, например, когда информативным сигналом является амплитуда или фаза последнего. Сигналы такого рода вырабатывает индуктивные, емкостные, индукционные датчики, а также узлы пилотажно - навигационного оборудования летательных аппаратов. Для реализации усилителя можно включить в него разделительный конденсатор (см. рис. 15,б). Емкость конденсатора С1 выбирается такой, чтобы на частоте сигнала модуль реактивного сопротивления был много меньше сопротивления Rг . Тогда величина KUинв(f) на частоте сигнала определяется выражением (13). Вместе с тем конденсатор не пропускает на вход ОУ сигналы посто-

R2

R2

R1

Rн

Rн

 

 

 

 

 

 

 

Rг

 

Rг

 

 

Ег

 

Ег

 

 

а)

Рис.16

б)

 

 

 

 

 

янного тока, для которых KUинв равно нулю. Другой вариант включения ОУ реализуется в виде неинвестирующего усилителя (рис.16,а). Входной ток здесь поступает на прямой вход ОУ, а на инверсный подается сигнал

+

 

 

-

 

 

U вых R1

 

обратной связи. Для идеального ОУ U

=U

или

Eг

=

 

 

, откуда

R +R

2

 

 

 

 

 

 

1

 

напряжение на выходе усилителя

 

 

 

 

 

 

 

 

U вых = Eг (1 +

R2

) .

 

 

 

 

(14)

R

 

 

 

 

 

1

 

 

 

 

 

 

 

Обычно значение суммы R1 + R2 лежит в пределах от 10 кОм до 1 МОм.

Сравнивая (13) с (14), можно записать: KUнеинв=1+ KUинв .

Входное сопротивление усилителя (см. рис. 16,а) всегда имеет большую величину (десятки Мом ), а выходное – малую. При уменьшении отноше-

25

ния

R2

снижается KUнеинв и при

R2

=0 становится равным единице.

R

R

1

1

 

Такой усилитель (рис.16,б) называется повторителем сигнала. Повторитель на ОУ широко применяется как согласующий каскад, особенно при большом сопротивлении Rг источника сигнала или при низкоомной нагрузке. Неинвертирующий усилитель может быть выполнен и как усилитель переменного тока. Для этого следует включить разделительный конденсатор во входной или выходной цепи. Помимо схем рис.15 и 16 на основе ОУ выполняются другие варианты усилительных и иных функциональных устройств.

3. Домашняя подготовка

3.1.Дать определение ОУ и привести его схемное обозначение.

3.2.Чем отличается работа ОУ по прямому и инверсному входам ?

3.3.Перечислить электрические параметры и свойства идеального ОУ.

3.4.Изобразить структурную схему ОУ и привести типовые значения его электрических параметров.

3.5.Изобразить амплитудные характеристики ОУ. Почему ОУ используется только с внешними элементами во всех схемах включения ?

4.Рабочее задание и порядок выполнения работы

4.1.Убедиться, что осциллограф С1-68 и стенд находятся в выключенном состоянии.

4.2.Собрать схему инвертирующего усилителя (рис.17,а) с резистором

R2, равным сопротивлению R2 = 10 кОм. Обратить внимание на то, чтобы полярность источников, подводимых к штепсельным контактам модуля ОУ, строго соответствовала полярности, указанной на этих контактах.

4.3.Включить осциллограф тумблером “Сеть”. Установить переключа-

тели входа в положение “”, переключатель “Усиление У” ─ в положение 0,5 В/см, ручку плавной регулировки усиления “У” перевести в калиброванное правое положение до упора.

4.4. Совместить линию развертки с серединой масштабной сетки. Регуляторы напряжения источников “– 15В” и “+ 15В” установить в крайне левое положение. Включить стенд тумблером “ Сеть“ и установить на выходе источников – 15 В и + 15 В соответственно – 5 В и + 5 В, контролируя эти напряжения встроенным вольтметром.

4.5. Снять амплитудную характеристику Uвых=f(Uвх) усилителя. Для этого входное напряжение изменять потенциометром R1 от + 3 В до – 3 В и фиксировать его в 7 точках, одна из которых 0 В. Уровень напряжения Uвх контролировать осциллографом в узле 1 по величине вертикального отклонения луча от его начального положения:

26

Uвх = mu l u ,

(15)

где mu – цена деления масштабной сетки по вертикали, мВ/см; lu – вертикальное отклонение луча, см.

Выходное напряжение усилителя контролировать тестером в узле 2 (см. рис. 17,а). Данные занести в табл. 5.

4.6.Установить в схеме (см. рис.17,а) R2 = 47 кОм и повторно снять амплитудную характеристику, изменяя UR1 от + 3 В до – 3 В.

4.7.Собрать инвертирующий усилитель (см. рис.17,б). Подключить его

вход к штепсельным гнездам “Uн”, “ ”. Установить ручку множителя напряжения блока в положение 10-1, множителя частоты ─ в положение 102, а ручку переключателя выходного напряжения ГС – в положение .

 

R3

 

R2

 

R2

 

 

10k

 

47k

 

10k

R4

 

 

 

 

R1

3,3k

 

 

 

 

 

 

 

Uвых

 

1k

Rг

 

Rг

 

 

 

 

1k

3,3k

+5В

-5В

 

 

 

 

 

 

 

Uвх

 

 

 

 

 

 

 

 

 

Rн

 

 

 

 

 

4,7k

 

 

 

 

а)

Рис.17

б)

 

 

 

 

 

Подать на вход усилителя синусоидальное напряжение с частотой 1000

– 1500 Гц, включив блок ГС тумблером “ ГС ВКЛ “. Плавно увеличивая синусоидальное напряжение от нулевого значения, зафиксировать на осциллографе максимальную неискаженную амплитуду Uвых мах выходного сигнала в узле 2 (см. рис.17,б). Измерить ее, а также амплитуду входного сигнала Uвх мах. Определить KUинв. Результат опытного определения KUинв, а также его расчетное значение занести в табл. 5. Зарисовать в отчет осциллограмму выходного напряжения усилителя.

5. Обработка результатов измерений

5.1. Произвести теоретический расчет амплитудной характеристики усилителя (см. рис.17,а) при R2 = 10 кОм и R2 = 47 кОм, используя уравне-

ние (13).

27

5.2.Построить графики экспериментальных и теоретических зависимостей Uвых =f(Uвх). Оценить степень их совпадения.

5.3.Определить коэффициент использования напряжения источника питания усилителя.

6. Вопросы к защите

1.Назвать возможные применения усилителей постоянного тока

(см. рис.15,а и рис.16,б).

2.При каких условиях возможно введение датчиков неэлектрических величин в схему усилителя (см. рис.15,а) в качестве резистора R2 ?

3.Какую функцию выполняет конденсатор C1 в усилителе (см. рис.15,б)? Почему модуль реактивного сопротивления конденсатора С1 должен быть много меньше сопротивления R1.

4.Какие особенности электрических параметров имеет повторитель сигнала (см. рис.16,б) ? Какую функцию он обычно выполняет в усилительных устройствах ?

Лабораторная работа № 5

ВОЛЬТ-АМПЕРНАЯ ХАРАКТЕРИСТИКА ТИРИСТОРА И ФАЗОВОЕ УПРАВЛЕНИЕ С ПОМОЩЬЮ ТИРИСТОРА

1. Общие сведения

При наличии и действии управления тиристор отпирается в определенной точке положительной полуволны прикладываемого напряжения и автоматически запирается в момент перехода тока через нуль. Изменение точки (угла) отпирания влечет за собой изменение среднего за полупериод значения тока нагрузки (рис.18).

В зависимости от схемы цепи ток в нагру-

U

Момент отпирания

зочном резисторе является постоянным (эф-

фект выпрямления) или переменным (при

I

Iн

включении нагрузочного резистора в цепь

 

переменного тока – до выпрямителя). В рас-

0

t

сматриваемой далее

схеме нагрузочный

резистор и тиристор

соединены последова-

α

Θ

тельно в цепи постоянного тока. Включение

 

Угол

 

протекания тока

тиристора в цепь постоянного тока дает воз-

 

 

Угол

можность ему отпираться при отрицательной

 

 

отпирания

полуволне входного напряжения, приклады-

Рис.18

ваемого к мостовому выпрямителю.

 

28

2. Экспериментальная часть

Задание

Проведите измерения и изучите свойство тиристора как управляемого элемента с однопереходным транзистором в цепи управления.

Порядок выполнения эксперимента

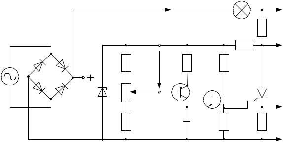
2.1.Соберите цепь согласно схеме (рис.19) и подайте на вход этой цепи напряжение 24В, 50 Гц, используя потенциометр вместе с мультиметром, установите напряжение Uвх = 200 мВ на входе цепи управления.

2.2. Осциллограф поставить в режим измерения вольт-амперной характеристики тиристора. При этом на вход У осциллографа подать падение напряжения с резистора R8, а на вход Х – с анода тиристора. Общая точка (корпус) осциллографа соединяется с общей точкой схемы.

2.3. С помощью осциллографа измерьте величину напряжения на управляющем электроде тиристора, а также величину падения напряжения на его аноде и перенесите кривые на график.

2.4.Увеличьте напряжение Uвх до 450 мВ, повторите измерения и нанесите кривые напряжения на график.

2.5.Осциллограф поставить в импульсо-временной режим. При этом отключить сигнал со входа у осциллографа, а горизонтальную развертку осциллографа поставить в автоматический режим с синхронизацией от сети.

 

 

 

Iн

 

EL

 

 

 

 

 

 

 

 

 

 

 

 

R7

R8

 

 

 

 

 

150

1k

 

V1-V4

R1

 

R4

R5

 

 

 

 

 

 

 

680

Uвх

100

220

 

U = 24 В

V5

R2

 

V6

 

V8

1k

 

 

V7

f= 50 Гц

 

 

 

 

 

 

 

 

 

R3

 

C

R6

R9

 

 

22k

 

0,1мкФ

100

10

 

 

Рис.19

 

 

 

 

29