Материал: 439

Внимание! Если размещение файла нарушает Ваши авторские права, то обязательно сообщите нам

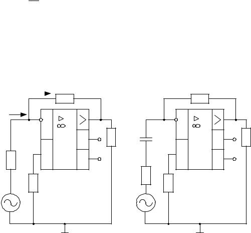
5.3.Включить осциллограф тумблером “Сеть” и стенд тумблерами “Сеть”. После прогрева осциллографа совместить линию развертки с серединой масштабной сетки.

5.4.Установить переключатель входа в положение “” , переключатель “УСИЛЕНИЕ У” – в положение 5 мВ/см, ручку плавной регулировки усиления “У” – в калиброванное правое положение до упора, переключатель “РАЗВЕРТКА” ─ в положение “X”. При этом на экране появится светящаяся точка. Сфокусировать ее. Выбрать начало координат на масштабной сетке, совместив эту точку с одной из ее клеток (рис.12, точка 1).

5.5.Установить напряжение источника E (см. рис.11,а) на уровне 2,5 В. Разъединить входы 1 и 2 и подключить их к штепсельным гнездам источ-

ника 8В. При этом на экране появится изображение входной характеристики Iб = f(Uбэ) транзистора VT, соответствующее выходному напряжению Uкэ= E= ─ 2,5 В. Зарисовать кривую в отчет и повторить задание для

E= ─ 5,0 В.

5.6.Выключить стенд, ручку плавной регулировки напряжения E вернуть в крайне левое положение. Собрать схему (см. рис.11,б) для регистрации выходной характеристики транзистора VT.

5.7.Входы 1 и 2 схемы временно объединить и подключить к одному

из штепсельных гнезд источника 8 В блока. Переключатель “УСИЛЕНИЕ У” осциллографа установить в положение 50 мВ/см. Выбрать начало координат, совместив светящуюся точку на экране с одной из клеток масштабной сетки (рис.12, точка 2).

5.8. Разъединить входы 1 и 2 и подключить их к штепсельным гнездам источника 8 В, после чего установить напряжение источника E = E1 = . На экране появится изображение выходной характеристики транзистора Iк = f(Uкэ), соответствующее базовому току:

Iб1 =

E1 U бэ

,

(12)

 

 

R2 +R3

 

где Uбэ= 0,7 В - падение напряжения на открытом базо-эмиттерном переходе транзистора VT.

Зарисовать кривую в отчет. Получить выходные характеристики транзистора для значений напряжения E2= 6 В, E3=8 В, E4=12 В, E5=10 В.

6. Обработка результатов измерений

6.1. Проградуировать координатные оси у графиков входных и выходных характеристик транзистора. Цену деления горизонтальной оси принять равной 0,67 В/см; цену деления вертикальной оси (мА/см) определить

20

как mi = mR1у , где my – цена деления масштабной сетки осциллографа по

вертикали (мВ/см), равная цифре, на которую указывает риска переключателя “УСИЛЕНИЕ У” при крайне правом положении ручки плавной регулировки усиления; R1- измерительное сопротивление.

6.2.По (12) рассчитать значения токов базы Iб1, Iб2, Iб3, Iб4, Iб5, для которых получены выходные характеристики транзистора VT. Данные занести

втабл. 3.

6.3.По выходным характеристикам определить значения коллекторно-

го тока Iк , соответствующие токам Iб1 - I б5 при величине Uкэ = 3 В. Данные занести в табл.3.

6.4.Определить коэффициент усиления по току К(10) схемы с ОЭ (см. рис. 9,б) для приращений тока базы Iб2–Iб1 , Iб3–Iб2 , Iб4–Iб3 , Iб5–Iб4 . Результаты занести в табл. 3.

6.5.По входной характеристике транзистора определить сопротивление

RВХэ (11) схемы с ОЭ в режимах Iб = Iб1, Iб3, Iб4, Iб5 для приращения тока базы, равных 0,2 Iб.

6.6. Определить коэффициенты усиления схемы (см. рис.9,б) по напряжению и мощности в режимах Iб = Iб1 и Iб = Iб3 (кОм).

Вопросы к защите

1.Пояснить принцип действия транзистора.

2.Выделить на выходной характеристике область насыщения и участок,

для которого справедливо соотношение Iк = α Iэ .

3.В каких устройствах используется режим насыщения, а в каких пологий участок выходной характеристики транзистора ?

4.Возможна ли работа транзистора в диодном режиме ?

5.Почему в области насыщения транзистор теряет усилительные свойства ?

Лабораторная работа № 4

ИССЛЕДОВАНИЕ ОПЕРАЦИОННОГО УСИЛИТЕЛЯ И УЗЛОВ , ПОCТРОЕННЫХ НА ЕГО ОСНОВЕ

1. Цель работы

Познакомиться со структурой и параметрами операционных усилителей (ОУ). Изучить схемы и параметры усилительных устройств на основе ОУ, а также методику измерения их характеристик.

2. Введении

Наиболее распространенным усилительным устройством в настоящее время является операционный усилитель. Это изделие универсального на-

21

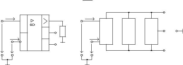
значения изготовлено по технологии интегральных микросхем, имеет два входа и один выход, обладает очень большим коэффициентом усиления KU в диапазоне частот от нуля до нескольких мегагерц, большим входным сопротивлением Rm и малым выходным сопротивлением, позволяет при помощи введения обратных связей выполнять операции сложения, вычитания, интегрирования и др. Графическое изображение ОУ приведено на рис.13,а, где обозначены прямой и инверсный (выделен знаком 0) входы, выход, выводы для подключения питания E+ и E-, имеющие одинаковые, но разнополярные напряжения, резистор нагрузки Rн и источники входных сигналов U+ и U- . Напряжение на выходе ОУ синфазно напряжению U+ на прямом входе, противофазно напряжению U- на инверсном входе Uвых = Кu (U+ U-) и может изменяться в обеих полярностях относительно нуля. При изучении свойств ОУ целесообразно использовать понятие идеального ОУ, который характеризуется бесконечно большим входным сопротивлением Rвx = ∞, нулевым выходным сопротивлением Rвых= 0 и стремящимся к бесконечности коэффициентом усиления по напряжению Ku →∞. Из указанных свойств идеального ОУ следует два важных вывода, на которых основывается анализ различных включений ОУ:

- входные цепи идеального ОУ не потребляют ток от источника сигнала, т.е.

I+=I- = 0 (рис.13,а);

- между входами ОУ напряжение управления в любой схеме включения

 

 

+

-

Uвых

, где Ku

→∞.

 

 

равно нулю, поскольку U

- U =

КU

 

 

I+

 

 

 

I+

 

 

 

 

+

I-

Rн

+

I-

ДК

УН

УМ

Uвых

 

 

 

 

 

 

 

 

 

 

 

U

 

 

 

U

 

 

 

 

 

 

U-

 

 

U-

 

 

 

 

 

 

 

 

 

 

 

 

а)

 

 

 

 

 

б)

 

 

 

 

 

Рис.13

 

 

 

 

Реальные ОУ по своим параметрам лишь асимптотически приближаются к этим свойствам, обладая конечными значениями Ku , Rвx и Rвых. По принципу построения ОУ обычно имеют трехкаскадную структурную схе-

му ( рис.13,б).

Первый каскад ДК обладает небольшим коэффициентом усиления по напряжению (порядка 10). Его основная задача состоит в получении боль-

22

шого входного сопротивления в минимизации погрешностей ОУ. Следующий каскад УН используется в качестве усилителя напряжения с усилением, превышающим 100. Третий окончательный каскад ─ усилитель мощности УМ – имеет малое выходное сопротивление и коэффициент усиления в пределах 5 – 50. С его помощью формируется требуемая амплитуда выходного сигнала на внешней нагрузке. К основным параметрам ОУ можно отнести коэффициент усиления по напряжению Ku , входное и выходное сопротивления R вx , Rвых , входной ток Iвх, напряжения источников питания E+ , E-, n - значения этих параметров для некоторых типов ОУ приведены в табл.4 .

Uвых

2

10

 

 

 

 

 

 

Таблица 4

 

 

 

 

 

 

 

 

 

 

Тип

 

Параметры

 

 

 

 

 

усилителя

 

 

 

 

 

 

-4 -2

0 2

4

КU

Rвх ,Ом

Rвых ,Ом

 

Iвх ,мкА

±Е ,В

153УД1

20*103

100*103

150

 

0,6

±15

 

-10

 

К140УД7

50*103

1000*103

<150

 

0,05

±15

1

-

 

 

 

 

 

 

 

 

 

Uвыхмах

 

 

 

 

 

 

 

Рис.14

Важнейшими характеристиками ОУ являются его амплитудные или передаточные характеристики, показанные на рис. 14 в виде двух зависимостей. Кривая 1 относится к прямому включению ОУ (инверторный вход заземлен), а кривая 2 относится к инверторному включению (заземлен прямой вход), когда входной и выходной сигналы ОУ находятся в противофазе. Как видно из рис.14, выходное напряжение ОУ пропорционально входному лишь при очень малых значениях последнего (единицы милливольт). При увеличении U+ и U- напряжение Uвых достигает величины Uвых max , близкой к E+ , E-, и более не меняется. Это вызывает нелинейные искажения выходного сигнала ОУ, и для их устранения во всех схемах включения ОУ используется только вместе с внешними (навесными) элементами.

Для рассмотрения возможностей усилительных устройств на основе ОУ обратимся к распространенной схеме инвертирующего усилителя (рис.15,а). В ней Rг - сопротивление источника сигнала, резистор R1 введен для уменьшения погрешностей усилителя, R1 = Rг , резистор R2 замыкает цепь отрицательной обратной связи. Определим выходное напряжение усилителя, полагая для простоты ОУ идеальным ( U+ - U- = 0, т.к. Ku →∞ , I+ = I- = 0, т.к. Rвx= ∞). Поскольку прямой вход ОУ через резистор R1 подключен к общей шине, то потенциал на инверсном входе ОУ тоже

23

должен быть нулевым при любых уровнях сигнала Eг . Поэтому

Iг=

Eг

;

R г

Iос = −

U вых

. В свою очередь по первому закону Кирхгофа Iг = Iос.

 

 

 

 

 

 

 

 

R2

 

 

 

 

 

В результате получим

 

 

 

 

 

 

 

Uвых = −Eг

R

2

,

(13)

 

 

R

г

т.е выходное напряжение равно инвертированному входному (знак минус),

усиленному в R 2 раз. Следовательно, KUинв схемы (см. рис. 15,а) определя-

R г

ется отношением сопротивлений внешних резисторов (оно выбирается в пределах от 10 до 1000) и практически не зависит от Ku ОУ.

Рассматриваемый вариант схемы является усилителем постоянного тока, способным усиливать медленноменяющиеся сигналы, в частности сигналы датчиков температуры, датчиков линейных и угловых перемещений, датчиков механических напряжений и др. В случае, если работа датчиков

Iг

R2

R2

Iос

 

Rн

C1

Rн

Rг

 

 

 

 

R1

 

Rг

R1

 

 

 

 

 

Ег

 

 

Ег

 

 

а б

Рис.15

основана на изменении их сопротивления (термометры сопротивления, угольные сопротивления, тензорезисторы), возможно непосредственное включение их в схему (рис.15,а) как элемента R2 при стабильной и не меняющейся во времени величине Eг .

24