Материал: 4341

Внимание! Если размещение файла нарушает Ваши авторские права, то обязательно сообщите нам

10

3. ЛАБОРАТОРНАЯ РАБОТА № 2

Испытание коробки передач

Цель работы: определение передаточных чисел коробки на всех передачах, определение КПД на всех передачах и определение усилий и напряжений в зубьях шестерен.

Оборудование: стенд для испытания трансмиссии автомобиля, динамометр, штангенциркуль, линейка, рычаги с захватом, подвес для гирь и набор гирь, разрез и детали коробки передач.

3.1. Методика выполнения работы

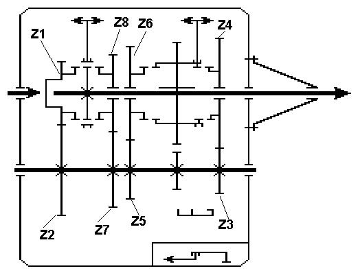
1. Составить кинематическую схему коробки передач (рис. 3).

Рис. 2. Кинематическая схема коробки передач

2.На разрезе и деталях коробки передач измерить следующие параметры (табл. 3).

11

 

 

 

 

Таблица 3

 

 

Данные замеров параметров коробки передач

 

 

 

 

Измеряемый параметр, размерность

Обозначение

Значение

п/п

 

 

 

величины

1

Межосевое расстояние, м

а , м

 

2

Число зубьев шестерен

 

 

 

-

привода промежуточного вала

z1

 

 

-

привода вторичного вала

z2

 

 

 

 

z3

 

 

 

 

z4

 

 

 

 

z5

 

 

 

 

z6

 

 

 

 

z7

 

3

Ширина зубчатого венца всех шесте-

z8

 

в1

 

 

рен, м

 

в2

 

 

 

 

в3

 

 

 

 

в4

 

 

 

 

в5

 

 

 

 

в6

 

 

 

 

в7

 

4

Длина линии зуба всех шестерен, м

в8

 

во1

 

 

 

 

во2

 

 

 

 

во3

 

 

 

 

.

 

 

 

 

.

 

 

 

 

.

 

 

 

 

во8

 

3. Соединить вторичный вал коробки с помощью короткого рычага (l2

=0,15 м) и динамометра (максимальным усилием 5000 Н) с рамой стенда.

На вал маховика установить длинный рычаг (l1 = 1 м) с подвесом для

гирь под углом 30…40 0 к горизонту. Установить на подвес гири общей массой mг=15 кг, что вместе с приведенной массой рычага и подвеса позволит создать момент на первичном валу коробки М1 =186,3 Нм, равный максимальному моменту двигателя Меmax.

Определить по динамометру усилия Р2 на вторичном валу на всех передачах переднего хода при горизонтальном положении нагрузочного длинного рычага после его загрузки гирями. Опыты на всех передачах проводить по два раза, результаты записать в табл. 4.

12

 

 

 

 

 

 

 

 

 

 

 

 

Таблица 4

 

 

 

 

Результаты измерений

 

 

 

 

 

 

 

 

 

 

 

 

 

 

 

 

 

 

 

 

 

 

Переда-

 

 

 

Усилия на рычаге, Н

 

 

 

 

 

 

 

ча

Вала маховика Р1

 

 

Вторичного вала Р 2

 

 

 

 

опыт 1

 

опыт 2

Средняя

Опыт 1

 

Опыт 2

Средняя

 

 

 

 

 

 

величина

 

 

 

 

 

величина

 

 

1 – я

 

 

 

 

 

 

 

 

 

 

 

 

 

 

2 – я

 

 

 

 

 

 

 

 

 

 

 

 

 

 

3 – я

 

 

 

 

 

 

 

 

 

 

 

 

 

 

4 – я

 

 

 

 

 

 

 

 

 

 

 

 

 

 

4.

Рассчитать и занести в табл. 5 следующие параметры коробки для

 

всех передач переднего хода.

 

 

 

 

 

 

 

 

 

 

 

 

 

 

 

 

 

 

 

 

 

Таблица 5

 

 

 

Расчетные параметры коробки передач

 

 

 

 

 

 

 

 

 

 

 

 

 

 

 

 

 

 

 

 

 

 

 

Обозна-

 

 

 

 

 

 

 

 

 

Параметр

чение,

 

 

Передачи

 

 

 

 

 

 

 

 

размер-

 

 

 

 

 

 

 

 

 

 

 

 

 

ность

1

 

2

 

3

4

 

 

 

 

 

 

 

 

 

 

 

 

Угол наклона линии зуба

β, град

 

 

 

 

 

 

 

 

Кинематическое

 

передаточное

i

 

 

 

 

 

 

 

 

число

 

 

 

 

 

 

 

 

 

 

 

 

 

 

Момент на вторичном валу

М2, Нм

 

 

 

 

 

 

 

 

Силовое передаточное число

^

 

 

 

 

 

 

 

 

 

 

 

 

 

 

i

 

 

 

 

 

 

 

 

КПД коробки передач

η

 

 

 

 

 

 

 

 

Нормальный модуль шестерен

mн, м

 

 

 

 

 

 

 

 

Торцевой модуль

 

 

 

ms, м

 

 

 

 

 

 

 

 

Диаметр делительной окружности

dш, м

 

 

 

 

 

 

 

 

ведущей шестерни

 

 

 

 

 

 

 

 

 

 

 

 

 

Окружное усилие

 

 

 

Рш, Н

 

 

 

 

 

 

 

 

Напряжения изгиба

σи, Па

 

 

 

 

 

 

 

3.2. Методика обработки экспериментальных данных

Передаточные числа коробки могут быть определены на стенде.

1. Кинематическое передаточное число i может быть определено по соотношению частоты вращения первичного n1 и вторичного n2 валов

i

n1

 

(13)

 

 

n2

13

Кинематическое передаточное число любой передачи (кроме прямой) может быть также определено по соотношению чисел зубьев ведомых и ведущих шестерен (рис. 3)

 

i

Z2

 

Z

 

 

 

Z1

,

(14)

 

 

 

Z

 

где Z1

- число зубьев ведущей шестерни привода промежуточного вала;

Z2

- число зубьев ведомой шестерни привода промежуточного вала;

Z - число зубьев ведомой шестерни i -ой передачи на вторичном валу; Z - число зубьев ведущей шестерни i -ой передачи на промежуточном

валу.

2. Силовое передаточное число может быть определено по соотношению моментов на вторичном М2 и первичном М1 валах коробки передач

i

M

2

 

P2

l2

 

 

M

 

 

P

l ,

(15)

 

 

 

 

 

1

1

1

 

 

где Р1 – усилие на нагрузочном рычаге первичного вала (вал маховика), Н; Р2 - усилие на нагрузочном рычаге вторичного вала, Н;

l1 - длина нагрузочного рычага вала маховика, м;

l 2 - длина нагрузочного рычага вторичного вала, м.

3. Фактический КПД коробки передач определяется по формуле

i

 

i .

(16)

4. Окружные усилия на зубьях шестерен промежуточного вала коробки передач обратно пропорциональны радиусам начальных окружностей, то есть можно записать

Pc r2 Pшirшi ,

где Рс - окружное усилие на зубьях шестерен постоянного зацепления; r 2 - радиус начальной окружности второй шестерни;

Ршi - окружное усилие на любой шестерне;

rшi - радиус начальной окружности любой шестерни.

5. Окружные усилия на шестернях промежуточного вала определяют по формуле

Ршi

Pc

Z2

 

 

(17)

 

Zшi

6. Окружное усилие шестерни привода промежуточного вала Рс определяется по формуле

 

14

 

 

Р

2М е m ax ,

(18)

с

d

 

 

 

 

ш1

 

где dш1 - диаметр делительной окружности первой шестерни,

dш1 ms ш1,

(19)

где ms - торцевой модуль шестерни, м; Zш1 - число зубьев шестерни.

7. Торцевой модуль шестерен

ms

mн

,

(20)

Cos

 

 

 

где m н - нормальный модуль, определяемый по формуле

mн

2a Cos

,

 

 

(21)

Z

 

 

 

где аω - межосевое расстояние, м; β - угол наклона линии зуба.

ZΣ - суммарное число зубьев пары шестерен, находящихся в зацеплении. Для косозубых шестерен

rcCos

где b - ширина зубчатого венца шестерни, м;

b0 - длина зуба, м.

Для прямозубых шестерен β = 0 и ms

b

, (22)

b0

mн ;

8. Прочность зубьев шестерен определяется по напряжениям изгиба

 

 

 

 

 

2М расчСоs

 

 

 

 

 

и

 

 

 

 

 

 

и

(23)

 

 

 

 

 

ybm2

 

 

 

 

 

 

 

 

 

 

 

 

 

 

 

 

н

 

 

или

 

 

 

 

 

 

 

 

 

 

 

 

 

 

 

 

 

Рш dшСоs

 

 

,

 

 

 

и

 

 

ybm2

и

 

 

 

 

 

 

 

 

 

 

 

 

 

 

 

н

 

 

где

М расч

Рш dш

- расчетный момент на валу;

 

 

2

 

 

 

 

 

 

 

 

 

 

 

 

 

 

 

y - коэффициент формы зуба, определяемый из табл. 13 по приведенно-

му числу зубьев

 

 

 

 

 

 

 

 

 

 

 

 

 

 

 

 

 

Z

 

 

 

 

 

 

 

пр

 

 

;

 

(24)

 

 

 

 

 

 

Cos 3

 

 

 

 

 

 

 

 

 

 

 

 

 

и

= ( 750 … 850 ) МПа - для шестерен 1 передачи;