Материал: 2505

Внимание! Если размещение файла нарушает Ваши авторские права, то обязательно сообщите нам

Ширина ступени должна быть равна длине ступни человека, т.е. не менее 250 мм, а высота ступени – не более 180 мм. Уклон лестничных маршей определяется как отношение высоты ступени h к ее ширине b. Общепринятый уклон лестниц 1:2 (т.е. подступенок высотой 150 мм и проступь шириной 300 мм). Однако внутриквартирные лестницы могут изготовляться со следующими уклонами и размерами ступеней соответ-

ственно: 1:1,75 (165 285); 1:1,5 (270 180); 1:1,25 (195 255). Число подъемов в одном лестничном марше или на перепаде уровней должно быть не менее 3 и не более 18. Высота прохода между лестничным маршем и перекрытием второго этажа должна быть не менее 2 м. Минимальная ширина лестничного марша, который используется в жилых зданиях, – 0,9 м, расстояние между смежными маршами – 100 мм. Ширина межэтажных и этажных площадок – не менее чем ширина лестничного марша. С целью безопасной эксплуатации лестницы должны быть освещены естественным светом.

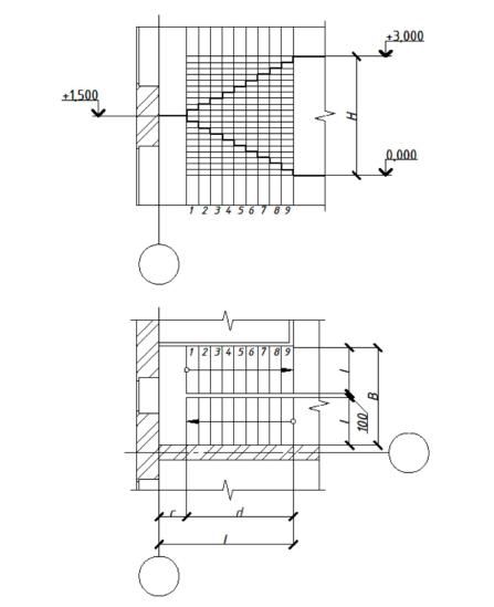
Для определения размеров лестницы и проема в перекрытии под лестницу необходимо выполнить расчет. В качестве примера рассмотрим расчет двухмаршевой лестницы П-образной формы в плане. Для этого необходимо предварительно задаться высотой этажа (Н = 3 м), отметкой межэтажной площадки (+1,500), шириной марша (l = 0,9 м), шириной межэтажной площадки (с = 0,9 м) и уклоном лестницы (1:2, т.е. принимается ступень 150 300 мм).

11

Рис. 3. Построение двухмаршевой лестницы жилого дома

Ширина лестничной клетки В равна суммарной ширине обоих маршей плюс промежуток между ними, равный 100 мм, т.е.

B = 2 · l + 100 = 2 · 900 + 100 = 1900 мм.

Высота одного марша будет равна Н/2 = 3000/2 = 1500 мм, что соответствует отметке межэтажной площадки.

Число подступенков n в одном марше составляет n = 1500/150 = 10.

12

Число проступей в одном марше будет на единицу меньше числа подступенков, т.к. верхняя проступь располагается на лестничной площадке:

n – 1 = 10 – 1 = 9.

Длина горизонтальной проекции марша d, называемая его заложением, будет определяться как

d = 300 · (n – 1) = 300 · (10 – 1) = 2700 мм.

Полная длина лестничной клетки

L = d + c = 2700 + 900 = 3600 мм.

Графическое построение лестницы производят следующим образом: высоту этажа делят на число частей, равное числу подступенков лестницы, и через полученные точки проводят горизонтальные прямые. Затем горизонтальную проекцию (заложение марша) делят на число проступей без одной и через полученные точки проводят вертикальные прямые. По полученной сетке вычерчивают профиль лестницы (рис. 3).

В процессе проектирования жилого дома необходимо решать вопрос естественного освещения жилых комнат. Естественное освещение должны иметь жилые комнаты, кухни, лестницы. Естественное освещение следует принимать согласно требованиям, изложенным в работе [7]. При этом отношение площади световых проемов всех жилых комнат и кухонь квартир к площади пола этих помещений, как правило, не должно превышать 1:5,5. Минимальное отношение должно быть не менее 1:8 для мансардных этажей, при применении мансардных окон допускается принимать отношение 1:10.

4.КОНСТРУКТИВНОЕ РЕШЕНИЕ ЗДАНИЯ

Косновным конструктивным элементам здания относятся: фундаменты, стены, перекрытия, крыша, лестница, перегородки, окна и двери.

Фундаменты – это часть здания, расположенная ниже отметки спланированной поверхности грунта. Их назначение – передать все нагрузки от здания на грунт основания. В случаях, когда под зданием устраивают подвалы, фундаменты выполняют роль ограждающих конструкций подвальных помещений.

13

В курсовом проекте (работе) рекомендуется устраивать ленточные фундамен-ты, которые представляют собой заглубленные в грунт ленты (стенки), устраиваемые под все капитальные стены зданий.

Ленточные фундаменты рекомендуется устраивать из сборных бетонных стеновых блоков и фундаментальных железобетонных плит заводского изготовления (см. табл. П.4.3 данных методических указаний).

Верхняя часть фундамента, на которую опирается надземная часть здания, называется обрезом. Нижняя часть фундамента, соприкасающаяся с основанием, называется подошвой фундамента.

Расстояние от спланированной поверхности грунта до подошвы фун-

дамента называется глубиной заложения фундамента Нзал. Глубина за-

ложения назначается в зависимости от объемно-планировочного и конструктивного решения здания (наличия подвала), величины и характера действующих на фундамент нагрузок, геологических и гидрогеологических характеристик грунта строительной площадки, климатических условий (глубина зимнего промерзания и возможности их пучения при замерзании).

Глубина заложения фундаментов под наружные стены и колонны отапливаемых зданий при непучинистых грунтах не зависит от глубины промерзания. В этих случаях обычно принимают минимальное ее значение под наружные стены 0,7 м, под внутренние – 0,5 м. Если же основание фундамента состоит из пучинистых грунтов, глубину заложения фундаментов назначают в зависимости от нормативной глубины сезонного промерзания глинистых и суглинистых грунтов.

Грунты скальные, крупнообломочные, пески гравелистые, крупные и средней крупности не подвержены пучению, и глубина заложения подошвы фундаментов не зависит от их влажности и глубины промерзания.

Если уровень грунтовых вод в период промерзания грунтов расположен ниже расчетной глубины промерзания более чем на 2 м, то для песков мелких и пылеватых, а также твердых и маловлажных глинистых грунтов глубину заложения фундаментов принимают независимо от глубины промерзания.

При уровне грунтовых вод, находящихся ниже расчетной глубины промерзания (менее 2 м), глубина заложения фундаментов для этих же

14

грунтов, а также глинистых грунтов пластичной и текучей консистенций принимается на 150 мм ниже расчетной глубины промерзания.

Если основание состоит из влажного мелкозернистого грунта (песка) мелкого или пылеватого, супеси или суглинка (глины), который при замерзании способен увеличиваться в объеме, то глубина заложения фундамента должна быть не менее расчетной глубины промерзания грунта df :

Нзал ≥ df.

Нормативная глубина промерзания грунта dfn принимается в соответствии со с. 83 работы [24]. Для г. Омска dfn= 2,2 м.

Расчетная глубина заложения фундамента определяется как [4] df = kh · dfn ,

где dfn – нормативная глубина промерзания грунта; kh – коэффициент, учитывающий влияние теплового режима сооружения, kh = 0,5, если пол первого этажа уложен по грунту, kh = 0,6, если пол первого этажа уложен на лагах по грунту.

Фундаментные плиты, ширина которых подбираются по расчету, укладываются на песчаную тщательно утрамбованную подготовку толщиной 100 – 150 мм. Фундаментные бетонные блоки и плиты укладываются обязательно с перевязкой вертикальных швов.

Фундаменты здания в первую очередь защищают от прямого воздействия дождевых и талых вод. Для этого по периметру наружных стен устраивают отмостку из бетона, асфальта или плоских камней на слое песка и с подстилкой жирной глины.

Влюбых грунтах содержится капиллярная влага, которая проникает

втело фундамента и поднимается к зоне сопряжения с конструктивными элементами надземной части здания. Чтобы преградить доступ капиллярной влаги в помещение, на границе контакта фундамента со стенами устраивают гидроизоляцию. По конструктивному решению гидроизоляция бывает горизонтальной и вертикальной.

При отсутствии подвалов горизонтальную гидроизоляцию целесообразно укладывать между отметкой уровня земли и чистого пола на 150 – 200 мм ниже уровня чистого пола и выше отмостки. Конструктивно горизонтальная гидроизоляция чаще всего представляет собой два слоя рубероида или толя на мастике, слой асфальтобетона толщиной

15