Материал: 2269

Внимание! Если размещение файла нарушает Ваши авторские права, то обязательно сообщите нам

 

 

 

 

 

174

 

 

 

 

36

 

 

 

 

 

С3,5

18

14

19

 

15

 

 

16

 

 

9

 

 

3220

и

 

 

44

 

б

 

1,6•45

 

 

29

 

 

42

25

30

3 фаски

 

 

 

 

 

 

А

 

 

4 отв.

 

10

6

 

 

 

 

 

3 отв.

 

 

 

Д

 

 

 

 

19

 

 

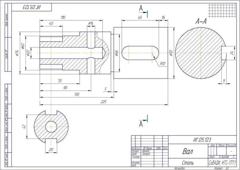
Рис. 7.3. Пример эскиза вала со сквозным отверстием

 

 

 

 

 

 

И

 

 

 

 

 

46

 

 

Си б А Д

Рис. 7.4. Пример эскиза вала с глухимИотверстием

47

7.2. Последовательность графических операций при выполнении эскиза «Втулка резьбовая»

При выполнении эскиза «Втулка резьбовая» выполняют следующие графические операции:

С1. На выбранном формате листа наносят (без линейки) рамку поля чертежа и основную надпись.

2. Проводят осевые линии с габаритными отметками для каждо-

го намеченного зображения, предусматривая места для размещения линиямиразмерных л н й.

3. Определ в на глаз соотношения размеров, наносят тонкими основные очертания проекций детали. Окружности больших

4.ВыполняютбАфаски, проточки и призматические элементы

(рис. 7.5 б).

5.Выполняют изо ражения отверстий, закруглений, разрезов и сечений. Наносят линии невидимого контура, если это необходимо, и обводят толстой сплошной линией контуры детали (рис. 7.5 в).

6.Заштриховывают разрезы (рис. 7.5 г).

7.Наносят необходимые выносныеДи размерные линии и знаки диаметра, радиуса, квадрата, типа резьбы (рис. 7.5 д).

8.Деталь обмеряют измерительными инструментами и наносят

размерные числа над заготовленными размерными линиями. Заполняют основную надпись. Иразмеров можно проводить циркулем с последующей обводкой от ру-

48

Си

бАРис. 7.5 а. Осевая линия и контуры вида

Д И

Рис. 7.5 б. Фаски, проточки, вид слева

49

Си

Рис. 7.5 бАв. Намётка фронтального разреза и его элементов на виде слева

Д И

Рис. 7.5 г. Штриховка разреза

50