-грузоподъемность
крана
-масса
монтируемого элемента
-
масса стропующих грузозахватных
приспособлений
Требуемая высота подъема грузового крюка должна удовлетворять условию:

Где:
-
высота подъема грузового крюка
-
расстояние от уровня стоянки крана до
опоры монтируемого элемента
-
Запас между низом монтируемого элемента
и опорой, на которую устанавливается
элемент, =1,5 м.
-высота
монтируемого элемента
-
высота стропующих приспособлений.
Определение значение вылета стрелы
определяется из расчетных схем. (см.
рис. 9-12)

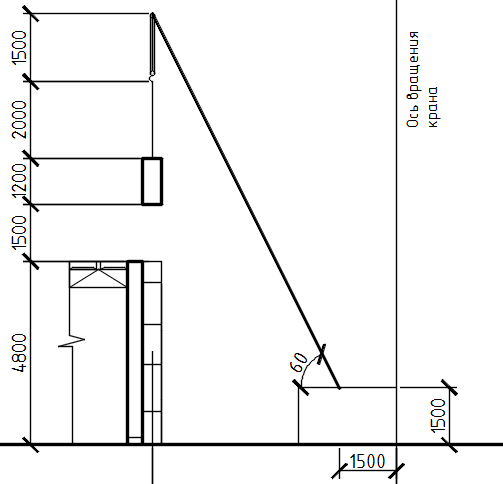
Рисунок 9 Расчетная схема для монтажа колонн.

-
радиус, описываемый хвостовой частью
крана, 3,0-4,5 м.


Рисунок 10 Расчетная схема для монтажа стропильных балок


Рисунок 11- Расчетная схема для монтажа плит покрытия, развернутых вдоль стрелы


Рисунок 12- Расчетная схема для монтажа стеновых панелей

Наименьшие необходимые параметры кранов для установки конструкций здания приведены в таблице 3.
Таблица 3
|
Наименование элемента |
L, м |
G, т |
H, м |
|
Колонна крайнего ряда |
3 |
2,3 |
8,7 |
|
Колонна среднего ряда |
3 |
2,3 |
8,7 |
|
Колонна фахверковая |
3 |
2,4 |
8,7 |
|
Плита покрытия |
7,7 |
1,4 |
14,8 |
|
Стропильная балка |
3,5 |
4,7 |
9,0 |
|
Стеновая панель |
5,0 |
2,2 |
9,5 |
Для подбора кранов требуется зайти в программу, ввести свои данные по вылету стрелы, требуемой высоте подъема и массе устанавливаемого элемента. Далее программа предложит оптимальные виды кранов, подходящих для каждого элемента.
![]()

Рисунок 13выбор кранов
Стоимость установки 1 элемента краном определяем по формуле:

Результат на рисунке 14
![]()

Рисунок 14 стоимость установки одного элемента
Отмечаем невостребованный и дорогой кран, отмечаем запрещенные поставки в пустых ячейках и считаем стоимость установки краном всех элементов. Результат на рисунке 15.

Рисунок 15 Стоимость установки всех элементов
Таким образом, кран автомобильный МКА-63 на выносных опорах вычеркиваем как невостребованный и наиболее дорогой. Установка колонн будет производиться краном автомобильным на выносных опорах ZSH-6S, плиты покрытия и стеновые панели – МГК-16, Стропильные балки – кран автомобильный без выносных опор КС-6471.
Монтаж колонн осуществляется автомобильным краном ZSH-6S с длиной стрелы 10 м. Колонны устанавливают на фундаменты стаканного типа. Монтаж колонн осуществляется не с транспортных средств. Их предварительно раскладывают у мест монтажа. Колонны раскладывают следующим образом: опорным концом ближе к фундаменту, оголовок направляют в пролет по ходу монтажа, предусматривают, чтобы место строповки колонны и центр опоры колонны и фундамента находились на одной окружности, описываемой радиусом, равным вылету крюка крана с его монтажной стоянки.
Колонны подготавливают к монтажу путем нанесения на них на 4 грани и на уровне верха фундаментов осевых рисок, а на колоннах, предназначенных для укладки по ним подкрановых балок, кроме того, с 2 сторон консолей колонн наносят риски осей этих балок. При подготовке колонны к монтажу к закладным деталям приваривают опорные столики и крепежные уголки для опирания и закрепления подкрановых балок, элементов стенового ограждения и несущих конструкций покрытия.
Колонны в стаканах фундаментов временно закрепляются железобетонными или металлическими клиньями, забиваемыми в зазоры между стенкой стакана и колонной или применяются кондукторы различных типов.
Колонны кран будет монтировать дифференцированным методом.

Рисунок 16 технологическая карта на монтаж колонн

Рисунок 17 технологическая карта установки колонн

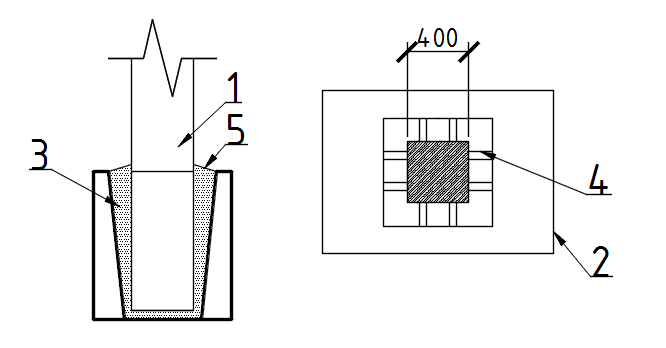
Рисунок 18 стык колонны с фундаментом
1-колонна
2-стакан фундамента
3-армобетонная подкладка
4-клиновидный вкладыш
5-бетон
Процесс стропильных балок включает подачу конструкций к месту монтажа, подготовку их к подъему, строповку, подъем и установку на опоры, выверку и временное закрепление, окончательное закрепление в проектное положение.
Балки до монтажа раскладывают длиной стороной вдоль ряда колонн ближе к крану в пределах монтируемого пролета так, чтобы кран с монтажной стоянки мог устанавливать их в проектное положение без изменения вылета крюка.
Строповку производят при помощи траверс со стропами, оборудованными замками с дистанционным управлением для расстроповки.
Вертикальное положение балок и временное их раскрепление обеспечивают с помощью расчалок и распорок. Для временного закрепления первой балки в проектное положение используют расчалки, а для последующих ферм – специальные распорки.
При монтаже монтажники и сварщики должны находится возле узлов опирания балок. Для этого применяют различного типа подмости. Весьма рациональным для этих целей является применение приставных лестниц с площадками.
Снимают распорки только после окончательного закрепления балок и укладки плит покрытия.
Балки устанавливают на оголовки колонн, выверяя их положение в плане по рискам разбивочных осей, нанесенным на опорах.
Для окончательного закрепления балок в проектное положение закладные детали их в каждом опорном узле приваривают к опорным плитам.
Монтаж плит покрытия ведется совместно с установкой балок покрытия, но с небольшим отставанием. Установка плит в проектное положение осуществляется от края к середине.
Перед монтажом плиты укладывают штабелями между колоннами. Для строповки плит покрытия применяют чаще всего четырехветвевые стропы. Перед подъемом плиты снабжаются инвентарным ограждением. У крайних плит это ограждение остается на весь период работ, у остальных плит его снимают после установки смежной плиты.
Крепятся плиты при помощи сварки закладных деталей. Первая плита приваривается во всех 4 точках, последующие – не менее чем в 3 точках. Временная приварка плит покрытия сваркой не допускается, по этому их приваривают сразу согласно проекту.
Балки покрытия и плиты покрытия кран будет монтировать комплексным методом

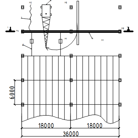
Рисунок 19 Технологическая карта на монтаж стропильных балок и плит покрытия

Рисунок 20 Технологическая карта на монтаж стропильных балок и плит покрытия
1-стропильная балка
2- траверса
3- строп
4- колонна
5- монтажная площадка
6- приставная лестница
7- оттяжка
8- кран
9- плита покрытия
10- инвентарная распорка
М1-М5 - позиции монтажников

Рисунок 21 Технологическая карта на монтаж стропильных балок и плит покрытия

Рисунок 22 Схема строповки плит покрытия
Наружные стеновые панели монтируют обычно на всю высоту задания последовательно в каждом шаге колонн после окончания монтажа всех элементов каркаса здания на данном участке.
Монтаж стеновых панелей ведется с транспортных средств. Специальной их раскладки перед монтажом не требуется. Под каждую стеновую панель до их установки укладывают слой цементного раствора, теплоизоляционные и герметизирующие прокладки.
Стеновые панели стропят траверсами с тросовыми стропами за 2 или 4 петли. Панель поднимают на 40 – 50 см выше уровня, где должна быть установка, и только после ее наводки стрелой крана над опорой плавно опускают на раствор. Сразу же после установки панели на место ее выверяют по нижнему основанию по наружной (лицевой) поверхности. Если панель устанавливают без фиксаторов, монтажник ломиком подправляет положение панели по отношению ранее установленным.
После установки и временного закрепления подкосами и угловыми связями выверяют ее вертикальность, и отметки верхней грани специальным откосом-линейкой. По отклонению откоса монтажник определяет, в какую сторону нужно отклонить панель, чтобы придать ей вертикальное положение. Эту операцию проводят натяжением муфт, имеющихся на подкосах и связях. Панель можно считать подготовленной к окончательному закреплению только после выверки, исправления и закрепления в проектном положении.
При установке смежных и примыкающих под углом панелей образующийся узел закрепляют различными способами: сваркой закладных элементов, укладкой в стыки скоб, которые стягивают заложенные в панели петли.
После выверки и закрепления панелей заделывают стыки между ними.

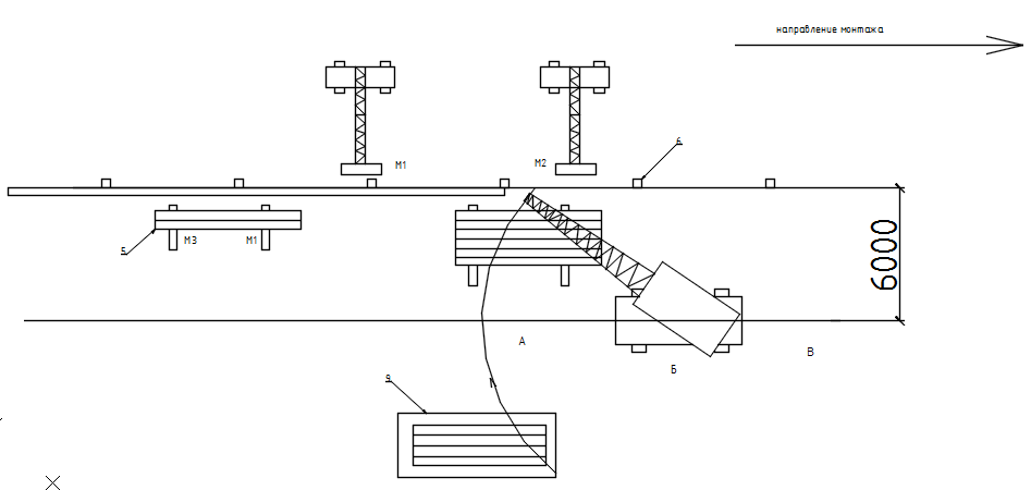
Рисунок 23 Технологическая карта на монтаж стеновых панелей

Рисунок 24 Технологическая карта на монтаж стеновых панелей
1- стропильная балка
2- плита покрытия
3- монтируемая стеновая панель
4- кран
5- склад стеновых панелей
6- колонна
7- самоходная вышка
8- подвесная люлька
9- положение панелевоза
А, Б, В - места стоянки крана
М1-М4- расположение монтажников

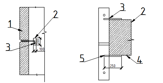
Рисунок 25 стык стеновой панели с колонной
1- стенова панель
2- закладная деталь колонны
3- соединительный анкер
4- колонна
5- отверстие в панели