Материал: 2015 [Тынчеров] Основы автоматизации ТПНП

Внимание! Если размещение файла нарушает Ваши авторские права, то обязательно сообщите нам

Здесь 1 и 2 — электроды конденсаторного преобразователя, емкость которого зависит от измеряемого уровня h и диэлектрической проницаемости εж. Нижняя часть электрода 1 и дополнительный электрод 3 образуют компенсационный конденсатор, который постоянно погружен в жидкость, и, следовательно, его емкость зависит только от εж. Емкость компенсационного конденсатора используется в электронной схеме в качестве корректирующего сигнала.

Недостатком такой схемы введения поправки является увеличение по сравнению со схемой на рисунке 4.17 неизмеряемого уровня, обусловленного высотой hк электродов компенсационного конденсатора. Отрицательное влияние на работу емкостных уровнемеров оказывает активное сопротивление преобразователя. Оно слагается из активного сопротивления проходного изолятора (Rи на рис. 4.18, б) и активного сопротивления контролируемой жидкости в межэлектродном пространстве (обычно значение последнего пренебрежимо мало). Для уменьшения влияния активного сопротивления преобразователя в схему уровнемера включается фазовый детектор. В конденсаторных преобразователях для электропроводных жидкостей один электрод выполняется изолированным. Если резервуар металлический, то его стенки могут быть использованы в качестве второго электрода.

Если резервуар неметаллический, то в жидкость устанавливается металлический неизолированный стержень, выполняющий роль второго электрода. На рисунке 4.18, а изображена схема преобразователя, выполненного в виде стержня (электрода) 1, покрытого слоем изоляции 2 и погруженного в металлический резервуар 3.

Рис. 4.18 — Схема и внешний вид конденсаторного преобразователя уровня для электропроводящих жидкостей: 1 — стержень (электрод); 2 — изоляция; 3 — резервуар

Если пренебречь диэлектрической проницаемостью газов над жидкостью по сравнению с диэлектрической проницаемостью изоляции электрода, то электрическую схему преобразователя можно представить в виде, изображенном на рисунке 4.18, б. Зависящую от уровня емкость преобразователя можно представить как емкость двух последовательно соединенных конденсаторов С1 и С2. Параметр С1 — емкость конденсатора, обкладками которого являются поверхность электрода 1 и поверхность электропроводной жидкости на границе с изолятором 2. Диэлектриком этого конденсатора является материал изолятора. При увеличении h увеличивается площадь обкладки — поверхность жидкости, что ведет к увеличению С1. Параметр С2 — емкость конденсатора, одной обкладкой которого является поверхность жидкости на границе с изолятором 2 (общая с обкладкой конденсатора С1), второй — поверхность резервуара 3. С увеличением h емкость С2 также растет. Параметр Rж — активное сопротивление жидкости; Си, Rи — емкость и активное сопротивление проходного изолятора. Таким образом, полная емкость преобразователя определяется выражением:

Спр = Си + С1С2/(С1 + С2).

(4.21)

Как и в схеме на рисунке 4.18, наличие активной составляющей в выходном сопротивлении Zпp преобразователя может привести к появлению погрешности, во избежание чего в схеме устанавливается фазовый детектор.

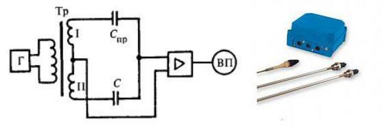
В емкостных уровнемерах для измерения электрической емкости преобразователя используются различные схемы. Наиболее простыми являются мостовые схемы, примером которых может быть схема электронного индикатора уровня ЭИУ (рис. 4.19).

Рис. 4.19 — Принципиальная схема и внешний вид электронного индикатора уровня

Мост состоит из двух вторичных обмоток I и II трансформатора Тр (питаемого генератором Г), емкости преобразователя Спр и подстроечного конденсатора С. Мост уравновешен при нулевом уровне жидкости, при этом сигнал на входе и выходе усилителя равен нулю. При увеличении уровня емкость Спр растет, разбаланс моста увеличивается и напряжение на входе усилителя возрастает. С помощью усилителя этот сигнал усиливается, преобразуется в унифицированный и измеряется вторичным прибором ВП.

Более сложная измерительная схема используется в уровнемерах типа РУС (рис. 4.20).

Рис. 4.20 — Измерительная схема и внешний вид уровнемера РУС:

1 — конденсаторный преобразователь; 2 — компенсационный конденсатор; 3, 4 — преобразователи; 5 — импульсный детектор; 6 — усилитель;

7 — генератор тактовых импульсов

Работа схемы основана на емкостно-импульсном методе измерения уровня, использующем переходные процессы, протекающие в цепи емкостного преобразователя, периодически подключаемого к источнику постоянного напряжения. Измерительный конденсаторный преобразователь 1 и компенсационный конденсатор 2 подключены к входам преобразователей 3, 4 емкости в электрический сигнал.

В преобразователе 3 измерительный конденсатор 1 генератором тактовых импульсов 7 периодически подключается к постоянному напряжению u1. В конце рабочего импульса генератор шунтирует измерительный конденсатор и разряжает его. За время импульса измерительный конденсатор зарядится до значения напряжения, которое зависит от значения емкости. Выходным сигналом преобразователя 3 является постоянное напряжение u3 импульсной формы, амплитуда

которого определяется емкостью конденсатора, т. е. значениями контролируемого уровня и диэлектрической проницаемости среды. Преобразователь 4 имеет аналогичное исполнение, но питается напряжением u2, пропорциональным выходному току Iвых (т. е. используется отрицательная обратная связь).

Таким образом, амплитуда выходного импульсного напряжения u4 преобразователя 4 зависит от емкости компенсационного конденсатора (т. е. диэлектрической проницаемости среды) и значения u2. Сигналы с преобразователей 3 и 4 вычитаются, и разностный сигнал подается на вход импульсного детектора 5, преобразующего импульсный сигнал в напряжение постоянного тока u2. Напряжение u2 затем используется в качестве сигнала обратной связи и усилителем 6 преобразуется в унифицированный токовый выходной сигнал Iвых. В статическом режиме выходное напряжение u2 и ток Iвых принимают такие значения, при которых u3 ≈ u4. При увеличении уровня и εж = const будет увеличиваться u3, что приведет к увеличению u2 и Iвых, так как увеличение u4 возможно только за счет увеличения u2 (при εж = const емкость компенсационного конденсатора не изменяется). Предположим h = const, но увеличилась диэлектрическая проницаемость εж, при этом u2 и Iвых не должны измениться. Действительно, при этом увеличится u3, но одновременно увеличится и значение u4 (при u2 = const), так как увеличилась и емкость компенсационного конденсатора. Верхние пределы уровнемеров РУС выбираются из ряда от 0,4 до 20 м, основная погрешность в зависимости от модификации 0,5; 1,0; 1,5; 2,5%. Уровнемеры применяются на диэлектрических или проводящих средах, агрессивных, взрывоопасных при температурах от -60 до 250°С при давлениях до 10 МПа. В емкостных уровнемерах может использоваться резонансная схема измерения емкости. При этом первичный преобразователь включен в схему колебательного контура, параметры которого изменяются с изменением контролируемого уровня. При этом либо измеряется амплитуда напряжения на контуре (при неизменной амплитуде и частоте питающего напряжения), либо резонансная частота контура. Такие схемы имеют некоторые модификации уровнемеров типа «РУМБ», сигнализаторы типа СУС.

Емкостные уровнемеры получили широкое распространение особенно в качестве сигнализаторов из-за дешевизны, простоты обслуживания, удобства монтажа первичного преобразователя, отсутствия подвижных элементов, возможности использования в широком интервале температур и давлений. Большим достоинством являются

нечувствительность к сильным магнитным полям, возможность использования в широком интервале температур (от криогенных до 500°С) и давлений. К числу недостатков следует отнести непригодность для измерения уровня вязких (динамическая вязкость более 1 Пас), пленкообразующих, кристаллизующихся жидкостей и содержащих примеси, выпадающие в осадок, высокую чувствительность к изменению электрических свойств жидкости и изменению емкости кабеля, соединяющего первичный преобразователь с измерительным прибором. Последний недостаток устраняется при размещении электронной части в головке преобразователя. В этом случае емкостной стержневой преобразователь напоминает термопреобразователь. Так, стержневой емкостной уровнемер типа Меrcap фирмы Siemens может иметь длину до 5 м при диаметре трубки 24 мм, измеряемая емкость составляет 3,3...3300 pF. Гибкая конструкция преобразователя может иметь длину до 35 м. Преобразователи работают при температурах от -200 до 400°С при давлениях от вакуума до 50 МПа. При выходном сигнале 4...20 мА преобразователь имеет цифровой сигнал по HART-протоколу, погрешность измерения составляет ±0,1%.

Радиоизотопные уровнемеры. Такие уровнемеры применяют для измерения уровня жидкостей и сыпучих материалов в закрытых емкостях. Их действие

основано на поглощении Y-лучей при прохождении через слой вещества.

Врадиоизотопном уровнемере источник

иприемник излучения подвешены на стальных лентах, на которых они могут перемещаться в трубах по всей высоте бака. Ленты намотаны на барабан, приводимый в движение реверсивным электродвигателем.

Если измерительная система (источник и приемник Y-лучей) расположена выше уровня измеряемой среды, поглощение излучения слабое и от приемника по кабелю на блок управления будет приходить сильный сигнал. По этому сигналу электродвигатель получит команду на спуск измерительной системы. При снижении ее ниже уровня среды поглощение Y-лучей резко увеличится, сигнал на выходе приемника уменьшится и электродвигатель начнет поднимать измерительную систему.

Таким образом, положение измерительной системы будет отслеживать уровень в емкости (точнее, она будет находиться в непре-