Материал: 2015 [Тынчеров] Основы автоматизации ТПНП

Внимание! Если размещение файла нарушает Ваши авторские права, то обязательно сообщите нам

Примером использования акустического метода является серийно выпускаемый преобразователь уровня ЭХО-5, предназначенный для измерения уровня жидкостей (в том числе агрессивных), а также сыпучих и кусковых материалов при температуре от -50 до 170°С и при давлении до 4 МПа. Верхние пределы измерения уровнемера — 0,4...30 м, основная погрешность преобразователя в зависимости от модификации равна ±0,5; ±1,0; ±1,5; ±2,5%.

Ультразвуковой метод характерен очень малым подводом теплоты в контролируемую среду, поэтому может быть использован в криогенной технике. Однако метод применим только на жидкостях со спокойной поверхностью, т. е. исключаются кипящие жидкости и криостаты с загруженным внутренним объемом.

Еще одним примером может послужить фирма Siemens, которая производит более десяти типов ультразвуковых уровнемеров, предназначенных для различных отраслей промышленности, сельского и коммунального хозяйства. В некоторых типах в одном приборе объединены источники (приемники) излучения (сенсоры) с электронным преобразователем, в других они разнесены. Совмещенный вариант реализован в компактных приборах типа The Probe, предназначенных для измерения уровня в диапазоне от 0,25 до 8 м. Сенсор работает на частоте 43 кГц, выходной сигнал уровнемера составляет 4...20 мА, погрешность не превышает ±0,25% благодаря введению температурной компенсации. Измерительный преобразователь LU10 может работать с десятью сенсорами, которые могут отстоять от измерительного блока на расстояние до 365 м. При диапазоне измерения до 60 м и наличии температурного зонда погрешность измерения уровня составляет ±0,1; ±0,25%. Выходной сигнал 4...20 мА может сочетаться с цифровым наиболее распространенных протоколов.

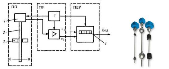
На явлении отражения ультразвука построена схема уровнемера типа РУ-ПТ1, который является более поздним вариантом уровнемера РУМБ-БК-М (з-д «Теплоприбор», г. Рязань). Принцип его действия основан на измерении времени распространения фронта ультразвуковых колебаний в металлическом стержне от поплавка до нулевой отметки на нижнем конце первичного преобразователя (рис.

4.25).

Рис. 4.25 — Схема ультразвукового уровнемера:

1 — источник ультразвуковых колебаний; 2 — металлический стержень; S — поплавок; 4 — индикатор

Ультразвуковой уровнемер состоит из преобразователей: первичного ПП, промежуточного ПР и передающего ПЕР. В состав первичного преобразователя входят источник ультразвуковых колебаний 7, погружаемый в контролируемую среду металлический стержень 2 и перемещающийся вдоль него поплавок 3. Источником формируется ультразвуковой импульс и снимаются со стержня сигналы, отраженные от поплавка и участка стержня, соответствующего нулевому уровню. Промежуточный преобразователь усиливает их и в виде двух импульсов напряжения U1, и U2 подает на передающий преобразователь. По моменту начала импульса, задаваемому генератором Г, и времени поступления импульсов вычисляется время прохождения импульса в стержне от поплавка до нулевой отметки (т. е. в пределах контролируемого уровня). Для учета температурного удлинения стержня по импульсу U2 вычисляется время t2 прохождения импульса по всему стержню. Значение контролируемого уровня определяется по формуле:

h = Ho(t1/t2),

где Но — базовая длина стержня при температуре 20±5°С. Верхний предел измерения высоты уровня составляет 0,4...12 м, выходные сигналы: токовый — 0...5 (4...20) мА, цифровая индикация уровня в м, цифровой сигнал по интерфейсу RS-232C, RS-485, сигнализация двух предельных отклонений уровня. Уровнемер предназначен для широкого класса сред (в том числе нефтепродуктов и сжиженных газов) при температурах -40...120°С и давлении до 2,5 МПа, основная погрешность составляет ±4 мм.

К ультразвуковым относятся уровнемеры типа ДУУ2, ДУУ4 ЗАО «Альбатрос», в которых используется магнитострикционный эффект. Последний состоит в деформации кристаллического тела под воздействием магнитного поля. Преобразователь этих уровнемеров содержит диэлектрическую направляющую трубку, внутри которой находится стальная проволока с намотанной по всей длине катушкой. По наружной поверхности трубки, покрытой фторопластом, скользит магнитный поплавок, плавающий на поверхности жидкости или границе раздела сред. В месте размещения поплавка происходят локальные изменения в кристаллической решетке проволоки. При подаче в катушку импульса тока создается импульсное магнитное поле, вызывающее импульсную деформацию проволоки. При достижении последней поплавка возникает отраженный импульс продольной деформации, воспринимаемой пьезодатчиком. Положение уровня определяется по интервалу времени от момента формирования импульса тока до приема импульса упругой деформации. На направляющей трубке может размещаться до четырех магнитных поплавков, измеряющих, например, верхний уровень и три границы раздела сред. В гибкой модификации преобразователя катушка с проволокой покрыта фторопластовой изоляцией. Для натяжения проволоки к ее концу крепится груз или опорный магнит. На конце преобразователя размещаются датчики давления и температуры.

Максимальная измеряемая высота уровня составляет 25 м, избыточное давления не должно превышать 2 МПа, а температура 120°С при плотности среды от 500 до 1500 кг/м3. Основная погрешность в зависимости от исполнения составляет ±1; ±3; ±5 мм. Число выходных сигналов 4...20 мА достигает шести в зависимости от числа измеряемых величин [34].

4.4. Методы и средства измерения давления

Измерение давления необходимо практически в любой области науки и техники как при изучении происходящих в природе физических процессов, так и для нормального функционирования технических устройств и технологических процессов, созданных человеком. Давление определяет состояние веществ в природе (твердое тело, жидкость, газ).

Чрезвычайно многообразно применение давления в науке, технике и производстве. Энергетические возможности тепло-, гидро- и

атомных электростанций определяются давлением пара или воды на лопасти турбин, под действием давления по каналам и трубопроводам на тысячи километров транспортируется вода, нефть и газ. Давление приводит в движение автомобили и самолеты, геодезические ракеты и космические корабли, открывает и закрывает двери лифта, вагонов метропоездов, троллейбусов и автобусов, подает воду и газ в квартиры наших домов.

Посредством давления осуществляется работа разнообразных станков, механизмов и установок в различных отраслях производства.

По давлению контролируют состояние рабочих сред в различных технологических процессах нефтехимической промышленности, при производстве искусственных волокон и пр. Во многих отраслях науки при проведении физических, термодинамических и метрологических исследований (определение концентрации газов в твердых веществах, констант уравнений состояния различных веществ, эталонные температурные и линейные измерения) также требуется измерять давление [20, 31, 42].

Давление характеризует напряженное состояние жидкостей и газов в условиях всестороннего сжатия и определяется частным от деления нормальной к поверхности силы на площадь этой поверхности:

p=N/F ,

(4.22)

где р — давление; N — нормальная сила, действующая на поверхность; F — площадь поверхности.

При этом принимается, что нормальная сила равномерно распределена по поверхности, а в жидкости или газе отсутствуют касательные напряжения. Так как действующая сила всегда перпендикулярна к поверхности вне зависимости от ее расположения, то давление является скалярной величиной [56].

Понятие давления как физической величины во всех его проявлениях едино. Вместе с тем во многих естественных природных явлениях и в различных технических устройствах и процессах определяющим является не само давление, а его значение относительно другого. Например, под действием разности двух давлений по магистральным трубопроводам транспортируются нефть и газ из Сибири.

При сравнении значений двух давлений одно из них принимается за начало отсчета их разности. По этому признаку различают следующие виды давлений.

Абсолютное давление — давление, значение которого при измерении отсчитывается от давления, равного нулю. Абсолютное давление воздушной оболочки Земли на ее поверхность называется ат-

мосферным давлением.

С учетом специфики каждого из видов давления при измерениях применяются специальные средства измерений — манометры и измерительные преобразователи давления.

Манометр — измерительный прибор или измерительная установка для измерения давления или разности давлений с непосредственным отсчетом их значения.

Измерительный преобразователь давления (датчик) — пер-

вичный преобразователь, выходной сигнал которого функционально связан с измеряемым давлением или разностью давлений. Выходной сигнал датчика вторичными приборами преобразуется в показания значения давления или поступает в различные системы управления и регулирования [20, 31, 42].

В соответствии с видами измеряемого давления применяют сле-

дующие виды средств измерения давления:

манометр абсолютного давления — манометр для измерения абсолютного давления;

барометр — манометр для измерения атмосферного давления; манометр избыточного давления — манометр для измерения положительного избыточного давления;

вакуумметр — манометр для измерения отрицательного избыточного давления. Вакуумметрами часто называют манометры, предназначенные для измерения низких абсолютных давлений, существенно меньших, чем атмосферное давление (в вакуумной технике);

мановакуумметр — манометр для измерения как положительного, так и отрицательного избыточного давления;

дифференциальный манометр (дифманометр) — манометр для измерения разности двух давлений, каждое из которых отличается от атмосферного давления;

микроманометр — дифференциальный манометр для измерения малых разностей двух давлений, каждое из которых существенно больше их разности.