Материал: 2015 [Тынчеров] Основы автоматизации ТПНП

Внимание! Если размещение файла нарушает Ваши авторские права, то обязательно сообщите нам

По направляющей трубе 7 под влиянием изменения уровня жидкости перемещается поплавок 6 с постоянным магнитом 5. Внутри трубки 7 по всей ее длине находятся герконовые реле, которые срабатывают под действием магнитного поля поплавка. Стопорное кольцо 4 ограничивает перемещение поплавка вверх, а зонтик 3 защищает его от капель конденсата, который может образовываться на внутренних стенках резервуара. При диапазоне измерения от 0,5 до 6 м высота уровня измеряется с дискретностью 5 мм. При определении массы для учета изменения плотности жидкости в преобразователе производится измерение температуры. Эти преобразователи могут иметь в качестве выходной величины изменение сопротивления, токовый сигнал 4...20 мА или цифровой.

Магнитные поплавки входят в состав ультразвуковых уровнеме-

ров.

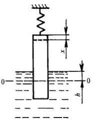
Буйковые уровнемеры. Буйковыми уровнемерами называются уровнемеры, основанные на законе Архимеда: зависимости выталкивающей силы, действующей на буек, от уровня жидкости. Чувствительным элементом таких уровнемеров является массивное тело-буек (например, цилиндр), подвешенное вертикально внутри сосуда и частично погруженное в контролируемую жидкость (рис. 4.9).

Буек закреплен на упругой подвеске с жесткостью с, действующей на буек с определенным усилием (на рис. 4.9 таким элементом является пружина). Увеличивая уровень на Н от нулевого положения 00, увеличиваем выталкивающую силу, что вызывает подъем буйка на х, причем при его подъеме увеличивается осадка, т. е. х < h.

Рис. 4.9 — Расчетная схема буйкового уровнемера

При этом изменяется усилие, с которым подвеска действует на буек, причем изменение равно изменению выталкивающей силы, вызванной увеличением осадки буйка на (h – х):

хс = (h – х)ρжgF – (h – х)ρгgF,

(4.13)

где с — жесткость подвески; ρж, ρг — плотность жидкости и газа; F — площадь поперечного сечения буйка.

Отсюда легко получить выражение для статической характеристики буйкового уровнемера:

x = h/(1 + с(ρж – ρг)gF).

(4.14)

Таким образом, статическая характеристика буйкового уровнемера линейна, причем чувствительность его может быть изменена за счет увеличения F или уменьшения жесткости подвески с.

При большой жесткости подвески буек перемещаться не будет, однако при изменении уровня изменится усилие, с которым он действует на подвеску. В этом случае при увеличении уровня на h изменение усилия равно hF(ρж – ρг)g. Такой принцип используется, например, в буйковых уровнемерах типов «Сапфир-22ДУ», УБ-Э, ПИУП (ранее УБ-П). Последние уровнемеры снабжены преобразователями с силовой компенсацией (УБ-Э) с унифицированным токовым выходным сигналом, УБ-П и ПИУП с унифицированным пневматическим выходным сигналом.

Схема уровнемера с электросиловым преобразователем изображена на рисунке 4.10.

Буек 1 подвешен на конец рычага 2, на другом конце которого расположен груз 3, уравновешивающий вес буйка 1 при нулевом уровне (возможен и другой метод компенсации веса). Разделительная мембрана 4 служит для герметизации резервуара.

Рис. 4.10 — Схема буйкового уровнемера (типа «Сапфир») с электросиловым преобразователем:

1 — буек; 2 — рычаг; 3 — груз; 4 — разделительная мембрана

При изменении уровня изменяется усилие, с которым буек действует на рычаг. Небаланс сил приводит к смещению рычага и сердечника дифференциально-трансформаторного преобразователя, выполняющего функцию индикатора рассогласования ИР. Его выходной сигнал поступает на усилитель У, выходной токовый сигнал которого Iвых поступает на выход прибора и в устройство обратной связи УОС.

Последнее представляет собой электросиловой преобразователь, который развивает усилие, устраняющее небаланс сил.

Уровнемеры УБ предназначены для измерения уровня невязких и вязких, не выпадающих в осадок, не кристаллизующихся сред при давлении — 4...16 МПа и температурах от -200 до 200°С, плотность среды — 600...2500 кг/м3. Верхние пределы измерений выбираются из ряда 0,02÷16 м, основная погрешность ±1–1,5%. В уровнемерах для химических производств с пневматическим выходным сигналом типов УБК-1 и ДБУ-1 используется другой тип вывода от буйка — с помощью торсионной трубки, к выводу которой крепится заслонка пневмопреобразователя. Уровнемеры ДБУ-1 используются на средах с температурой 5...230°С при давлении до 2,5 МПа и плотностью 700... 1410 кг/м3. Верхний предел измерения — 0,4...6 м, основная погрешность — ±2,5% [54].

Гидростатические уровнемеры. Основным принципом дей-

ствия данных уровнемеров является измерение гидростатического давления, оказываемого жидкостью.

Величина гидростатического давления Рг зависит от высоты столба жидкости h над измерительным прибором и от плотности этой жидкости ρ.

Измерение гидростатического давления может осуществляться различными способами, например:

манометром или датчиком давления, которые подключаются

крезервуару на высоте, равной нижнему предельному значению уровня;

дифференциальным манометром, который подключается к резервуару на высоте, равной нижнему предельному значению уровня, и к газовому пространству над жидкостью;

измерением давления воздуха, прокачиваемого по трубке, опущенной в жидкость на фиксированное расстояние, и другими.

На рисунке 4.11 приведена схема измерения уровня датчиком избыточного давления (манометром). Для этих целей может применяться датчик любого типа с соответствующими пределами измерений.

При измерении уровня гидростатическим способом погрешности измерения определяются классом точности измерительного прибора, изменениями плотности жидкости и колебаниями атмосферного давления.

Если резервуар находится под избыточным давлением, то к гидростатическому давлению жидкости добавляется избыточное давление над ее поверхностью, которое данной измерительной схемой не учитывается. Поэтому такая схема измерения для таких случаев не подходит.

В связи с этим более универсальными являются схемы измерения уровня с использованием дифференциальных датчиков давления (дифманометров). С помощью дифференциальных датчиков давления можно также измерять уровень жидкости в открытых резервуарах, контролировать границу раздела жидкостей.

Рис. 4.11 — Измерение уровня в резервуаре при помощи датчика избыточного давления

Рис. 4.12 — Измерение уровня в открытом резервуаре при помощи датчика дифференциального давления

Схема измерения уровня жидкости в открытом резервуаре, находящемся под атмосферным давлением, представлена на рисунке

4.12.

Плюсовая камера дифманометра ДД через импульсную трубку соединена с резервуаром в его нижней точке, минусовая камера сообщается с атмосферой.