Материал: 1150

Внимание! Если размещение файла нарушает Ваши авторские права, то обязательно сообщите нам

Таблица 2.3

Варианты контрольных заданий

Параметры

 

 

 

Варианты заданий

 

 

 

1

2

3

4

5

6

7

8

9

10

р0, МПа

12

13

14

15

16

17

18

19

20

15

t0, ОС

400

450

500

550

400

450

500

550

400

450

рК, кПа

6,0

7,0

8,0

5,0

6,0

7,0

8,0

5,0

6,0

7,0

NЭ, МВт

8

10

12

15

20

25

30

35

40

45

рОТБ, МПа

0,11

0,12

0,13

0,11

0,12

0,13

0,11

0,12

0,13

0,12

tПВ, ОС

102

105

107

102

105

107

102

105

107

105

Задача 4. Определить расход пара и термический КПД паротурбинной установки с параметрами р0 = 4 МПа; t0 = 450 ОС; рК = 4 кПа с регенеративным подогревом конденсата в трех смешивающих подогревателях (рис. 2.3) до температуры питательной воды tПВ = 150 ОС;

Оi = 0,85; ЭМ = 0,93; NЭ = 25 МВт.

Рис. 2.3. Принципиаль-

 

 

 

 

 

 

 

 

 

 

 

 

p0, t0

DT

2

 

 

NЭ

 

 

 

 

 

 

 

 

 

 

 

 

 

 

 

 

 

 

 

 

 

 

 

 

 

 

 

 

 

 

 

 

 

 

 

 

ная

схема паротурбин-

 

 

 

 

 

 

 

 

 

 

 

 

 

 

 

 

 

 

 

 

 

 

 

 

ной

установки с тремя

1

 

 

 

 

 

 

 

 

 

 

 

 

 

 

 

 

 

 

 

 

 

 

 

~

 

 

 

 

 

 

 

 

 

 

 

 

 

 

 

 

 

 

 

 

 

 

 

регенеративными

сме-

 

 

 

 

 

 

 

 

 

 

 

 

 

 

 

 

 

 

 

 

 

 

 

 

 

шивающими подогрева-

5

 

 

 

 

 

 

 

 

 

 

 

 

 

 

 

 

 

 

 

 

pK

 

 

 

 

 

 

 

 

 

 

 

 

 

 

 

 

 

 

 

 

телями: 1 – паровой ко-

 

 

 

 

 

 

 

 

 

a1, p1, D1

 

 

 

 

 

 

 

 

 

 

 

 

 

 

 

 

 

 

 

 

 

 

 

 

 

 

 

 

тел; 2 – турбогенератор;

4

 

 

 

 

 

 

 

 

 

 

 

 

 

 

 

 

 

 

 

 

 

 

 

 

 

 

 

 

 

 

 

3

 

 

 

 

 

 

 

 

 

 

 

 

 

 

 

 

 

 

 

 

 

 

 

 

 

 

 

 

 

 

 

 

 

 

 

 

 

 

 

 

 

 

 

 

 

 

 

 

 

 

 

3 – конденсатор; 4 – ре-

 

 

 

 

 

 

 

 

 

 

a2, p2, D2

 

 

 

 

 

 

 

 

 

 

 

 

 

 

 

 

 

 

 

 

 

 

 

 

 

 

 

 

генеративный

смеши-

 

 

 

 

 

 

 

 

 

 

 

 

 

 

a3, p3 ,D3

 

 

 

 

 

вающий подогреватель;

 

 

 

 

 

 

 

 

 

 

 

 

 

 

 

 

 

 

 

 

 

 

 

 

 

 

 

 

 

 

 

 

 

 

 

 

 

 

 

 

 

 

 

 

5 – насосы

 

 

 

 

 

 

 

 

 

 

 

 

 

 

 

 

 

 

 

 

 

 

 

 

 

 

 

 

 

 

 

 

 

 

 

 

 

 

 

 

 

 

 

 

 

 

 

 

 

 

 

 

 

 

 

 

 

 

 

 

 

 

 

 

 

 

 

 

 

 

 

 

 

 

 

 

 

5

 

4

5

4

 

5

 

 

 

 

 

 

 

Решение. Задача решается таким же методом, что и задача 3. Предварительно определяют параметры и расход отборов пара на регенерацию D1, D2, D3 в долях общего расхода пара на турбину DT:

D1 = a1DT; D2 = a2DT;

D3 = a3DT.

45

Параметры отборов р1, р2, р3 и h1, h2 и h3 определяют построением процесса расширения пара в h s-диаграмме (рис. 2.4). Давления в отборах определяют по температурам насыщения в смешивающих подогревателях при заданном равномерном распределении подогрева по ступеням. Интервал регенеративного подогрева определяют заданной tПВ = 150 ОС и tК = 28,6 ОС при рК = 4 кПа. Интервал подогрева

t = tПВ tК = 150 – 28,6 = 121,4 ОС.

 

 

 

 

 

 

 

 

 

 

 

 

 

 

 

На ступень подогрева бу-

h

 

 

 

0

 

 

p0

 

t0

 

 

 

 

дет приходиться

 

 

 

 

 

 

 

 

 

 

 

 

 

 

 

 

t

 

121,4

 

 

 

 

h0

 

 

 

 

 

 

 

 

 

p1

 

 

 

tCT

 

 

40,5

O

C.

 

 

 

 

 

 

 

 

 

 

 

 

 

h1

KP

 

 

 

 

 

 

 

 

p2

 

 

3

 

3

 

 

 

 

 

 

 

 

 

 

 

 

 

 

 

 

 

 

 

h2

 

 

 

 

 

 

 

 

 

 

p3

 

Температура

насыщения

h3

 

 

 

 

 

 

 

 

 

 

 

pK

 

 

 

 

 

 

 

 

 

 

 

 

 

третьего регенеративного от-

hK

 

 

 

 

 

 

 

 

 

K

 

 

 

 

 

 

 

 

 

 

 

 

 

 

 

бора

 

 

 

 

 

 

 

 

 

 

 

 

 

 

 

 

 

 

 

 

 

 

 

 

 

 

 

 

 

 

 

 

 

 

 

hKS

 

 

 

 

 

KS

 

 

 

 

 

 

t3Н tК

 

tСТ 28,6 40,5

 

 

 

 

 

 

 

 

 

 

 

 

h'ПВ1

 

 

 

 

 

 

 

 

 

 

 

 

 

69,1

О

С.

 

 

 

 

 

 

h'ПВ2

 

 

 

 

 

 

 

 

 

 

 

 

 

 

 

 

 

 

 

 

 

 

 

 

 

 

 

 

 

 

 

 

 

 

По таблицам при найденной

h'ПВ3

 

 

 

 

 

 

 

 

 

 

 

 

 

 

h'K

 

 

 

 

 

 

 

 

 

 

 

 

 

температуре t3Н = 69,1 ОС дав-

 

 

 

 

 

 

s0

 

 

 

 

s

 

ление в третьем отборе соста-

Рис. 2.4. Процесс расширения в диаграмме

вит р3 = 30 кПа.

 

 

 

 

 

 

 

 

 

 

 

 

 

 

Аналогично находят t2Н и р2; t1Н и р1:

 

 

 

 

 

 

 

 

 

 

 

 

t2Н tK tCT

tCT

28,6 40,5 40,5 109,6 O C;

 

 

 

 

 

 

 

 

 

 

 

р2

0,142

МПа;

 

 

 

 

 

 

 

 

 

 

 

 

t

t

K

3 t

CT

t

2H

t

CT

109,6 40,5 150,1 O C.

 

 

 

 

 

1Н

 

 

 

 

 

 

 

 

 

 

 

 

 

 

 

 

 

 

Так как tПВ = 150 ОС, подогрев в последней ступени следует принять равным 40,4 ОС. Тогда

t1Н tПВ 109,6 40,4 150 O C

и р1 = 0,475 МПа.

46

По процессу расширения пара в h s-диаграмме с учетом Oi нахо-

дят h0 = 3332 кДж/кг; hК = 2281 кДж/кг; h3 = 2508 кДж/кг; h2 = 2718

кДкг; h1 = 2908 кДж/кг. Затем по тем же формулам, что и в решении задачи 3, находят a1, y1, a2, y2, a3, y3:

a

 

 

 

 

h'

 

h'

 

 

 

 

 

289,3 119,6

0,0765,

3

 

 

1H

 

 

K

 

 

 

 

 

 

 

 

 

 

 

 

 

 

 

 

 

 

 

 

2508 289,3

 

 

 

 

 

 

h h'

 

 

 

 

 

 

 

 

где

 

 

 

 

 

1

 

 

1H

 

 

 

 

 

 

 

 

 

 

 

 

 

 

 

 

 

 

 

 

 

 

 

 

 

 

 

 

 

 

 

 

 

 

 

 

 

 

 

 

 

 

 

 

 

 

h1H

 

 

cPt1H

4,19 69,1 289,3 кДж/кг;

hК'

 

 

cPtK

4,19 28,6 119,6 кДж/кг.

 

 

y

3

 

 

h1

hK

 

 

 

 

2508 2281

 

 

0,216;

 

 

 

 

 

 

 

 

 

 

 

 

 

 

 

 

 

 

h

 

h

K

 

 

 

 

3332 2281

 

 

 

 

 

 

 

 

 

 

 

 

0

 

 

 

 

 

 

 

 

 

 

 

 

 

a

 

 

 

 

 

h

'

 

h'

 

 

 

458 289,3

0,0747,

2

 

 

 

 

2H

 

 

1Н

 

 

 

 

 

 

 

 

 

 

h

 

 

 

 

 

 

 

2718 458

 

 

 

 

 

 

 

h'

 

 

 

 

 

 

 

 

 

 

 

 

где

 

 

 

 

 

 

 

 

 

 

2

 

 

2H

 

 

 

 

 

 

 

 

 

 

 

 

 

 

 

 

 

 

 

 

 

 

 

 

 

 

 

 

 

 

 

 

 

 

 

 

 

 

 

 

 

h'

 

 

 

 

c

t

2H

4,19 109,6 458 кДж/кг.

2H

 

 

 

 

 

 

 

 

P

 

 

 

 

 

 

 

 

 

 

 

 

 

 

 

 

 

 

y

2

 

h2

 

hK

 

 

 

 

 

2718 2281

0,406;

 

h

 

 

 

 

 

 

 

 

 

 

 

 

 

 

 

h

 

 

 

 

 

 

 

 

 

3332 2281

 

 

 

 

 

 

 

 

 

 

 

 

0

 

 

K

 

 

 

 

 

 

 

 

 

 

 

a

 

 

 

h'

 

h

'

 

 

 

 

 

 

 

628 458

0,0746,

 

 

 

 

3H

 

 

2Н

 

 

 

 

 

 

 

 

 

h

 

 

 

 

 

 

2908 628

 

1

 

 

 

 

 

h'

 

 

 

 

 

 

 

 

 

 

 

 

где

 

 

 

 

 

 

 

 

 

 

2

 

 

2H

 

 

 

 

 

 

 

 

 

 

 

 

 

 

 

 

 

 

 

 

 

h3

hK

 

 

 

 

 

2908 2281

 

 

 

 

 

y

 

 

 

 

0,597.

 

 

 

 

 

 

 

 

 

 

1

 

 

 

 

 

h h

 

 

 

 

3332 2281

 

 

 

 

 

 

 

 

 

 

 

 

0

 

 

K

 

 

 

 

 

 

 

 

 

 

 

Определяют расход пара на турбину с учетом регенеративных отборов:

DT

 

 

NЭ

 

 

 

25000

 

h0 hK

 

n

 

3332 2281 0,93 (1 0,0765

 

ЭМ 1 ai yi

 

 

 

 

 

 

 

i 1

 

 

 

 

 

 

 

 

 

 

 

 

28,4 кг/с.

 

 

 

 

 

 

 

 

 

0,216 0,0747 0,406 0,0746 0,597)

Термический КПД цикла с регенерацией

47

 

 

 

n

 

 

 

 

h0 hKS 1 ai yi

3332 2092 0,908

 

tP

 

 

i 1

 

 

0,416.

h0

hПВ

 

 

 

 

 

3332 628

Термический КПД цикла без регенерации (для этих же параметров)

P

h0

hKS

 

3332 2092

0,386.

h

h'

3332 119,6

t

 

 

 

0

K

 

 

 

Приращение КПД вследствие регенерации составит

 

P

t

 

0,416 0,386

0,0777 или 7,77 %.

t

 

t

 

0,386

 

 

 

 

Контрольная задача для самостоятельного решения.

Определить расход пара и термический КПД паротурбинной установки с параметрами р0; t0; рК с регенеративным подогревом конденсата в трех смешивающих подогревателях (рис. 2.4) до температуры питательной воды tПВ ; Оi = 0,85; ЭМ = 0,93; NЭ .

Таблица 2.4

Варианты контрольных заданий

Параметры

 

 

 

Варианты заданий

 

 

 

1

2

3

4

5

6

7

8

9

10

р0, МПа

6,0

5,5

5,0

4,5

4,0

6,0

5,5

5,0

4,5

4,0

t0, ОС

460

440

420

400

460

440

420

400

460

420

рК, кПа

4,0

4,2

4,4

4,6

4,8

5,0

5,2

5,4

5,6

5,8

tПВ, ОС

155

150

145

155

150

145

155

150

145

155

NЭ, МВт

20

25

30

35

40

20

25

30

35

40

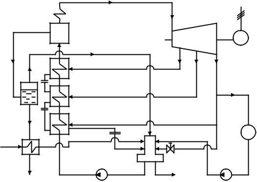
Задача 5. Рассчитать принципиальную схему станции с турбиной Р-100-13/15 (ЛМЗ) при следующих исходных данных [1]:

начальные параметры пара перед турбиной р0 = 12,74 МПа, t0 =

=560 ОС;

давление за турбиной рК = 1,0 МПа;

отпуск пара внешнему потребителю из противодавления DВП =

=540 т/ч;

внутренний относительный КПД турбины Оi = 0,844;

48

электромеханический КПД турбогенератора ЭМ = 0,97;

число отборов пара на регенерацию n = 3;

доля возвращаемого конденсата ВК = 0,85; tВК = 70 ОС;

давление в деаэраторе рД = 0,588 МПа;

температура химически очищенной воды tХОВ = 30 ОС;

продувка котла aПРОД = 10 % DТ;

потеря пара и конденсата внутри станции aУТ = 1,2 % DТ (условно принято из деаэратора);

продувочная вода котла после подогревателя химически очищенной воды сливается в канализацию с температурой tСВ = 60 ОС.

Принципиальная схема турбоустановки представлена на рис. 2.5.

DПРОД

р0 , t0

 

DТ

 

 

 

 

 

 

 

К

dСЕП

 

Т

 

NЭ

tПВ

 

 

 

 

ПВД1

рОТБ1

 

 

DПД

 

С

 

 

 

 

 

 

 

DВП

 

ПВД2 рОТБ2

 

 

 

ПВД3 рОТБ3

 

 

 

 

D'ПР

 

 

 

П

 

tХОВ

 

 

 

 

 

 

 

 

 

DХОВ

 

DД

 

 

 

Д

 

 

 

tДР

ПН

DУТ

DВК

КН

 

 

 

Рис. 2.5. Принципиальная схема турбоустановки Р-100-130/15: К – котел; Т – турбина; П – тепловой потребитель; Д – деаэратор; КН – конденсатный насос; ПН – питательный насос; ПВД – подогреватель высокого давления; С – сепаратор

Решение. Расчет принципиальной схемы противодавленческой турбины сводится к определению расхода пара на турбину и развиваемой ею электрической мощности. При наличии нерегулируемых отборов пара для регенеративного подогрева питательной воды и возвращаемого конденсата с производства с незаданной наперед темпе-

49