Практическиезанятия№ 13, 14, 15
РЕШЕНИЕ ЗАДАЧ УСТОЙЧИВОСТИ ПРЯМЫХ СТЕРЖНЕЙ. ПОДБОР СЕЧЕНИЙ. ВЛИЯНИЕ ТИПА ОПОР. УПРУГИЕ ОПОРЫ
|
|
Цель работы – получить навыки и умение моделировать задачи про- |
||||||
дольной устойчивости строительных конструкций с подбором сечения по СП |
||||||||
С |
|
|
|
|
||||
16.13330.2017. |
|
|
|
|
|
|||
|
|
Исходные данные |
|
|
||||
|
|
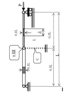
Вар ант схемы задачи (рис. 3) |
||||||
и |
|
|
||||||
|
|
|
б |
|||||
|
|
|
|
|
А |
|||
|
|
|
|
|
Рис . 3 Вариант схемы стойки |
|||
|
|
|
|
|
|
|
|
|
|
№ |
|
L, м |
|
с, тс/мм |
|
Сечение нижнего/верхнего |
|
|
1 |
|
3,0 |
|
5 |
|
вутавр № 14/10 |
|
|
|
|
|
|
|
|
Д |
|
|
2 |
|
4,0 |
|
150 |
|
Коробка из 2х швеллеров № 20/20 |
|
|
3 |
|
6,0 |
|
1 |
|
вутавр № 20/16 |
|
|
4 |
|
4,0 |
|
10 |
|
Коробка из швеллеров № 10/10 |
|
|
5 |
|
8,0 |
|
2 |
|
вутавр № 16/16 |
|
|
6 |
|
10,0 |
|
200 |
|
Двутавр № 18/14 |
|
|
7 |
|
12,0 |
|
5 |
|
Коробка из швеллеров № 24/20 |
|
|
8 |
|
8,0 |
|
3 |
|
Двутавр № 18/10 |
|
|
|
|
|
|
|
|
И |
|
|
9 |
|
6,0 |
|
10 |
|
Коробка из швеллеров № 10/10 |
|
|
10 |
|
14,0 |
|
40 |
|
Два двутавра № 18/18 |
|
Порядок выполнения
Алгоритм решения задач продольной устойчивости строительных конструкций с подбором сечения по СП 16.13330.2017. Аналитические решения задачи устойчивости представлены в учебниках «Динамика и устойчивость. Спецкурс»
6
https://drive.google.com/open?id=1M6K1IT_cAB_5ityi4nnFhquyDgD0tULU https://drive.google.com/open?id=1m3tce0Td-1Moa99UUzap-5JMM3_AdMbC
|
Контрольные вопросы к практическим занятиям № 13, 14, 15 |
||
1. |
Критическая сила по Эйлеру. |
||
2. |
Коэффициенты приведения длины. Физический смысл. |
||
3. |
Расчет на устойчивость по СНИП и СП, различия. |
||
4. |
Расчет по предельной гибкости. |
||
5. |
Конструкт вные решения по увеличению критической силы колонн. |
||
6. |
Устойч вость в плоскости и из плоскости. |
||
стики |
|||
7. |
Что такое местная потеря устойчивости, редуцированные геометриче- |
||
Сск е характер |
сечения. |
||
8. |
Как ПК представляет результаты расчета на общую продольную ус- |
||
|
тойч вость, местную устойчивость. |
||
|
|
Практическиезанятия №16, 17, 18 |
|
|
|
А |
|
ДВУХОПОРНАЯ БАЛКА ПРЯМОУГОЛЬНОГО СЕЧЕНИЯ ПОД ДЕЙ- |
|||
СТВИЕМ РАСПРЕДЕЛЕННОЙ ПОПЕРЕЧНОЙ НАГРУЗКИ ( ВАРИАН- |
|||
ТЫ ЗАКРЕПЛЕНИЙб, ВАРИ НТЫ СЕЧЕНИЙ, ВАРИАНТЫ ПРИЛО- |
|||
|
|
|
ЖЕНИЯ Н ГРУЗКИ) |
|
|
|
Д |
Цель работы – получить навыки и умение моделировать критические |
|||
силы и формы потери устойчивости балок из плоскости в ручном режиме (ана- |
|||
литически). |
|
|
|
Исходные данные |
И |
||
|
|
|
|
Двутавровая однопролетная балка по сортаменту проката пролетом 3, 6, 9 м с различными типами опор загруженная равномерно распределенной нагрузкой. Найти первые 3 критические нагрузки и соответствующие формы равновесия.
Порядок выполнения.
Алгоритм решения задач потери плоской формы устойчивости балок в аналитическом виде (консольные, двухопорные…) представлены в учебниках «Динамика и устойчивость. Спецкурс»
https://drive.google.com/open?id=1m3tce0Td-1Moa99UUzap-5JMM3_AdMbC
7
|
Контрольные вопросы к практическим занятиям № 16, 17, 18 |
1. |
Что такое критическая сила по Эйлеру? |
2. |
Что такое критическое состояние? |
3. |
Что такое форма потери устойчивости из плоскости? |
4. |
колько форм потери устойчивости из плоскости? |
5. |
Конструктивные методы повышения устойчивости системы из плоско- |
|
сти, на примере фермы, балки перекрытия. |
6. |
Техника моделирования консольной и двухопорной балки. |
7. |
Задан е гран чных условий, задание нагрузок. |
8. |
Техн ка расчета на устойчивость из плоскости в ПК. |
9. |
В каком в де ПК выдает результаты устойчивости системы из плоско- |
сти |
|
|
? |
С10. пособы конструкт вного решения устойчивости из плоскости? |
|
|
работы |
|
Практическиезанятия №19, 20, 21 |
|
УСТОЙЧИВОСТЬ РАМ |
Цель |
А |
– получить навыки и умение аналитического решения за- |
|
дач устойчивости простых рам. |
|
Исходные данные |
|
|
Д |
Схему, размеры элементов (пролеты, сечения), размещение опор и вели- |
|
чины нагрузок согласовать с преподавателем (рис. 4). |
|
Порядок выполнения |
|
Алгоритм решения задач устойчивости рам представлены в учебниках |
|
«Динамика и устойчивость. Спецкурс» |
И |
|
|
https://drive.google.com/open?id=1M6K1IT_cAB_5ityi4nnFhquyDgD0tULU https://drive.google.com/open?id=1m3tce0Td-1Moa99UUzap-5JMM3 AdMbC
8
С |
|
||
и |
|
||
|
б |
|
|
|
А |
||
|
Рис. 4 Схемы заданий рам |
||
|
Д |
||
|
Контрольные вопросы к практическим занятиям № 19, 20, 21 |
||
1. |
Основы метода перемещений при решении рам. |
||
2. |
Что такое критическая сила по Эйлеру? |
И |
|
3. |
Что такое критическое состояние? |
||
|
|||
4. |
Что такое форма потери устойчивости? |
|
|
5. |
Сколько форм потери устойчивости рамы? |
||
6. |
Конструктивные методы повышения устойчивости рам. |
||
9
Практическиезанятия №22, 23, 24
КРУГОВОЙ СТЕРЖЕНЬ ПОД ДЕЙСТВИЕМ ГИДРОСТАТИЧЕСКОЙ НАГРУЗКИ. ПРЯМОУГОЛЬНЫЕ ПЛАСТИНКИ ПРИ РАЗЛИЧНЫХ СПОСОБАХ ЗАКРЕПЛЕНИЯ СТОРОН
Цель работы – получить навыки и умение моделировать круговые стержни, арки при различных способах закрепления и разных загружениях по П 20 в ПК ЛИРА-САПР. Получить навыки и умение моделировать устойчи-
вость арочных конструкц й, |
прямоугольных пластин при различных способах |
|
закреплен я разных загружениях в ПК ЛИРА-САПР с тестированием анали- |
||
тическ ми решен ями. |
|
|
С |
|
|
Исходные данные |
|
|
Размеры, состав арочных стержней (покрытий), район строительства со- |
||
гласовать с преподавателем. |
|
|
Размеры, состав |
|
закреплений согласовать с преподавателем. |
пластин |
|
|
Порядок выполнения |
|
|
б Алгоритмы аналитическихАрешений задач устойчивости арок, колец,
пластин при различных спосо ах закрепления представлены в учебниках «Динамика и устойчивость. Спецкурс»
https://drive.google.com/open?id=1M6K1IT cAB 5ityi4nnFhquyDgD0tULU https://drive.google.com/open?id=1m3tce0Td-1Moa99UUzap-5JMM3 AdMbC
|
Контрольные вопросы к практическим занятим № 22, 23, 24 |
|
1. |
|
И |
Моделирование устойчивости круговых стержней в ПК. |
||
2. |
Моделирование устойчивостиДпластин и оболочек в ПК. |
|
3. |
Что такое критическая сила? |
|
4. |
Как ПК представляет результаты расчета на устойчивость? |
|
10