
Рисунок 5.1 – Схема для дослідження диністорного режиму
Відмітити координати (
,
)
точки, в якій тиристор відкривається.
Відмітити координати точки
(
,
),
в якій опинився тиристор у відкритому
стані.
Далі потрібно збільшувати напругу на тиристорі та струм через нього до значень, що не перевищують довідникових показників. Через одержані точки провести якісну ВАХ тиристора.
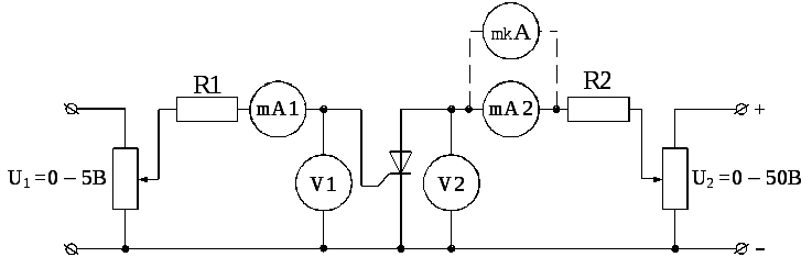
ІІ Триністорний режим
3. Зібрати схему (рис .5.2).

Рисунок 5.2 – Схема для дослідження триністорного режиму
Виконати вмикання тиристора 2 способами.
Першій спосіб. Вмикання за допомогою струму керування.
З правого блока живлення на
тиристор подати анодну напругу
= 10 15 В.
Цю напругу вважаємо напругою вмикання
(
),
під яку необхідно підібрати відповідну
величину струму керування
.
Наразі
= 0
mA,
і тому через тиристор проходить анодний
струм закритого стану – струм вмикання
.
З лівого блока живлення на
керуючий електрод тиристора подамо
напругу
.
Збільшуючи її потенціометром 9, слідкуємо
за лівим міліамперметром
за
зростанням струму керування
.
У момент вмикання тиристора зафіксуємо
цей струм (наприклад,
).
Одночасно за показаннями правих
міліамперметра
і вольтметра
визначаємо координати точки переходу
тиристора у відкритий стан (
).
Одержавши відтак координати
двох точок (
,
)
та (
,
)
будуємо якісну вольт-амперну характеристику
тиристора при даному струмі керування
.
Другий спосіб. Вмикання тиристора за допомогою анодної напруги.
З цією метою виставити на
міліамперметрі
лівого блока живлення
зафіксований раніше струм керування
(наприклад,
).
Потім, подаючи анодну напругу правим
блоком живлення слідкувати за моментом
вмикання тиристора.
Порівняти траєкторії характеристик для обох способів вмикання і зарисувати в спільних координатах.
4. Зняти сімейства ВАХ одержаного тиристора у триністорному режимі.
Для цього задати кілька
значень анодної напруги
і для кожного з них, фіксуючи струм
керування (перший спосіб вмикання),
знімаємо чергову ВАХ тиристора. Визначити,
при якому значенні
ВАХ тиристора набирає вигляду звичайної
ВАХ напівпровідникового діода.
Результати досліджень занести до таблиці 5.1
|
Таблиця 5.1
|
Зміст звіту 1. Тема роботи. 2. Мета роботи. 3. Схема зняття ВАХ тиристорів. 4. Заповнена таблиця 5.2. 5. Графіки ВАХ для диністорного і триністорного режимів. 6. Висновки.
|
||||||||||||||||||