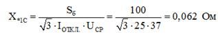
. Определяем допустимый ток в
аварийном режиме
.
. Выполняем проверку по
потери напряжения
.
По условию нам заданы две воздушных линии. Мощность протекающая по линиям рассчитана в пункте 2.3.
. Определяем расчётный ток ВЛ в нормальном
режиме:
(9)
. Определяем экономическое сечение воздушной
линии:
(10)
где:
А/мм2 - экономическая
плотность тока для сталеалюминиевых проводов.
. Экономическое сечение приводим к
ГОСТ
→
. Ближайшее
большее стандартное значение сечения провода 95 мм2. Принимаем
провод АС - 95 мм2, IД = 330 А.
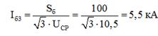
1. Определяем расчетный ток в аварийном
режиме:
(11)
По условию допустимости
выбранный
провод проходит.
. Определим потерю напряжения в
линии.
Так как у нас две воздушных линии разной
длины, считаем линию с большей длиной, в которой потери напряжения будут
большими. По справочным данным удельное активное и индуктивное сопротивления
выбранного провода r0 = 0.306
Ом/км, х0 =0,421 Ом/км.
(12)
где
- длина линии, км;
- коэффициент мощности.
Условие
выполняется.
Так как линия №2 короче (L - 2,7 км), то потери во 2 линии
будут меньше чем потери в первой линии, соответственно потери так же будут
удовлетворять нормативным требованиям.
Проверим потери напряжения линии в
аварийном режиме
2.5 Расчет отходящей линии
Отходящие линии выполнены воздушными. Сечение проводов определяется нагрузкой трансформаторных подстанций 10/0,4 кВ запитанных от соответствующих фидеров. В качестве проводников применяем сталеалюминевые провода марки АС. Сечение провода определяется нагрузкой на фидере. Произведем расчет сечения проводов для Ф-3 «Прогресс». Максимальная нагрузка на этом фидере 2,5 МВА.
Определяем расчётный ток ВЛ в нормальном режиме:
Определяем экономическое сечение воздушной
линии:
где:
А/мм2 - экономическая
плотность тока для сталеалюминиевых проводов.
Экономическое сечение приводим к
ГОСТ
→
. Ближайшее
большее стандартное значение сечения провода 150 мм2. Принимаем
провод АС - 150 мм2, IД = 450 А.
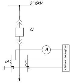
2.6 Расчет токов короткого замыкания
Составим схему для расчетов токов К.З.(рис.2.1). По расчетной схеме составим схему замещения. При составлении схемы замещения учитываем, что секционный выключатель на стороне 10 кВ в нормальном состоянии отключен.
. Определим сопротивление энергосистемы в относительных единицах. Задаемся базисной мощностью 100 МВА.
На питающей линии установлен выключатель
МКП-35-1000-25 ток отключения 25 кА:
(13)
2. Определим сопротивление линии. Выбираем
линию с наименьшей длиной.
(14)
. Рассчитаем трансформатор
(15)
. Рассчитаем отходящую линии.
(16)
. Определим индуктивное
сопротивление отходящей линии
(17)
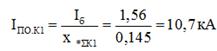
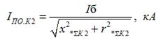
Рассчитаем ток К.З. для точки К1.
Определим результирующее сопротивление до точки К1.
Определим базовый ток
кА(18)
Определим ток периодический
(19)
Так как ![]()
, r не
учитываем.
Определим ударный ток для точки К1:
(20)
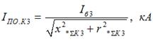
Рассчитаем ток К.З. для точки К2.
Определим результирующее сопротивление до точки К2.
Определим базовый ток
Определим ток периодический
Так как ![]()
, r не учитываем.
Определим ударный ток для точки К2:
Рассчитаем ток К.З. для точки К3.
Определим результирующее сопротивление до точки К3.
Так как ![]()
, r не
учитываем.
Определим базовый ток
Определим ток периодический
Так как ![]()
, r не
учитываем.
Определим ударный ток для точки К3
Выполненные расчеты сведем в таблицу
1.
Таблица 1 - Расчет токов КЗ
Точка
К.З.
IПО,
кА
IУД,
кА
UСР,
кВ
К1
10,7
24,3
37
К2
5,82
14,8
10,5
К3
5,79
14,59
10,5
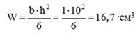
.7 Выбор ошиновки распределительного устройства
10 кВ
Выбираем алюминиевые шины размером
100 мм на 10 мм. Ток допустимый должен быть больше
аварийного тока. >1156. Условие соблюдается
Принимаем шину 100х10 мм АД31Т.
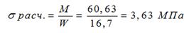
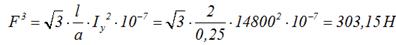
Определяем максимальное усилие на
шинную конструкцию.
где Шины располагаем плашмя (рис. 1).
h=100 мм
b=10 мм
a=0.25 м
l=2 м
Рисунок 1. - Расположение шин 10 кВ
Рассчитаем момент сопротивления
Находим момент сопротивления сечения
Рассчитаем напряжение в шине
МПа > 3.63МПа
Выбранная шина АД-31-Т проходит по
условию.
2.8 Выбор изоляторов для шин 10 кВ
.8.1 Выбор опорных изоляторов для шин
Выбираем изоляторы типа И4-80 УХЛ3 с
напряжением установки 10 кВ, минимальной разрушающей силой на изгиб Fразр
= 4 кН, наибольшим допустимым напряжение 12 кВ. Выбор и проверку производим по
следующим условиям:
. По номинальному напряжению Uуст
= 10 ≤ Uдоп = 12
. По допустимой нагрузке Fрасч
≤ Fдоп
Fдоп = 0,6 Fразр(25)
Fдоп = 0,6 4000=2400
Н
Н > 303,15 Н
2.8.2 Выбор проходных изоляторов
Выбираем изолятор ИП-10/1600-750 УХЛ1, Uном
= 10 кВ, Iном = 1600 А,
минимальное усилие на изгиб = 750 Н. Выбор и проверку производим по следующим
условиям:
. По номинальному напряжению Uуст
= 10 ≤ Uдоп = 10
. По номинальному току Iмакс
= 1156 А ≤ Iном = 1600 А
. По допустимой нагрузке Fрасч
= 151,575 Н ≤ Fдоп = 750 Н
Fрасч = 0,5·fф·l=0,5·151,575·2=151,575
Н(26)
Окончательно выбираем изолятор ИП-10/1600-750
УХЛ1.
.9 Проверка отходящей линии на термостойкость
При протекании токов к.з. выделяется тепло, чем
больше времени протекания тока к.з. тем больше тепла, при расчётах определяется
тепловой импульс. Проверка аппаратов на термическую стойкость производится по
току термической стойкости - Iтерм.,
заданному заводом-изготовителем, и расчётному времени термической стойкости по
каталогу - tтерм.
Вк = I2терм.
∙ tтерм.(27)
Tоткл =
(tрза +
tоткл.вык. +
Та),(28)
где tрза
-
время срабатывания защиты, 2,5c;
tоткл.вык
- полное время отключения выключателя, 0,08с;
Та - постоянная затухания.
Tоткл =
(2,5 +0,08 + 0,05)=2,63 с
Термическую стойкость проверяют определением
минимально допустимого сечения по условию допустимого нагрева при к.з. где СT -
коэффициент, зависящий от допустимой температуры при к.з. и материала
проводника, СT=200 для неизолированных алюминиевых
проводов.
Определим тепловой импульс при
проверке провода на термостойкость, ток к.з. выбирается в начале линии, (точка
К2):
Вк = I2к.з. ∙ tоткл. = 58202
∙2,63 = 89084412 А2∙с
Термическую стойкость
FАА = 3 х 50,
150 мм2 > 47,2 мм2 - условие соблюдается.
2.10 Выбор высоковольтных выключателей 35 кВ
Выключатели выбираются:
. по напряжению установки Uуст.
≤
Uном;
. по длительному току Iнорм.
р. ≤ Iном;
. по отключающей способности Iп,
0 ≤
I откл,ном;
. по электродинамической стойкости iу
≤
iдин
;
. по термической стойкости Bк
≤
I2тер
∙
tтер,
Где IПО,
IУ,
Bк
=I2п,о
(tоткл.+Та)
- определены по расчётам; Iоткл,ном
-
номинальный ток отключения; iдин.-
ток электродинамической стойкости; Iтер.
-
ток термической стойкости; tтер.
-
время протекания тока термической стойкости.
Ориентировочно принимаем выключатель
МКП-35М-630-25АУ1
Iном. =
630 А, Iном, откл. =
25 кА, tтер.
= 25/4 кА/с, iдин. =
64 кА, tоткл. =
0,08/0,15
Привод электромагнитный.
. Выбор по напряжению:
Uуст. ≤
Uном =
35 кВ=35 кВ.
. Выбор по длительному току:
.1. Ток нормального режима:
.2.Ток аварийного режима:
Iавар.р. = 2∙Iнорм.р. = 2∙165
= 330 А
Iнорм. р. ≤ Iном. = 165А <
630А
Iавар.р ≤ Iном = 330А <
630А
. Выбор по отключающей способности:
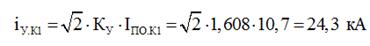
IПО.К1. ≤ I откл,ном = 10,7 кА
< 25кА
Условие соблюдается.
. Выбор по электродинамической
стойкости:
IУ.К1 ≤ iдин = 24,3кА
< 64кА
Условие соблюдается.
.Выбор по термической стойкости:
Bк ≤ I2тер ∙ tтер
Вном. = I2 ∙ tоткл. = 252
∙ 4 = 2500кА2 ∙ с
tоткл. = (tрза + tоткл.вык. + Та)
= 3,5 + 0,15 + 0,02 = 3,67сек.
Вк.к1 = I2п,о. ∙ tоткл. = 10,72
∙ 3,67 = 420,18 кА2 ∙ с
420,18 кА2 ∙ с <
2500кА2 ∙ с
Условие соблюдается.
Так как выключатель прошёл по всем
параметрам, то окончательно выбираем выключатель на высокой стороне 35 кВ
МКП-35М-630-25АУ1.
.11 Выбор разъединителей 35 кВ
Разъединители выбирают по тем же
параметрам, что и выключатель, кроме условия отключающей способности.
Выберем разъединитель РНДЗ - 1 - 35
/ 630 - У1
Uном. = 35кВ, Iном. = 1000А, Iдин,ст. = 63кА, Iтерм. = 25/4кА∙с
. Выбор по напряжению:
Uуст. ≤ Uном = 35 кВ=35
кВ.
. Выбор по длительному току:
.1. Ток нормального режима:
.2. Ток аварийного режима:
Iавар.р. = 2∙Iнорм.р. = 2∙165
= 330 А
Iнорм. р. ≤ Iном. = 165 А <
630 А
Iавар.р ≤ Iном = 330 А <
630 А
Все условия соблюдаются.
. Выбор по электродинамической
стойкости:
iук1 ≤ iдин = 10,7кА
< 63кА
Условие соблюдается.
. Выбор по термической стойкости:
Bк.к1 ≤ I2тер ∙ tтер = 252
∙ 4 = 2500кА2∙с
,18 кА∙с < 2500кА2∙с
Условие соблюдается.
Разъединитель проходит по всем
параметрам, принимаем окончательно РНДЗ - 1 - 35 / 630.
2.12 Выбор аппаратов для защиты от
перенапряжений
Ограничители перенапряжений нелинейные типа ОПН
- У - 35 предназначены для защиты от грозовых и коммутационных перенапряжений
электрооборудования. В электрических сетях 35 кв с изолированной нейтралью
постоянно происходят процессы, которые отрицательно отражаются на работе
электрооборудования:
феррорезонансные процессы;
коммутационные перенапряжения;
переходные процессы;
Причинами, вызывающими эти процессы являются:
- короткие замыкания;
дуговые замыкания на землю;
неполнофазная коммутация;
Коммутация ненагруженных трансформаторов;
Обрыв проводов.
Для защиты от перенапряжений
выберем ограничитель перенапряжений
ОПН - У - 35 /40,5/10/1-III
УХЛ1 Uпроб. =40,5
кВ, Uимп. =
116 кВ.
По сравнению с вентильными разрядниками
ограничители перенапряжений обладают следующими преимуществами:
· глубоким уровнем ограничения всех
видов перенапряжений;
· отсутствием сопровождающего тока
после затухания волны перенапряжения;
· простотой конструкции и высокой
надежностью в эксплуатации;
· стабильностью характеристик и
устойчивостью к старению;
· способностью к рассеиванию больших
энергий;
· стойкостью к атмосферным
загрязнениям;
· малыми габаритами, весом и
стоимостью.
.13 Выбор выключателей 10 кВ
.13.1 Выбор секционного и вводных выключателей
Выбираем вакуумные выключателями производства
Таврида-Электрик с параметрами Uном
=
10кВ, Umax
=
12кВ, Iном. =
1600А, Iном,откл. =
12,5 кА, Iу =
20кА, Вк = 10/3 кА∙с.
. Выбор по напряжению:
Uуст. ≤
Uном =
10 кВ=10,5 кВ.
. Выбор по длительному току:
.1. Ток нормального режима:
.2. Ток аварийного режима:
Iавар.р. = 2∙Iнорм.р. = 2∙578
= 1156 А
Iнорм. р. ≤ Iном. = 578 А <
1600А
Iавар.р ≤ Iном = 1156А <
1600А
Все условия соблюдаются.
. Выбор по отключающей способности:
IПО.К2 ≤ I откл,ном = 5,82кА
< 12,5кА
Условие соблюдается.
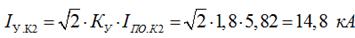
. Выбор по электродинамической
стойкости:
IУ.К2 ≤ iдин = 14,8кА
< 20кА
Условие соблюдается.
. Выбор по термической стойкости:
Bк ≤ I2тер ∙ tтер
Вном. = I2 ∙ tоткл. = 102
∙ 3 = 300кА2 ∙ с
tоткл. = ( tрза. + tоткл.выкл + Та) = 2,8
+ 0,08 + 0,045 = 2,925 сек.
Вк.к2 = I2п,о. ∙ tоткл. = 5,822
∙ 2,925 = 110 кА2 ∙ с
кА2 ∙ с < 300кА2
∙ с
Условие соблюдается.
Так как выключатель прошёл по всем
параметрам, то окончательно выбираем для вводных и секционного вакуумные
выключатели на стороне 10 кВ производства Таврида-Электрик типа ВВ/TEL -
10-20/1600.
.13.2 Выбор выключателей на
отходящих фидерах
Выбираем вакуумные выключателями
производства Таврида-Электрик; Uном = 10кВ, Umax = 12кВ, Iном. = 630А, Iном,откл. = 12,5 кА, Iу = 20кА, Вк =
10/3 кА∙с
Отходящие фидера будут питать: жилой
сектор. Исходя из того, что максимальная мощность нагрузки фидера 2500 кВА,
определим Iнорм. и Iав.р. на
отходящих фидерах.
При выборе оборудования Iк.з. берём для
точки К2.
. Выбор по напряжению:
Uуст. ≤ Uном = 10
кВ<10,5 кВ.
. Выбор по длительному току:
.1. Ток нормального режима:
.2. Ток аварийного режима:
Iавар.р. = 2∙Iнорм.р. = 2∙144,5
= 289 А
Iнорм. р. ≤ Iном. = 144,5 А
< 630А
Iавар.р ≤ Iном = 289 А <
630 А
Все условия соблюдаются.
. Выбор по отключающей способности:
Iп.о.к2 ≤ I откл,ном = 5,82кА
< 12,5кА
Условие соблюдается.
. Выбор по электродинамической
стойкости:
iук2 ≤ iдин = 14,8кА
< 20кА
Условие соблюдается.
.Выбор по термической стойкости:
Bк ≤ I2тер ∙ tтер
Вном. = I2 ∙ tоткл. = 102
∙ 3 = 300кА2 ∙ с
tоткл. = ( tрза. + tоткл.выкл + Та) = 1,8
+ 0,08 + 0,045 = 1,925сек.
Вк.к2 = I2п,о. ∙ tоткл. = 5,822
∙ 1,925 = 76,04 кА2 ∙ с
76,04 кА2 ∙ с <
300 кА2 ∙ с
Условие соблюдается.
Так как выключатель прошёл по всем
параметрам, то окончательно выбираем для отходящих фидеров вакуумные выключатели
на стороне 10 кВ Таврида-Электрик ВВ/TEL -
10-20/630.
.14 Выбор измерительных
трансформаторов тока
.14.1 Выбор измерительного
трансформатора тока на вводные и секционные ячейки
Выбираем трансформатор тока ТОЛ 10 -
УХЛ2. Трансформаторы тока ТОЛ-10 предназначены для изолирования цепей вторичных
соединений от высокого напряжения, для передачи сигнала измерительной
информации измерительным приборам и устройствам защиты и управления в
комплектных устройствах внутренней и наружной установок (КРУ, КРУН и КСО) в
сетях переменного тока напряжением до 10 кВ
Iном.перв. =
600А, Iном.втор. =
5А, Iдин.ст. =
52 кА, Iтерм.ст.=
28,3/3кА2∙с
1. Выбор по напряжению:
Uуст. ≤
Uном =
10 кВ = 10 кВ.
. Выбор по длительному току:
Максимальный рабочий ток для секционного выключателя
а
Iмакс ≤ Iном =578 А <
600А
Все условия соблюдаются.
. Выбор по электродинамической
стойкости:
iу.к2 ≤ iдин = 14,8 кА
< 74,5 кА
Условие соблюдается.
.Выбор по термической стойкости:
Bк ≤ I2тер ∙ tтер = 28,32
∙ 3 = 2402,6кА2∙с
Вк.К2 = I2п,о. ∙ tоткл. = 5,822
∙ 3,245 = 110 кА2 ∙ с
кА2∙с < 2402,6
кА2∙с
Условие соблюдается.
. Расчёт по вторичной нагрузке.
Чтобы трансформатор тока (ТА)
работал в своём классе точности, вторичная нагрузка ТА не должна превышать номинальных
значений.
Номинальная нагрузка, класс точности
0,5 составляет 0,4 Ом. Вторичная нагрузка ТА приведена в таблице 2 (для вводной
ячейки).
Таблица 2 - Вторичная нагрузка ТТ
Прибор
Тип
Нагрузка,
ВА, фазы А С
Амперметр
Ваттметр Счетчик активно-реактивный
Э-350
ЦП8506/23 СЭТ-4ТМ.03
0,5
0,5 0,5
0,5
0,5
Итого
1,5
1
Так, как наиболее загружена фаза А, Sприб.
=
1,5ВА, определим rприб.
rпров.= r2ном - rприб. - rк = 0.4 - 0.06
- 0.05 = 3,89 Ом(31)
Принимаем длину проводов, l = 10 м.
Определим lрасч., при
соединении ТТ в неполную звезду.
Lрасч. = √3 ∙
l = √3 ∙
10 = 17.3м(32)
Определим сечение ( Принимаем контрольный кабель по ГОСТ
ВВГ 7 х 2,5мм2
.14.2 Выбор измерительного
трансформатора тока на отходящих линиях
Выбираем трансформатор тока ТОЛ 10 -
УХЛ2 (рис.2).
Iном.перв. =
200А, Iном.втор. =
5А.
Рисунок 2. - Нагрузка трансформаторов тока.
. Выбор по напряжению:
Uуст. ≤
Uном =
10 кВ = 10 кВ.
. Выбор по длительному току:
Максимальный рабочий ток отходящей линии:
Iмакс
≤ Iном =144,5
А < 200А
Условие соблюдается.
. Выбор по электродинамической стойкости:
Iу.к2 ≤
Iдин.ст.
Iу.к2. ≤
√2 ∙ Кдин.ст. ∙ I1
ном.
,82 ≤ √2 ∙ 250 ∙ 0,2 =
70,7 кА
Условие соблюдается
. Выбор по термической стойкости:
Bк.К2. ≤
Вк.ном.
Вк.ном. ≤ (Ктер. ∙
I1 ном.)2
∙ tтерм. =
(45 ∙ 0,2)2 ∙ 3 = 243 кА2∙с
кА2 ∙ с ≤ 243 кА2∙с
Условие соблюдается.
. Расчёт по вторичной нагрузке.
Определим сопротивление подключаемых приборов и
сечение соединительных проводов.
Счётчик активно-реактивный СЭТ-4ТМ.03, Sоб.
=
0,5 ВА
Определим загрузку фаз (таблица 3).
Таблица 3 - Нагрузка трансформатора тока
А
С
А
0.5
-
Wh
0.5
0.5
Определим сопротивление приборов:
Определим сопротивление контактов:
rконт. = 0,05 Ом
Определим сопротивление проводов:
rпров. = rном. - rприб. - rконт. = 0,4 - 0,04
- 0,05 = 3,91 Ом
где rном = 0,4Ом -
номинальная нагрузка трансформатора тока.
Приборы стоят в ячейке, длина кабеля l
= 3м., при соединении в неполную звезду расчетная длина:
Lрасч. =
√3 ∙ l = √3 ∙
3 = 5,19 м
Определим расчётное сечение:
Исходя из требований ПУЭ, F
ГОСТ = ВВГ 7 х 2,5 мм2
.15 Выбор трансформаторов напряжения
Трансформатор напряжения предназначен для
питания цепей РЗА, а также для питания обмоток напряжения приборов. Выбираем
трёхфазные антирезонансные трансформаторы напряжения НАМИ-10.
. Выбор по напряжению:
Uуст. ≤
Uном =
10 кВ = 10 кВ.
. Выбор по конструкции и схеме соединения
обмоток:
Трансформаторы напряжения устанавливаются в
распределительных устройствах трансформаторных подстанций для питания обмоток
напряжения приборов учёта и контроля, аппаратов релейной защиты и
подстанционной автоматики.
Для измерения напряжений и контроля изоляции фаз
относительно земли в сетях с малыми токами замыкания на землю (10 кВ)
устанавливают трехобмоточные пятистержневые трансформаторы напряжения НАМИ с
обязательным заземлением нулевой точки.
. Выбор по классу точности:
Класс точности для питания счётчиков принимается
равным 0,2.
. Выбор по вторичной нагрузке:
Класс точности TV
зависит от нагрузки, с увеличением нагрузки класс точности снижается.
Для подключения расчётных счётчиков TV
класс точности не ниже - 0,5, отсюда Sнлм.
=
120 ВА.
. Определим вторичную нагрузку на TV
(таблица 4).
Таблица 4 - Вторичная нагрузка TV
Прибор
Тип
S, ВА
Число
приборов
Общая
потребляемая мощность, ВА
Вольтметр
(сборные шины)
Э-335
2
1
2
Ваттметр
Ввод
10 кВ от трансформатора
ЦП8506/23
5
1
5
Счетчик
активно-реактивный
СЭТ-4ТМ.03
0,5
1
0,5
Счетчик
активно-реактивный
Линии
10 кВ
СЭТ-4ТМ.03
0,5
4
2
Итого
9,5
. Определим суммированную нагрузку на TV
по таблице 4.
S2 ном. = 120 ВА
> S2.Σ.= 9,5 ВА
Выбор трансформаторов напряжения на
второй секции шин производится аналогично.
2.16 Выбор трансформатора
собственных нужд
Трансформаторы собственных нужд на
подстанции необходимы для питания: электроосвещения, подогрева КРУН, подогрева
масляных выключателей, для питания цепей управления и сигнализации.
Трансформатор собственных нужд -10
кВ, получает питание от секции шин 10 кВ и преобразует напряжение 0,4 кВ в 0,22
кВ. Нейтраль глухо заземлена. Выбираем трансформатор ТМ-63/10.
.17 Расчет заземления
Все металлические части
электроустановок, нормально не находящиеся под напряжением, но могущие
оказаться под напряжение из-за повреждения изоляции, должны надежно соединятся
с землей.
В электрических установках
заземляются: корпуса электрических машин, трансформаторов, аппаратов, вторичных
обмоток измерительных трансформаторов, приводы электрических аппаратов, каркасы
распределительных щитов, пультов, шкафов, металлические конструкции
распределительных устройств, металлические корпуса кабельных муфт,
металлические оболочки и броня кабелей, проводов, металлические конструкции
зданий и сооружений и другие металлические конструкции, связанные с установкой
электрооборудования.
В землю погружаются круглые
электроды из чёрной стали, для вертикальных заземлителей, Диаметр 16 мм2,
рекомендуемая длина = 5 метров.
Для лучшего стекания токов короткого
замыкания в землю, расстояние между электродами должно быть не меньше длины
электродов, если электродов недостаточно, то делается второй контур заземления,
который заземляется между собой.
Для горизонтальных заземлителей,
которые соединяют между собой электроды заземления, может использоваться
прямоугольная полоса, поперечного сечения не менее 100 мм2, толщина
стенки не менее 4мм.
Сопротивление заземления Rз - зависит
от режима нейтралей сети, при U ≥ 110
кВ, Iз ≥ 500
А сопротивление Rз ≤ 0,5
Ом.
Если на подстанции устанавливаются
трансформаторы с разными режимами работы нейтралей и несколько напряжений, то Rз выбирается
самое меньшее.
При расчётах заземления ПС 35/10
считаем, что заземлители будут только искусственными.
Определим расчётное удельное
сопротивление грунта.
Подстанция строится на суглинистом
грунте ρ
= 150 ОМ∙м
ρрасч. = κсез. ∙ ρгр.(34)
Κсез. - берём из
ПУЭ.
ρрасч. = 1,45 ∙
150 = 217,5 Ом ∙ м
Определим число вертикальных
заземлителей
Ширина ПС = 25м, длина = 35м.
Определим периметр - l = 2 ∙
25 + 2 ∙ 35 = 120 м.
Определим число электродов по
периметру:
Определим сопротивление одного
заземлителя:
Определим число вертикальных
заземлителей:
Определим сопротивление
заземлительной полосы:
Сопротивление заземлительной полосы
с учетом коэффициента полосы:
Определим сопротивление вертикальных
заземлителей:
Определим уточнённое число стержней:
Окончательно принимаем 17 вертикальных
заземлителей 5х16 мм2, и полосу 40х4.
2.18 Расчет грозозащиты
Устанавливаем четыре молниеотвода. Воздушные
линии приходят на порталы. Молниеотводы устанавливаем на краях шинных порталов
35 кВ и два отдельностоящих.
. Определим высоту защищаемого объекта (шинного
портала 35 кВ )
Высота защищаемого объекта (шинного портала), hx
=
7 м.
.1 Определим расстояние между молниеотводами: а
= 16,5м.
.2 Берем высоту молниеотвода h
= 10 м.
.3 Определим провис молниеотвода hо
из формулы
h = hо+а/7Кр(42)
Кр = 5,5/√h
= 5.5/√10 =1.74(43)
hо=
h- а/7Кр=
10-16,5/(7*1.74) =8,77 м.(44)
Высота провиса hо
= 8,77м > высоты защищаемого объекта, hx
= 7 м.
Объект защищен.
. Определим высоту защищаемого объекта (КРУН-10
кВ).
высоты защищаемого объекта, hx
= 3м. rx
=10 м.
.1 Определим расстояние от верхней точки КРУН-10
кВ до верхней точки молниеотвода hа
hа =h-hx
= 10-3 = 7м.(45)
.2 Определим радиус защиты молниеотвода
На высоте трех метров,
отдельностоящий молниеотвод установленный возле КРУН защищает в радиусе 13м,
КРУН входит в зону защиты.
3. Специальная часть
Определим защиту бака расширителя
трансформатора
Определим отношение а = 15м к hа hа=h-hx=10-5=5м.
.Определим отношение
. Определим отношение: Из формулы следует
bx=0.7∙2∙ha=0.7∙2∙5=7
м.
На высоте 5 метров, отдельностоящий
молниеотвод установленный возле КРУН 10 кВ защищает объекты в радиусе 7м, бак
расширителя трансформатора входит в зону защиты.
. Зона защиты четырех стержневых
молниеотводов, условие защиты всей площади.
d ≤ h ∙ ha = 10 ∙
5 = 50м.(47)
Площадь подстанции
d = √352
+252 = 43м
Площадь подстанции меньше площади защиты
молниеотвода, следовательно, подстанция защищена.
Окончательно принимаем молниеотводы
высотой десять метров.
4. Экономическая часть
.1 Технико-экономическое сравнение
вариантов при выборе силовых трансформаторов Рассмотрим первый вариант - установка трех
силовых трансформаторов мощностью 6300 кВА.
Рассчитаем суммарные потери мощности в
трансформаторе:
Суммарные потери активной мощности в
трансформаторе Суммарные потери реактивной мощности
в трансформаторе Рассчитаем суммарные потери мощности
в трех трансформаторе:
Определяем приведенные потери в двух
трансформаторах с учетом того, что при передаче 1 единицы реактивной мощности
теряется 0,06 единицы активной мощности:
Определяем стоимость приведенных
потерь при удельной стоимости потерь 0,8 руб./кВт и числе часов использования
максимальной нагрузки в год равном 3000 ч:
Капитальные затраты на
трансформаторы в год:
Стоимость амортизационных отчислений
на трансформаторы при норме амортизационных отчислений Ка=0,6:
Определяем приведенные затраты на 1
год первого варианта:
Рассмотрим второй вариант -
установка двух силовых трансформаторов мощностью 10000 кВА.
Суммарные потери активной мощности в
трансформаторе Суммарные потери реактивной мощности
в трансформаторе Рассчитаем суммарные потери мощности
в двух трансформаторе:
Определяем приведенные потери в двух
трансформаторах с учетом того, что при передаче 1 единицы реактивной мощности
теряется 0,06 единицы активной мощности:
Определяем стоимость приведенных
потерь при удельной стоимости потерь 0,8 руб./кВт и числе часов использования
максимальной нагрузки в год равном 3000 ч:
Капитальные затраты на трансформаторы
в год:
Стоимость амортизационных отчислений
на трансформаторы при норме амортизационных отчислений Ка=0,6:
Определяем приведенные затраты на 1
год второго варианта:
По результатам технико-экономических
расчетов вариант 2 с установкой двух силовых трансформаторов экономически более
выгоден.
.2 Оплата труда и расчет годового
фонда заработной платы обслуживающего персонала
Оплата труда работников на
предприятии является основной формой их вознаграждения за результаты труда и
стимулирования его количественных и качественных показателей. Заработная плата
каждого работника зависит от его квалификации, сложности выполняемой работы, количества
и качества затраченного труда и максимальным размером не ограничивается.
Чтобы заинтересовать работников в
улучшении трудовых показателей, нужно выплачивать им достойную заработную
плату. А для того чтобы работники были довольны своей зарплатой и могли влиять
на ее повышение, добиваясь лучших результатов, необходимо правильно выбрать
систему оплаты труда.
Оплата труда - это
система отношений, связанных с обеспечением установления и осуществления
работодателем выплат работникам за их труд. Система оплаты труда работников
организаций фиксируется в коллективных договорах, соглашениях, локальных
нормативных актах организаций и в трудовых договорах.
Выбор системы оплаты труда - важный
шаг для любой организации. Эта система должна быть достаточно простой и ясной,
чтобы каждый работник видел зависимость между производительностью и качеством
своего труда и получаемой заработной платой. При повременной
оплате труда заработок работника определяется исходя из фактически
отработанного им времени и тарифной ставки.
Под тарифной ставкой понимается размер
вознаграждения за труд определенной сложности, произведенный в единицу времени.
Тарифная система оплаты труда - это совокупность
нормативов, позволяющих дифференцировать заработную плату работников различных
категорий.
Тарифная сетка - совокупность тарифных разрядов,
определенных в зависимости от сложности работ и квалификационных характеристик
работников с помощью тарифных коэффициентов.
Основными разновидностями повременной оплаты
труда являются простая повременная и повременно-премиальная оплата труда.
При простой повременной оплате труда в основу
расчета размера оплаты труда работника берется тарифная ставка или должностной
оклад согласно штатному расписанию организации и количество отработанного
работником времени. При повременно - премиальной оплате труда предусматривается
начисление и выплата премии, устанавливаемой в процентах от должностного оклада
на основании разработанного в организации положения о премировании работников
или коллективного договора.
5. Охрана труда и техника безопасности
.1 Охрана окружающей среды
При длительном протекании тока короткого
замыкания через силовой трансформатор происходит перегрев масляной изоляции,
что может привести как к вытеканию масла, так и пожару. Утечка трансформаторного
масла может существенно повлиять на флору, находящуюся на территории
подстанции, а горение нефтепродуктов приводит к существенному загрязнению
атмосферы.
Рассмотрим меры, применяемые для предупреждения
разлива трансформаторного масла, а также для предупреждения выбросов в
атмосферу продуктов его горения.
Для предотвращения растекания масла и
распространения пожара при повреждении трансформатора маслоприемник,
маслоотводы и маслосборники выполнены с соблюдением следующих требований:
габариты маслоприемника выступают за габариты
единичного электрооборудования на 1,5 метра. Объем маслоприемника рассчитан на
одновременный прием 100 % масла, содержащегося в корпусе трансформатора;
устройство маслоприемников и маслоотводов
исключает переток масла (воды) из одного маслоприемника в другой, растекание
масла по кабельным и другим подземным сооружениям, распространение пожара,
засорение маслоотвода и забивку его снегом, льдом и т.п.;
для устанавливаемых трансформаторов (мощностью в
10 МВА каждый) маслоприемники выполнены с отводом масла;
маслоприемники с отводом масла выполнены
заглубленного типа (дно ниже уровня окружающей планировки земли), при этом нет
необходимости выполнения бортовых ограждений. Дно маслоприемника засыпано
крупным чистым гравием;
маслоотводы обеспечивают отвод на безопасное в
пожарном отношении расстоянии от оборудования и сооружений из маслоприемника
масла и воды, применяемых для тушения пожара автоматическими стационарными
устройствами, причем 50 % масла и полное количество воды удаляется менее чем за
0,5 часа. Маслоотводы выполнены в виде открытых кюветов и лотков; маслосборники
рассчитаны на полный объем масла и выполнены закрытого типа.
Для нормальной эксплуатации подстанции (осмотры,
оперативные переключения, устранение аварий) необходимо выполнение наружного
освещения. Для наружного освещения могут применяться любые источники света.
Осветительные приборы (светильники, прожекторы) подстанции устанавливаются на
порталы. Питание освещения выполняется непосредственно от трансформатора собственных
нужд.
.2 Противопожарные мероприятия на подстанции
Особенности подстанций и характер сооружений
требует при проектировании принятия мер по защите оборудования и помещения
службы РЗиА при пожаре. К пожароопасному оборудованию относят все типы трансформаторов,
выключателей, панелей защит, шкафы КРУН.
Ответственным за выполнение правил пожарной
безопасности на территории подстанции является мастер группы подстанций.
Подстанция должна быть укомплектована инвентарем
согласно перечня комплектации (табл.7) средств пожаротушения, находящимся в
исправном состоянии.
При возгорании на ПС дежурный, до прибытия
пожарного подразделения, обязан своими силами и средствами препятствовать
распространению очага пожара, а при необходимости, произвести отключение.
Гравийная подсыпка под трансформатор должна быть
не замасленной, а при необходимости, промыта и заменена.
.3 Электробезопасность при обслуживании
электрооборудования подстанции
Администрация предприятия обязана создать на
рабочем месте условия, отвечающие правилам по охране труда, обеспечить
средствами защиты и организовать изучение ими инструкции по охране труда.
На каждом предприятии должны быть разработаны и
доведены до сведения всего персонала безопасные маршруты следования по
территории предприятия к месту работы и планы эвакуации на случай пожара и
аварийной ситуации.
Электромонтер обязан:
• соблюдать требования настоящей инструкции по
охране труда;
• немедленно сообщать своему непосредственному
руководителю, а при его отсутствии - вышестоящему руководителю о происшедшем
несчастном случае и обо всех замеченных им нарушениях требований Инструкции, а
также о неисправностях сооружений, оборудования и защитных устройств;
• помнить о личной ответственности за
несоблюдение требований техники безопасности;
• содержать в чистоте и порядке рабочее место и
оборудование;
• обеспечивать на своем рабочем месте
сохранность средств защиты, инструмента, приспособлений, средств пожаротушения
и документации по охране труда.
Запрещается выполнять распоряжения,
противоречащие требованиям инструкции по охране труда и "Межотраслевым
правилам по охране труда (правила безопасности) при эксплуатации
электроустановок". - М.: «Издательство НЦ ЭНАС», 2001.
Общие требование безопасности
К работе допускаются лица не моложе 18 лет, прошедшие
предварительный медицинский осмотр и не имеющие противопоказаний к выполнению
вышеуказанной работы.
Электромонтер при приеме на работу должен пройти
вводный инструктаж. До допуска к самостоятельной работе электромонтер должен
пройти:
• первичный инструктаж на рабочем месте;
• проверку знаний настоящей Инструкции по охране
труда;
• действующей Инструкции по оказанию первой
помощи пострадавшим в связи с несчастными случаями при обслуживании
энергетического оборудования; по применению средств защиты, необходимых для
безопасного выполнения работ; ПБ,
• обучение по программам подготовки по
профессии.
Допуск к самостоятельной работе должен
оформляться соответствующим распоряжением по структурному подразделению
предприятия.
Вновь принятому электромонтеру выдается
квалификационное удостоверение, в котором должна быть сделана соответствующая
запись о проверке знаний инструкций и правил, право на выполнение специальных
работ.
Квалификационное удостоверение для дежурного
персонала во время исполнения служебных обязанностей должно находиться при
себе.
Электромонтеры, не прошедшие проверку знаний в
установленные сроки, к самостоятельной работе не допускаются.
Электромонтер в процессе работы обязан
проходить:
• повторные инструктажи - не реже одного раза в
месяц;
• проверку знаний Инструкции по охране труда и
действующей Инструкции по оказанию первой помощи пострадавшим в связи с
несчастными случаями при обслуживании энергетического оборудования один раз в
год;
• медицинский осмотр - один раз в два года;
• проверку знаний «Межотраслевых правил по
охране труда (правил безопасности) при эксплуатации электроустановок»- один раз
в год.
При нарушении правил техники безопасности в
зависимости от характера нарушений проводится внеплановый инструктаж или
внеочередная проверка знаний.
При несчастном случае электромонтер обязан
оказать первую помощь пострадавшему до прибытия медицинского персонала. При
несчастном случае с самим электромонтером, в зависимости от тяжести травмы, он
должен обратиться за медицинской помощью в здравпункт или сам себе оказать
первую помощь (самопомощь).
Каждый электромонтер должен знать местоположение
аптечки и уметь ею пользоваться.
Во избежание попадания под действие
электрического тока не следует наступать или прикасаться к оборванным,
свешивающимся проводам.
В зоне обслуживания оборудования могут иметь
место следующие опасные и вредные производственные факторы:
• повышенное значение напряжения в электрической
цепи;
• недостаточная освещенность рабочей зоны;
• расположение рабочего места на значительной
высоте относительно поверхности земли (пола);
• пониженная температура воздуха.
Для защиты от воздействия вредных и опасных
факторов необходимо применять следующие средства защиты.
Для защиты от поражения электрическим током
служат следующие защитные средства: указатели напряжения; слесарно-монтажный
инструмент с изолирующими рукоятками для работы в электроустановках напряжением
до 1000 В; диэлектрические перчатки, боты, галоши, ковры, изолирующие накладки
и подставки; переносные заземления; оградительные устройства и диэлектрические
колпаки; плакаты и знаки безопасности.
При работе на высоте более 1,3 м над уровнем
земли, пола, площадки необходимо применять предохранительный пояс.
Для защиты головы от ударов случайными
предметами в помещениях с действующим энергооборудованием, в ЗРУ, ОРУ,
колодцах, камерах, каналах и туннелях, строительных площадках и ремонтных зонах
необходимо носить защитную каску, застегнутую подбородным ремнем.
При недостаточной освещенности рабочей зоны
следует применять дополнительное местное освещение.
Работу при низкой температуре следует выполнять
в теплой спецодежде и чередовать по времени с нахождением в обогреваемом
помещении.
Электромонтер должен работать в спецодежде и
применять средства защиты, выдаваемые в соответствии с действующими отраслевыми
нормами.
Требования безопасности перед началом работы.
При приемке смены электромонтер по обслуживанию
подстанции обязан:
• привести в порядок спецодежду, рукава
застегнуть, одежду заправить так, чтобы не было свисающих концов. Запрещается
засучивать рукава спецодежды;
• ознакомиться со всеми записями и
распоряжениями за время, прошедшее с предыдущего дежурства;
• получить сведения от сдающего смену о
состоянии оборудования, за которым надо вести наблюдение и об оборудовании,
находящемся в ремонте и резерве, об изменениях в схемах, происшедших за период
от предыдущей смены. Получить инструктаж при изменении схемы с записью в
журнале распоряжений;
• проверить регистрацию всех работ, выполняемых
по нарядам и распоряжениям и количество бригад, работающих по ним;
• проверить и принять дежурную спецодежду,
защитные средства, приборы, инструмент, ключи от помещений, документацию по
оперативной работе;
• доложить непосредственному руководителю в
смене о заступлении на дежурство и о недостатках, выявленных при приемке смены;
• оформить приемку смены записью в оперативном
журнале.
Приемка смены во время оперативных переключений
и ликвидации аварий допускается только с разрешения вышестоящего оперативного и
административно-технического персонала.
При проверке исправности и пригодности средств
защиты, приспособлений обратить внимание на:
• отсутствие внешних повреждений (целостность
лакового покрова изолирующих средств защиты; отсутствие проколов, трещин,
разрывов у диэлектрических перчаток и бот; целостность стекол у защитных очков;
• дату следующего испытания (срок годности
определяется по штампу).
Исправность указателя напряжения выше 1000 В
можно проверить на заведомо действующей электроустановке или специальным
прибором для проверки указателей.
Необходимо проверить наличие и исправность
инструмента, который должен соответствовать следующим требованиям:
• рукоятки плоскогубцев, острогубцев и кусачек
должны иметь защитную изоляцию;
• рабочая часть отвертки должна быть хорошо
заострена, на стержень отвертки надета изоляционная трубка, оставляющая
открытой только рабочую часть.
Рабочий инструмент следует хранить в переносном
инструментальном ящике или сумке.
При выполнении работы на высоте с использованием
переносной деревянной лестницы необходимо убедиться в ее исправном состоянии.
На нижних концах ее должны быть оковки с острыми наконечниками для установки на
грунте, а при использовании лестницы на гладких поверхностях на них должны быть
надеты башмаки из резины или другого нескользящего материала.
При работе на высоте с применением лестниц у ее
основания должен стоять работник в каске и обеспечить безопасное производство
работ работнику, находящемуся на лестнице. Запрещается при спуске с лестницы
переходить на элементы ограждений и другие любые конструкции. Спуск должен
производиться непосредственно на поверхность, на которой установлена лестница.
Заключение о состоянии пострадавшего и
возможности продолжения им работ при обстоятельствах, связанных с
травмированием работников (падение с высоты, получение ушибов головы, других
органов, даже если нет явных признаков повреждения органов и кожных покровов),
могут принимать только медицинские работники, вызов скорой помощи в подобных
случаях обязателен. Проходы на площадках и рабочих местах для подхода к лестнице
должен быть: ширина одиночного прохода к местам и на рабочих местах должна быть
не менее 1.6 м, высота в свету - не менее 1.8 м;
При работе с подвесных, приставных и раздвижных
лестниц на высоте более 1.3 м, следует применять предохранительный пояс,
который закрепляется за конструкцию сооружения или лестницу, при условии
надежного крепления ее к конструкции.
При работе с использованием электрозащитных
средств (изолирующие штанги, клещи, указатели напряжения и т.п.) допускается
приближение человека к токоведущим частям на расстояние, определяемое длиной
изолирующей части этих средств.
Во время проведения осмотров запрещается
производить переключения, снимать плакаты и ограждения, выполнять какую-либо
работу или уборку.
При работах на участках отключенных токоведущих
частей их необходимо заземлять.
Все работы в электроустановках выполняются по
наряду или распоряжению.
Работы, выполняемые в порядке текущей
эксплуатации, определяются перечнем, утвержденным на предприятии.
Единолично по распоряжению электромонтеру с
группой III можно выполнять:
• уборку и благоустройство территории ОРУ;
• возобновление надписей на кожухах оборудования
и ограждениях вне камер РУ;
• наблюдение за сушкой трансформаторов;
• обслуживание маслоочистительной и прочей
вспомогательной аппаратуры при очистке и сушке масла;
• работы на электродвигателях и механической
части вентиляторов и маслонасосах трансформаторов;
• проверку воздухоочистительных фильтров и
замену сорбентов в них;
• ремонт и обслуживание осветительной
аппаратуры, расположенной вне камер РУ на высоте до 2,5 м.
Подготовка рабочих мест и допуск бригад
проводится только после получения разрешения вышестоящего оперативного
персонала в соответствии с требованиями наряда.
При выполнении эксплуатационных работ на
токоведущих частях, находящихся под напряжением до 1000 В, необходимо:
• оградить расположенные вблизи рабочего места
другие токоведущие части, находящиеся под напряжением, к которым возможно
случайное прикосновение;
• работать в диэлектрических галошах или стоя на
изолирующей подставке, либо на диэлектрическом ковре;
• применять инструмент с изолирующими рукоятками
(у отверток должен быть изолирован стержень); при отсутствии такого инструмента
пользоваться диэлектрическими перчатками.
Запрещается работать в одежде с короткими или
засученными рукавами, а также пользоваться ножовками, напильниками,
металлическими метрами и т.п.
При замыкании на землю в электроустановках 6-35
кВ приближаться к обнаруженному месту замыкания на расстояние менее 4 м в ЗРУ и
менее 8 м в ОРУ допускается только для оперативных переключении с целью
локализации повреждения и освобождения людей, попавших под напряжение. При этом
следует пользоваться электрозащитными средствами (диэлектрическими ботами,
галошами, перчатками).
Для исключения ошибок, и обеспечения
безопасности операций перед выполнением переключении электромонтер должен
осмотреть электроустановки, на которых предполагаются операции, проверить их
соответствие выданному заданию.
Перед тем как отключить или включить
разъединитель, отделитель необходимо тщательно их осмотреть.
При обнаружении у коммутационных аппаратов
трещин на изоляторах и других повреждениях - операции с ними запрещаются.
При включении - отключении коммутационных
аппаратов и наложении переносных заземлений (ПЗ) необходимо соблюдать следующие
меры безопасности:
• устанавливать переносные заземления должны не
менее двух человек; включать и отключать заземляющие ножи, снимать переносные
заземления допускается единолично;
• перед установкой переносных заземлений должно
быть проверено отсутствие напряжения на токоведущих частях (исправность
указателя напряжения должна быть проверена специальным прибором или на
действующей электроустановке);
• при установке ПЗ запрещается касаться
заземляющего спуска;
• переключения коммутационных аппаратов выше
1000 В с ручным приводом необходимо производить в диэлектрических перчатках.
Переключения без распоряжения или разрешения
вышестоящего оперативного персонала, но с последующим его уведомлением
разрешается выполнять в случаях, не терпящих отлагательства (несчастный случай,
стихийное бедствие, пожар).
Электромонтеру, непосредственно выполняющему
переключения, самовольно выводить из работы блокировки безопасности
запрещается.
Включение разъединителей ручным приводом
производят быстро, но без удара в конце хода. При появлении дуги ножи не
следует отводить обратно, так как при расхождении контактов дуга может
удлиниться и вызвать короткое замыкание. Операция включения во всех случаях
должна продолжаться до конца.
Отключение разъединителей, следует производить
медленно и осторожно. Вначале делают пробное движение рычагом привода для того,
чтобы убедиться в исправности тяг, отсутствии качаний и поломок изоляторов.
Если в момент расхождения контактов между ними
возникает сильная дуга, разъединители необходимо немедленно включить и до
выяснения причин образования дуги операции с ними не производить, кроме случаев
отключения намагничивающих и зарядных токов. Операции в этих случаях должны
производиться быстро, чтобы обеспечить погасание дуги на контактах.
При отключениях разъединителями (отделителями)
намагничивающего тока силовых трансформаторов, зарядного тока воздушных и
кабельных линий необходимо располагаться под защитным козырьком или за
ограждением.
При недовключении ножей рубильника запрещается
подбивать ножи и губки под напряжением. Для этого необходимо отключить
полностью сборку и обеспечить нормальное включение рубильника.
Запрещается прикасаться без применения
электрозащитных средств к изоляторам оборудования, находящегося под
напряжением.
При приближении грозы должны быть прекращены все
работы в ОРУ, КРУН на выводах и линейных разъединителях ВЛ.
Снимать и устанавливать предохранители
необходимо при снятом напряжении. Под напряжением и под нагрузкой можно
заменять предохранители трансформаторов напряжения.
При снятии и установке предохранителей под
напряжением необходимо пользоваться следующими средствами защиты:
• в электроустановках до 1000 В - изолирующими
клещами или диэлектрическими перчатками и защитными очками;
• в электроустановках выше 1000 В - изолирующими
клещами (штангой) с применением диэлектрических, перчаток и защитных очков.
Запрещается применять некалиброванные
предохранители. Предохранители должны соответствовать току и напряжению.
Отбор проб и доливка масла в масляные выключатели
и трансформаторы, протирка масломерных стекол и единичных изоляторов
производится только на отключенном оборудовании после соответствующей
подготовки рабочего места.
Измерение сопротивления изоляции мегаомметром
необходимо выполнять на отключенном оборудовании после снятия остаточного
заряда путем заземления оборудования.
Соединительные провода от мегаомметра следует
присоединять к токоведущим частям с помощью изолирующих держателей (штанг), а в
электроустановках выше 1000 В, кроме того, с применением диэлектрических
перчаток.
В электроустановках выше 1000 В пользоваться
указателем напряжения необходимо в диэлектрических перчатках.
Требования безопасности по окончании работы.
По окончании смены необходимо:
• закончить переключения;
• весь инструмент, приспособления, приборы и
средства защиты должны быть приведены в надлежащий порядок и размещены в
специальных шкафах и стеллажах;
• сообщить принимающему смену обо всех
изменениях и неисправностях в работе оборудования, которые происходили в
течение смены, о составе работающей бригады и месте проведения работы на
оборудовании подстанции по нарядам и распоряжениям;
• доложить о сдаче смены своему вышестоящему
дежурному персоналу и оформить росписью в оперативном журнале;
• снять спецодежду, убрать ее и другие средства
индивидуальной защиты в шкаф для рабочей одежды.
Литература
1. Коновалова Л.Л., Рожкова
Л.Д. Электроснабжение промышленных предприятий и установок, 1989.
. Межотраслевые правила по
охране труда (правила безопасности) при эксплуатации электроустановок, М. -
2006. - 180 с.
. Неклепаев Б.Н., Крючков
И.П. Электрическая часть станций и подстанций: Справочные материалы для
курсового и дипломного проектирования: Учебное пособие для вузов. - 4-е изд.,
перераб. и доп. - М.: Энергоатомиздат,1989. - 608 с.
. Рожкова Л.Д., Козулин В.С.
Электрооборудование станций и подстанций: Учебник для техникумов, 3-е изд.,
перераб. и доп. - М.: Энергоатомиздат, 1987. - 396 с.
.
. Рассчитаем
ток в аварийном режиме.
- расстояние между изоляторами шинной
конструкции;
- расстояние между фазами.
(24)
(30)
- плотность
для медных жил):
(33)
10,5
(35)
(36)
(37)
(38)
(39)
(40)
(41)
(46)

- взято из
таблицы.
:
.
:
.(47)
.(48)
.(49)
.(50)
(51)
:
.
:
.
.
.
.