Материал: Выбор резца и режима токарной обработки

Внимание! Если размещение файла нарушает Ваши авторские права, то обязательно сообщите нам

Выбор резца и режима токарной обработки

КУРГАНСКАЯ ГОСУДАРСТВЕННАЯ СЕЛЬСКОХОЗЯЙСТВЕННАЯ АКАДЕМИЯ

имени Т.С.Мальцева

Кафедра «Эксплуатации и ремонта машин»









РАСЧЕТНО-ПОЯСНИТЕЛЬНАЯ ЗАПИСКА

к заданию: Выбор резца и режима токарной обработки

Выполнил: Костылев А.А.

Группа: 3 группа, 6 подгруппа

Проверил: Шестопалов И.С.







КУРГАН 2013 г.

Вопрос 1. Выписать технические характеристики станка, паспортные данные


Вопрос 2. Выписать механические характеристики материала обрабатываемой детали

Материал обрабатываемой детали при отрезании 25ХГМ (хромомарганцевая сталь)  =1200 МПа, ГОСТ 4543-88

Вопрос 3. Выбрать способ закрепления заготовки на станке

Способ закрепления заготовки при отрезании с соотношением :

 =  =6,67

Берем « В патроне с поджимом центром »

Вопрос 4. Выбрать глубину резания

Глубина резанья при отрезании и шероховатости =165 равна длине главной режущей кромки резца :

a = 0,6

=4(мм).

Вопрос 5. Выбрать подачу и скорректировать её по паспорту станка

Подача при отрезании 25ХГМ резцом из твердого сплава при диаметре 45(мм), и глубине резанья =4(мм), =0,13 - 0,16(мм/об)

 → =*2 = 0,26 - 0,32(мм/об)

= 0,26; 0,27; 0,28; 0,29; 0,30; 0,31; 0,32.

По паспорту станка 1В62Г = 0,30(мм/об)

=0,15(мм/об).

Вопрос 6. Выбрать марку материала режущей пластины резца и марку материала державки

Марка материала режущей пластины резца Т15К6.

Марка материала державки Сталь 40Х ГОСТ 4543-88.

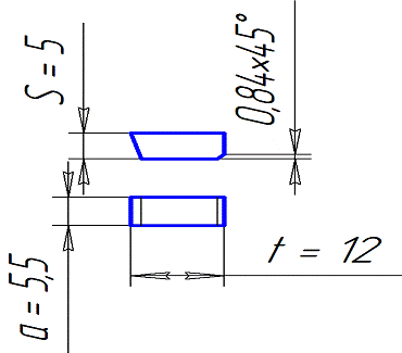
Вопрос 7. Выбрать тип резца, размеры резца, значения углов в плане, режущую пластину /дать эскиз со всеми размерами/, форму заточки /дать эскиз/, значения главных углов и угла наклона главной режущей кромки. Выполнить чертеж резца на формате А4

Резец из твердого сплава для отрезания: Тип VII , отрезной (φ=; =;)

Высота державки H должна соответствовать рекомендуемой по паспотру станка ( Н=25(мм), В=16(мм), L=140(мм), ɭ=35(мм), a=5(мм).)

Форма DA ( СТ СЭВ 125-74 ГОСТ 17163-88).

Пластина твердосплавная к токарным резцам:

Форма DA ( СТ СЭВ 125-74 ГОСТ 17163-88)

( а=5,5(мм), t=12(мм), S=5(мм).)


Форма заточки, главные углы и угол наклона главной режущей кромки токарного резца: Форма заточки II(плоская с отрицательной фаской). ( =0; ɣ=10; α=10; λ=0 ).


Вопрос 8. Определить скорость резанья, допускаемую режущими свойствами резца

Теоретическая скорость резанья для всех способов обработки:

 = ****** , (м/мин)

=75 (м/мин)

=0,9

=1π

=1

=1,54

=75*0,9*1*1*1,54=103,95

Вопрос 9. Определить частоту вращения заготовки, скорректировать ее по паспорту станка и определить практическую скорость резания

Теоретическая частота вращения:

= =  = 785,7()

=800() по паспорту станка.

= =  = 113,04(м/мин)

Вопрос 10. Определить силу резания, радиальную и осевую ее составляющие

Сила резанья при токарной обработке:

=10**** ,

=******* ,

=1,36

=1

=1,08

=0,93

=1

=0,89

=1

=1

=1,36*1*1,08*0,93*1*0,89*1*1=1,2

=10*264***1,2=1900,8 (H).

Вопрос 11. Определить мощность резания

Мощность резанья:


Вопрос 12. Проверить выбранные элементы режима резания по прочности державки резца, но жесткости державки резца, по жесткости заготовки, по прочности механизма подач станка

Проверка выбранных элементов режима резанья:

1)Действие сил , и  на резец, заготовку и станок.

2)Проверка прочности резца:

= ,

W== ()

Для стали 40Х - =220(МПа),

=50 (мм),

= = 2291,6 (Н),

 

Условие прочности выполняется!

) Проверка жесткости державки резца:

= ,

E=2,2* (МПа) ,

J= =6510,41 (),

f=0,1 (мм)

= = 3437,5 (Н) ,

Условие жесткости выполняется!

) Проверка жесткости заготовки:

R =   2047.22 (Н) .

= = 3341,2 (H) ,

K = 110,

E = 2,2* (MПа),

J = 0,05 = 4100625 (),

f = 0,1(мм),

l = 300 (мм),

R

Условие жесткости выполняется!

) Проверка прочности механизма подач станка:

a - при точении с продольной подачей

=6000 (H),

=380,16 (H).

б - при точении с поперечной подачей  

= 3600 (H),

= 760.32 (H).

) Проверка по мощности мотора станка:

Условие достаточной мощности:

=  =  = 5,11

= 3,581 (кВт),

= 0,7

Вопрос 13. Определить основное /машинное/ время обработки детали

= =  =0,102 (мин)

L= ℓ+y+∆=22,5+0+2=24,5 (мм)

y= t*ctgφ = 4*ctg =0 (мм)

i=  =  = 1