Материал: Влияние внешнего давления на температуру спекания керамических материалов

Внимание! Если размещение файла нарушает Ваши авторские права, то обязательно сообщите нам

Рисунок 2 - Микроструктура ZrO2(Y2O3)

Рисунок 3 - Микроструктура Al2О3 - ZrO2

. МЕТОДЫ РЕГУЛИРОВАНИЯ ТЕМПЕРАТУРЫ СПЕКАНИЯ

.1 Влияние добавок на температуру спекания

Керамика на основе оксида алюминия имеет высокую температуру спекания, которая для материалов, не содержащих специально вводимых добавок, составляет 1700-1800°С, а в присутствии плавней 1550-1650°С. Такие температуры спекания обуславливают ускоренный износ термического оборудования и повышенный расход электроэнергии. Кроме того, высокая температура спекания приводит к интенсивной рекристаллизации, образованию внутрикристаллической и межкристаллической пористости и уменьшению прочности. Одним из основных способов повышения конкурентоспособности корундовой керамики является уменьшение температуры её спекания, что можно осуществить введением в состав керамики спекающих добавок. Несомненным остается тот факт, что такие добавки должны не только способствовать спеканию керамики при пониженных температурах (1350-1550°С), но и не ухудшать ценные свойства основной фазы.

В последние годы проводятся многочисленные исследования по изготовлению корундовой керамики с добавками эвтектических составов различных систем. Особенность таких добавок заключается в том, что их оптимальное количество составляет 0,5-5,0 %. Действие добавок основано на образовании небольшого количества эвтектического расплава, активно участвующего в спекании. При этом общая пористость после спекания не превышает 2%. При охлаждении расплав кристаллизуется, поэтому керамика с таким составом не содержит стеклофазы. Весьма действенным средством повышения плотности оксидной керамики, а также регулирования микроструктуры являются добавки, которые образуют твердые растворы. Этим путем можно в широких пределах изменять пористость керамики и степень рекристаллизации. Из источника [5] известно, что добавки, образующие жидкую фазу, подбирают, исходя из двух условий: жидкая фаза должна хорошо смачивать и иметь возможно меньшую вязкость; добавку вводят в таком количестве, чтобы общее содержание жидкой фазы при температуре применения керамики было не ниже 10 %. Добавки, не образующие с основным материалом жидкой фазы, в свою очередь подразделяются на три группы:

.Добавки, активирующие процесс спекания и одновременно ускоряющие рекристаллизацию (TiO2 в Al2O3).

.Добавки, активирующие спекание, но замедляющие процесс рекристаллизации (MgO или ВеО в Al2O3).

.Добавки, замедляющие процесс спекания и замедляющие рост зерен (СоО или СdО в Al2O3).

Механизм действия добавок первой группы заключается в том, что они образуют со спекаемой основой твердые растворы, причем создаются различные типы точечных или электронных дефектов, которые ускоряют процесс диффузии самого медленного иона.

Механизм действия примесей второй группы сложнее. Типичным примером является спекание Al2O3 с добавкой 0,3% MgO, который действует на последней стадии спекания, когда рост кристаллов мешает удалению пор, а MgO тормозит рост зерен корунда. Добавки третьей группы тормозят спекание и рекристаллизацию. Действие таких добавок не всегда находит удовлетворительное объяснение.

Анализ данных, приведенных в работе [6], позволяет разделить все добавки на несколько подгрупп. К первой подгруппе относятся добавки типа RnO - Al2O3 - SiO2 и RmO - Al2O3 - SiO2 (Rn и Rm - катионы щелочного и щелочно-земельного металлов соответственно). Добавки типа RxOy - TiO2 составляют вторую подгруппу. К третьей подгруппе относятся добавки типа RnO - В2O3 - SiO2. В четвертую подгруппу входят добавки, представляющие собой комбинацию первых трех подгрупп: R1O - R2O -В2O3 - SiO2 - TiO2 (R1 и R2 - щелочно-земельные катионы).

Можно выделить добавки систем MnO - Al2O3 - SiO2, MnО - TiO2, MgO - SiO2, MgO - TiO2 и некоторые другие, которые при содержании 2-3 % позволяют снизить температуру спекания в воздушной среде до 1300 - 1550°С. При этом получаются плотные мелкокристаллические материалы с высоким уровнем свойств, прочность на изгиб которых составляет 300 - 400 МПа. Дополнительное введение дисперсионного порошка частично стабилизированного диоксида циркония позволяет повысить прочность керамики до 550 - 600 МПа при температуре спекания 1450 - 1500°С.

Важным является то, что оптимальная концентрация добавок должна находится в пределах растворимости и не превышать концентрации, приводящей к образованию побочных кристаллических фаз.

По активирующему действию на спекание Al2O3 (независимо от начальных форм глинозема) добавки располагают в убывающий ряд: Y2O3 > MgO > SrO > Cr2O3; добавки ZrO2 и B2O3 - инертны.

Корундовая керамика с добавками эвтектических составов может быть широко использована в различных областях техники, в качестве электроизоляторов, прокладок для запорной арматуры, материалов мелющих тел и уплотнительных колец в насосах, режущего инструмента, форсунок для распыления жидкостей и суспензий, а также многое другое. Помимо высокой прочности эти материалы характеризуются значительной износостойкостью и чисто той поверхности после шлифовки и полировки [5].

2.2 Влияние внешнего давления на температуру спекания керамики

Внешнее давление, благоприятствующее процессам диффузии, является определяющим фактором формирования керамики с плотной упаковкой зерен. Спекание при высоких давлениях является одним из эффективных методов формирования высокоплотной мелкодисперсной структуры этих соединений без использования активирующих добавок и, следовательно, высокого уровня их физико-механических свойств, в том числе и при повышенных температурах: высокой твердости, износостойкости, термостойкости и т.д. Высокое давление самое является активатором спекания.

Отличие спекания при высоких давлениях от обычного горячего прессования состоит в большей величине давления и порядке нагружения. При спекании под высоким давлением, как правило, сначала осуществляется сжатие, а затем нагрев образца до необходимой температуры. Наличие сдвиговых компонент напряжения при сжатии материала в камере твердофазового аппарата высокого давления обусловливает дополнительную активацию спекания. Большим преимуществом метода является простота и возможность получения композитов на основе различных классов тугоплавких соединений.

Ниже представлены наши результаты о влиянии высоких давлений на процеcc уплотнения и спекания диборида титана, а также физико-механические свойства твердых растворов на его основе. Высокая температура и длительность процесса спекания обуславливает интенсивный рост зерен, что приводит к снижению физико-механических свойств образцов.

Избежать отмеченных недостатков и получить диборид титана мелкозернистой структуры можно, используя высокие давления Известно, при давлении 1 ГПа и температуре 2500°С длительность процесса спекания диборида титана не превышает 5 минут, а при увеличении давления до 1,75 ГПа температуру спекания можно понизить до 1600°С.

Степень уплотнения порошка под действием давления можно оценить по изменению электросопротивления образца, уменьшающегося за счет увеличения площади контакта частиц. Как видно из рисунка 4, интенсивное уплотнение порошка TiB2 происходит на начальной стадии обжатия и завершается при давлении около 2 ГПа. Максимальная относительная плотность образца после обжатия составила около 0,9 [6].

Рисунок 4 - Зависимость электрического сопротивления порошка TiB2 от величины давления в процессе обжатия

3. КЕРАМИЧЕСКИЕ ТЕХНОЛОГИИ

.1 Способ 1

Приготовили исходный азотнокислый раствор, содержащий два компонента - алюминий и магний в соотношении, необходимом для получения стехиометрической шпинели MgAl2 O4. Провели одновременное осаждение гидроксидов алюминия и магния аммиаком методом одновременного сливания при рН на первой стадии 9,9±0,1 (рН полного осаждения оксида магния аммиаком соответствует 10,5 [1]) и рН второй стадии 10,6±0,1. Отфильтрованный осадок прокалили при температурах от 700 до 1200°С в течение 4 ч. Оптимальная температура составила 1000°С. Прокаленный при этой температуре порошок имел значение полной удельной поверхности (SBET) 37-40 м 2/г, фазовый состав - MgAl2O 4. Частицы порошка представляли собой гроздьевидные конгломераты, состоящие из неплотно спеченных отдельных частиц разных размеров (от 20 нм до более 0,1 мкм). С помощью электронного микроскопа было определено, что количество частиц размерами от 20 до 30 нм составляла 1,7-2 мас.% (рис.5). Из полученного порошка были спрессованы таблетки в различных вариантах:

с предварительным помолом порошка (с помощью мелющих тел из шпинели, полученной синтезом из механической смеси порошков MgO и Al2О3) и с пластификатором;

без помола и без пластификатора;

с пластификатором и добавкой 0,5% Y2O3 к измельченному порошку.

Рисунок 5 - Морфологическая структура модифицированной шпинели (без помола)

Кроме того, для сравнения были изготовлены таблетки из порошка шпинели, полученной синтезом из механической смеси («МС») порошков MgO и Al 2О3. После помола порошок шпинели «МС» имел SВЕТ=3,94 м2 /г и размер частиц 0,3-3 мкм (рис. 6).

Рисунок 6 - Морфологическая структура порошка шпинели «МС»

Спекание всех таблеток проводили при температуре 1800°С в среде водорода.

Были проведены измерения коэффициента теплопроводности ( ) спеченных таблеток MgAl2O 4 в зависимости от температуры в интервале от 100 до 1000°С (фиг.3) методом осевого теплового потока. Коэффициент теплопроводности шпинели изменяется от 17,5 до 6 Вт/м·град. Теплопроводность шпинели «МС» с плотностью 95% теоретической (ТП) изменяется от 15 до 9 Вт/м·град (кривая 2 на рис. 7). Теплопроводность шпинели, изготовленной разработанным способом, без помола и пластификатора, имела высокие значения (от 43,0 до 20,8 Вт/м·град.), хотя плотность исследуемых образцов составляла всего 89,7% ТП. В процессе помола в порошок шпинели был внесен намол от мелющих тел. Теплопроводность шпинели сразу снизилась (кривая 3 рис. 7). При добавке оксида иттрия с низкой теплопроводностью теплопроводность шпинели, полученной разработанным способом, значительно уменьшилась и составила от 13 до 6 Вт/м·град. при изменении температуры соответственно от 100 до 1000°С (кривая 5 на рис. 7). Введение примесей в порошки приводит к рассеиванию фононов и ухудшению теплопроводности. Для исследованных образцов шпинели, полученной разработанным способом, зависимость от температуры имеет особый характер: до 700-800°С значения снижаются, а затем повышаются (кроме шпинели с добавкой Y2O3).

Рисунок 7 - Температурная зависимость экспериментльных коэффициентов теплопроводности образцов шпинели, спечённых в водороде при 1800°С

Были проведены измерения термостойкости изделий шпинели. Для этого исследовали предел прочности полученных втулок при нагреве. При скорости нагрева 10°С/сек разрушение втулок из модифицированной и «МС» шпинели произошло соответственно при температуре внешней поверхности ˜550°С и ˜465°С. Значения разрушающего напряжения для втулок из модифицированной и «МС» шпинели составило соответственно ˜21 и ˜7 кг/мм2 . Таким образом, термостойкость спеченных изделий из модифицированной шпинели примерно в три раза выше, чем для изделий из шпинели «МС».

Модуль Юнга (характеристика упругости), измеренный ультразвуковым импульсным методом, для образцов шпинели, изготовленной из порошка без помола и пластификатора, составил 294-296 ГПа. Модуль Юнга для MgAl2O4 составляет 220-250 ГПа. Повышенный модуль Юнга MgAl2O4 , изготовленной по разработанному способу, свидетельствует о повышенной упругости этих изделий.

Были проведены измерения температурного коэффициента линейного расширения (ТКЛР) шпинели на высокотемпературном дилатометре с использованием относительного метода. Испытания проводили в вакууме 5·10 -4 мм ртутного столба при температурах от 600 до 1300°С. Средние значения от трех-четырех измерений (при каждой температуре) приведены в таблице 1 и на рис. 8. Значения ТКЛР образцов шпинели «МС» монотонно возрастают от 7,25·106 град.-1 до 8,8·10 6 град.-1 при увеличении температуры от 600 до 1300°С. Для исследованных образцов модифицированной шпинели MgAl2O4, полученной без предварительного помола порошка, без внесения каких-либо примесей, ТКЛР практически не зависит от температуры в интервале от 600 до 1300°С, причем до температуры 1000°С наблюдается небольшое повышение ТКЛР и затем снова снижение. Этот эффект очень важен при термоциклировании изделий из такой шпинели. Кроме того, в работе [5] описана тесная связь ТКЛР с теплопроводностью: если ТКЛР с повышением температуры снижается, то, соответственно, коэффициент теплопроводности повышается.

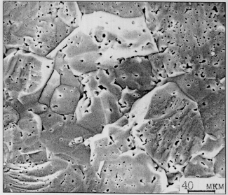
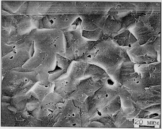
Микроструктура модифицированной шпинели (рис. 8) с плотностью 97,2% ТП отличается от шпинели «МС» (рис. 9) с плотностью 95% ТП. Внутри зерен поры (размером от 0,2 до 2 мкм) располагаются в виде небольших скоплений (рис. 8). Их очень мало, либо поры внутри зерен совсем отсутствуют. Преимущественно поры располагаются по границам зерен. Некоторые поры имеют хорошо выраженную полиэдрическую огранку. Материал шпинели похож на монокристалл: при разрыве границ зерен не наблюдается. Пористость в шпинели «МС» (рис. 9) распределена по всему объему, видны более хрупкие изломы, видны границы зерен при разрыве.

Рисунок 8 - Микроструктура модифицированной шпинели

Рисунок 9 - Микроструктура шпинели, изготовленной механическим смешиванием

Параметр кристаллической решетки для новой шпинели (без примесей) равен 8,064 Å, т.е. ниже справочных данных для стехиометрической шпинели. Для шпинели «МС» он равен 8,081 Å.

.2 Способ 2

Приготовили три азотнокислых раствора:

1-ый раствор содержал катионы магния;

2-ой раствор содержал катионы магния, а также катионы катализатора - олово (Sn2+) в количестве 0,5 мас.%;

3-ий раствор содержал катионы магния, а также катионы катализатора - алюминий (Al3+) в количестве 0,5 мас.%.

Провели осаждение гидроксида магния из первого раствора, гидроксидов магния и олова из второго раствора и гидроксидов магния и алюминия из третьего раствора. Осаждение провели аммиаком методом одновременного сливания азотнокислых растворов и аммиака при рН на первой стадии 9,9±0,1 (рН полного осаждения оксида магния аммиаком соответствует 10,5 [1]) и рН второй стадии 10,6±0,1. Отфильтрованные осадки прокалили при оптимальной для оксида магния температуре, а именно при 900°С в течение 4 ч. Прокаленные при этой температуре порошки имели значение полной удельной поверхности (SВЕТ ) 5,0 м2/г, фазовый состав порошка №1 - MgO, порошка №2 - MgO+SnO2 и порошка №3 - MgO+MgAl2O4. Частицы порошков MgO после прокаливания претерпели морфологические изменения и приобрели вид пластинок и чешуек неправильной формы с закругленными краями, продольный размер которых изменялся в пределах от 2 до 10 мкм, а поперечный - от 2 до 5 мкм при толщине приблизительно 0,2 мкм. Одновременно в порошках №1, №2 и №3 присутствовало от 0,5 до 1,0 мас.% наночастиц в виде чешуек толщиной 5-30 нм. Кроме того, порошок №2 не более 0,5 мас.% частиц SnO 2 неопределенной формы размером менее 10 нм.

Из полученных порошков (с добавлением пластификатора) спрессовали таблетки, которые спекли при 1800°С, причем таблетки №1 (MgO) и №2 (MgO+SnO2) спекли в среде водорода, а таблетки №3 (MgO+MgAl2O4) - в вакууме. Спеченные таблетки №1 (MgO), №2 (MgO+SnO 2) и №3 (MgO+MgAl2O 4) соответственно имели плотность 3,52 г/см 3 (97,8% ТП), 3,50 г/см3 (97,2% ТП) и 3,35 г/см3 (93,1% ТП).

Методом осевого теплового потока были измерены коэффициенты теплопроводности таблеток №1 (MgO), №2 (MgO+SnO2) и №3 (MgO+MgAl 2O4). В таблице 3 приведены усредненные экспериментальные значения коэффициентов теплопроводности изделий (пересчитанные для плотности 95% ТП) в зависимости от температуры. Коэффициенты теплопроводности MgO партий №2 и №3 с добавкой катализаторов соответственно SnO2 и Al 2О3 имеют повышенные значения во всей исследуемой области температур. При 800°Сдля таблеток MgO+SnO2 и MgO+MgAl 2O4, изготовленных по разработанной технологии, примерно в 2 раза выше значения MgO (8,1 Вт/м·град.). Также при 800°Сдля таблеток MgO, изготовленных по разработанной технологии, примерно в 1,5 раза выше значения MgO.