Материал: Устройство измерения температуры

Внимание! Если размещение файла нарушает Ваши авторские права, то обязательно сообщите нам

Устройство измерения температуры

1. ВВЕДЕНИЕ

Предлагаемое устройство измерения температуры, выполненное на микроконтроллере ATmega8515L и датчике температуры DS18S20, отличается простотой схемы и конструкции при повышенной точности измерения. Благодаря использованию указанного микроконтроллера термометр может быть запитан от любого источника постоянного напряжения 4,5…5,5В.

Данное устройство является цифровым, а значит, имеет линейную шкалу температуры, что устраняет погрешности в измерениях.

В ходе выполнения курсового проекта необходимо разработать комплект конструкторской документации для устройства «Термометр повышенной точности с датчиком DS18S20»:пояснительная записка, а так же выполнить расчеты электрических параметров печатного проводника, расчет технологичности конструкции. Разработать чертежи: сборочный чертеж, чертеж печатной платы конструкции.

2. конструктивные особенности типовых элементов схемы

1. Микроконтроллер DD1. Изображение корпуса приведено на рисунке 1.

Рисунок 1

Маркировка:                                                                  ATmega8515;

Напряжение питания:                                                     2.7-5.5В;

Диапазон рабочих температур:                                    -10...+70 0С;

Масса, г:                                                                         ≤ 1.

2.Резисторы R1 - R25. Изображение корпуса приведено на рисунке 2.

Рисунок 2

Тип:                                                                               МЛТ;

Номинальная мощность, Вт:                                       0,125;

Диапазон номинального сопротивления, Ом:            1…106;

Предельное напряжение, В:                                         200

Масса, г:                                                                        0,10.

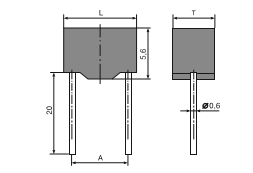
3.Кварцевый резонатор ZQ1. Изображение корпуса приведено на рисунке 3.

Рисунок 3

Маркировка:                                                                   MA;

Диапазон частот, МГц:                                                  14-50;

Температурная стабильность, ppm:                              ±50.

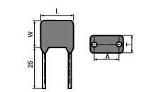
. Конденсаторы С2 - С3. Изображение корпуса приведено на рисунке 4.

Рисунок 4

Маркировка:                                                             К10 - 17;

Номинальная емкость, пкФ:                                     2,2-2000.

Номинальное напряжение, В: 50

5.Конденсаторы С1. Изображение корпуса приведено на рисунке 5.

Рисунок 5

Маркировка:                                                             КМ6;

Номинальная емкость, мкФ:                                    0,33-0,47;

Номинальное напряжение, В:                                  25.

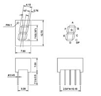
6.Сегментный индикатор HG1. Изображение корпуса приведено на рисунке 6.

Рисунок 6

Маркировка:                                                             GNT-3012BS;;

Количество сегментов:                                              7;

Цвет:                                                                          красный;

Прямой ток, мА:                                                       10;

Прямое напряжение (max), В:                                 4.

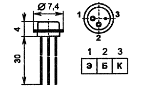
.Транзистор VT1. Изображение корпуса приведено на рисунке 7.

Рисунок 7

Маркировка:                                                                   КТ306Б;

Ток коллектора (max) IК, мА:         30; Номинальная мощность (max), Вт:  0,15.

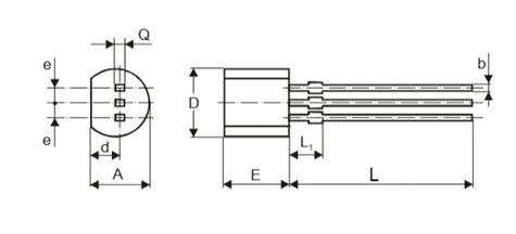
8. Датчик BK1 . Изображение корпуса приведено на рисунке 8.

Рисунок 8

Маркировка:                                                                  DS18S20.

. КОНСТРУКТИВНО-ТЕХНОЛОГИЧЕСКИЕ ТРЕБОВАНИЯ К ПРОЕКТИРОВАНИЮ ЧЕРТЕЖА ПЕЧАТНОЙ ПЛАТЫ.

.1 Определение требований к печатной плате

Исходными данными курсового проекта является субтрактивный метод изготовления печатной платы. . Исходя из этого, в качестве материала печатной платы выбираем стеклотекстолит фольгированный(СФ-2-35), который имеет следующие параметры:

1)    толщина фольги, мкм                                            35;

2)       толщина материала, мм                                               0,5…3;

)         Поверхностное сопротивление, Ом                             5*1010,5*109;

)         удельное объемное сопротивление, Ом  5*109;

)         прочность отделения 3 мм полоски фольги от
диэлектрического основания, Н                                  4,5;

)         водопоглощение, % мг менее                                                25;

)         стойкость к воздействию ванны для пайки °С  260/30.

Определим общую требуемую площадь печатной платы. Для этого рассчитаем площади всех установленных элементов.

1.       SDD1=52,58х17,53=921,73 мм2;

2.       SBK1=5х3,8=19 мм2;

3.       SR1-R25=(2,2х0,6x6)x25=198 мм2;

4.       SVT1=7,4х7.4=54,76мм2;

6.       SZQ1=19,5x11,1=216,45 мм2;

7.       SHG1=(12,7х7,6)х3=289,56 мм2;

8.       SC2-С3=(6,8х4,6)х2=62,56 мм2;

Общая площадь установленных элементов определяется по формуле

=∑Sэл-ов;                                                                                         (1)

S=921,73 +19+198+54,76+72+216,45+289,56+62,56=1834,06мм2;

Для определения окончательно требуемой площади печатной платы умножим площадь элементов на коэффициент заполнения. Коэффициент заполнения может лежать в интервале от 1,5 до 3.

Выберем значение К=2,5 для оптимального заполнения и теплоотвода.

=SппxK=1834,06х2,5≈4585,15мм2; (2)

На основании данной площади рассчитаем размеры сторон печатной платы. На основании п.5.1.2 ГОСТ Р 53.429-2009 «Печатные платы. Основные параметры конструкции» стороны должны быть кратны 2,5 мм, следовательно, стороны равны 47,5х100мм2.

На основании расчетов ширины печатных проводников, диаметров отверстий, приведенных в п. 4.1ПЗ, и ГОСТ Р 53.429-2009 «Платы печатные. Основные параметры конструкции» устанавливаем 4-й класс точности печатной платы.

Для четвертого класса точности устанавливаем:

)         Расстояние между проводниками, мм 0,15;

)         Гарантийный поясок контактной площадки, мм 0,05;

)         Предельное отклонение диаметра отверстия , мм -0,07;

)         Предельные отклонения размеров проводящего рисунка, мм 0,03;

)         Позиционный допуск на расположение осей отверстия, мм 0,05;

)         Позиционный допуск расположения центров контактных площадок, мм 0,15;

)         Позиционный допуск расположения печатного проводника, мм 0,08;

)         Допустимую токовую нагрузку на элементы
проводящего рисунка, А/мм2                                      250;

)         Рабочее напряжение, В 25.

3.2 Описание сборочного чертежа печатной платы. Требования к формовке выводов, лужению и пайке

Сборочный чертеж печатной платы представлен в графической части. Лист 2. Для изготовления «Термометра повышенной точности с датчиком DS18S20 » был выбран субтрактивный метод изготовления печатной платы. Для удобства выполнения трассировки было решено изготавливать двухстороннюю печатную плату. Материал был выбран стеклотекстолит фольгированный СФ-2-35 . Согласно расчетам, приведённым в пункте 3.1, печатная плата имеет размеры 47,5х100 мм. Толщина диэлектрического основания платы была выбрана 1,5мм.

При размещении элементов на печатной плате был применен системный подход, так как было необходимо с одной стороны обеспечить плотную компоновку элементов, а с другой обеспечить наилучшие условия для трассировки, так как в схеме присутствуют 4 интегральные схемы. В итоге было выбрано размещение элементов без применения регулярной структуры.

Монтаж элементов на плате проводить в соответствии с требованием ГОСТ 29.137-91 «Формовка выводов и установка изделий электронной техники на печатные платы». Поэтому минимальный размер от корпуса до места изгиба при формовке вывода установлен:

Для резисторов, конденсаторов, мм                                               0,5;

Для микросхем, мм                                                                          1,0;

Для полупроводниковых приборов, мм                                        2,0;

Минимальный внутренний радиус изгиба вывода, мм:

для вывода толщиной до 0,5 мм, включительно                           0,5;

для вывода толщиной от 0,5 до 1,0, включительно                      1,0

для вывода толщиной свыше 1,0                                                   1,5;

При обрезке выводов нужно учитывать, что за основания платы выводы должны выступать не менее чем по 1 мм с каждой стороны. В нашем случае, при толщине печатной платы 1,5 мм длина ножек должна быть не менее 3-4 мм.

Пайку проводить в соответствии с требованиями ГОСТ 23.592-96 «Общие требования к объемному монтажу изделий электронной технике и электротехнических». При пайке элементов следует использовать припой ПОС61 в соответствии с ГОСТ 21.930. Температуру паяльника установить в пределах от 240 до 280 ˚С. Время пайки на должно превышать 5с. Использовать флюс-гель марки ТТ.

. РАСЧЕТНЫЙ РАЗДЕЛ

4.1 Расчет электрических и конструктивных параметров элементов печатной платы

микроконтроллер датчик температура печатный

Расчет электрических и конструктивных параметров включает в себя расчет диаметров монтажных и переходных отверстий, контактных площадок, ширины печатного проводника и падения напряжения на печатном проводнике.

При компоновке радиоэлектронной аппаратуры должны быть учтены требования оптимальных функциональных связей между модулями, их устойчивость и стабильность, требования прочности и жесткости, помехозащищенности и нормального теплового режима, требования технологичности, эргономики, удобства эксплуатации и ремонта.

Расчёт диаметра переходных отверстий по формуле:

                                                                              (1)

где: Н - толщина диэлектрика, мм;

- коэффициент, который зависит от электролита (0,45мм).по = 1 x 0,45 = 0,45 мм

Расчет диаметра монтажного отверстия по формуле:

g (2)

где:g - погрешность диаметра отверстия (0,01);

hr - толщина гальванически наращенной меди (35мкм);

- диаметр вывода элемента;

- зазор между выводом и монтажным отверстием (0,5мм).

Диаметр монтажного отверстия для DD1:

dо = 1,7 +0,5 + 0,07 + 0,01 = 2.28 мм

Диаметр монтажного отверстия для R1-R25, C1-C3:

dотв = 0,6 + 0,5 + 0,07 + 0,01 = 1,18 мм

Диаметр монтажного отверстия для HG1-HG3:

dотв = 0,45 + 0,5 + 0,07 + 0,01 = 1,03 мм

Диаметр монтажного отверстия для ZQ1:

dотв = 1 +0,5 + 0,07 + 0,01 = 1,58 мм

Диаметр монтажного отверстия для BK1, VT1:

dотв = 0,5 + 0,5 + 0,07 +0,01 = 1,08 мм

Расчет диаметра контактной площадки по формуле:

 (3)

где:-диаметр монтажного отверстия;

- минимально необходимая радиальная ширина кольца(0,55мм);

- технологический коэффициент погрешности производства(0,1мм).

Диаметр контактной площадки для DD1:

dкп = 2,28 + 0.55 x 2 + 0,1 = 3,48 мм

Диаметр контактной площадки для R1-R25, C1-C3:

dкп = 1,18 + 0.55 x 2 + 0,1 = 3 мм

Диаметр контактной площадки для HG1-HG3:

dкп = 1,03 + 0.55 x 2 + 0,1 = 2,23 мм

dкп = 1,58 + 0.55 x 2 + 0,1 = 2,78 мм

Диаметр контактной площадки BK1, VT1:

dкп = 1,08 + 0.55 x 2 + 0,1 = 2.28 мм

Расчет электрических параметров печатных проводников

Рассчитаем ширину печатного проводника по формуле:

 (4)

где:-ширина печатного проводника, мм;

-общий потребляемый ток, А;

-толщина печатного проводника, мм(0,035);

-допустимая плотность тока, А/мм2 (250).

Общий потребляемый ток рассчитывается по формуле:

 (5)

где: - потребляемый ток одного элемента, А.

Потребляемый ток DD1:

 

Потребляемый ток HG1- HG3:

 

Потребляемый ток R1,R10:

 

Потребляемый ток R2-R9,R12-R25:

 

Потребляемый ток R11:

 

Потребляемый ток BK1:

 

Потребляемый ток VT1:

 

Общий потребляемый ток:

 

Ширина печатного проводника:

 

Рассчитаем ток идущий через печатный проводник по формуле:

 (6)

 

Рассчитаем сопротивление печатного проводника по формуле:

 (7)

где:-обьемное электрическое сопротивление,  (0,02);

-длинна проводника, м (0,054).

 

Рассчитаем падение напряжения на печатном проводнике по формуле:

 (8)

 

4.2 Расчет технологичности конструкции

Данный блок содержит следующие элементы: