Материал: Устройства приема и обработки радиосигналов

Внимание! Если размещение файла нарушает Ваши авторские права, то обязательно сообщите нам

Устройства приема и обработки радиосигналов

Министерство образования Российской Федерации

Санкт-Петербургский государственный электротехнический университет «ЛЭТИ»

Кафедра РЭС






Курсовой проект

По предмету: «Устройства приема и обработки радиосигналов»

На тему:

Приемное устройство цифровой системы связи












Санкт-Петербург - 2015

Содержание

Введение

.   Техническое задание

2.      Описание радиосигнала и его частотный спектр

.        Структурная схема РПУ

.        Структурная схема смесителя с ФПЗК

4.1 Структурная схема смесителя с ФПЗК

4.2    Принцип действия МШДБС

.3      Полная электрическая схема ПУПЧ

5. Расчет допустимого коэффициента шума приемника

6.      Расчет коэффициента шума УРЧ

.        Расчет коэффициента шума смесителя

.        Расчет общего коэффициента шума РПУ

.        Схема усилителя радиочастоты

.        Схема смесителя

.        Расчет элементов цепи согласования со входом ПУПЧ

Заключение

Список литературы


Введение

Задачей курсового проекта является разработка блока СВЧ приемника цифровой системы связи.

Для передачи информационного сигнала используется модуляция ОФТ.

Информационный сигнал кодируется, что позволяет, применяя согласованный с данным кодом фильтр, передавать на одной несущей частоте несколько информационных потоков за счет применения разных кодов (структурное уплотнение канала связи).

Приемник строится по супергетеродинной схеме. Для подавления зеркального канала используется фазовый метод.

Основной задачей при разработке блока СВЧ является обоснование возможности реализации заданной чувствительности приемника. Чувствительность задана в виде Pc min, то есть минимальной мощностью сигнала на входе РПУ при допустимой вероятности ошибки цифрового сигнала на выходе демодулятора. Чтобы на выходе демодулятора вероятность ошибки была не больше заданной величины на его входе, требуется соблюсти определенное отношение сигнал/шум.

Необходимо выбрать один из двух типов демодуляторов: когерентный или некогерентный. Когерентный демодулятор обеспечит заданную вероятность ошибки на выходе при значительно меньшем отношении сигнал/шум на входе, но он требует применения ФАПЧ и труднее реализуем. Поэтому, исходя из простоты реализации, сначала проверим выполнение заданной вероятности ошибки при использовании некогерентного демодулятора. Для этого необходимо рассчитать допустимый коэффициент шума приемника. Коэффициент шума показывает, во сколько раз отношение сигнал/шум ухудшается при прохождении через линейный тракт приемника. Таким образом, приемник должен обладать коэффициентом шума не превышающим рассчитанное допустимое значение. Тем самым мы получим требования по шумам, необходимые для обеспечения заданной чувствительности приемника.

Схему приемника необходимо составить из таких узлов, которые имеют коэффициенты шума, дающие в сумме меньшее значение, чем определенное нами допустимое значение коэффициента шума приемника.


1. Техническое задание

скорость передачи информации R, кбит/с

70

вероятность ошибки


чувствительность приемника , Вт


несущая частота f, ГГц

3,4

промежуточная частота , МГц75


тип модуляции

ОФТ

база сигнала B

64

шумовая температура антенны

150

потери сигнала в разъёмах , дБ0,25


погонные потери в фидере , дБ/м0,05





2. Описание радиосигнала и его частотный спектр

Информационный сигнал, длительностью Т, передается пачкой более коротких кодирующих импульсов длительностью τ. В результате мы имеем дело со сложным радиосигналом с базой В:


Частотный спектр такого радиосигнала занимает большую полосу частот, чем спектр простого радиосигнала.

Для декодирования сложного радиосигнала применен согласованный фильтр (СФ), согласованный с используемым кодовым законом. На выходе СФ отношение сигнал/шум будет выше, чем на входе. Это происходит за счёт того, что при декодировании в СФ кодирующие импульсы складываются синфазно, в отличии от шумов, и амплитуда информационных импульсов возрастает. При этом длительность информационных импульсов уменьшается, а спектр становится шире.

Техническим заданием определена центральная частота спектра.

Чтобы определить спектр сигнала, с которым должен работать приемник, нужно определить длительность τ самого короткого (кодирующего) импульса. Сначала необходимо определить длительность информационного импульса Т, затем разделить её на базу В. Тогда можно определить ширину спектра импульса, полученной длительности τ.

Сигнал излучается в виде прямоугольных импульсов. Основная доля энергии такого сигнала сосредоточена в основном, и в меньшей степени в двух боковых, лепестках.

Приёмник должен иметь такую полосу пропускания, чтобы через неё проходила та часть спектра, которая сохраняет характер сигнала. Поэтому, с этой точки зрения, полосу пропускания следует принять не хуже, чем .

Рис. 2.1 Спектр прямоугольного импульса

В структуре нашего сигнала импульсы идут вплотную, поэтому могут появиться межсимвольные искажения в результате наложения их спектров друг на друга.

При ОФТ нужно демодулировать каждый сигнал отдельно, чтобы не потерять информацию о его фазе. Следовательно, с целью недопущения межсимвольных фазовых искажений, полосу пропускания (ПП) делают несколько шире, чтобы импульс был более прямоугольным. Нужно сделать такую ПП, чтобы пропустить самый короткий импульс с наименьшими искажениями формы. Поэтому ПП выбираем как соотношение .

Определим длительность кодирующего импульса:


Определим шумовую полосу приёмника.

Под шумовой полосой понимают некоторую энергетическую полосу частот, в которой учитываются шумы.


Рис. 3.1 Структурная схема приемника

УРЧ - усилитель радиочастоты (СВЧ-усилитель). Транзисторный малошумящий усилитель в микрополосковом исполнении. В данном каскаде формируется чувствительность приемника. Для этого его делают малошумящим и с коэффициентом усиления по мощности настолько большим, чтобы влияние шумов последующих каскадов было незначительным.

СМ - смеситель. Устройство, работающее по принципу перемножения частот. Перемножаются, поступающие на его входы, колебания высокочастотного входного сигнала и сигнала гетеродина. На выход подаются колебания постоянной промежуточной частоты 75 МГц. Используется двухбалансный смеситель на микрополосковых элементах.

Г - гетеродин. Малошумящий генератор частоты с возможностью её изменения. Генерируемая частота устанавливается выше частоты входного сигнала с расчетом получить на выходе смесителя разностную частоту, равную fпр.

ПУПЧ - предварительный усилитель промежуточной частоты. Представляет собой широкополосный усилитель, не формирующий ЧХ приёмника. Его функцией является предварительное усиление сигнала промежуточной частоты для возможности передать данный сигнал по длинному кабелю от блока СВЧ к остальной части приёмника. Используется специально разработанная микросхема, которая дает большое усиление по мощности Кр=200.

ГУПЧ - главный усилитель промежуточной частоты, где осуществляется основное усиление сигнала промежуточной частоты и формируется ЧХ приёмника.

СФ - согласованный фильтр. Согласован с кодом, которым закодирован сложный информационный сигнал.

Д - демодулятор. Используется когерентный демодулятор.

АРУ - автоматическая регулировка усиления.

АПЧ - автоматическая подстройка частоты. Сигнал снимается с СФ, т.е. на уровне радиосигнала.


4. Структурная схема смесителя с фазовым подавлением зеркального канала

.1 Структурная схема смесителя с ФПЗК

Рис. 4.1 Структурная схема смесителя

.2 Принцип действия малошумящего диодного балансного смесителя

Принимаемый сигнал, с помощью синфазного делителя, делят по мощности пополам с одинаковыми фазами колебаний и подводят к двум одинаковым балансным смесителям (БС).

Колебания гетеродина подводят к этим БС через квадратурный делитель мощности пополам, так что фазы этих колебаний на гетеродинных входах БС отличаются на 90°. Поэтому выходные сигналы смесителей на промежуточной частоте будут тоже квадратурными, т.е. фазы будут отличаться на 90°, а амплитуды будут одинаковы.

Суммируются эти сигналы в сумматоре квадратурных сигналов промежуточной частоты, амплитуда выходного сигнала которого зависит от соотношения фаз входных сигналов, от величины и знака их разности. В частности, когда напряжение Uп1 на выходе БС1 опережает на 90° напряжение Uп2 на выходе БС2, сумматор включают так, чтобы его выходной сигнал был максимальным. Свойства сумматора таковы, что если опережающим станет напряжение Uп2, то выходной сигнал сумматора станет равным нулю. Именно таким будет соотношение фаз напряжений Uп1 и Uп2 при приёме сигнала на частоте зеркального канала fзк, поскольку знак разности частот fпзк = fг - fзк противоположен знаку fп = fг - fс. Следовательно, в идеализированных условиях, при приеме сигнала частоты зеркального канала, на выходе сумматора сигнала не будет, т.е. зеркальный канал приема подавляется.

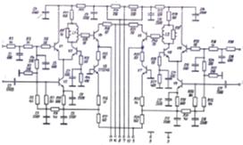
.3 Полная электрическая схема ПУПЧ

Рис. 4.2 Полная электрическая схема ПУПЧ

Сигналы промежуточной частоты подаются на выводы 1 и 2 с каждого БС соответственно.

Фазовые сдвиги ±45° осуществляются с помощью фазосдвигающих цепей, которые подключены к выводам 11 и 12. Эти цепи находятся под напряжением и чтобы не закоротить его на землю, для RL-цепи дополнительно ставят Ср.

Выводы 4 и 6 - входы сигнала АРУ.

Выводы 7 и 5 - питания (Е+) и питания (Е-) соответственно.

Суммирование двух сигналов происходит на резисторе Rн = 50 Ом, являющимся нагрузкой для обоих выходных транзисторов V4 и V5. Данный резистор включается между выводами 10 и 8, являющимися выходами ПУПЧ.

5. Расчет допустимого коэффициента шума приемника

Допустимый коэффициент шума многокаскадного устройства определяется исходя из формулы для чувствительности приемника:


где k=1,38·10-23 Дж/К - постоянная Больцмана;

Т0 = 300К - абсолютная комнатная температура;

Тша = 150К - шумовая температура антенны, характеризующая внешние шумы

от Солнца и участков космоса.

Определение значения исходя из известного значения отношения :

Для когерентного демодулятора:


Для некогерентного демодулятора:


Тем самым мы получили требуемое отношение сигнал/шум, при котором нужно реализовать заданную чувствительность.

Допустимый коэффициент шума многокаскадного устройства при применении когерентного демодулятора:


Допустимый коэффициент шума многокаскадного устройства при применении когерентного демодулятора:

цифровой приемник частотный радиосигнал

6. Расчет коэффициента шума УРЧ

При проектировании СВЧ-усилителей, прежде всего, необходимо обеспечить их устойчивость, т.е. отсутствие самовозбуждения при работе с выбранными сопротивлениями zг и zн.

В зависимости от значений S-параметров транзистор находится либо в области безусловной устойчивости (ОБУ), либо в области потенциальной устойчивости (ОПУ). Под безусловной устойчивостью понимается отсутствие самовозбуждения при подключении произвольных сопротивлений zг и zн с положительными вещественными частями.

Выбор транзистора.

Выбор транзистора производится исходя из условий:

транзистор должен находиться в ОБУ (Ку>1);

рабочая частота транзистора должна быть максимально близка к частоте несущей входного сигнала, заданной в техническом задании.

Выбираем транзистор КТ391 (схема с ОЭ) с параметрами:

ток коллектора Iк=5 мА

напряжение на коллекторе Uк=5 В

рабочая частота транзистора f0=3,5 ГГц

входная проводимость

- проводимость обратной связи по напряжению

- проводимость передачи по току (крутизна)

- выходная проводимость

- коэффициент устойчивости усилителя

Ку=1,008

оптимальный коэффициент отражения от генератора в стандартном тракте с характеристическим сопротивлением W0=50 Ом

=