Материал: Управление приводом робота

Внимание! Если размещение файла нарушает Ваши авторские права, то обязательно сообщите нам

Управление приводом робота

Оглавление

Введение

. Описание принципиальной схемы управления приводом робота

. Составление алгоритма управления роботом

. Составление принципиальной электрической схемы цифровой системы управления приводом робота

. Описание микропроцессорной системы управления приводом робота

Заключение

Список используемых источников

привод робот контроллер

Введение

Автоматизация производства - процесс в развитии машинного производства, при котором функции управления и контроля, ранее выполнявшиеся человеком, передаются приборам и автоматическим устройствам. Автоматизация производства - основа развития современной промышленности, генеральное направление технического прогресса. Цель автоматизации производства заключается в повышении эффективности труда, улучшении качества выпускаемой продукции, в создании условий для оптимального использования всех ресурсов производства. Различают автоматизацию производства: частичную, комплексную и полную.

Частичная автоматизация производства, точнее - автоматизация отдельных производственных операций, осуществляется в тех случаях, когда управление процессами вследствие их сложности или скоротечности практически недоступно человеку и когда простые автоматические устройства эффективно заменяют его. Частично автоматизируется, как правило, действующее производственное оборудование. По мере совершенствования средств автоматизации и расширения сферы их применения было установлено, что частичная автоматизация наиболее эффективна тогда, когда производственное оборудование разрабатывается сразу как автоматизированное. К частичной автоматизации производства относится также автоматизация управленческих работ.

При комплексной автоматизации производства участок, цех, завод функционируют как единый взаимосвязанный автоматизированный комплекс. Комплексная автоматизация производства охватывает все основные производственные функции предприятия, хозяйства, службы. Она целесообразна лишь при высокоразвитом производстве на базе совершенной технологии и прогрессивных методов управления с применением надёжного производственного оборудования, действующего по заданной или самоорганизующейся программе, функции человека при этом ограничиваются общим контролем и управлением работой комплекса.

Полная автоматизация производства - высшая ступень автоматизации, которая предусматривает передачу всех функций управления и контроля комплексно-автоматизированным производством автоматическим системам управления. Она проводится тогда, когда автоматизируемое производство рентабельно, устойчиво, его режимы практически неизменны, а возможные отклонения заранее могут быть учтены, а также в условиях недоступных или опасных для жизни и здоровья человека.

При определении степени автоматизации учитывают прежде всего её экономическую эффективность и целесообразность в условиях конкретного производства. А. п. не означает безусловное полное вытеснение человека автоматами, но направленность его действий, характер его взаимоотношений с машиной изменяется; труд человека приобретает новую качественную окраску, становится более сложным и содержательным. Центр тяжести в трудовой деятельности человека перемещается на техническое обслуживание машин-автоматов и на аналитически-распорядительную деятельность.

1.  Описание принципиальной схемы управления приводом робота

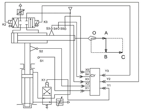
Рис. 1. Принципиальная схема управления приводом робота

Принципиальная схема управления приводом робота состоит из пневмоцилиндра ЦП, обеспечивающее перемещение схвата робота по вертикали и пневмоцилиндра ЦР, обеспечивающего перемещение по горизонтали. Пневмоцилиндры управляются электропневмораспределителями ЗП и ЗР, имеющими электромагниты К1, К2 и К3 соответственно. Управляющие сигналы Y1 Y2 и Y3 для магнитов формируются кольцевыми выключателями S1 и S2. Направление подачи воздуха изменяется переключением золотника электропневмораспределителя. Золотник пневмораспределителя размещается в корпусе электропневмораспределителя и перемещается внутри его под действием электромагнита с одной стороны и возвратной пружины с другой стороны. Данный электропневмораспределитель является двухпозиционным, при К=0 золотник находится в положении указанном на рисунке, т.е. присоединена нижняя секция распределителя, при К=1 присоединена верхняя секция распределителя. На штоках пневмоцилиндра установлены упоры. Если упор находится напротив кольцевого выключателя, то его значение Si=1. В противном случае Si=0.

Таким образом, состояние привода в каждый момент времени определяется комбинацией сигналов, поступавших от конечных выключателей S1 , S2 , S3 , S4, и включением или выключением управлявших электромагнитов К1 и К2 распределителей. Состояние конечных выключателей S1 , S2 , S3 , S4 преобразуется в потенциальные сигналы Х1 , Х2 , Х3 , Х4 (например, с помощью схемы включения, показанной на рис. 2); они подаются на вход системы управления СУ. В зависимости от значения входных сигналов X и требуемой последовательности перемещений система управления СУ вырабатывает сигналы управления У1 и У2 распределителями К1 и К2 .

Рис. 2. Схема включения

2. Составление алгоритма управления роботом.

Граф функционирования привода робота будет иметь вид :


Применительно к системе управления этот граф можно переписать следующим образом:


Таблица 1

Таблица истинности:

Точка или отрезок

Входы

Выходы


X1

X2

X3

X4

X5

Y1

Y2

Y3

O

0

1

1

0

0

1

1

0

OA

0

1

0

0

0

1

1

0

A

0

1

0

1

0

0

0

0

AB

0

0

1

0

0

0

0

B

1

0

0

1

0

0

1

0

BC

1

0

0

0

0

0

1

0


На основе графа функционирования систему управления можно описать следующими структурными логическими формулами в виде дизъюнкции конъюнкций:


После минимизации ДНФ получим конечные выражения:



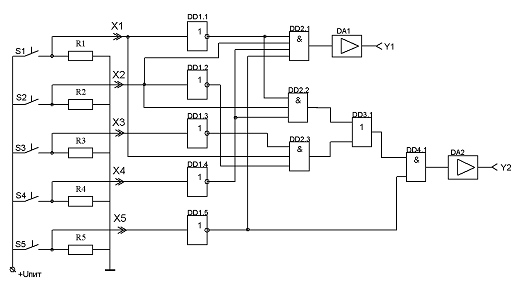
3. Составление принципиальной электрической схемы цифровой системы управления приводом робота

Реализовать полученные логические зависимости можно либо традиционным путем проектирования специализированной логической структуры, либо путем программирования универсальной логической структуры (микропроцессора).

На рис. 3 показан пример реализации системы управления структурным путем с использованием электронных логических элементов. Эта система будет обеспечивать подачу на привод, робота сигналов, реализующих заданный цикл движений. При необходимости обеспечения другой последовательности движений в цикле или иного цикла структура должна быть изменена.

Достоинством структурной реализации является отсутствие избыточности элементов и функций, что обеспечивает простоту и достаточно высокую надежность схемы. Однако эта простота приводит одновременно к малой гибкости (способности к перестройке) системы управления.

Рис. 3. Принципиальная электрическая схема цифровой системы управления приводом робота на логических элементах

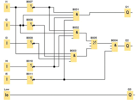
Составим принципиальную электрическую схему цифровой системы управления приводом робота на логических элементах в программе LOGO и проверим её работу в соответствии с таблицей истинности:

Рис. 4. Схема программирования контроллера LOGO

Вывод: Принципиальная электрическая схема цифровой системы управления приводом робота на логических элементах работает в соответствии с таблицей истинности.

. Описание микропроцессорной системы управления приводом робота

Достоинством структурной реализации является отсутствие избыточности элементов и функций, что обеспечивает простоту и достаточно высокую надежность схемы. Однако эта простота приводит одновременно к малой гибкости (способности к перестройке) системы управления.

В качестве логической схемы, реализующей полученные выше структурные формулы системы управления, можно использовать и микропроцессор. Микропроцессор оперирует с машинным словом в виде двоичного числа (кода) определенной разрядности. Значение двоичного разряда числа представляется при этом электрическим напряжением высокого (1) и низкого (0) уровня. Наиболее распространенные микропроцессоры имеют длину машинного слова в восемь бит (1 байт). Будем рассматривать входные сигналы системы управления X1, Х2, Х3, Х4, Х5 как некоторый двоичный код и припишем логические значения этих сигналов битам машинного слова (В- обозначение бита):

Бит машинного слова

В7

В6

В5

В4

В3

В2

В1

В0

Содержание бита

0

0

0

Х5

Х4

Х3

Х2

Х1


Аналогично в виде двоичного кода можно представить и выходные сигналы системы управления:

Бит машинного слова

В7

В6

В5

В4

В3

В2

В1

В0

Содержание бита

0

0

0

0

0

У2

У1


Запись единицы в бите означает активный уровень соответствующего входного или выходного сигнала, запись нуля - отсутствие активного уровня сигнала. Двоичный код входных сигналов будем хранить в регистре ввода микропроцессора, а двоичный код выходных сигналов - в регистре вывода.

 

Структуру системы управления с микропроцессором можно представить в виде, показанном на рис. 5.

Усилители выходных сигналов использованы для согласования слаботочных логических выходов микропроцессора с мощной нагрузкой (электромагниты управления распределителей). В памяти микропроцессора хранится программа, которая позволяет ему реализовать логические формулы, описывающие управление роботом.

Система управления на основе комплекта К580 строится по модульному принципу, который обеспечивает подключение к единой магистрали модулей ЦП (центрального процессора), ЗУ (запоминающего устройства) и УВВ (устройства ввода-вывода).

Система управления состоит из:

Микропроцессора КР580ВМ80 (DD3), являющегося аналогом микропроцессора i8080 фирмы Intel.

Тактового генератора К580ГФ24 (DD1), предназначен для синхронизации микропроцессорной системы и вырабатывает тактовые импульсы частотой 2 МГц для синхронизации МП, а также других схем (в последнем случае используются тактовые импульсы ТТЛ уровней). Одновременно эта микросхема обеспечивает формирование некоторых управляющих сигналов (например, сигнал сброса R).

Системного контроллера КР580ВК28 (DD2), предназначенного для фиксации слова-состояния МП, выработки системных управляющих сигналов, буферизации шины данных МП и управления направлением передачи по шине данных.

Микросхемы постоянной памяти ПЗУ К155РЕ21 (DD4) для хранения управляющей программы.

Микросхемы оперативной памяти ОЗУ К565РУ5 (DD5) для хранения данных, используемых при работе управляющей программы.

Программируемого контроллера порта ввода-вывода К580ВВ55, работающего в режиме 0 (как 4 порта ввода-вывода), причем используемый порт С(3:0) является портом ввода, к которому подсоединены преобразованные схемой (см. рис. 2) сигналы X1…X5, а порт С(7:4) является портом вывода, к которому подключены усилители сигналов Y1 и Y2 для управления электропневмоклапанами ЗП и ЗР.

Управление портами ввода-вывода осуществляется путем записи в регистр управления контроллера порта ввода-вывода КР580ВВ55 следующего управляющего слова:

D7

D6

D5

D4

D3

D2

D1

D0

1

0

0

1

0

любое

любое

любое


Режим 0

Напр.А

Напр.С (7,4)

РежимВ

Напр.В

Напр.С(0,3)


где сигнал «0» означает вывод, сигнал «1» - ввод.

Составим алгоритм управления приводом робота для

микропроцессорной системы:

     

Рис.6 Алгоритм управления приводом робота

Для реализации управления рассматриваемым циклом движений робота схема алгоритма работы микропроцессора показана на рис. 6.

Микропроцессор обращается к регистру ввода и осуществляет ввод двоичного кода Х состояния датчиков обратной связи (блок 1). Затем в блоках 2 и 3 вычисляется значение логических функций М и L , соответствующих функциям У1 и У2; при этом В1 - содержимое соответствующего бита машинного слова.

Значения вычисленных логических функций проверяются в блоках 4 и 7, и если они равны единице, то в соответствующий бит регистра вывода также записывается единица, если же функции равны нулю, то в биты регистра вывода также записываются нули. Это обеспечит наличие на выходах системы управления управляющих сигналов, определяющих выполнение текущего элемента цикла движений робота. Задержка времени (блок 10), которая реализуется в виде подпрограммы работы микропроцессора, введена для получения требуемой периодичности опроса датчиков. Поскольку микропроцессор работает с тактовой частотой около 2 МГц, то без этой задержки ввод и вывод информации происходил бы излишне часто.

Вывод

В данной работы я спроектировал систему управления приводом промышленного робота и разработал электрическую принципиальную схему:

. цифровой СУ на элементах жесткой логики серии К555,

. микропроцессорной СУ на основе восьмиразрядной МикроЭВМ с микропроцессорным контроллером КР580ВМ80 (аналог микропроцессора i8080 фирмы Intel)

. Построил принципиальную схему управления приводом робота.

Заключение

На основе рассмотренного алгоритма составляется конкретная программа, которая записывается в память процессора и организует его работу. При изменении цикла движений робота программа изменяется и система управления реализует новый алгоритм управления без каких-либо структурных изменений.

По сравнению с описанной выше структурной реализацией логической схемы управления, реализация на микропроцессоре обладает значительной избыточностью. Так, например, набор команд микропроцессора составляет несколько десятков команд, а используется только часть из них, лишь частично используется машинное слово и т.д. Это допустимо в том случае, когда стоимость системы управления с микропроцессором соизмерима со стоимостью специализированных логических структур системы управления, что обеспечивается при современном массовом производстве микропроцессоров в виде сверхбольших интегральных микросхем (СБИС) сравнительно невысокой стоимости.

Достоинством микропроцессорной системы управления является ее гибкость, универсальность и высокая степень унификации, которая выступает уже не на уровне элементной базы логической структуры, а на уровне системы управления в целом.

Список используемых источников

Методические указания к курсовой работе по курсу «Электрический привод», Полуянович Н.К. 2014.

Основы электропривода, Китайгородский А.П.

Бекетова И.О. Электрические и электронные аппараты: Учебное пособие. Часть II. - Таганрог: Изд-во ТТИ ЮФУ, 2010. - с. 173

Москаленко В. В. Электрический привод. - М.: Высш. шк., 2011. - 430 с.

Беляев А. В. Выбор аппаратуры, защит и кабелей в сетях 0,4 кВ. - Л.: Энергоатомиздат, 2012. 176 с.