Материал: Универсальное охранное устройство

Внимание! Если размещение файла нарушает Ваши авторские права, то обязательно сообщите нам

Универсальное охранное устройство

Содержание

плата охранный устройство

Введение

. Техническое задание

. Патентный поиск

. Анализ исходных данных и основных технических требований к разрабатываемой конструкции

.1 Анализ схемы электрической принципиальной

.2 Анализ условий эксплуатации и дестабилизирующих факторов

. Выбор и обоснование элементной базы, унифицированных узлов, установочных изделий и материалов конструкции

. Выбор и обоснование компоновочной схемы и метода конструирования

. Выбор и обоснование способов и средств обеспечения теплового режима, герметизации, виброзащиты и электромагнитной совместимости

. Расчёт конструктивно-технологических параметров проектируемого устройства

.1 Компоновочный расчёт печатной платы

.2 Компоновочный расчёт устройства

.3 Расчёт конструктивно-технологических параметров печатной платы. Выбор и обоснование метода изготовления печатной платы

.4 Оценка теплового режима и выбор способа охлаждения

.5 Расчёт механической прочности и системы виброударной защиты

.6 Обеспечение электромагнитной совместимости

.7 Расчёт надёжности

. Обоснование выбора САПР при проектировании устройства

Заключение

Список использованных источников

Введение

В данном курсовом проекте необходимо разработать с применением САПР конструкцию универсального охранного устройства. В ходе курсового проектирования решаются следующие задачи:

проводится разработка технического задания с точки зрения конструктора РЭС;

обосновываются элементная база и материалы проектируемого изделия;

производится конструктивный расчет;

анализируется тепловой режим;

оценивается виброзащищенность и устойчивость конструкции в отношении механических воздействий;

проводится расчет надежности;

разрабатывается комплект конструкторской документации.

В курсовом проекте учтём все требования поставленные в техническом задании.

Инструментальным средством конструирования в данном курсовом проекте выступают системы автоматизированного проектирования современного уровня P-CAD 2006 и AutoCAD 2007.

1. Техническое задание

Наименование и шифр работы

.1 Наименование ОКР - «Разработать и изготовить опытные образцы универсального охранного устройства», шифр "Сигнализация".

Основание для выполнения ОКР

.1 Настоящая работа выполняется на основании государственной научно-технической программы «Разработать и внедрить методы и аппаратурные средства для разработки охранного устройства», п. , и договора № от 2012 г.

.2 Государственный заказчик - Министерство промышленности РБ.

Сроки выполнения

.1 Начало и окончание выполнения ОКР в соответствии с договором - II кв. 2012 г. - II кв. 2013 г.

Предприятие-исполнитель ОКР

.1 Предприятие-исполнитель ОКР - научно-производственное предприятие «НИИЭВМ» (ОАО «НИИЭВМ»).

Соискатели:

ОАО «МНИПИ» г. Минск;

Предприятие-изготовитель

.1 Предприятие-изготовитель - ОАО «НИИЭВМ».

Источник финансирования

.1 Источник финансирования - бюджет ОАО «НИИЭВМ».

Цель, задачи, назначение ОКР

.1 Целью работы является создание опытных образцов охранного устройства.

Основные требования

.1 Охранное устройство должно удовлетворять требованиям настоящего ТЗ.

.2 Конструкторская документация должна соответствовать требованиям ЕСКД.

Состав изделия

.1 Состав охранного устройства уточняется на этапе разработки опытного образца.

Технические требования

.1 Требования к конструкции

.1.1 Охранное устройство должно разрабатываться как базовое для обеспечения модификаций прибора с учетом требований взаимо-заменяемости.

.1.2 Конструкция охранного устройства должна обеспечивать возможность автоматизации регулировочных и контрольных операций.

.1.3 Конструкция охранного устройства должна предусматривать возможность нанесения поверочного клейма или пломбы.

.1.4 Материалы и полуфабрикаты, комплектующие изделия охранного устройства должны применяться по действующим стандартам и техническим условиям на них.

.1.5 Масса охранного устройства должна быть не более 0,5 кг.

.2 Показатели назначения

.2.1 Напряжение питания: +15В

.2.2 Потребляемый ток: 150 мА

.3 Требования к надежности

.3.1 Средняя наработка на отказ должна быть не менее 5000 ч.

.3.2 Средний ресурс должен быть не ниже 5000 ч.

.3.3 Средний срок службы должен быть не менее 5 лет.

Примечание. Показатели надежности определяются расчетным путем.

.4 Требования к технологичности

.4.1 Должны быть разработаны и изготовлены технологическая оснастка и нестандартизованные средства измерения.

.5 Требования к уровню унификации и стандартизации

.5.1 При разработке охранного устройства должны по возможности максимально использоваться стандартные и унифицированные устройства, узлы и детали.

.6 Требования к безопасности и экологии

.6.1 Охранное устройство должно соответствовать требованиям безопасности, установленным ГОСТ 27451-87, ГОСТ 26104-89.

.6.2 Обслуживание и эксплуатация охранного устройства должны проводиться в соответствии с «Нормами радиационной безопасности» НРБ-76/87 и «Основными санитарными правилами» ОСП-72/87.

.7 Эстетические и эргономические требования

.7.1 Форма, компоновка и внешний вид охранного устройства должны соответствовать его функциональному назначению и обеспечивать удобство обслуживания при настройке, ремонте и эксплуатации.

.8 Требования к метрологическому обеспечению

.8.1 Охранное устройство должно быть обеспечено методами и средствами поверки при разработке, производстве и эксплуатации.

.8.2 Метрологическая экспертиза конструкторской документации должна производиться службой нормоконтроля предприятия-разработчика.

.9 Требования к патентной чистоте

.9.1 По схемным и конструкторским решениям охранное устройство должно обладать патентной чистотой. Возможные страны экспорта уточняются на этапе разработки рабочей документации.

.10 Требования к упаковке и маркировке

.10.1 Маркировка и упаковка охранного устройства должны соответствовать требованиям ГОСТ 27451-87.

.11 Требования к транспортированию, эксплуатации, хранению

.11.1 Охранное устройство в упакованном виде должно допускать транспортирование в закрытых транспортных средствах любого вида наземного транспорта и в отапливаемых герметизированных отсеках самолета при температуре окружающего воздуха от минус 15 до плюс 40°С и относительной влажности (95±3)% при температуре 35°С.

.11.2 Охранное устройство должно быть устойчив к воздействию:

температуры окружающего воздуха от 10 до 40°С;

относительной влажности воздуха от 10 до 79%;

атмосферного давления от 84 до 106,7 кПа.

.11.3 Охранное устройство в упакованном виде должно допускать хранение при температуре окружающего воздуха от 5 до 40°С и относительной влажности не более 80% при температуре 25°С.

Этапы ОКР

.1 Этапы ОКР определяются календарным планом.

Порядок рассмотрения, сдачи и приемки результатов ОКР

.1 Перечень конструкторской документации, предъявляемой на каждом этапе, должен соответствовать ГОСТ 2.102-68.

.2 Порядок разработки, согласования и утверждения докумен-тов, предъявляемых по окончании отдельных этапов и работы в целом, должен соответствовать СТБ 1080-97.

.3 Настоящее ТЗ в процессе выполнения работы может уточняться и изменяться. Изменения в утвержденное ТЗ вносятся выпуском дополнения, которое согласуется и утверждается в том же порядке, что и основной документ, либо через акты приемки этапов работы при условии подписания актов на том же уровне, что и ТЗ.

.4 На государственные приемочные испытания предъявляют два опытных образца.

.5 Государственные приемочные испытания проводятся в ОАО «НИИЭВМ».

.6 После завершения работы опытные образцы используются в ОАО «НИИЭВМ» для испытаний на надежность, а также для пробной эксплуатации у потребителей.

. Патентный поиск

В результате изучений патентов Республики Беларусь подобных устройств найдено не было. Изделие не предназначено для экспорта, поэтому изучать патенты других стран не имеет смысла.

3. Анализ исходных данных и основных технических требований к разрабатываемой конструкции

.1 Анализ схемы электрической принципиальной

Это устройство является многофункциональным и может использоваться для охраны автомобиля (рисунок 3.1), квартиры (рисунок 3.2) или гаража. При срабатывании сигнализации включается звуковой сигнал. Устройство имеет встроенный источник питания и в аварийной ситуации является энергонезависимым. Вся схема устройства вместе со звуковым сигналом выполнены в одном корпусе.

Рисунок 1 - Подключение системы охраны к автомобилю

При охране автомобиля устройство работает с двумя типами внешних датчиков: а) для дверей (датчики открывания дверей или датчик механических колебаний, см. статью "Датчики для охранной сигнализации") - включает звуковой сигнал с задержкой 6 секунд; б) для закрытого капота и багажника - мгновенное включение звукового сигнала.

Владелец автосторожа при срабатывании сигнализации по звуку легко может определить группу датчиков, сработавших во время охраны.

Схема автосторожа обеспечивает после включения охраны задержку 12±2 секунд для выхода из машины и 6±1 секунд при входе в автомобиль для отключения сигнализации скрытно установленным тумблером S1 до срабатывания звукового сигнала.

Рисунок 2 - Подключение системы охраны в квартире

плата охранный устройство автосторож

Схема подключения автосторожа (см. рисунок 3.1) обеспечивает блокировку системы зажигания (второй парой контактов тумблера S1) на все время охраны вне зависимости от срабатывания датчиков.

В охранном устройстве предусмотрена светодиодная индикация режима срабатывания датчиков сигнализации, что удобно при установке и эксплуатации, так как является индикатором нормальной работы всей схемы.

Устройство питается от аккумулятора автомобиля, но в случае аварийной ситуации (при его отключении) схема автоматически переключается на встроенный резервный источник питания, при этом потребляемый ток в режиме ОХРАНА не превышает 0,5 мА.

При охране квартиры или гаража электропитание устройства осуществляется от встроенного источника питания, которым является блок из шести элементов А316 или аккумуляторов НКГЦ-0,45, при этом ток потребления в режиме ОХРАНА не превышает 0,5 мА и элементы питания обеспечат работу устройства в режиме ОХРАНА не менее одного года (если не срабатывал звуковой сигнал).

Работает устройство с двумя линиями от датчиков:

а) датчик двери - включает звуковой сигнал с задержкой 6 секунд;

б) датчик закрытого окна или вторых дверей - включение звукового сигнала мгновенно.

Схема сторожа обеспечивает после включения режима охраны задержку в 12 секунд для выхода из квартиры и 6 секунд при входе - для отключения сигнализации до срабатывания звукового сигнала.

В схеме сигнализации имеется светодиодная индикация режима срабатывания датчиков, что является показателем работы.

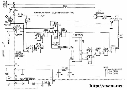
Электрическая схема (рисунок 3.3) собрана на четырех микросхемах КМОП серии, что обеспечивает малое потребление тока, и состоит из триггера на элементах D1.1...D1.3, генератора на частоту около 500 Гц - D2.2 и D2.3, счетчика тактовой частоты D3 и схемы селекции временных интервалов на микросхеме D4. Транзисторы VT1 и VT2 позволяют усилить ток в нагрузке, которой является внутренний малогабаритный динамик (ЗГДШ-14-4), а также может подключаться внешний источник сигнала - гудок автомобиля.

В момент включения питания схемы на выходах счетчика D3 устанавливается (цепью СЗ, R4) лог. "0". Это обеспечивает появление лог. "1" на выводе D4/10 и лог. "0" на D1/3. При этом будет работать автогенератор и связанный с ним счетчик до момента времени, пока на выводе D3/2 не появится "1". Если ни один из датчиков не сработал, то через 12 секунд появится лог. "1" на выводе D1/3 - генератор остановится. С этого момента устройство будет находиться в режиме ОХРАНА, и срабатывание датчиков приведет к переключению триггера на элементах D1.1...D1.3 (на выводе D1/4 появится лог. "1", а на выводе D1/3 - "0"), что приведет к продолжению работы генератора и счетчика, а на выходной нагрузке через 6 секунд появится звуковой сигнал.

Рисунок 3.3 - Принципиальная схема устройства

Применяемые резисторы и конденсаторы можно использовать любого типа. Все элементы схемы, кроме светодиода HL1, тумблера S1, динамика ВА1, резистора R5, элементов питания и датчиков, размещены на односторонней печатной плате размером 110х45 мм (рис. 3.4). При этом потребуется сделать шесть объемных перемычек (если использовать двухстороннюю печатную плату, то эти перемычки удобно выполнить печатными проводниками).

Транзистор VT1 крепится к теплорассеивающей пластине (радиатору). В качестве переключателя S1 применен тумблер ТЗ или любой аналогичный с двумя переключающими контактами.

При правильной сборке и исправных деталях схема не требует настройки. Общие габариты всего устройства, при использовании малогабаритного источника звука, не превышают 155х100х32 мм .

3.2 Анализ условий эксплуатации и дестабилизирующих факторов

Разрабатываемое устройство эксплуатируется в помещениях. При эксплуатации оно подвергаются воздействием внешних и внутренних дестабилизирующих факторов.

Устойчивость РЭА к механическим вибрациям характеризуется вибропрочностью и виброустойчивостью. Под вибропрочностью понимают способность аппаратуры противостоять разрушающему действию вибрации в заданных диапазонах частот и при возникающих ускорениях в течение срока службы, а под виброустойчивостью аппаратуры - способность выполнения всех функций в условиях вибрации в заданных диапазонах частот и возникающих при этом ускорений.

Что касается ударов, которые возникают при падении оборудования, то при этом возможно самопроизвольное срабатывание подвижных и неуравновешенных вращающихся частей механических систем (реле, муфты, фиксаторы), а также самоотвинчивание крепежных деталей, нарушение регулировки, поломка несущей конструкции и т.д.

Одним из основных и наиболее эффективных методов повышения устойчивости конструкций, как транспортируемой, так и стационарной, к воздействию вибраций, а также ударных и линейных нагрузок является установка ее на упругие опоры. В качестве таких опор используют резиновые, металлорезиновые или металлопружинные амортизаторы. Они просты конструктивно, дешёвы и обладают достаточной вибропрочностью. Действие амортизаторов основано на демпфировании резонансных частот, т.е. поглощении части колебательной энергии. Физическая сущность такой защиты заключается в разнице собственной резонансной частоты амортизатора и частоты возмущающей силы. Амортизаторы используют также и для звуковой изоляции оснований от шумящих объектов. При этом изоляция звуковых колебаний широкого диапазона частот иногда требует последовательного соединения амортизаторов с различными жестокостями.

. Выбор и обоснование элементной базы, унифицированных узлов, установочных изделий и материалов конструкции

Критерием выбора элементной базы в любом радиоэлектронном устройстве является соответствие технологических и эксплуатационных характеристик ЭРЭ заданным условиям работы и условиям эксплуатации.