МИНОБРНАУКИ РОССИИ
Санкт-Петербургский государственный
электротехнический университет
«ЛЭТИ» им. В. И. Ульянова (Ленина)
Кафедра ТОЭ
отчет
по лабораторной работе №7
по дисциплине «ТОЭ»
Тема: ИССЛЕДОВАНИЕ РЕЗОНАНСНЫХ ЯВЛЕНИЙ В ПРОСТЫХ ЭЛЕКТРИЧЕСКИХ ЦЕПЯХ
Студент гр. 9283 |
|
Балакай И.А. |
Преподаватель |
|
Евдакова Е.Г. |
Санкт-Петербург
2021
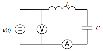
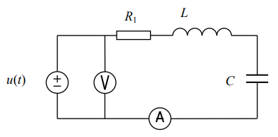
Цель работы: исследование резонанса и амплитудно-частотных характеристик (АЧХ) последовательного и параллельного колебательных контуров.
Основные теоретические положения:
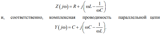
Резонанс – такое состояние RLC -цепи в установившемся синусоидальном режиме, при котором напряжение и ток на входе цепи совпадают по фазе. При резонансе вещественными становятся комплексное сопротивление последовательной цепи
Обработка результатов:
И
сследование
резонанса напряжений и АЧХ контура с
малыми потерями:
Измеряют |
Вычисляют |
||||||||
|
|
|
|
|
|
|
|
|
|
7,07 |
208 |
8,11 |
|
34 |
37,9 |
1290 |
0,025 |
0,015 |
|
Измеряют |
Вычисляют |
||
f, кГц |
I, мА |
|
|
6 |
8,903 |
0,0013 |
|
7 |
18 |
0,0025 |
|
7,2 |
23 |
0,0033 |
|
7,4 |
29 |
0,0041 |
|
7,6 |
41 |
0,0058 |
|
7,8 |
66 |
0,0093 |
|
8 |
143 |
0,0202 |
|
8,11 |
208 |
0,0294 |
|
8,2 |
161 |
0,0228 |
|
8,4 |
74 |
0,0105 |
|
8,6 |
46 |
0,0065 |
|
8,8 |
33 |
0,0047 |
|
9 |
26 |
0,0037 |
|
10 |
13 |
0,0018 |
|
Измеряют |
Вычисляют |
||||
|
|
|
|
|
|
7,07 |
|
8,15 |
8,9 |
|
|
|
|
|
|
5 |
4,229 |
0,000598 |
|
6 |
5,43 |
0,000768 |
|
7 |
6,355 |
0,000899 |
|
7,5 |
6,675 |
0,000944 |
|
7,95 |
6,819 |
0,000964 |
|
8,05 |
6,832 |
0,000966 |
|
8,15 |
6,838 |
0,000967 |
|
8,25 |
6,837 |
0,000967 |
|
8,35 |
6,831 |
0,000966 |
|
9 |
6,654 |
0,000941 |
|
9,5 |
6,405 |
0,000906 |
|
10 |
6,024 |
0,000852 |
|
11 |
5,379 |
0,000761 |
|
Измеряют |
Вычисляют |
||||||||
|
|
|
|
|
|
|
|
|
|
7,07 |
321 |
5,75 |
|
|
|
|
0,025 |
0,03 |
|
Измеряют |
Вычисляют |
|
f, кГц |
I, мА |
|
5,25 |
41 |
0,0058 |
5,4 |
60 |
0,0085 |
5,55 |
102 |
0,0144 |
5,7 |
262 |
0,0371 |
5,75 |
321 |
0,0454 |
5,8 |
255 |
0,0361 |
5,95 |
104 |
0,0147 |
6,1 |
85 |
0,0120 |
6,25 |
45 |
0,0064 |
Измеряют |
Вычисляют |
||||||||
|
|
|
|
|
|
|
|
|
|
|
3410 |
8,22 |
2,676 |
|
|
|
|
|
0,0152 |