Материал: Тесламетр

Внимание! Если размещение файла нарушает Ваши авторские права, то обязательно сообщите нам

Діапазон вимірів тесламетра буде від 1 мкТ до 100 мТ. Даного діапазону якраз вистачить для контролю магнітного поля землі, навколишнього середовища та слабо потужних магнітів. Даний прилад буде виготовлятись для лабораторій, або навчальних закладів як показовій прилад, або прилад тесту магнітної індукції магнітів. Отже виходячи із цього напруга живлення буде ~36 В (стандартна напруга в навчальних закладах). Клас точності необхідний нам тоді буде 5%. Умови роботи в приміщені отже температура в діапазоні кімнатної температури 25ºС.

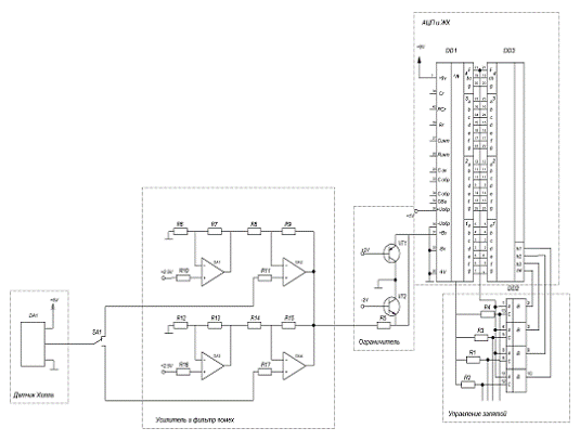
На Рис.5. приведена спрощенна електрична функціональна схема створена відповідно до зазначених параметрів.

Рис. 5 Електрична функціональна схема тесламетра

5. Розробка пропозицій щодо технічного завдання на дипломний проект

Із попередніх пунктів я можу рекомендувати такі наступні пропозиції щодо технічного завдання:

Умови експлуатації:

робоче значення атмосферного тиску від 650 мм рт. ст. до 800 мм рт. ст.;

температура навколишнього середовища від +10 до +35ºC;

відносна вологість повітря до 80 % при температурі навколишнього середовища +20ºC;

навколишнє середовище не вибухонебезпечне , наявність струмопровідного пилу і агресивних речовин неприпустимо;

Технічні дані:

діапазон вимірюваних значень величини індукції магнітного поля ±1мкТ ... ±100 мТл, для змінного магнітного поля вимірюється середній модуль індукції (середньовипрямлене значення);

роздільна здатність 1 мкТл ;

похибка вимірювання не більше 5 % + 1 од. рахунка;

частота вимірюваної змінного магнітного поля 10 ... 300 Гц при вищевказаної похибки вимірювання , 0 ... 1000 Гц при похибки вимірювання , що виходить за межі вищевказаної;

номінальну напругу мережі живлення ~36В;

номінальна частота живильної мережі 45 ... 65 Гц;

споживана потужність не більше 15 В ∙ А;

прилад має природне повітряне охолодження , готовий до роботи відразу після включення , час безперервної роботи не обмежений.

6. Вибір елементної бази тесламетрів

Для забезпечення неохідних нам технічних характеристик треба віконати підбір елесентної бази тесламетра.

Датчик Холла який буде викорастанно у пристрої буде SS49E провідного виробника магніточутливих датчиків HONEY. Його характеристики: Чутливий діапазон: 1mV / G ~ 1.75mV / G.

Напруга живлення: 3 V ~ 6.5 V.

Струм вихідний: 10mA. Струм - вихідний (макс.): 1mA.

Робоча температура: -40 °C ~ 100 °C.

Так як чутливість датчика 1мВ на 100мкТ то значить що на 1мкТ буде припадати напруга 10мкВ, а отже нам потрібно буде підсилити вихідні дані та відфільтрувати від завад, схему фільтрації синфазних шумів та підсилення пропоную виконати на Операційних підсилювачах КР140УД8А, дані підсилювачі мають виводи корекції нуля. І є досить стабільними та малошумящими, що нам і потрібно. Приведемо їхні характеристики:

Кількість каналів 1

Напруга живлення, В ± 15

Частота, МГц 3

Напруга зсуву, мВ 30

Температурний діапазон, C -45 ... +70

АЦП буде представлено мікросхемою КР572ПВ5. Мікросхеми КР572ПВ2, КР572ПВ5 являють собою інтегруючі аналого-цифрові перетворювачі на 3,5 десяткових розряду з виведенням інформації на семисегментні індикатори,. Аналоги: ICL71G6, ICL7107 фірм INTERSIL та MAXIM (США).

Мікросхеми призначені для застосування у вимірювальних приладах напруги, струму, опору, температури, маси та інших з виведенням інформації на семисегментний рідкокристалічний (КР572ПВ5) або світлодіодний (КР572ПВ2) індикатори.

Параметри АЦП:

Розрядність 3.5 (десят.)

Тип корпусу 2123.40-2 (pdip40)

Діапазон робочих температур, С -10 ... +70

Напруга живлення, В 9

Струм споживання, мА 1.8

Опорна напруга, В 1

Вибір на даній АЦП було зроблено із-за її розповсюдженості та можливості зміни опорної напруги із 1 В на 0,1В що дозволяє більш точніше виміряти малі величини, і ще головною перевагою є робота із ЖК індикаторами що може економити енерговитрати приладу.

Висновки

За час проходження переддипломної практики мною було підібрано необхідний матеріал для випускної кваліфікаційної роботи, вивчено теоретичну базу, яка необхідна для успішного виконання завдання на проектування, проведено аналіз стану питання., оцінив задачі, які необхідно розв’язати у процесі проектування та можливі шляхи їх розв’язання.

Мною була обрана тема створення вимірювального приладу магнітної індуктивності «Тесламетра», провів порівняльний аналіз із аналогами, та оцінив перспективність даної роботи.

магніт тесламетр індукція силовий

Список літератури

1.      Справочник «Электронные схемы на операционных усилителях» В.И. Щербаков, Г.И. Грездов. Киев «Техника»1983г.

2.      «Электроные схемы 1300 примеров» Р. Граф Издательство «Мир»1989г.

.        Справочник «Микромагнитоэлектроника», Бараночников М. Л. 2002г.

4.      Бараночников М.Л. Микромагнитоэлектроника. Т.1. Принципы функционирования основных изделий микромагнитоэлектроники.

5.      Шило В.Л., Бараночников М.Л. Микросхемы Холла серии К1116КП. Параметры и применение.

6.      Техічний альбом тесламетра виробництва ПАТ «Електровимірювачь».

7.      «Электрорадиоизмерения» Кушнир