Контрольная работа
Теплообменные аппараты. Теплопередача
Содержание
1. Основы теплового расчета теплообменных аппаратов
. Криогенные машины и установки. Назначение, устройство, основные элементы криогенных машин и установок
Список литературы
теплопередача криогенная установка
теплообменный аппарат
1. Основы теплового расчета теплообменных аппаратов
Теплообменными аппаратами называют устройства, в которых происходит передача теплоты от одного тела к другому. Тела, которые отдают или принимают теплоту, называют теплоносителями. Теплообмен между теплоносителями является одним из наиболее важных в технике процессов.
По принципу действия теплообменные аппараты могут быть разделены на рекуперативные, регенеративные и смесительные. Выделяются еще теплообменные устройства, в которых нагрев или охлаждение теплоносителя осуществляется за счет внутренних источников теплоты.
Рекуперативные теплообменные аппараты представляют собой устройства, в которых две жидкости с различными температурами текут в пространстве, разделенном твердой стенкой. Теплообмен происходит за счет конвекции и теплопроводности, а если хоть одна из жидкостей является излучающим газом, то и за счет теплового излучения. Примером таких аппаратов являются котлы, подогреватели, конденсаторы, выпарные аппараты и др.
Регенераторы - такие теплообменные аппараты, в которых одна и та же поверхность нагрева через определенные промежутки времени омывается то горячей, то холодной жидкостью. Сначала поверхность регенератора отбирает теплоту от горячей жидкости и нагревается, затем поверхность регенератора отдает энергию холодной жидкости. В регенераторах теплообмен всегда происходит в нестационарных условиях, а рекуперативные теплообменные аппараты большей частью работают в стационарном режиме.
Так как в регенеративных и рекуперативных аппаратах процесс передачи теплоты неизбежно связан с поверхностью твердого тела, то их еще называют поверхностными. В смесительных аппаратах теплопередача осуществляется при непосредственном контакте и смешении горячей и холодной жидкостей. Типичным примером таких теплообменников являются градирни. В градирнях вода охлаждается атмосферным воздухом. Воздух непосредственно соприкасается с водой и перемешивается с паром, возникающим из-за частичного испарения воды.
Независимо от принципа действия теплообменные аппараты, применяющиеся в различных областях техники, имеют свои названия. Однако с теплотехнической точки зрения все аппараты имеют одно назначение - передачу теплоты от одного теплоносителя к другому или поверхности твердого тела к движущимся теплоносителям. Последнее и определяет те общие положения, которые лежат в основе теплового расчета любого теплообменного аппарата.
Основные положения и уравнения теплового расчета
Тепловые расчеты теплообменных аппаратов могут быть проектными и поверочными. Проектные (конструктивные) тепловые расчеты выполняются при проектировании новых аппаратов, целью расчета является определение поверхности теплообмена. Поверочные тепловые расчеты выполняются, в случае если известна поверхность нагрева теплообменного аппарата и требуется определить количество переданной теплоты и конечные температуры рабочих жидкостей. Тепловой расчет теплообменных аппаратов сводится к совместному решению уравнений теплового баланса и теплопередачи. Эти два уравнения лежат в основе любого теплового расчета. Ниже названные уравнения приводятся для рекуперативных теплообменников.
Уравнение теплового баланса. Изменение энтальпии теплоносителя
вследствие теплообмена определяется соотношением
Здесь и в дальнейшем индекс «1» означает, что данная величина отнесена к горячей жидкости, а индекс «2» - к холодной. Обозначение (штрих) соответствует данной величине на входе в теплообменник, (два штриха) - на выходе.
Полагая, что ср=const и dh=cpdt, предыдущие уравнения можно записать:
Удельная теплоемкость ср зависит от температуры.
Поэтому в практических расчетах в уравнение подставляется среднее значение
изобарной теплоемкости в интервале температур от t' до t''.
При рассмотрении теплообменных аппаратов с непрерывно изменяющейся температурой
теплоносителей следует различать аппараты:
1) прямого тока; 2) противоточные; 3) перекрестного тока; 4) со сложным
направлением движения теплоносителей (смешанного тока).
2. Криогенные машины и установки.
Назначение, устройство, основные элементы криогенных машин и установок
К криогенным машинам в настоящее время можно отнести низкотемпературные машины, которые предназначены для производства холода на температурном уровне, как правило, ниже 120 К и перекачивания криогенных жидкостей. К таким машинам следует отнести расширительные машины - детандеры, криогенные газовые машины (КГМ), работающие по различным циклам, и криогенные насосы для перекачивания криогенных жидкостей.
Детандеры - это расширительные низкотемпературные машины, служащие для производства холода путем расширения рабочего тела с понижением температуры и отдачей внешней работы (энергии).
Термин «детандер» происходит от французского слова «dе'tendre», что означает уменьшение давления, и введен выдающимся французским ученым, академиком и создателем первого в мире детандера Жаком Клодом.
Детандеры получили широкое распространение в качестве генератора холода в воздухоразделительных установках (ВРУ), в гелиевых и водородных рефрижераторных и ожижительных системах для получения жидких гелия, водорода и других низкотемпературных жидкостей. В последнее время они стали широко применяться в ожижителях природного газа.
По
принципу действия детандеры представляют собой энергетические машины, в которых
одновременно с производством холода вырабатывается еще и работа в виде
механической и электрической энергии, которую можно использовать в качестве
привода различных машин и систем. Однако они отличаются от традиционных
энергетических машин (паровых и газовых турбин, двигателей и т.п.), прежде
всего температурным уровнем их работы. Если энергетические машины работают при
температурах T выше температуры окружающей среды
, т. е.
, то
детандеры работают при температурах T ниже
, т. е.
. Главным
назначением энергетических машин является производство работы, а главным
назначением детандеров - производство холода. Это отличие детандеров
накладывает на них особые условия работы, конструктивного оформления и
эксплуатации.
Криогенные газовые машины (КГМ) представляют собой низкотемпературные установки, в которых осуществляется весь обратный термодинамический цикл, предназначенный для производства холода. В КГМ одновременно сосредоточены и компрессор для сжатия газов и детандер для расширения газа, и теплообменные аппараты для передачи теплоты (холода).
Так, КГМ Стирлинга - это криогенная установка, в которой одновременно размещаются поршневой компрессор, поршневой детандер - вытеснитель, теплообменный аппарат для отвода тепла сжатия, регенеративный теплообменник и теплообменник нагрузки для отвода холода на низкотемпературном уровне. Реализация в такой криогенной машине целого цикла позволяет существенно сократить габаритные размеры и массу установки. Поэтому КГМ получили наибольшее распространение в микрокриогенной технике. Их также используют в качестве генераторов
холода в малых воздухоразделительных установках, гелиевых системах небольшой холодопроизводительности, для переконденсации паров при длительном хранении криогенных жидкостей, для ожижения воздуха и т.п.
Рис. 1. Схема криогенной установки с однократным дросселированием.
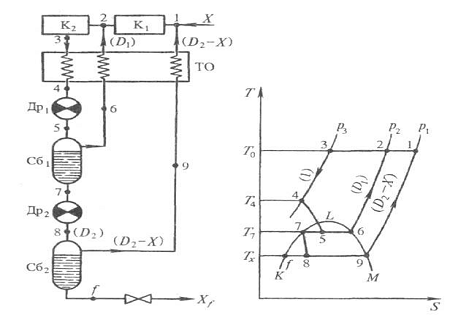
Рис. 2. Схема криогенной установки с двойным дросселированием
3.Теплопередача. Основные законы
теплопередачи
Теория теплопередачи, или теплообмена, представляет собой учение о процессах распространения теплоты в пространстве с неоднородным полем температур. Существуют три основных вида теплообмена: теплопроводность, конвекция и тепловое излучение. Теплопроводность - это молекулярный перенос теплоты между непосредственно соприкасающимися телами или частицами одного тела с различной температурой, при котором происходит обмен энергией движения структурных частиц (молекул, атомов, свободных электронов). Конвекция осуществляется путем перемещения в пространстве неравномерно нагретых объемов среды. При этом перенос теплоты неразрывно связан с переносом самой среды. Тепловое излучение характеризуется переносом энергии от одного тела к другому электромагнитными волнами. Часто все способы переноса теплоты осуществляются совместно. Например, конвекция всегда сопровождается теплопроводностью, так как при этом неизбежно соприкосновение частиц, имеющих различные температуры. Совместный процесс переноса теплоты конвекцией и теплопроводностью называется конвективным теплообменом. Частным случаем конвективного теплообмена является теплоотдача - конвективный теплообмен между твердой стенкой и движущейся средой. Теплоотдача может сопровождаться тепловым излучением. В этом случае перенос теплоты осуществляется одновременно теплопроводностью, конвекцией и тепловым излучением. Многие процессы переноса теплоты сопровождаются переносом вещества - массообменном, который проявляется в установлении равновесной концентрации вещества. Совместное протекание процессов теплообмена и массообменна называется тепломассообменном.
Теплопроводность определяется тепловым движением микрочастиц тела. В
чистом виде явление теплопроводности наблюдается в твердых телах, неподвижных
газах и жидкостях при условии невозможности возникновения в них конвективных
токов. Передача теплоты теплопроводностью связана с наличием разности
температур тела. Совокупность значений температур всех точек тела в данный
момент времени называется температурным полем. В общем случае уравнение
температурного поля имеет вид:
![]()
где
t - температура тела; х, у, z - координаты точки; τ - время. Такое температурное поле называется
нестационарным и отвечает неустановившемуся режиму теплопроводности. Если
температура тела не изменяется с течением времени, то температурное поле
называется стационарным. Тогда
![]()
Температура может быть функцией одной, двух и трех координат,
соответственно температурное поле будет одно-, дву- и трехмерным. Наиболее
простой вид имеет уравнение одномерного стационарного температурного поля:

Закон Фурье
Согласно
гипотезе Фурье, количество теплоты d2Qτ, проходящее через элемент изотермической поверхности dF
за промежуток времени dτ, пропорционально температурному градиенту
:
Здесь множитель λ называется коэффициентом теплопроводности. Знак минус
указывает на то, что теплота передается в направлении уменьшения температуры.
Количество теплоты, прошедшее в единицу времени через единицу изотермической
поверхности, называется плотностью теплового потока:
Список использованной литературы
1.Гребер Г., Эрк С., Григулль У., Основы учения о теплообмене, пер. с нем., М.,2009 г; - 239 с.;
. Кутателадзе С.С., Боришанский В.М. Справочник по теплопередаче. - М.: Госэнергоиздат, 2008 г; - 418 с.;
.Лебедев П.Д., Щукин А.А. Теплоиспользующие установки промышленных предприятий. (Курсовое проектирование). / Учеб. пособие для энергетических вузов и факультетов. - М.: Энергия, 2005 г;- 408 с.;
.С.С. Червяков «Основы холодильного дела», М, 2009 г; - 335 с.;
.Шорин С. Н., Теплопередача, 2 изд., М2002 г; Михеев М. А.,
Михеева И. М., Основы теплопередачи, 2 изд., М.,2003 г; - 456 с.;