Материал: Теоретические основы теплотехники 1

Внимание! Если размещение файла нарушает Ваши авторские права, то обязательно сообщите нам

126

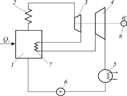
выхода их из строя. Поэтому в установках с высокими параметрами пара приходится применять так называемый промежуточный перегрев пара, что также ведет к повышению КПД установки (рис. 38).

Рис. 38. Схема паросиловой установки с промежуточным перегревом пара:

1 – парогенератор; 2 – пароперегреватель; 3 – турбина высокого давления (ТВД); 4 – турбина низкого давления (ТНД); 5 – конденсатор; 6 – питательный насос; 7 – промежуточный пароперегреватель; 8 – потребитель

В паросиловой установке с промежуточным перегревом пара, после расширения в турбине высокого давления (3) пар отводится в специальный пароперегреватель (7), где он вторично подогревается при давлении ррп до

температуры

t

1 , которая обычно несколько ниже, чем температура t1. Пере-

 

 

гретый пар поступает в турбину низкого давления (4), расширяется в ней до конечного давления р2 и уходит в конденсатор (5) (рис. 39).

Влажность пара после турбины при наличии перегрева пара значитель-

но меньше, чем она была бы без него (x1>x2) (рис. 39). Применение промежу-

точного перегрева в реальных условиях дает повышение КПД приблизитель-

127

но на 4 %. Этот выигрыш получается не только за счет повышения относи-

тельного КПД турбины низкого давления, но и за счет повышения суммар-

ной работы расширения пара по турбине низкого и высокого давлений. Дело

в том, что сумма отрезков

 

и

 

2

, характеризующих работу соответ-

1 1

1

ственно турбин высокого и низкого давлений, больше отрезка 1 e, характе-

ризующего работу расширения в турбине установки, в которой не применя-

ется промежуточного перегрева пара (рис. 39б).

а б

Рис. 39. Процесс расширения пара в установке с промежуточным перегревом

Циклы холодильных установок

Холодильные установки предназначены для охлаждения тел до темпе-

ратуры ниже температуры окружающей среды. Чтобы осуществить такой процесс, необходимо от тела отвести теплоту и передать ее в окружающую среду за счет работы, подводимой извне.

Холодильные установки широко используются в газовой промышлен-

ности при подготовке газа к транспорту в установках комплексной подготов-

ки газа (УКПГ), для охлаждения газа на компрессорных станциях маги-

128

стральных газопроводов, проложенных в районах многоголетнемерзлых по-

род, при переработке природного газа, при получении и хранении сжиженно-

го природного газа и т.д.

Теоретически наиболее выгодный цикл холодильной установки – об-

ратный цикл Карно. Однако цикл Карно в холодильных установках не ис-

пользуется из-за конструктивных трудностей, которые возникают при реали-

зации этого цикла, и, кроме того, влияние необратимых потерь работы в ре-

альных холодильных машинах настолько велико, что сводит на нет преиму-

щества цикла Карно.

Паровая компрессионная холодильная установка

Для получения неглубокого холода наибольшее распространение полу-

чили паровые компрессионные установки (рис. 40). В качестве рабочего тела в таких установках используют хладоагенты-низкокипящие жидкости (амми-

ак, фреон и др.). Холодильная установка состоит из холодильной камеры (5),

где должна быть температура ниже температуры окружающей среды, ком-

прессора (1), испарителя (4), конденсатора (2) и регулирующего дроссельно-

го вентиля (3) (рис. 40а).

а

б

 

Рис. 40. Схема (а) и цикл паровой компрессионной холодильной установки в координатах T-s (б)

129

При работе паровой компрессионной холодильной установки компрес-

сор засасывает из испарителя хладоагент в виде влажного насыщенного или сухого насыщенного пара при давлении выше атмосферного ( p1 pо.с ) и от-

рицательной температуре ( t1 0 ) (точка 1), и адиабатически его сжимает

(1–2) до более высокого давления р2. (рис. 40б). В конце сжатия (2) темпера-

тура хладоагента уже положительна и превышает температуру охлаждающей воды, которая в данной установке играет роль окружающей среды (t2 tо.с. ).

При этих параметрах компрессор подает рабочее тело (перегретый пар) в

конденсатор, где охлаждающая вода отнимает от него теплоту перегрева

(2-3) и парообразования (3–4). Вследствие этого пар при давлении

p2 = idem полностью конденсируется (точка 4). Конденсат проходит через вентиль (рис. 40а), в котором он дросселируется в изоэнтальпийном процессе

(h = idem) до давления p1 (4–5) и поступает в испаритель, где испаряется

(5–1), отбирая теплоту от охлаждаемых тел. Затем рабочее тело вновь посту-

пает в компрессор и цикл повторяется.

В установках большой мощности между холодильной камерой (5) и

испарителем (4) циркулирует рассол, отбирающий от охлаждаемых тел в ка-

мере (5) теплоту q2. Эта теплота в испарителе (4) используется для испарения хладоагента. В установках малой мощности, например в домашних холо-

дильниках, испаритель располагается в самой холодильной камере и, надоб-

ность в рассоле отпадает. В диаграмме Тs значению отводимого от охлажда-

емых тел количеству теплоты q2 в холодильной камере соответствует пло-

щадь с-5-1-а; работе lц, затрачиваемой в компрессоре на сжатие пара, соот-

ветствует площади цикла 1-2-3-4-5-1. Количество теплоты, передаваемое охлаждаемой воде или атмосферному воздуху (q1= q2+ lц), определяется площадью фигуры с-а-1-2-3-4-5-с.

Термодинамическая эффективность холодильных установок определя-

ется холодильным коэффициентом t . Холодильный коэффициент определя-

130

ется как отношение количества теплоты q2,

к затраченной в цикле работе lц

 

t

q

2

l

 

 

ц

отводимой от охлаждаемого тела,

.

(312)

Температура в холодильной камере холодильной установки зависит от положения регулирующего дроссельного вентиля (3). Так, при необходимо-

сти уменьшить эту температуру вентиль дополнительно прикрывается, в ре-

зультате чего происходит более глубокое дросселирование, а, следовательно,

и охлаждение рабочего тела до более низкой температуры (рис. 40б). При этом, процесс отвода теплоты от охлаждаемого тела будет происходить при более низкой температуре рабочего тела (5'–1'). Экономичность установки (χ)

снижается в силу уменьшения величины q2 и увеличения работы lц, затрачи-

ваемой на привод компрессора (соотношение 312) (рис. 40).

Воздушная холодильная установка

Для более глубокого охлаждения тел (получения более глубокого хо-

лода) используется воздушная холодильная установка (рис. 41).

Принцип действия воздушной холодильной установки основан на рас-

ширении предварительно сжатого и охлажденного воздуха. Воздух из холо-

дильной камеры (4) под давлением p1 поступает в компрессор (1), где адиа-

батно сжимается (1–2) до давления p2 и температуре T2. Сжатый воздух по-

дается в теплообменник (2), где охлаждается проточной водой до температу-

ры T3 (2–3), и подается в турбодетандер (3), где адиабатно расширяется (3–4)

до давления p1, при этом температура рабочего тела понижается до значения

T4. Охлажденный воздух поступает в холодильную камеру, где нагревается до температуры T1 (4–1).