Содержание
Введение
. Архитектурно-строительный раздел
1.1 Генплан участка
1.2 Объемно-планировочное решение
.3 Конструктивное решение
1.3.1 Фундамент
1.3.2 Стены
.3.3 Перегородки
.3.4 Окна
.3.5 Двери
.3.6 Полы
.3.7 Крыша, кровля
.3.8 Лестницы
1.4 Внутренняя отделка
1.5 Инженерное оборудование
2. Расчетно-конструктивный раздел
.1 Теплотехнический расчет ограждающих конструкций
.1.1 Теплотехнический расчет наружной стены
2.1.2 Теплотехнический расчет покрытия
2.2 Расчет свайного фундамента
.2.1 Исходные данные и сбор нагрузки
2.2.2 Расчет несущей способности забивной висячей сваи
2.3 Расчет монолитного ростверка
. Технологический раздел
.1 Область применения
3.2 Технология и организация выполнения работ
3.2.1 Требования к качеству предшествующих работ
3.2.2 Требования к технологии производства работ
.2.3 Технологические схемы производства работ
.2.4 Транспортирование и складирование изделий и материалов
3.3 Требования к качеству и приемке работ
.3.1 Требования к качеству поставляемых материалов и изделий
3.3.2 Схемы операционного контроля качества
.3.3 Перечень технологических процессов, подлежащих контролю
3.4 Техника безопасности и охрана труда, экологическая и пожарная безопасность
3.5 Потребность в ресурсах
3.5.1 Перечень машин и оборудования
3.5.2 Перечень технологической оснастки, инструмента, инвентаря и приспособлений
3.6 Технико-экономические показатели
.6.1 Продолжительность выполнения работ
3.6.2 График производства работ
.6.3 Трудоемкость и машиноемкость выполнения работ
4. Организационный раздел
.1 Общие данные
4.2 Выполнение основных строительно-монтажных работ
4.2.1 Работы нулевого цикла
4.2.2 Возведение коробки здания
.2.3 Отделочные работы
4.3 Стройгенплан
4.4 Расчет материально-технической базы
4.4.1 Расчет численности персонала строительства
4.4.2 Расчет временных зданий и сооружений
.4.3 Расчет потребности в воде
.4.4 Расчет потребности в электроэнергии
.4.5 Потребность в строительных машинах
4.5 Обоснование размеров площадок складирования
4.6 Основные технико-экономические показатели
.7 Техника безопасности
5. Безопасность и экологичность проекта
5.1 Анализ опасных и вредных производственных факторов при организации отделочных работ
.2 Расчет устойчивости монтажного крана
.3 Меры пожарной безопасности при эксплуатации здания
.4 Мероприятия по охране окружающей среды, предусмотренные проектом
Заключение
Список использованных источников
Введение
Быстровозводимые здания на сегодняшний день являются самыми востребованными, в основе лежат легкие ограждающие конструкции и прочный каркас, которые и позволяют возводить здания в короткие сроки, любого размера, формы и этажности. В отличие от деревянных и кирпичных построек, быстровозводимые конструкции позволяют снизить затраты на установку и демонтаж, а также на эксплуатацию. Здания из металлического каркаса наиболее распространены в производственной сфере, поэтому принято решение использовать рамно-связевую для проектируемого сооружения.
Темой выбранного мною дипломного проекта является «Технический блок эксплуатации магистрального газопровода Ухта-Торжок-Грязовец».
Данный проект рассчитан на строительство вдали от городской местности, а именно в 2 км от г.Грязовец.
Технический блок является вспомогательным помещением для обслуживания
газопровода, а также предназначен для отдыха рабочих. Здание выполнено из
металлического каркаса, с помещениями различного функционального назначения:
мастерские, помещения для специалистов, комната отдыха и приема пищи,
аккумуляторная, серверная.
1. Архитектурно-строительный раздел
Исходные данные для проектирования.
1 Назначение здания - Технический блок эксплуатации магистрального газопровода.
2 Место строительства - г. Грязовец Вологодской области.
Степень огнестойкости - 3.
Степень здания по функциональной пожарной опасности - Ф5.1.
Уровень ответственности здания - нормальный.
Нормативная глубина промерзания - 1,5м.
Климатический район - 2В.
Расчетная температура наружного воздуха - 32 0С.
Расчетная температура внутреннего воздуха+18 0С.
Преобладающие ветра - Ю.З.
Нормативная снеговая нагрузка-1,2кПа.
12 Грунтовые условия - суглинок.
1.1 Генплан участка
Проектируемое здание располагается на участке площадью 3266,28 м2. Главным фасадом здание ориентировано на восточную сторону. Его расположение принято согласно направлению господствующих юго-западных ветров для города Грязовца, а также с учетом инсоляции.
Ситуационный план приведен в приложении 1.
Планируемые отметки здания рассчитаны с учетом рельефа местности. Вертикальная планировка выполнена с учетом организации нормального стока поверхностных вод в пониженные места естественного рельефа.
Комплекс работ по благоустройству предусматривает устройство заасфальтированных въездов шириной 5,5 м к зданию и на стоянку для автомобилей, пешеходных дорожек из брусчатки, шириной 1,5м, устройство ограждения в виде забора. Проезды и тротуар ограждены бордюрным камнем высотой 150мм. Свободная от застройки территория озеленяется путем устройства газонов и посадки кустарников.
Проектирование транспортных и пешеходных связей, озеленение территории, размещение площадок различного назначения, покрытия приняты по всем требованиям и правилам [39].
Рельеф местности спокойный с небольшим уклоном.
Технико-экономические показатели генплана.
Площадь участка в границах благоустройства 3266,28 м2.
Площадь застройки 741,69 м2.
Площадь проездов 523,2 м2.
Площадь тротуаров 283,5 м2.
Площадь озеленения 1609,19 м2.
Площадь отмостки 67,5 м2.
Площадь площадок 41,2 м2.
.2 Объемно-планировочное решение
Проектируемое здание имеет прямоугольную форму в плане. Габаритные размеры 12,0 м * 60,0 м. Здание одноэтажное.
Путями для эвакуации служат главный вход, служебные входы в количестве 5 штук. Степень огнестойкости здания III.
За условную отметку 0,000 технического блока принимается уровень чистого пола первого этажа, что соответствует абсолютной отметке +186,260.
Высота здания 5,95 м от отметки 0.000 до парапета.
1.3 Конструктивное решение здания
Надземные конструкции здания выполнены в металлическом каркасе.
.3.1 Фундамент
В проектируемом здании разработаны фундаменты свайные железобетонные из свай прямоугольного и круглого сечения, марка свай С40.30-6 и С40.30-3.
Забивку свай производить в лидерные скважины диаметром 300мм глубиной на 1м выше проектной отметки конца свай. До начала массовой забивки свай необходимо выполнить испытания грунтов согласно требованиям ГОСТ 5686-94. Расстояние до ближайшей сваи должно быть не менее 450 мм [23].
Выполнить устройство монолитных железобетонных ростверков из бетона класса В20 и арматуры класса А300 и А400, а также металлических ростверков на сваях из прокатных профилей из стали марки С245, С235. Выполнить устройство монолитных ж/б балок из бетона класса В20 и арматуры класса А300, А400. Выполнить устройство монолитного ж/б цоколя из бетона класса В20 и арматуры класса А300, А 400, Вр-1, предусмотреть устройство утеплителя из пеноплекса толщиной 100мм и 50 мм.
предусмотреть устройство подготовки из бетона кл.В10 толщиной 100мм
предусмотреть устройство подготовки из пенополистерола по ГОСТ 15588-86 толщиной 100мм под монолитные фундаментные балки и ростверки
предусмотреть под фундаменты бетонную подготовку толщиной 100мм из бетона класса В10
выполнить обмазку боковых поверхностей ростверков, фундаментных балок и цоколя горячим битумом марки БН 50/50 за 2 раза по битумной грунтовке.
Арматура должна монтироваться в последовательности, обеспечивающей
правильное ее положение и закрепление. Перед установкой на ней должны быть
закреплены прокладки (сухарики из цементного раствора) для обеспечения фиксации
защитного слоя согласно таблице 9 СНиП 3.03.01-87 [22]. Стыковые и
крестообразные сварные соединения следует выполнять в соответствии с ГОСТ
14098-85 [14].
.3.2 Стены
В проектируемом здании в качестве ограждающей конструкции стен приняты
двухслойные стеновые панели толщиной 150мм без внутренней обшивки, производства
ЗАО «АЗНХ-М» г.Москва. Панели горизонтальной раскладки. Обшивку смонтированных
панелей выполяют профлистом С21-1000-0,7 ГОСТ 24045-94 [10] с
высококачественным полимерным покрытием «Pural». С внутренней стороны по
смонтированным участкам панелей устанавливаются стойки из оцинкованной стали
50мм по системе «Кнауф» [8] с шагом 600мм. Далее по стойкам растягивается
гидроизоляция из полиэтиленовой пленки и устанавливается внутренняя обшивка из
гипсоволокнистых листов «Кнауф» ГКЛС . Стеновые панели крепятся к конструкциям
каркаса на болтовые соединения. Комплектация фасонных элементов в узлах
соединения выполняется заводом-производителем.
Рисунок 1.1 - Узел крепления стеновых панелей
1.3.3 Перегородки
Перегородки в здании выполняются из пустотелого кирпича марки КОР 100/25
ГОСТ 530-2007 на растворе М75 с двусторонней расшивкой швов с устройством
крепления к каркасу, толщина перегородок 250мм и 120мм. Кирпичные перегородки
на отметке ±0,000 устанавливать на фундаментные балки. Крепление перегородок к
каркасу выполнить по узлам серии 1.431.6-28. Кладку перегородок вести до плит
покрытия с тщательной заделкой шва примыкания негорючей минеральной ватой и
нетвердеющей мастикой.
.3.4 Окна
Проемы для установки оконных и дверных блоков назначены в соответствии с объемно-планировочным решением здания и увязаны с размерами стандартных столярных блоков.
Заполнение оконных проемов запроектировано окнами из профилей ПВХ шириной 127мм ГОСТ 30673-99 [32] одинарной конструкции с двухкамерным стеклопакетом. Швы монтажные узлов примыкания оконных блоков выполнить по чертежам фирмы-изготовителя панелей ЗАО «АЗНХ-М» с тщательной заделкой для снижения уровня воздушного шума потока. Установка стеклопакетов (стекол) в рамочные элементы изделий и уплотнение притворов производят при помощи эластичных полимерных уплотняющих прокладок, устанавливаемых в пазы профилей внатяг по всему периметру притвора. Зазоры в стыках прокладок не допускаются. Прилегание прокладок должно быть плотным, препятствующим проникновению воды соединение профилей осуществляется при помощи угловых и Т-образных металлических крепежных элементов (уголков) с использованием винтов, самонарезающих шурупов или путем опрессовки. Для повышения герметичности и прочности соединения заполняют клеями-герметиками, не вызывающими коррозии металлических деталей соединений.
1.3.5 Двери
В проектируемом здании приняты двери металлопластиковые. Двери с
обозначением Д1, Д2, Д3 выполнены с пределом огнестойкости, установлены с
приспособлениями для самозакрывания, с уплотнением в притворах из морозостойкой
резины. Дверные блоки с обозначением Д4, Д5, Д6, Д7, Д8 установлены с
приспособлениями для самозакрывания с уплотнением в притворах; не имеют
запоров, препятствующих их свободному открыванию изнутри. Размеры дверных
блоков перед изготовлением уточняются по фактическим размерам проемов. Двери
приняты глухие, однопольные и двупольные ГОСТ31173-2003 [33]. Зазор между
стеной и дверной коробкой заполняется монтажной пеной и закрывается наличником.
.3.6 Полы
В проектируемом здании приняты 11 типов полов. Для утепления пола в зоне
его примыкания к наружным стенам, под бетонный подстилающий слой уложить
Пеноплэкс М35 (ТУ 5767-00246261013-99) толщиной 100мм по периметру здания на
ширину 1500мм от наружных стен в осях 5-11 и на 800мм в осях 1-5. По периметру
помещений выполнить установку деформационной, звукоизоляционной прокладки из
ДВП толщиной 10мм ГОСТ 27935-88 [40]. Укладку на пол керамической плитки «Грес»
на клею производить по предварительно выполненной цементной стяжке с
последующим заполнением швов раствором типа «Фуга» и защитой составом типа
«Дельфин». Наружные бетонные площадки выполнить с облицовкой керамогранитной
плитки на растворе М150.
.3.7 Крыша, кровля
В проектируемом здании для крыши принята рамная конструкция. Основными элементами, которой являются: металлические балки, прогоны, ригеля.
Кровля выполнена из кровельных панелей толщиной 150мм, шириной 1200мм производства ЗАО «АЗНХ-М» г.Москва по сплошному настилу из металлического профилированного настила НС 44-1000-0,7 [10], установленного по стальным прогонам, сверху кровельная панель покрывается профилированным листом НС-1000-0,7. Отверстия под вентиляционные каналы выполняются по месту.
Рамная конструкция изготовлена из стали марки С245.
.3.8 Лестница
В проектируемом здании в помещении шахты и крылец приняты металлические лестницы.
Изготовление и монтаж конструкций производится в соответствии с требованиями СНиП 3.03.01-87. Заводские соединения приняты сварными. Монтажные соединения приняты на монтажных болтах М16 и монтажной электросварке. Сварка производится электродами типа Э-42 по ГОСТ 9467-75* [41]. Высота катета шва не менее 4 мм. Перед покраской металлические изделия подвергаются 3-ей степени очистки от окислов согласно СНиП 2.03.11-87. Все металлические конструкции окрашиваются двумя слоями эмали ПФ-115 по грунтовке ГФ-021. Профильный прокат принимается из стали С235 [9].
Так же предусмотрены ограждения лестниц высотой 1,2 м, крепятся на
сварке.
Рисунок 1.2 - Сечение лестницы
1.4 Внутренняя отделка
Наружной отделкой проектируемого здания является обшивка стеновых панелей
профлистом С21-1000-0,7 [10] с цветным полимерным покрытием «Pural». Железобетонный цоколь облицован
природным камнем по металлической сетке с тщательным заполнением раствором
образовавшихся пазух между облицовкой и цоколем.
Таблица 1.1 - Сводная ведомость
отделки помещений, площадь м2
Наименование или номер
помещения
Потолок
Площадь
Стены или перегородки
Площадь
Прим.
Операторная, аппаратная,
серверная, комната приема пищи, ЛАЦ и АТС, помещения начальника и главных
специалистов
Подвесной потолок Минерало
волокнистый потолок «Armstrong»,плита 600х600х19 (огнезащитный)
398,1
Затирка гипсокартонных
листов обшивки наружных стен. Облицовка стен декоративными панелями «Гипласт»
толщ. 13мм с прочным пластиковым покрытием по металлическому каркасу.
91,0 750,0
Облицовка до подвесного
потолка
Мастерская КИПиА и связи,
гардероб, радиоузел
Подвесной потолок
Минераловолоскинстый потолок «Armstrong»,плита 600х600х19 (огнезащитный)
39,0
Затирка гипсокартонных
листов обшивки наружных стен. Высококачественная штукатурка кирпичных
перегородок. Высококачественная окраска моющейся акриловой краской.
31,5 200,0 231,5
Тамбур по оси 4
Подвесной потолок
Минераловолоскинстый потолок «Armstrong»,плита 600х600х19 (огнезащитный)
3,6
Гипсокартон ГКЛО 12,5мм
ГОСТ 6266-97 по металлическому каркасу «Кнауф». Затирка гипсокартонных
листов. Высококачественная окраска моющейся акриловой краской.
26,0 26,0 26,0
Тамбуры по оси 7
Минераловолоскинстый
потолок «Armstrong»,плита 600х600х19 (огнезащитный
5,6
Облицовка стен
декоративными панелями «Гипласт» толщ.13мм с прочным пластиковым покрытием по
металлич. каркасу «Кнауф»100мм. Облицовка ГКВЛО 12,5мм. Затирка
гипсокартонных листов.
44,0 12,0 12,0
Облицовка до подвесного
потолка
Щитовая КТП, щитовая,
венткамера, узел ввода, шахта
-----
---
Затирка гипсокартонных
листов обшивки наружных стен. Высококачественная штукатурка кирпичных
перегородок. Высококачественная окраска моющейся акриловой краской.
208,0 483,0 691,0
Санузлы, душевая, помещение
МОП
Подвесной потолок Реечный
алюминиевый потолок «NE», рейка сплошного типа
12,5
Штукатурка кирпичных
перегородок. Облицовка глазурованной плиткой на клею до подвесного потолка.
Затирка гипсокартонных листов.
56,0 64,0 14,0
Аккумуляторная, кислотная
------
--
Затирка гипсокартонных
листов обшивки наружных стен. Высококачественная штукатурка кирпичных
перегородок. Высококачественная окраска кислотостойкой краской.
32,0 160,0 192,0
.5 Инженерное оборудование
Инженерные коммуникации - водопровод, канализация, отопление приняты в
виде трубопроводов, подводятся к проектируемому зданию под землей.
В проектируемом здании планируется хозяйственно-питьевой водопровод от
внешних городских сетей. От наружного водопроводного колодца прокладывается
трубопровод с холодной водой под уклоном 0,005% (ввод в здание). В здании
располагается водомерный узел, который состоит из водосчетчика, задвижек,
контрольно-спускного крана, насосная установка. Далее идет магистральный
трубопровод, по которому вода поступает к сантехническим приборам и к
оборудованию моечных камер. На всех ответвлениях от магистрального трубопровода
устанавливается запорная арматура. Манометры устанавливаются до и после насоса,
термометры - до и после водонагревателя. Трубопроводы системы водоснабжения -
стальные оцинкованные.
Хозяйственно-бытовая канализация - с выводом во внешнюю городскую
канализацию через канализационный выпуск, который устраивается под уклоном
0,003% к колодцу. Каждый сантехнический прибор оборудуется гидрозатвором. На
канализационном выпуске, на каждом этаже устанавливается ревизия, которая
позволяет очищать трубу в обоих направлениях. Канализационные трубопроводы -
чугунные.
Отопление - водяное централизованное с температурой воды-теплоносителя 950
С. На входе в здание его температура равна 700С. На подающей
магистрали устанавливается элеватор. Далее идет главный стояк, от которого
отходят разводящие магистрали. От них теплоноситель поступает к отопительным
приборам - стальным штампованным радиаторам. От прибора вода идет к обратной
магистрали, проходя через водомер. Термометры и манометры устанавливаются до и
после элеватора и до водомера.
Вентиляция - механическая, непрерывно действующая приточно-вытяжная, при
которой загрязненный воздух удаляется из помещений через специальные трубы с
обеспечением гарантированного подпора воздуха и кратностью воздухообмена не
менее 8 объемов помещения в час. Система вентиляции в процессе эксплуатации
обеспечивает температуру воздуха, кратность и нормы воздухообмена в различных
помещениях в соответствии с установленными требованиями. При достижении
критического порога содержания транспортируемого газа в воздухе помещений
автоматически включаются аварийная вытяжная вентиляция. Вводы в помещения
оборудованы вентиляционной установкой (ВУ) и вентиляционно-распределительным
устройством (ВРУ). В электропомещениях, помещениях КИП и анализаторных
применяется воздушное отопление, совмещенное с приточной вентиляцией.
В помещениях насосных и компрессорных, аварийная вентиляция должна
обеспечивать 8-кратный воздухообмен дополнительно к постоянно действующей
механической общеобменной вентиляции.
Вентиляционные камеры должны быть вентилируемыми, поэтому приточные
камеры - имеют подпор, вытяжные - естественную вытяжку.
Осветительные сети подводятся от внешнего источника и выполняются
скрытыми под штукатуркой.
фундамент коммуникация свая ростверк
2. Расчетно-конструктивный раздел
.1 Теплотехнический расчет ограждающих конструкций
.1.1 Теплотехнический расчет наружной стены
Рисунок 2.1- Сечение сэндвич панели
Таблица 2.1 - Конструкция наружной
стены
Название
Толщина, м
Теплопроводность материала,
Вт/(м.ос)
1. Сталь-жесть ЛТ
d = 0,001
l= 58,000
2. Пароизоляция
d = 0,0005
l1 =
0,300
3. Минвата-50кг/м3
d = 0,120
l1 =
0,047
4. Сталь-жесть ЛТ
d = 0,001
l1 =
58,000
а) Определим требуемое сопротивление ограждающей конструкции Rотр
исходя из D (градус - сутки отопительного
периода)
D=(tint- tht)·zht.,
оС*сут, (2.1)
где tint= 21оС - температура
внутреннего воздуха для зданий,
text= -26оС - температура воздуха наиболее холодной
пятидневки обеспеченностью 0,92
tht= -15оС - средняя температура периода со средней
суточной температурой воздуха в г. Грязовец, Вологодской обл.
zht. = 205- число суток отопительного периода в г. Грязовец, Вологодской обл.
D = (21-2,3)×205=3833,5оС*сут.
Rотр= 2,4м 2 · оС/Вт
б) Фактическое термическое сопротивление наружных стен Rо:
Rо
= 1/aн + 1/aв + SRi, , м 2 * оС/Вт , (2.2)
где aн - коэффициент теплоотдачи наружной
поверхности ограждающей поверхности,aн = 23 (Вт /м 2 * оС );
aв = 8,7 (Вт
/м 2 * оС ) - коэффициент теплоотдачи
внутренней поверхности ограждающей поверхности,
SRi = S(di/li ) - сумма термических сопротивлений многослойной
ограждающей конструкции.
Rо
= 1/8,7 + 0,001/58
+ 0,0005/0,3 +0,120/0,047 +0,001/58+1/23=2,671 м 2 ·оС/Вт.
R0=2,671 Rо
= 2,457 м 2 *
оС/Вт >Rтр= 2,4 м 2 * оС/Вт
- условие выполняется.
Вывод: По результатам теплотехнического расчета принят утеплитель
Минвата-50кг/м3 толщиной 120 мм.
.1.2 Теплотехнический расчет перекрытия
Таблица 2.2 - Конструкция перекрытия
Название
Толщина, м
Теплопроводность материала,
Вт/(м.ос)
1. Профнастил, Н75-750-0,8
d = 0,8
l= 58,000
2. Бетон
d = 0,06
l = 1,86
3. Пароизоляционная пленка
d = 0,001
l = 0,17
4. Экструдированный пенополистирол
“XPS ISOBOX-250 стандарт”
d = 0,130
l = 0,046
5. Плиты из минваты
“ISOBOX-250 РУФ Н”
d = 0,040
l = 0,03
6. Мембрана “Пластофил F”
d = 0,0012
l = 0,33
Рисунок 2.2- Сечение перекрытия
а) Определим требуемое сопротивление ограждающей конструкции Rотр,
исходя из D (градус - сутки отопительного
периода) по формуле (2.1),
D = (21-2,3)×205=3833,5оС*сут.
Rотр= 3,54м 2 · оС/Вт
б) Фактическое термическое сопротивление перекрытия Rо находим
по формуле (2.2),
Приведенная толщина бетона t=60мм
Rа.l=0,15 - термическое сопротивление
замкнутой воздушной прослойки при t=159мм .
Rо=1/8,7+0,001/58+0,06/1,86+0,001/0,17+0,13/0,046+0,04/0+0,001/0,33+
+1/23= 4,36 м 2 ·оС/Вт.
R0=4,360 Rо
= 4,011 м 2 *
оС/Вт >Rтр= 3,54 м 2 * оС/Вт
- условие выполняется.
Вывод: По результатам теплотехнического расчета принята выбранная
конструкция кровли, приведенная на рисунке 2.2.
2.2 Расчет свайного фундамента
.2.1 Исходные данные и сбор нагрузки [31]
Таблица 2.3 - Сбор нагрузок, кН/м2
Наименование нагрузки
Нормативное значение
γf
γn
Расчетное значение
1. Сплошной профилированный
настил t=0.72*m*10/ cosα=2*5,7*10/0,9
0,127
1,05
1
0,133
2. Кровельная панель ЗАО
«АЗНХ-М» t=0.15м G*10/b*l*cosα=25,1*10/1,2*6*0,9
0,039
1,2
1
0,047
3. Прогон Швеллер №24 m*10/а*cosα=25,8*10/1,2*0,9
0,239
1,05
1
0,251
4. Балка Двутавр №35Ш2 m*10/а*cosα=48,6*10/6*0,9
0,09
1,05
1
0,095
5. Итого постоянная ∑1+2+3+4
0,495
-
1
0,526
6. Снеговая Sn=0,7*Се*Сt*m*Sg=0,7*1*1*1*2400
0,168
1,4
1
2,352
Итого полная ∑5+6
2,175
-
-
2,926
Сбор нагрузки на сваи по оси А
Постоянная нагрузка на покрытие
где g - вся постоянная нагрузка,
b - ширина грузовой площади,- число междуэтажных перекрытий.
Временная нагрузка на покрытие и перекрытия
где p - вся временная нагрузка,
Расчетная нагрузка на колонну:
N= qм2*а*l+ gкол, кН
N=3*6*6+4,25=101,25
кН
Нагрузка от панелей наружной стены
где Нст = 5,2 м -высота всей стены,
δ - толщина панели,
Нагрузка от фундаментных балок
где δф = 0,4 м - толщина балок,
Нф = 0,6 м - высота фундаментных балок,
Нагрузка от ростверка
Общая нагрузка будет равна
По рабочим чертежам принята свая марки С80.30-12, сечение 300х300мм,
расчетная нагрузка на сваю N=220,25кН,
глубина заложения ростверка d=1,4м.
Участок строительства сложен из 6 последовательно изменяющихся слоев. Характеристики
грунтов и инженерно-геологический разрез приведены в приложении 2.
Грунтовые условия:
грунт №1-насыпной, l1=1,2м.
грунт №2-суглинок, l2=1,6м, УL=0,12.
грунт №3-суглинок, l3=2,1м, УL=0,38.
грунт №4-суглинок, l4=1,4м, УL=0,27.
грунт №5-суглинок, l5=2,6м, УL=0.
На рисунке 2.3 показана колонка грунтов и расчетная схема свайного
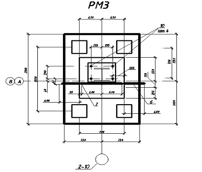
фундамента для сечения по осям 2-10 А-В.
.2.2 Расчет несущей способности забивной висячей сваи [23]
Определяю периметр сваи:
U=4*b, м,(2.10)
U=4*0,3=1,2м
Определяю площадь сечения сваи:
А=b2=0,32=0,09м2(2.11)
Определяю глубину погружения нижнего конца сваи:
z=d+lсв-hзд, м ,(2.12)
z=1,4+8-0,45=8,95м
Определяю расчетное сопротивление под нижним концом сваи методом
интерполяции:
При z=7м, R1=9700кПа
z=10м,
R2=10500кПа
R=R1+z-z1/z2-z1*(R2-R1), кПа,(2.13)
R=9700+8,95-7/10-7*(10500-9700)=10220кПа
Определяю расчетное сопротивление по боковой поверхности забивной сваи:
Таблица 2.4 - Определение расчетного сопротивления по боковой поверхности
забивной висячей сваи
Наименование природного
слоя
Толщина элементарного слоя
Глубина расположения слоя zi , м
fi кПа
fi*hi кН/м
Суглинок УL=0,12 l=1,6м
h1=1,4м
z1=d+h1/2=1,4+1,4/2=2,1
42,6
59,6
Суглинок УL=0,38 l=2,1м
h2=1,1м
z2=z1+h1/2+h2/2=2,1+0,7+0,55=3,35
36,05
39,6
h3=1,0м
z3=z2+h2/2+h3/2=3,35+0,55+0,5=4,4
38,8
38,8
Суглинок УL=0,27 l=1,4м
h4=1,4м
z4=z3+h3/2+h4/2=4,4+0,5+0,7=5,6
57,2
80,1
Суглинок УL=0 l=2,6м
h5=1,3м
z5=z4+h4/2+h5/2=5,6+0,7+0,65=6,95
59,9
77,9
h6=1,3м
z6=z5+h5/2+h6/2=6,95+0,65+0,65=8,25
62,4
81,1
∑fi*hi=377,2кН/м
Для каждого элементарного слоя определяю расчетное сопротивление по
боковой поверхности сваи:
fn=fв+zi-zв/zн-zв*(fн-fв), кПа,(2.14)
при z1=2,1м
fi1=fв+zi-zв/zн-zв*(fн-fв)=42+2,1-2/3-2*(48-42)=42,6кПа
при z2=3,35м
fi2=fв+zi-zв/zн-zв*(fн-fв)=35+3,35-3/4-3*(38-35)=36,05кПа
при z3=4,4м
fi3=fв+zi-zв/zн-zв*(fн-fв)=38+4,4-4/5-4*(40-38)=38,8кПа
при z4=5,6м
fi4=fв+zi-zв/zн-zв*(fн-fв)=56+5,6-5/6-5*(58-56)=57,2кПа
при z5=6,95м
fi5=fв+zi-zв/zн-zв*(fн-fв)=58+6,95-6/8-6*(62-58)=59,9кПа
при z6=6,95м
fi6=fв+zi-zв/zн-zв*(fн-fв)=62+8,25-8/10-8*(65-62)=62,4кПа
Определяю несущую способность сваи:
Fd=γc*(γCR*R*A+U*∑γcf*fi*hi),
кН,(2.15)
Fd =1*(1*10220*0,09+1,2*1*377,2)=1372,44кН
Допускаемая нагрузка на сваю:
Nдоп=Fd/γk , кН,(2.16)
где γk-коэффициент надежности равен 1,4, так как несущая
способность сваи определена расчетом по формулам и таблицам СНиП.
Nдоп=1372,44/1,4=980,3кН
Определяю число свай:
С=N/ Nдоп, шт,(2.17)
С=220,25/980,3=0,2≈1шт.
В связи с тем, что несущая способность сваи исчерпана всего на 20%,
укорачиваем сваю до 5м.
Исходя из физико-механических свойств грунтов и сравнив допускаемую
нагрузку на сваю с расчетной можно уменьшить длину сваи и принять марку С
40.30-8, сечение 300х300мм,l=4м,
расчетная нагрузка на сваю N=220,25кН,
глубина заложения ростверка d=1,4м.
Грунтовые условия:
грунт №1-насыпной, l1=1,2м.
грунт №2-суглинок, l2=1,6м, УL=0,12.
грунт №3-суглинок, l3=2,1м, УL=0,38.
Рисунок 2.4 - Колонка грунтов и расчетная схема свайного фундамента.
Расчет несущей способности забивной висячей сваи
Определяю периметр сваи по формуле (2.10):
U=4*0,3=1,2м
Определяю площадь сечения сваи по формуле (2.11):
А=b2=0,32=0,09м2
Определяю глубину погружения нижнего конца сваи по формуле (2.12):
z=1,4+4-0,45=4,95м
Определяю расчетное сопротивление под нижним концом сваи методом
интерполяции:
При z=4м, R1=1600кПа
z=5м, R2=2000кПа
R=R1+z-z1/z2-z1*(R2-R1)=1600+4,95-4/5-4*(2000-1600)=1980кПа
Определяю расчетное сопротивление по боковой поверхности забивной сваи:
Таблица 2.5 - Определение расчетного сопротивления по боковой поверхности
забивной висячей сваи
Наименование природного
слоя
Толщина элементарного слоя
Глубина расположения слоя zi , м
fi кПа
fi*hi кН/м
Суглинок УL=0,12 l=1,6м
h1=1,4м
z1=d+h1/2=1,4+1,4/2=2,1
42,6
59,6
Суглинок УL=0,38 l=2,1м
h2=1,1м h3=1,0м
z2=z1+h1/2+h2/2=2,1+0,7+0,55=3,35 z3=z2+h2/2+h3/2=3,35+0,55+0,5=4,4
36,05 38,8
39,7 38,8
∑fi*hi=138,1кН/м
Для каждого элементарного слоя определяю расчетное сопротивление по
боковой поверхности сваи по формуле (2.14):
при z1=2,1м
fi1=fв+zi-zв/zн-zв*(fн-fв)=42+2,1-2/3-2*(48-42)=42,6кПа
при z2=3,35м
fi2=fв+zi-zв/zн-zв*(fн-fв)=35+3,35-3/4-3*(38-35)=36,05кПа
при z3=4,4м
fi3=fв+zi-zв/zн-zв*(fн-fв)=38+4,4-4/5-4*(40-38)=38,8кПа
Определяю несущую способность сваи по формуле (2.15):
Fd= 1*(1*1980*0,09+1,2*1*138,1)=343,92кН
Допускаемая нагрузка на сваю по формуле (2.16):
Nдоп=343,92/1,4=245,7кН
Определяю число свай по формуле (2.17):
С= 220,25/245,7=0,9≈1шт.
Вывод: допускаемая нагрузка на сваю больше чем расчетная, поэтому
принимаю марку свай для данного проекта С40.30-8.
.3 Расчет монолитного ростверка
По рабочим чертежам принят монолитный железобетонный ростверк
ступенчатого типа: hст=0,6м, сечение ростверка
прямоугольное 2,1м*1,5м.
На рисунке 2.5 показана компоновка куста свай.
Рисунок 2.5 - Сечение монолитного ростверка
Расчет монолитного ростверка в плоскости рамы производится на основании
[23]
Расчетные схемы приведена на рисунках 2.6 и 2.7.
Расчетная нагрузка на ростверк:
q = N/l, кН/м,(2.18)
q =
220,25/2,1=104,88 кН/м
Рисунок 2.6 - Расчетная схема ростверка
Определяю усилия:
Vа=Vb=q*l/2, кН,(2.19)
Vа=Vb=q*l/2=104,88*2,1/2=110,12кН
Определяю моменты возникающий на опоре:
Моп=q*а2/2, кН,(2.20)
Моп=q*а2/2=104,88*0,32/2=4,7кН
Мпр=Vа*С/2-q*l2/8, кН,(2.21)
Мпр=Vа*С/2-q*l2/8=110,12*1,5/2-104,88*2,12/8=24,77кН
Расчетное сечение ростверка прямоугольное:
Определяю рабочую высоту сечения:
h0=h-а, м,(2.22)
h0=600-50=550мм=0,55м
Определяю табличный коэффициент:
Т.к. бетон класса В20, то расчетное сопротивление бетона Rb=11,5 МПа; т.к. арматура класса А400,
то расчетное сопротивление арматуры Rs=355Мпа.
α=Ммах/Rb*b*h02(2.23)
α=24,77/11,5*103*1,5*0,552=0,005≈0,01
ŋ=0,995
Определяю требуемую площадь рабочей арматуры:
Аsтр= Ммах/ Rs*ŋ*h02,
см2,(2.24)
Аsтр =24,77/355*103*0,995*0,552=2,34см2
Ростверк армируется сеткой, шаг стержней s1=145
Число стержней n1=b/ s1=1500/145=10,3≈10шт.
По проекту приняты стержни 10φ12А400 Аs=11,3см2
Так как требуемая площадь Аsтр=2,34см2<Аs=11,3см2, то диаметр стержней
арматуры принят достаточным.
Расчет монолитного ростверка из плоскости рамы [23]
Рисунок 2.7 - Расчетная схема ростверка
Расчетная нагрузка на ростверк по формуле (2.18):
q =
220,25/1,5=146,83 кН/м
Определяю усилия по формуле (2.19):
Vа=146,83*1,5/2=110,12кН
Определяю моменты возникающий на опоре по формулам (2.20 , 2.21):
Моп=146,83*0,32/2=6,61кН
Мпр=110,12*0,9/2-146,83*1,52/8=90,85кН.
Расчетное сечение ростверка прямоугольное:
Определяю рабочую высоту сечения по формуле (2.22):
h0 =600-50=550мм=0,55м
Определяю табличный коэффициент по формуле (2.23):
Т.к. бетон класса В20, то расчетное сопротивление бетона Rb=11,5 МПа; т.к. арматура класса А400,
то расчетное сопротивление арматуры Rs=355Мпа.
α =90,85/355*103*2,1*0,552=0,0004≈0,01
ŋ=0,995
Определяю требуемую площадь рабочей арматуры по формуле (2.24):
Аsтр =90,85/355*103*0,995*0,552=8,62см2
Ростверк армируется сеткой, шаг стержней s2=205
Число стержней n2=b/s2=2100/205=10,2≈10шт.
По проекту приняты стержни 10φ12А400 Аs=11,3см2
Так как требуемая площадь Аsтр=8,62см2<Аs=11,3см2, то диаметр
стержней арматуры принят достаточным.
Армирование ростверка приведено в графической части на листе 4.
3. Технологический раздел
3.1 Область применения технологической карты
Технологическая карта разработана на монтаж стальных конструкций
технического блока эксплуатации магистрального газопровода
Ухта-Торжок-Грязовец. Поставщиками основных строительных материалов и
конструкций являются заказчик; остальные конструкции и материалы - различные
организации изготовители г. Вологда, а также местные организации.
Грунт под подошвой фундамента - суглинок песчанистый.
Инженерно-геологический раздел и характеристики грунтов приведены в Приложении
2.
Монтаж металлического каркаса производится отдельными, готовыми,
конструктивными элементами в виде колонн, связей, стоек фахверка [25].
Монтажный механизм принят с учетом наличия его в строительной
организации.
.2 Технология и организация выполнения работ
.2.1 Требования к качеству предшествующих работ
До начала монтажа колонн должны быть полностью закончены и приняты
заказчиком следующие работы:
устройство фундаментов под монтаж колонн;
произведена обратная засыпка пазух траншей и ям;
грунт спланирован в пределах нулевого цикла;
устроены временные подъездные дороги для автотранспорта;
подготовлены площадки для складирования конструкций и работы крана;
- должна быть организована рабочая зона строительной площадки.
3.2.2 Требования к технологии производства работ
Монтаж металлических конструкций осуществлять в соответствии с
требованиями [22], [42], рабочего проекта и инструкций заводов-изготовителей.
Замена предусмотренных проектом конструкций и материалов допускается только по
согласованию с проектной организацией и заказчиком. Во время производства работ
на границах опасной зоны установить предупредительные знаки. Комплексный
процесс монтажа металлических конструкций состоит из следующих процессов и
операций:
геодезическая разбивка местоположения колонн на фундаментах;
установка, выверка и закрепление готовых колонн на фундаментах;
Основные операции при монтаже колонн: строповка, подъем, наводка на
опоры, выверка и закрепление. Стропуют колонны за верхний конец. Колонны
захватывают стропами или полуавтоматическими захватными приспособлениями. После
проверки надежности строповки колонну устанавливает звено из 4-х рабочих. Звеньевой
подает сигнал о подъеме колонны. На высоте 30-40 см над верхним обрезом
фундамента монтажники направляют колонну на анкерные болты, а машинист плавно
опускает ее. При этом два монтажника придерживают колонну, а два других
обеспечивают совмещение в плане осевых рисок на башмаке колонны с рисками,
нанесенными на фундамент, что обеспечивает проектное положение колонны, и она
может быть закреплена анкерными болтами.
Первыми монтируют пару колонн, между которыми расположены вертикальные
связи, закрепляют их фундаментными болтами. Раскрепляют первую пару колонн
связями и балками. Стропы снимают с колонны только после ее постоянного
закрепления. Устанавливают после каждой очередной колонны вертикальные связи
или распорку, т.к. колонна должна быть быстро закреплена к смонтированным
конструкциям и расстроплена, чтобы не простаивал монтажный кран. Вертикальные
связи должны быть установлены и закреплены согласно проекту, временное
закрепление конструкции выполняют сварными и болтовыми соединениями. Сварные
соединения металлоконструкций выполняются электродами типа Э42 [41].
.2.3 Технологические схемы производства работ
Выбирается комплексно-поточный метод производства монтажных работ. Здание
разбивается на захватки (отдельные пространственно-жесткие секции здания).
Монтаж ведется в несколько проходок монтажного крана или специальными потоками,
каждому из которых придают комплекс монтажных и пространственных машин и
соответствующую машинную оснастку.
Монтаж сборных элементов одноэтажного промышленного здания ведется в
следующей последовательности:
Подготовительные работы:
) организация рабочей зоны строительной площадки;
) транспортировка и складирование оборудования материалов и
конструкций.
Основные работы:
) строповка и расстроповка конструкций;
) подъем, наводка и установка конструкций на опоры;
) выверка и временное закрепление конструкций;
) постоянное закрепление конструкций. Заключительные работы:
) уборка и восстановление обустройства территории.
3.2.4 Транспортирование и складирование изделий и материалов
При погрузке конструкций на транспортные средства и их выгрузке должна
соблюдаться схема строповки и расположения конструкций на транспортных
средствах и временных площадках складирования. Элементы конструкций, у которых
верх трудно отличим от низа, должны иметь надпись "верх" или другие
опознавательные знаки для определения правильного их положения при перевозке и
складировании. При перевозке и временном складировании конструкций необходимо
соблюдать следующие требования:
1) конструкции должны находиться в положении, близком к проектному
(балки, фермы, плиты, панели и т. п.), а при невозможности выполнения этого
условия - в положении, удобном для транспортировки и передачи в монтаж
(колонны, рамы и т. п.);
2) конструкции должны опираться на инвентарные подкладки и прокладки
прямоугольного сечения, располагаемые в местах соответственно требованиям
проекта;
) толщина подкладок и прокладок должна быть не менее 30 мм и не
менее чем на 20 мм превышать высоту строповочных петель и других выступающих
частей конструкций. При многоярусной погрузке и складировании однотипных
конструкций подкладки и прокладки должны располагаться на одной вертикали, по
линии соответственно размещению подъемных устройств (петель, отверстий) либо в
местах, указанных в рабочих чертежах;
) конструкции при транспортировке должны быть надежно укреплены
для предохранения от опрокидывания, продольного и поперечного смещения,
взаимных ударов друг о друга или о конструкции транспортных средств. Крепления
должны обеспечивать возможность разгрузки каждого элемента с транспортных
средств без нарушения устойчивости остальных;
) выпуски, резьба болтов, закладные и приваренные детали должны
быть предохранены от повреждения;
) заводская маркировка должна быть доступна для осмотра;
) конструкции не должны соприкасаться с грунтом и на них не должна
застаиваться вода;
) мелкие детали для монтажных соединений следует прикреплять к
отправочным элементам или отправлять одновременно с конструкциями в ящиках,
снабженных бирками с указанием марок деталей и их числа;
) конструкции при складировании должны быть рассортированы по
маркам и уложены с учетом очередности их использования при монтаже;
10) площадки для временного складирования конструкций следует создавать
при невозможности вести монтаж непосредственно с транспортных средств; они
должны размещаться в зоне действия монтажных механизмов.
3.3 Требования к качеству и приемке работ
.3.1 Требования к качеству поставляемых материалов и изделий
Поставляемые материалы и изделия должны быть проверены на отсутствие
повреждений, наличие паспорта на конструкции (или заменяющих его документов),
соблюдение проектных геометрических параметров конструкций, наличие и
комплектность всех закладных, фиксирующих, крепежных и строповочных устройств,
соответствие качества материала конструкций и выполнения соединений между их
элементами, а также защитных покрытий требованиям стандартов и проекта.
Монтажная организация имеет право предъявить при заказе конструкций
дополнительные технические требования на изготовление нетиповых конструкций,
обоснованные принятыми методами монтажа в отношении: членения конструкций на
отправочные элементы в зависимости от грузоподъемности монтажных механизмов;
установки дополнительных закладных деталей в элементах конструкций, а также
устройства отверстий для крепления монтажных приспособлений (подмостей,
захватов, фиксаторов и др.); положение элементов при их погрузке на
транспортные средства и временном складировании; расположения монтажных
соединений; установки фиксирующих деталей для сборки и временного закрепления
монтируемых элементов; сопряжений конструкций, изготовляемых на заводе в виде
отдельных элементов с последующим укрупнением на монтажной площадке, при
котором не требуется кантовка конструкций. На элементы поступивших в монтаж конструкций
наносят риски или другие знаки, определяющие монтажные оси и фиксирующие места
опирания, а также места строповки, если для этого не предусмотрены монтажные
петли.
3.3.2 Схемы операционного контроля качества
Контроль и оценку качества работ при монтаже конструкций выполняют в
соответствии с требованиями [22], [38]. С целью обеспечения необходимого
качества монтажа конструкций, монтажно-сборочные работы подвергнуть контролю на
всех стадиях их выполнения. Производственный контроль подразделяется на входной,
операционный (технологический), инспекционный и приемочный. Контроль качества
выполняемых работ осуществлять специалистами или специальными службами,
оснащенными техническими средствами, обеспечивающими необходимую достоверность
и полноту контроля, и возлагается на руководителя производственного
подразделения (прораба, мастера), выполняющего монтажные работы.
Металлические конструкции, поступающие на объект, должны отвечать
требованиям соответствующих стандартов, технических условий на их изготовление
и рабочих чертежей. До проведения монтажных работ металлические конструкции,
соединительные детали, арматура и средства крепления, поступившие на объект,
должны быть подвергнуты входному контролю. Количество изделий и материалов,
подлежащих входному контролю, должно соответствовать нормам, приведенным в
технических условиях и стандартах.
Входной контроль проводится с целью выявления отклонений от этих
требований. Входной контроль поступающих металлических конструкций
осуществляется внешним осмотром и путем проверки их основных геометрических
размеров и наличие рисок. Каждое изделие должно иметь маркировку, выполненную
несмываемой краской. Если отклонения превышают допуски, заводам-изготовителям
направляют рекламации, а конструкции бракуют. Все конструкции, соединительные
детали, а также средства крепления, поступившие на объект, должны иметь
сопроводительный документ (паспорт), в котором указываются наименование
конструкции, ее марка, масса, дата изготовления. Паспорт является документом,
подтверждающим соответствие конструкций рабочим чертежам, действующим ГОСТам
или ТУ. Результаты входного контроля оформляются Актом и заносятся в Журнал
учета входного контроля материалов и конструкций.
В процессе монтажа необходимо проводить операционный контроль качества
работ. Это позволит своевременно выявить дефекты и принять меры по их
устранению и предупреждению. Контроль проводится под руководством мастера,
прораба, в соответствии со Схемой операционного контроля качества монтажа
конструкций.
При операционном (технологическом) контроле надлежит проверять
соответствие выполнения основных производственных операций по монтажу
требованиям, установленным строительными нормами и правилами, рабочим проектом
и нормативными документами. Результаты операционного контроля должны быть
зарегистрированы в Журнале работ по монтажу строительных конструкций.
По окончании монтажа конструкций производится приемочный контроль
выполненных работ, при котором проверяющим представляется следующая
документация: 1) деталировочные чертежи конструкций; 2) журнал работ по монтажу
строительных конструкций; 3) акты освидетельствования скрытых работ; 4) акты
промежуточной приемки смонтированных конструкций; 5) исполнительные схемы
инструментальной проверки смонтированных конструкций; 6) документы о контроле
качества сварных соединений; 7) паспорта на конструкции; сертификаты на металл.
Допустимые отклонения при монтаже колонн.
1 Смещение осей колонн относительно разбивочных осей ± 5 мм.
2 Отклонение осей колонн от вертикали в верхнем сечении - 10 мм.
Кривизна колонны - 0,0013 расстояния между точками закрепления.
Инструмент: теодолит, рулетка, нивелир.
Контролирует: Прораб во время монтажа Отметки опорных узлов.
Отклонение верха опорного узла от проектного - 20 мм.
Инструмент: уровень, нивелир.
Контролирует: Прораб во время монтажа.
Контроль установки колонны по вертикали показан на рисунке 3.1.
Рисунок 3.1 - Контроль установки колонны по вертикали 1 - теодолит;
разбивочные оси: 2 - на фундаменте; 3 - на колонне.
.3.3 Перечень технологических процессов, подлежащих контролю
Таблица 3.1 - Перечень технологических процессов, подлежащих контролю
Наименование
технологических процессов, подлежащих контролю
Предмет контроля
Способ контроля и
инструмент
Время проведения контроля
Ответственный за контроль
Технические характеристики
оценки качества
Подготовительные работы
Правильность складирования
конструкций. Наличие паспортов и сертификатов качества. Комплектность
конструкций. Соответствие элементов конструкций проекту. Наличие внешних
дефектов.
Визуальностальной рулеткой
До начала монтажных работ
Мастер или прораб
Соответствие параметров
проекта
Подготовкамест установки
Отметка опорных площадок
колонн и монтажной вышки. Нанесение разбивочных осей и рисок на опорные
площадки колонн и монтажной вышки.
Теодолитом, стальным метром
и рулеткой
До начала монтажных работ
Геодезическая служба,
мастер или прораб
Соответствие параметров
проекта
Монтаж металлических колонн
· Смещение осей колонн относительно разбивочных осей · Отклонение осей колонн от вертикали в верхнем сечении · Кривизна колонны как расстояние между точками закрепления
Теодолитом, нивелиром и
рулеткой
Во время монтажа
Мастер или прораб
± 5 мм. - 10 мм. -0,0013
Отметки опорных узлов
Проверяется отклонение
верха опорного узла от проектного
Теодолитом, нивелиром и
рулеткой
Во время монтажа
Мастер или прораб
- 20 мм
Монтаж балок
Смещение осей балок
относительно разбивочных осей колонн. Отклонение от совмещения оси балки с
рисками на колонне
Теодолитом, нивелиром и
рулеткой
Во время монтажа
Мастер или прораб
- 5 мм - 8мм
Монтаж панелей стен
· Отклонение от вертикали верха плоскостей панелей · Разность отметок верха панелей при установке по маякам · Отклонение от совмещения оси нижнего пояса панели с рисками
разбивочных осей
Теодолитом, нивелиром,
уровень, отвес и рулеткой
Во время монтажа
Мастер или прораб
- 12 мм - 10 мм - 10 мм
.4 Техника безопасности и охрана труда, экологическая и пожарная
безопасность
Монтажные работы следует вести только при наличии проекта производства
работ, технологических карт или монтажных схем. При отсутствии указанных
документов монтажные работы вести запрещается.
В проектах производства работ следует предусматривать рациональные режимы
труда и отдыха в соответствии с различными климатическими зонами страны и
условиями труда.
Порядок выполнения монтажа конструкций, определенный проектом
производства работ, должен быть таким, чтобы предыдущая операция полностью
исключала возможность опасности при выполнении последующих. Монтаж конструкций
должны проводить монтажники, прошедшие специальное обучение и ознакомленные со
спецификой монтажа металлических конструкций.
Работы по монтажу металлических конструкций разрешается производить
только исправным инструментом, при соблюдении условий его эксплуатации. [25].
Монтажникам выполняющим работы на высоте выполнять работы при страховке
монтажными поясами, прикрепленным к местам, указанным производителем работ.
Монтажный пояс должен быть испытан, и иметь бирку.
Перед допуском к работе по монтажу металлоконструкций руководители
организаций обязаны обеспечить обучение и проведение инструктажа по технике
безопасности на рабочем месте. Ответственность за правильную организацию
безопасного ведения работ на объекте возлагается на производителя работ и
мастера.
Рабочие, выполняющие монтажные работы, обязаны знать:
1) опасные и вредные для организма производственные факторы выполняемых
работ;
2) правила личной гигиены;
) инструкции по технологии производства монтажных работ,
содержанию рабочего места, по технике безопасности, производственной санитарии,
противопожарной безопасности;
) правила оказания первой медицинской помощи.
Не допускается нахождение в опасных зонах членов бригады или посторонних
лиц.
Применять ручные электрические машины допускается только в соответствии с
назначением, указанным в паспорте; перед началом работы следует проверить
исправность машины: исправность кабеля (шнура), четкость работы выключателя,
работу на холостом ходу.
К работе с ручными электрическими машинами (электрифицированным
инструментом) допускаются лица, прошедшие производственное обучение и имеющие
квалификационную группу по технике безопасности.
Перед началом работ машинист грузоподъемного крана должен проверить:
) механизм крана, его тормоза и крепление, а также ходовую часть и
тяговое устройство;
2) исправность приборов и устройств безопасности на кране (конечных
выключателей, указателя грузоподъемности в зависимости от вылета стрелы,
сигнального прибора, аварийного рубильника, ограничителя грузоподъемности и
др.);
) стрелу и ее подвеску; - состояние канатов и грузозахватных
приспособлений (траверс, крюков);
) на холостом ходу все механизмы крана, электрооборудование,
звуковой сигнал, концевые выключатели, приборы безопасности и блокирующие
устройства, тормоза и противоугонные средства.
При обнаружении неисправностей и невозможности их устранения своими
силами крановщик обязан доложить механику или мастеру. Работать на неисправном
кране запрещается.
При производстве работ по монтажу конструкций необходимо соблюдать
следующие правила:
) нельзя находиться людям в границах опасной зоны;
Радиус опасной зоны
=R +0,5L +L , м,(3.1)
где L - граница опасной зоны;
) при работе со стальными канатами следует пользоваться брезентовыми
рукавицами;
) запрещается во время подъема грузов ударять по стропам и крюку крана;
) запрещается стоять, проходить или работать под поднятым грузом;
) запрещается оставлять грузы, лежащими в неустойчивом положении;
) машинист крана не должен опускать груз одновременно с поворотом стрелы;
) не бросать резко опускаемый груз.
.5 Потребность в ресурсах
.5.1 Перечень машин и оборудования
Таблица 3.2 - Сводная ведомость машин
и оборудования
Наименование, марка
Характеристика
Ед. изм.
Кол-во
Назначение
Кран ДЭК-251
Q=34 т Lс=22,75
м
шт.
2
Монтаж каркаса здания
Автомобильный
кран КС-55727
Lс=10,08-28,08
м
шт.
1
Погрузочно-разгрузочные
работы
Автотранспорт МАЗ-5551
Q=8,5 т
шт.
4
Транспортировка МК Пр-ть 20 м2/ч
шт.
1
Окраска и заделка стыков
Сварочный агрегат САК-АС315
шт.
1
Сварочные работы
Выбор крана
Требуемая грузоподъемность крана:
где Самый тяжелый элемент балка покрытия-0,583т
Строп двухветвевой 2СТ-16/5000 Qстр= 200кг. Hстр= 5,2 м.
Требуемая высота подъема стрелы:
кр = h0 + h3 + hэ + hст + hп,
м,(3.3)
где h0 - превышение монтажного горизонта над уровнем стоянки
крана,
h3 = 0,5м - запас по высоте для обеспечения безопасности
монтажа (не менее 1 м).
hэ = 0,35м (балка покрытия),ст = 5,2м- высота
строповки (от верха элемента до крюка крана), мп =2м - длина
грузового полиспаста крана (принимается от 2 до 5 м)
Hкр=4,75м+0,5м+5,2м+0,35м+2м=12,8м
Требуемый вылет стрелы
стр=(d+c+0,5)*(Hкр-hш)/(hз+hэ+hстр+hп),
м,(3.4)
где d = 6м- расстояние от стены до середины монтируемого элемента;
с = 0,5м-минимальный зазор между стрелой крана и конструкции здания;
Нкр=12,8м- высота подъема стрелы крана;з =1,5м
запас по высоте;э = 0,35 м- высота монтируемого элемента;стр=5,2м
-высота стропа;п= 2,5м-высота полиспаста;ш=2м- высота
шарнира.стр=(6+0,5+0,5)*(12,8-2)/(1,5+0,35+5,2+2,5)=11,2м
Необходимая длина стрелы
тр=√(Lстр-а)2+(Hкр-hш)2, м,(3.5)
тр=√(11,2-0,5)2+(12,8-2)2=15,2м.
Учитывая полученные характеристики, выбираем кран КС 5363
Рисунок 3.2 - Технические параметры КС 5363
Технические характеристики монтажного крана КС 5363
грузоподъёмность макс. (кг) 25.000
вылет стрелы макс. (м) 25
высота подъёма :
номинального груза (м) 6,4
максимальная (м) 16,3
средняя скорость изменения вылета (м/мин) 2.0
скорость передвижения крана (км/ч) 19.5
масса крана конструктивная (без противовеса) (т) 33
колесная формула базового автомобиля 4x4
преодолеваемый краном уклон (град) 13
.5.2 Перечень технологической оснастки, инструмента, инвентаря и
приспособлений; ведомость потребности в материалах, изделиях и конструкциях
При производстве монтажных работ следует пользоваться типовой оснасткой.
Она зависит от вида и массы монтируемых конструкций.
Ведомость механизмов, инвентаря и оборудования приведена в графической
части на листе 5 .
На монтаже строительных конструкций применяют стандартные гибкие стропы
из стальных канатов.
Для монтажа металлических колонн и балок покрытия принимаю двухветвевой
строп 2СТ-16/5000. Для монтажа перемычек и остальных конструкций принимаю
двухветвевой строп 2СК-4,0.
Они представляют собой сочетание одноветвевых стропов, одетых на
подвески. Подвески выполнены в виде разъемных и глухих скоб. Концы разъемных
строп соединены планкой, закрепленной гайками. В двухветвевых стропах- 1
подвеска.
3.6 Технико-экономические показатели
Затраты труда на строительный процесс -Q = 86,11 чел.-дн.
Продолжительность процесса - Т=17 дн.
Количество рабочих, занятых в процессе - R = 6 (В данном случае
определено по графику).
Выработка на 1-го рабочего в день:
машиниста крана 6-го разряда (кран КС 5363) при монтаже конструкций:
В=45,46/1*8,97=407,7т
рабочего монтажника при монтаже каркаса:
В=45,46/6*17=128,8т
Общая заработная плата Зобщ = 28,028 тыс. руб.
Уровень механизации строительного процесса (в%):
Ум=6/12*100%=50%
Уровень затрат ручного труда: Узрт=50%
.6.1 Продолжительность выполнения работ
Основным документом, определяющим затраты труда, стоимость,
продолжительность работ является калькуляция, которая выполняется по форме
(таблица 3.3), на основании [16], [17], [18], [19].
Суммарное время работы крана определяет общую продолжительность монтажных
работ. Состав комплексной бригады (звена) определяем по ежедневному участию в
монтаже рабочих различной квалификации.
Затраты труда:
ЗТ=Нвр*V,
(чел*ч),(3.6)
где Нвр - норма времени на выполнение единицы работы,
V-
объем работы .
Зарплата:
ЗП=Расц*V, (руб),(3.7)
где ЗП - зарплата звена монтажников на весь объем,
Расц - расценка на выполнение единицы работы.
3.6.2 График производства работ
График составляется на основе калькуляции трудовых затрат и нормативной
продолжительности работ в табличной форме. График производства работ приведен в
графической части на листе 5.
Нормативная продолжительность работ монтажа конструкций определяется по
[18]. Наименование работ записывается в соответствии с принятой технологической
последовательностью монтажа.
Значение трудоемкости на весь объем работ:
ЗТ=ЗТ(чел.´ч)/8,2 , (чел.´дн.) ,(3.8)
где ЗТ (чел.´ч) - затраты труда;
,2 - продолжительность одной смены ,ч.
Продолжительность работ:
Т=ЗТ(чел.´дн.)/PN , (дн.) ,(3.9)
где P - кол-во рабочих в одном звене
монтажников;
N -
кол-во смен.
Определив продолжительность, взаимно увязываем работы во времени.
Выбираем монтажные работы, оказывающие влияние на продолжительность монтажа
(установка колонн, панелей, монтаж покрытия). Устанавливаем последовательность
и совмещенность ведущих монтажных работ, подчиняя темпу их выполнения остальные
виды работ (заделка стыков, эл-сварка, заливка швов), с тем расчетом, чтобы
обеспечить устойчивость в любой момент времени каждого возводимого элемента и
здания в целом.
.6.3 Трудоемкость и машиноемкость выполнения работ
В таблице 3.3 приведена калькуляция трудовых затрат и машинного времени.
Таблица 3.3 - Калькуляция трудовых затрат и машинного времени
Ном п/п
Наименование работ
Объем работ
Нвр. чел.ч.
Затраты труда, чел. дн
Состав звена
Обосн.
ед. изм
кол-во
раб.
маш.
раб.
маш.
всего
1
Сортировка конструкций
т
31,96
0,65
0,32
2,6
1,27
3,87
Монтжник 4р,3р,маш6р
Е5-1-1
2
Установка площадок для
монтажа
шт
5
0,27
0,14
0,2
0,10
0,3
Монтажник 4р,3р,маш6р
Е5-1-2
3
Монтаж колонн
т, шт
0,77; 2,1
0,42; 0,15
49,9
1,3
51,2
108,5
монт.6р,3р,4р-2,3р,маш6р
Е5-1-3
4
Монтаж связей
т, шт
6,32; 20
0,33; 1,5
0,11: 0,5
2,01
0,67
2,68
Монтажник 4р,3,маш 6р
Е5-1-6
5
Монтаж стоек фахверка
т, шт
17,14; 8
2,5; 0,96
0,83; 0,32
6,3
2,1
8,4
Монтажник 4р,3,маш 6р
Е5-1-6
6
Сортировка конструкций
т
13,5
0,65
0,32
1,1
0,5
1,6
Монтажник 4р,3,маш 6р
Е5-1-1
7
Установка площадок для
монтажа
шт
5
0,27
0,14
0,2
0,1
0,3
Монтажник 4р,3,маш 6р
Е51-1
8
Монтаж балок
т, шт
6,5; 11
0,53; 2,9
0,11; 0,58
4,4
0,9
5,3
Монтажник 6р, 4р-3, 3р-1
машинист 6р
Е5-1-6
9
Монтаж прогонов
т,шт
5,8; 110
1; 0,3
0,33; 0,1
4,9
1,6
6,4
Монтажник 5р, 4р, 3р, маш6р
Е4-1-53
10
Установка проф.листа
100м2
8,98
11,5
12,9
12,9
Монтажник 3р-3
Е5-1-20
11
Сварочные работы
10м
3,84
12,5
3,5
3,5
Электросварщик 3р
4. Организационный раздел
.1 Общие данные
Данное здание строится в городе Грязовец. Предусмотрено новое
строительство. Среднемесячная температура в январе -10°С, в июле +15°С. Северный районный коэффициент к
заработной плате равен 1,15. Группа грунта - II. Глубина промерзания грунта -
1,8 м. Имеются в наличие постоянные дороги и пути. Источник водоснабжения -
городская сеть. Поставщиками основных строительных материалов и конструкций
являются местные заводы - производители.
За относительную отметку +0,000 принята абсолютная отметка +186,260.
.2 Выполнение основных строительно-монтажных работ
.2.1 Работы нулевого цикла
Для выполнения земляных работ здание разбито на две захватки. На
захватках производится отрывка котлованов. Для выполнения земляных работ
используется экскаватор ЭО-3122 с объемом ковша 0,5 м³.
К производству земляных работ можно приступать только после разбивки
котлованов, траншей, земляных сооружений, привязки осей и высотных отметок на
имеющейся геодезической основе и закрепления необходимых разбивочных знаков.
Предварительно выполняется срезка растительного слоя грунта бульдозером
Т-130.
В соответствии с [15], траншеи с вертикальными стенками могут
разрабатываться без крепления в грунтах естественной влажности с ненарушенной
структурой при отсутствии грунтовых вод на глубину не более 1,5 м в суглинках.
Так как разность проектных отметок земли и дна котлована не превышает 1,5 метра
укрепление стенок котлованов не требуется.
Предусматривается устройство свайных железобетонных фундаментов под
металлические колонны. Устройство свайных фундаментов выполняется по [23]. Для
ускорения набора прочности бетона допускается применять суперпластификатор
Полипаст СП-1 (С-3).
Выполнение земляных работ должно соответствовать всем требованиям [15].
.2.2 Возведение коробки здания
При монтаже надземной части здания необходимо руководствоваться [21],
[22]. Для монтажа конструкций здания предусмотрено использование типовой
монтажной оснастки, позволяющей осуществлять подъем, временное крепление и
выверку элементов.
Металлический каркас представляет собой рамно-связевую систему из колонн
сечением двутавр 30К2 по[9], балок сечением широкополочный двутавр 35Ш2 и
прогонов сечением швеллер № 24.
Металлические крестообразные связи устанавливаются вдоль и поперек
здания, для того, чтобы придать каркасу наибольшую жесткость. Связи выполняются
из парных уголков равнополочных горячекатаных по размерами 100х100х4,
соединенных металлической фасонкой из прокатного стального листа t=10 мм.
Монтаж необходимых элементов для возведения коробки здания и кровли
ведется автомобильным краном КС-5363 с Lстр=22,7 м используется для погрузочно-разгрузочных работ.
Материалы для строительства складируются в непосредственной близости от крана.
.2.3 Отделочные работы
Для выполнения отделочных работ здание разбивается на 2 захватки.
Отделочные работы, за исключением отделки фасадов, должны выполнятьсяпри
положительной температуре окружающей среды и отделываемых поверхностей не ниже
10°С и влажности воздуха не более 60 %. Такую температуру в помещении необходимо
поддерживать круглосуточно, не менее чем за 2суток до начала и 12сутокпосле
окончания работ,а для обойных работ - до сдачи объекта в эксплуатацию.
Отделочные работы должны выполняться в соответствии с проектом
производства работ(ППР)на возведение зданий и сооружений. Доначала отделочных
работ должны быть произведены следующие работы:
- выполнена защита отделываемых помещений от атмосферных
осадков;
- устроены гидроизоляция, тепло-, звукоизоляция и выравнивающие
стяжки перекрытий;
- загерметизированышвы между блоками и панелями;
- заделаны и изолированы места сопряжений оконных, дверных и
балконных блоков;
- остеклены световые проемы;
- смонтированы закладные изделия, проведены испытания систем
тепловодоснабжения и отопления.
Оштукатуривание и облицовку (по проекту) поверхностей в местах установки
закладных изделий санитарно-технических систем необходимо выполнить до начала
их монтажа.
При отделке поверхностей декоративными пастами и терразитовыми составами
каждый слой многослойных декоративных покрытий необходимо выполнять после
отвердения предыдущего, без шлифовки лицевой поверхности.
.3 Стройгенплан
Строительный генеральный план участка, являясь важным документом после
ППР, влияет на эффективность организации производства, поскольку в нем решаются
вопросы размещения и транспортировки строительных конструкций и материалов, что
отражается на производстве труда и себестоимости работ.
Стройгенплан разработан на основании архитектурно-строительного генплана
объекта, согласно техники безопасности в строительстве.
При проектировании стройгенплана предусмотрено:
) ограждение стройплощадки;
) наличие временных дорог;
) размещение складских площадок в зоне действия крана;
) размещение двух пожарных гидрантов на расстоянии < 150м друг от
друга, не далее 2м от дороги с твердым покрытием.
Проектом предусмотрены бытовые временные помещения, которые обеспечивают
рабочих водоснабжением, канализацией, отоплением.
Электроснабжение осуществляется за счет трансформаторной подстанции,
установленной на объекте.
.4 Расчет материально-технической базы
.4.1 Расчет численности персонала строительства
Временные здания и сооружения возводят обычно лишь на период
строительства, поэтому их объем и стоимость должны быть минимальными.
Количество и номенклатура временных зданий и сооружений определяется в
зависимости от объекта и характера СМР, строительного расположения и местных
условий строительства. Площади административно-бытовых помещений зависят от
количества работающих на площадке. Количество рабочих берётся по графику движения
рабочих. Количество инженерно-технических работников и младшего обслуживающего
персонала принимается от числа рабочих 13% - ИТР, 2% - МОП.
Определение количества работающих:
Rобщ=Rмакс+0,24*Rмакс =25 человек (4.1)
Снижения стоимости можно добиться путем:
) использования зданий, намеченных к сносу;
) размещения их в ранее выстроенном здании;
) возведения временных зданий из сборно-разборных элементов;
) использовании передвижных зданий.
Однако эти мероприятия не должны отрицательно сказаться на обслуживании
рабочих и условиях строительного производства. Потребность во временных зданиях
определяется расчетом. Расчет площадей зданий производится по максимальному
количеству рабочих, занятых в смену на строительстве.
.4.2 Расчет временных зданий и сооружений
Определение площадей по формуле:
F = N * R, м2,(4.2)
N -
норма площади на 1 человека, м2
R -
количество работающих человек.
Таблица 4.1 - Расчет временных помещений
№
Наименование ЗиС
Ед. изм
Размеры в плане
Площадь м2 Общ
На 1ч
Примеч
1
Контора
м2
3×2,3
7
3,25
Передвижной вагончик
420-01-03
2
Гардеробная с сушкой
(женск.)
м2
6,71*2,97
4,2
0,7
Передвижной вагончик 31315
3
Гардеробная с сушкой
(мужск..)
м2
6,71*2,97
6,3
0,7
Передвижной вагончик 31315
4
Помещения для принятия пищи
и отдыха
м2
9*2,7
25
1
Передвижной вагончик
420-01-3
5
Уборные
м2
2*2,5
2,5
0,1
Сборно-разборный контейнер
Здания рассчитаны исходя из количества человек, занятых в производстве, и
нормативных площадей временных зданий, помещений на строительной площадке.
Расстояние от бытовых помещений до рабочих мест соответствует нормам. Туалет,
душевая, бытовые помещения подключены к наружным сетям канализации, водопровода
и электроснабжения.
Предусмотрена установка электронагревателей для обеспечения нормальной
работы бытовых помещений в зимнее время.
Бытовые вагончики разместить вне опасной зоне работы крана.
Подбор временных зданий произведен по каталогам ГлавМосПромСтроя, в
зависимости от назначения здания и его площади.
.4.3 Расчет потребности в воде
На строительной площадке вода расходуется на производственные,
хозяйственные и противопожарные нужды. Источником водоснабжения является
городская сеть. Расчёт потребности в воде определяется с учётом календарного
плана, в котором выбирается период наиболее интенсивного водопользования на
производственные и хозяйственные нужды .Расчёт заключается в определении
диаметра трубопровода, для чего нужно знать расчётный расход воды (л/с),
определяемый по формуле:
Вобщ = Впр + Вхоз + Впож,
л/с,(4.3)
где В - расчётный расход воды, л/с;
Впр - расход воды на производственные нужды, л/с;
Вхоз - расход воды на хозяйственные нужды, л/с;
Впож - расход воды на нужды пожаротушения, л/с;= 10 л/с
Расчет временного водоснабжения приведен в таблице 4.2.
Вобщ = 0,095 + 0,036 + 10 = 10,1л/с
Таблица 4.2 - Расчет временного водоснабжения
Производственный процесс
Ед. изм.
Норма расхода (л)
Объем работ в смену
Расход воды в смену
Работа экскаватора
1маш-час
10
0,97
9,7
Поливка кирпича
1000шт
250
3,74
935
Штукатурные работы
1м2
8
104,6
836,8
Малярные работы 0,5
106
53
Требуемый расход воды определяется по формуле:
Расход воды на пожаротушение где где N - Расчетная численность персонала
строительства N=25 чел;
а - норма водопотребления на 1 человека, пользующегося душем, при наличии
канализации где Расход воды на производственные нужды определяется:
где 1,2 - коэффициент на неучтенные потребности;
Диаметр трубы временного водопровода определяется:
где Принимаем .4.4 Расчет потребности в электроэнергии
Основным видом энергии, используемой при строительстве зданий является электроэнергия.
Силовая электростанция применяется для питания машин и механизмов,
электросверла и т. д. Кроме того, она необходима для освещения места
производства работ, территорий строительства. Источниками снабжения
строительных площадок электроэнергией являются высоковольтные сети 3000, 6000 и
10000В, от которых напряжение 380-220 получается через трансформаторы,
установленные в постоянных или временных трансформаторных подстанциях, или
городские сети, передвижные электростанции. Необходимое количество электроэнергии
определяется по мощности силовых установок, мощности наружного и внутреннего
освещения и потребности.
Потребность в электроэнергии приведена в таблице 4.3.
Таблица 4.3 - Ведомость потребного количества электроэнергии
Потребители электроэнергии
Объём работ
Мощность
ед. изм
к-во
удельная на единицу кВТ
общая кВт
1. Электродвигатели:
1.1. Машина сверлильная
ИЭ-1022В
шт
2
0,4
0,8
1.2. Машина штукатурная
затирочная СО - 86А
шт
2
0,2
0,4
1.3. Вибратор ИВ-47В
шт
1
0,75
0,75
1.4.Заглаживающая машина
СО-170
шт
1
1,1
1,1
1.5.Работа электродвигателя
крана
шт
1
95
95
1.6. Электротрамбовка
шт
2
0,4
0,8
Итого:
98,85
2. Производственные нужды:
2.1. сварочный
трансформатор
шт
1
19,4
19,4
Итого:
19,4
3. Наружное освещение:
3.1. охранное освещение 6
прожекторов мощностью 0,15кВт
км
0,376
1,5
0,56
Итого:
0,56
4. Внутреннее освещение:
4.1. конторские и
общественные помещения
м2
85,6
0,015
1,28
4.2. склады
м2
5
0,0005
0,0025
Итого:
1,3
Расчёт мощности трансформатора необходимого для стройплощадки
производится по формуле:
где 1,1 - коэффициент, учитывающий потери мощности в сетях;
∑Wc - сумма мощностей электродвигателей
машин, механизмов, электрифицированных установок.
∑Wт - сумма мощностей на технологические нужды, а также
сварка.
∑Wо.в. - сумма мощностей внутреннего
освещения;
∑Wо.н. - сумма мощностей наружного
освещения;
Cosϕ1;
Cosϕ2 - средний коэффициент мощности по группам
потребителей.
Кc - коэффициенты спроса.
Принимаем трёхфазный силовой трансформатор с масляным охлаждением ТСМ
180/10 мощностью 180кВт.
4.4.5 Потребность в строительных машинах
Таблица 4.4 - Потребность в строительных машинах и механизмах
№ п/п
Наименование машин и
механизмов
Марка
Кол-во
Область применения
1
Автомобильный кран
КС-55727
2
Погрузо- разгрузочные
работы
2
Гусеничный кран
ДЭК-251
2
Монтажные работы
3
Бетононасос Waitzinger
ТНР 85Е
1
Бетонные работы
4
Сварочный агрегат
САК- АС315
1
Сварочные работы
5
Автотранспорт
МАЗ-5551
4
Перевозка грузов
6
Экскаватор V=0,25
м3
Э0-2621
1
Земляные работы
7
Экскаватор V=0,5
м3
ЭО3322
1
Земляные работы
8
Бульдозер
Т-130
1
Земляные работы
9
Электротрамбовка
ИЭ-4502
1
10
Поверхностный вибратор
ИВ-2А
2
Бетонные работы
11
Глубинный вибратор
ИВ-66
2
Бетонные работы
12
Передвижной компрессор
ЗИФ-55Ф
1
13
Передвижная малярная
станция
ЦНИЛ-3
1
Кран КС-5363 необходим при выполнении подготовительных работ - установка
бытовых вагончиков, монтаж конструкций ограждения, погрузо- разгрузочные
работы, устройство площадок.
Экскаватор ЭО-2621 V=0,25
м3 применяется при разработке траншей под прокладку инженерных
сетей. Экскаватор ЭО-3122 V=0,63
м3 применяется при разработке котлована под здание.
Автосамосвалы используются для транспортировки раствора, вывозке
строительного мусора.
Бортовые а/машины доставляют на объект сборный ж/бетон, кирпич,
армоизделия, отделочные материалы.
Автобетоносмесители типа «миксер» доставляют бетон на объект для
выполнения бетонных работ.
Бетононасос необходим при подаче бетона в конструкции.
Примечание: Принятые типы машин и механизмов уточняются проектом
производства работ (ППР), с учетом имеющихся в распоряжении строительной
организации.
Для разработки котлована глубиной 2,1м подобран экскаватор одноковшовый
ЭО 3122
Рисунок 4.1 - ЭО 3122
Расчистку территории строительства, планировку и срезку растительного
слоя выполняют бульдозером ДЗ-28 на базе трактора Т-130 траншейным способом.
Выбор захватных приспособлений
На монтаже строительных конструкций применяют стандартные гибкие стропы
из стальных канатов.
Для монтажа металлических колонн и балок покрытия принимаю двухветвевой
строп 2СТ-16/5000. Для монтажа перемычек и остальных конструкций принимаю
двухветвевой строп 2СК-4,0.
Они представляют собой сочетание одноветвевых стропов, одетых на
подвески. Подвески выполнены в виде разъемных и глухих скоб. Концы разъемных
строп соединены планкой, закрепленной гайками. В двухветвевых стропах- 1
подвеска.
Выбор стрелового крана (Монтаж каркаса)
Требуемая грузоподъемность крана:
Qкр= Qэ+Qстр, (т)(4.11)
Qкр=0,583+0,2=0,783т
Самый тяжелый элемент балка покрытия-0,583т
Строп двухветвевой 2СТ-16/5000 Qстр= 200кг. Hстр= 5,2 м.
Требуемая высота подъема стрелы:
Hкр = h0 + h3 + hэ + hст + hп , м,(4.12)
где h0 - превышение монтажного горизонта над
уровнем стоянки крана,
h3 = 0,5м - запас по высоте для
обеспечения безопасности монтажа (не менее 1 м).
hэ = 0,35м (балка покрытия),
hст = 5,2м- высота строповки (от верха
элемента до крюка крана), м
hп =2м - длина грузового полиспаста
крана (принимается от 2 до 5 м)
Hкр=4,75м+0,5м+5,2м+0,35м+2м=12,8м
Требуемый вылет стрелы
Lстр=(d+c+0,5)*(Hкр-hш)/(hз+hэ+hстр+hп),
м,(4.13)
где d = 6м- расстояние от стены до
середины монтируемого элемента;
с = 0,5м-минимальный зазор между стрелой крана и конструкции здания;
Нкр=12,8м- высота подъема стрелы крана;
hз
=1,5м запас по
высоте;
hэ
= 0,35 м- высота
монтируемого элемента;
hстр=5,2м -высота стропа;
hп= 2,5м-высота полиспаста;
Hш=2м- высота шарнира.
Lстр=(6+0,5+0,5)*(12,8-2)/(1,5+0,35+5,2+2,5)=11,2м
Необходимая длина стрелы
Lтр=√(Lстр-а)2+(Hкр-hш)2(4.14)
Lтр=√(11,2-0,5)2+(12,8-2)2=15,2м.
Учитывая полученные характеристики, выбираем кран КС 5363
Рисунок 4.2 - Технические параметры КС 5363
Расчет и подбор транспортных средств для отвозки грунта.
Экскаватор ЭО-3122 с ковшем емкостью е=0,63м3
Грунт - суглинок.
Объем грунта в плотном теле в ковше экскаватора:
Vгр=Vковш*Кнап/Кпр, м3,(4.15)
где Кнап - коэффициент наполнения ковша =1 (ЕНиР. Сборник Е2, прил.3)
Кпр=2,4. Плотность грунта γ=2,71т/м3
Vгр =0,63*1/2,71=0,18 м3
Масса грунта в ковше экскаватора:
Q=0,18*2,71=0,48т
Количество ковшей грунта, загружаемых в кузов самосвала. Принимаем
автомобиль грузоподъемностью 10т - КАМАЗ-5511
n=П/Q=10/0,48=21 ковш
Объем грунта в плотном теле, загружаемый в кузов автосамосвала:
V=Vгр*n(4.16)
V=0,18*21=3,78т
Продолжительность одного цикла работы автосамосвала:
Тц=tп+60L/Vг+ tр+60L/Vп+tм, м3(4.17)
Тц=16,8+60*12/19+2+60*12/30+2=82,7
Время погрузки самосвала. Объем грунта в кузове самосвала.
Vк.с.=0,48*21=10,08
м3(4.19)
tn=(V* Hвр)/100=(0,48*2,8)/100=16,8 мин
Требуемое количество автосамосвалов составит:
N= Тц/
tn(4.20)
N=82.7/16.8=4.9=5
автосамосвалов
Рисунок 4.3 - Схема самосвала КАМАЗ - 5511: 1 - кабина водителя; 2 -
кузов; 3 - ходовая часть.
4.5 Обоснование размеров площадок складирования
Стоимость строительных материалов и конструкций составляет более половины
всей стоимости строительства, поэтому вопросу правильной организации
складирования должно уделяться большое внимание. На территории площадки
необходимо предусматривать склады:
1) закрытые (для хранения инструментов.);
2) навесы (для рулонных материалов, столярных изделий);
) открытые (для крупногабаритных строительных материалов).
Размеры складов находят, учитывая способ укладки данного материала в
штабель, который определяет нагрузку на 1м2 полезной площади склада.
При определении общей площади склада учитывают дополнительную площадь,
необходимую для проходов между штабелями, установки весов и перегрузочных
материалов, для размещения помещений, обслуживающего материала и т.п.
Площадь склада определяется по формуле:
F = Q/q ,м2, (4.21)
где Q - количество материалов, подлежащее
хранению на складе;
q -
норма укладки на 1 м2 S
склада.
Расчетная площадь склада с проходами:
S = F / K, м2(4.22)
где K - коэффициент использования склада;
для закрытых складов - 0,3 - 0,4; для открытых - 0,5 - 0,6; для навесов - 0.5 -
0,6.
Для складирования и временного хранения строительных материалов и
конструкций используются открытые и закрытые складские помещения.
Таблица 4.5 - Ведомость расчета площадей и складов
№ Наименование
Ед. изм.
Кол-во
Норм. уклон
Коэфф.
Общая площадь
Размеры
Способ хранения
Открытый
18,7*5
В штабелях
Под навесом
1. Коробки дверные, оконные
м2
101,3
45
0,5
1,5
6*8
2. Плиты теплоизоляционные
м3
39,98
1
0,5
39
3.Керамическая плитка
м2
310
80
0,5
0,35
Закрытый
1.Паркет
м2
69
40
0,4
4,3
Таблица 4.6 - Нормативные требования размещения строительных материалов
на 1 м2 площади.
№ п.п
Наименование
Кол-во
1.
Лес пиленый
1,25 м3
2.
Арматура
0,3 м3
3.
Утеплитель плитный
4,0 м3
4.
Опалубка
10,0 м2
5.
Кирпич
700 шт.
Площадь складов определяется по формуле:
где S - площадь склада (м2)
Qоб. - потребное количество
стройматериалов (ед. изм.)
N -
норма запаса материалов (дней), в зависимости от вида транспорта и дальности
возки
K1
- коэф.
Неравномерности поступления материалов (1.3 -1.5)
K2
- коэф.
Неравномерности потребления материалов (1.3 -1.5)
Т - продолжительность работ с использованием данного материала (дней)
q -
кол-во материалов располагаемых на 1 м2 складской площади.
a -
коэффициент учитывающий проходы.
.6 Основные технико-экономические показатели стройгенплана
Общая площадь площадки - 4183,8 м2
Площадь временных зданий и сооружений - 85,6 м2
Площадь открытого склада- 291 м2
Площадь закрытых складов, навесов - 53 м2
Протяженность временных электрических сетей - 0,376 км
Протяженность временного водопровода-0,087 м Протяженность ограждения - 0,384 км
.7 Техника безопасности
Мероприятия по технике безопасности должны обеспечивать безопасное
ведение работ в конкретных условиях строительной площадки.
Зоны, постоянно действующих опасных производственных факторов, во
избежание доступа посторонних лиц должны быть ограждены защитными ограждениями.
Производство строительно-монтажных работ в этих зонах, как правило, не
допускается.
Строительная площадка в населенных местах или на территории действующих
предприятий во избежание доступа посторонних лиц должна быть ограждена. Ограждения,
примыкающие к местам массового прохода людей, необходимо оборудовать сплошным
защитным козырьком.
Строительная площадка, участки работ, рабочие места, проезды и проходы к
ним в темное время суток должны быть освещены. Освещенность должна быть равномерной,
без слепящего действия осветительных приспособлений на работающих. Производство
работ в неосвещенных местах не допускается.
Проезды, проходы и рабочие места необходимо регулярно очищать, не
загромождать, а расположенные вне зданий посыпать песком или шлаком в зимнее
время. Проходы с уклоном более 200 должны быть оборудованы трапами
или лестницами с ограждением.
Ширина проходов к рабочим местам и на рабочих местах должна быть не менее
0,6 м., а высота проходов в свету - не менее 1,8 м.
Подача материалов, строительных конструкций и узлов оборудования на
рабочие места должна осуществляться в технологической последовательности,
обеспечивающей безопасность работ. Складировать материалы и оборудование на
рабочих местах следует так, чтобы они не создавали опасность при выполнении
работ и не стесняли проходы.
Строительный мусор со строящихся зданий лесов следует опускать по
закрытым желобам, в закрытых ящиках или контейнерах. Сбрасывать мусор без
желобов или других приспособлений разрешается с высоты не более 3 м. Места, на
которые сбрасывается мусор, следует со всех сторон оградить или установить
надзор для предупреждения об опасности.
Оставлять без надзора машины с работающим двигателем не допускается.
Перемещение, установка и работа машин вблизи выемок (котлованов, траншей,
канав и т.п.) с неукрепленными откосами разрешается только за пределами призмы
обрушения грунта на расстоянии, установленном проектом производства работ. При
эксплуатации машин должны быть приняты меры, предупреждающие их опрокидывание
или самопроизвольное перемещение под действием ветра или при наличии уклона
местности.
На участке (захватке), где ведутся монтажные работы, не допускается
выполнение других работ и нахождение посторонних лиц.
Способы строповки элементов конструкций и оборудования должны
обеспечивать их подачу к месту установки в положении, близком к проектному.
Запрещается подъем сборных железобетонных конструкций, не имеющих
монтажных петель или меток, обеспечивающих их правильную строповку и монтаж.
Строповку конструкций и оборудования следует производить грузозахватными
средствами, обеспечивающими возможность дистанционной расстроповки с рабочего
горизонта в случаях, когда высота до замка грузозахватного средства превышает 2
м.
Элементы монтируемых конструкций или оборудования во время перемещения
должны удерживаться от раскачивания и вращения гибкими оттяжками.
Во время перерывов в работе не допускается оставлять поднятые элементы
конструкций и оборудования на весу. Для перехода монтажников с одной
конструкции на другую следует применять инвентарные лестницы, переходные
мостики и трапы, имеющие ограждение.
Не допускается переход монтажников по установленным конструкциям и их
элементам (фермам, ригелям и т.п.), на которых невозможно установить ограждение
без применения специальных предохранительных приспособлений (надежно натянутого
вдоль фермы или ригеля каната для закрепления карабина предохранительного пояса
и др.).
Не допускается нахождение людей под монтируемыми элементами конструкций и
оборудования до установки их в проектное положение и закрепления.
При необходимости нахождения работающих под монтируемым оборудованием
(конструкциями), а также на оборудовании (конструкциях) должны осуществляться
специальные мероприятия, обеспечивающие безопасность работающих.
5. Безопасность и экологичность проекта
.1 Анализ опасных и вредных производственных факторов при организации
отделочных работ.
На предприятиях работающие могут подвергаться воздействию различных
опасных и вредных производственных факторов.
Вредный производственный фактор- фактор среды и трудового процесса,
воздействие которого на работающего при определенных условиях может вызвать
профессиональное заболевание, временное или стойкое снижение работоспособности,
повысить частоту соматических и инфекционных заболеваний, привести к нарушению
здоровья потомства.
Опасный производственный фактор- фактор среды и трудового процесса,
который может быть причиной острого заболевания или внезапного резкого
ухудшения здоровья, смерти.
Опасные и вредные производственные факторы подразделяются по ГОСТ
12.0.003 на следующие классы: физические, химические, биологические и
психофизиологические. Такая классификация необходима для выявления опасных и
вредных производственных факторов, которые могут иметь или имеют место на
производстве, и в конечном итоге для полной нейтрализации или уменьшения
влияния этих факторов.
При выполнении отделочных работ (штукатурных, малярных, облицовочных,
стекольных) необходимо предусматривать мероприятия по предупреждению
воздействия на работников следующих опасных и вредных производственных
факторов, связанных с характером работы: -повышенная запыленность и
загазованность воздуха рабочей зоны; -расположение рабочего места вблизи
перепада по высоте 1,3м и более; -острые кромки, заусенцы и шероховатость на
поверхностях отделочных материалов и конструкций; - недостаточная освещенность
рабочей зоны.
При наличии опасных и вредных производственных факторов безопасность
отделочных работ должна быть обеспечена на основе выполнения содержащихся в
организационно технологической документации (ПОС, ППР и др.) следующих решений
по охране труда: способы и средства подачи материалов на рабочие места;
организация рабочих мест, обеспечение их необходимыми средствами подмащивания и
другими средствами малой механизации, необходимыми для производства работ; -при
применении составов, содержащих вредные и пожароопасные вещества, должны быть
решения по обеспечению вентиляции и пожаробезопасности.
При выполнении отделочных работ следует выполнять требования настоящих
норм и правил, при выполнении окрасочных работ следует выполнять требования
межотраслевых правил по охране труда.
Отделочные составы и мастики следует готовить, как правило,
централизованно. При их приготовлении на строительной площадке необходимо
использовать для этих целей помещения, оборудованные вентиляцией, не
допускающей превышение предельно допустимых концентрацией вредных веществ в
воздухе рабочей зоны. Помещения должны быть обеспечены безвредными моющими
средствами и теплой водой. Эксплуатация мобильных малярных станций для
приготовления окрасочных составов, необорудованных принудительной вентиляцией,
не допускается.
Меры по обеспечению безопасных и здоровых условий труда при организации
отделочных работ при строительстве технического блока.
1. Рабочие места для выполнения отделочных работ на высоте должны быть
оборудованы средствами подмащивания и лестницами-стремянками для подъема на
них. [25].Средства подмащивания, применяемые при штукатурных или малярных
работах, в местах, под которыми ведутся другие работы или есть проход, должны
иметь настил без зазоров.
2. При работе с вредными или огнеопасными и взрывоопасными
материалами следует непрерывно проветривать помещения вовремя работы, а также в
течение 1ч после ее окончания, применяя естественную или искусственную
вентиляцию.
. Места, над которыми производятся стекольные или облицовочные
работы, необходимо ограждать.
. В местах применения окрасочных составов, образующих
взрывоопасные пары, электропроводка и электрооборудование должны быть
обесточены или выполнены во взрывобезопасном исполнении, работа с
использованием огня в этих помещениях не допускается [26].
. При применении воздухонагревателей (электрических или работающих
на жидком топливе) для просушивания помещений зданий и сооружений необходимо
выполнять требования ППБ 01. Запрещается обогревать и сушить помещения,
жаровнями идругими устройствами, выделяющими в помещения продукты сгорания
топлива.
. При выполнении работ с растворами, имеющими химические добавки,
необходимо использовать средства индивидуальной защиты (резиновые перчатки,
защитные мази, защитные очки) согласно инструкции завода-изготовителя
применяемого состава.
. При сухой очистке поверхностей и других работах, связанных с
выделением пыли и газов, а также при механизированной шпатлевке и окраске
необходимо пользоваться респираторами и защитными очками.
. При очистке поверхностей с помощью кислоты или каустической соды
необходимо работать в предохранительных очках, резиновых перчатках и
кислотостойком фартуке с нагрудником.
. При нанесении раствора на потолочную или вертикальную
поверхность следует пользоваться защитными очками.
. При выполнении всех работ по приготовлению и нанесению
окрасочных составов, включая импортные, следует соблюдать требования инструкций
предприятий-изготовителей в части безопасности труда. Все поступающие исходные
компоненты и окрасочные составы должны иметь гигиенический сертификат с
указанием наличия вредных веществ, параметров, характеризующих
пожаро-взрывоопасность, сроков и условий хранения, рекомендуемого метода
нанесения, необходимости применения средств коллективной и индивидуальной
защиты.
. Не допускается применять растворители на основе бензола,
хлорированных углеводородов, метанола.
. При выполнении окрасочных работ с применением окрасочных
пневматических агрегатов необходимо: -до начала работы осуществлять проверку
исправности оборудования, защитного заземления, сигнализации; -в процессе
выполнения работ не допускать перегибания шлангов и их прикосновения к подвижным
стальным канатам; -отключать подачу воздуха и перекрывать воздушный вентиль при
перерыве в работе или обнаружении неисправностей механизма агрегата. Отогревать
замерзшие шланги следует в теплом помещении. Не допускается отогревать шланги
открытым огнем или паром.
. Тару с взрывоопасными материалами (лаками, нитрокрасками ит. п.)
вовремя перерывов в работе следует закрывать пробками или крышками и открывать
инструментом, не вызывающим искрообразования.
. При работе с растворонасосом необходимо: -следить, чтобы
давление в растворонасосе не превышало допустимых норм, указанных в его
паспорте; -удалять растворные пробки, осуществлять ремонтные работы только
после отключения растворонасоса от сети и снятия давления; -осуществлять
продувку растворонасоса при отсутствии людей взоне 10м и ближе; - держать
форсунку при нанесении раствора под небольшим углом к оштукатуриваемой
поверхности и на небольшом расстоянии от нее.
. Подъем и переноску стекла к месту его установки следует
производить с применением соответствующих приспособлений или в специальной
таре.
5.2 Расчет устойчивости автомобильного стрелового крана.
Для обеспечения устойчивости машин необходимо некоторое превышение
момента удерживающих сил Муд над моментом опрокидывающих сил Мопр,
то есть, принимаем коэффициент Ку.
Проверим кран КС 5363 на устойчивость. Максимальный вылет крюка - 12м,
при монтаже стойки 3, максимальный груз - 300кг.
Рисунок 5.1 - Схема крана
Коэффициент грузовой устойчивости крана проверяют для трех случаев:
При стреле, перпендикулярной к ребру опрокидывания, при наклоне крана в
сторону опрокидывания, действии ветра и сил инерции, уменьшающих удерживающий
момент при одновременном разгоне(торможении) механизмов подъема, передвижения,
изменения вылета и вращения:
где Q - грузоподъемность, кг;
G -
вес груза, Н;
Gk - вес крана, Н;
mk - масса крана, кг;
Rmax - наибольший вылет при грузоподъемности Q, м;
γ - угол наклона подкранового основания к
горизонту, град;
υ1, υ2 - скорость подъема или спуска груза и передвижения
крана соответственно, м/с;
n -
частота вращения крана, об/мин;
Pв.к. и Pв.г. - ветровая нагрузка рабочего состояния на кран и груз, Н;
t1-t4 - время торможения механизмов подъема, передвижения,
изменения вылета и вращения, с;
h1, h2, h3, - плечи сил, м;
h0 - длина подвеса, м.
где где q0=125 Па - скоростной ветровой напор;
к=0,9 - коэффициент, учитывающий изменения скоростного напора по высоте с
учетом типа местности;
с=1,49 - аэродинамический коэффициент сопротивления для прямоугольных
конструкций.
При тех же условиях, но при стреле, расположенной под углом 45 град. к
ребру опрокидывания, с учетом составляющей касательной силы инерции Fи.к. и центробежной силы Fи.ц. при торможении и пуске механизма
вращения коэффициент грузовой устойчивости определяют по формуле:
При стреле, перпендикулярной к ребру опрокидывания, при расположении
крана на горизонтальной плоскости и отсутствия сил инерции и ветра:
Все три условия грузовой устойчивости стрелового крана выполняются.
Проверим собственную устойчивость:
Проверка выполняется, устойчивость крана обеспечена.
.3 Меры пожарной безопасности при эксплуатации здания
. Территории, промплощадки, здания, сооружения и помещения должны
отвечать требованиям правил пожарной безопасности нормативных документов, а
оборудование их - также требованиям технических условий и другой проектной
документации[1], [4], [6],[21] .
. Между объектами должны соблюдаться разрывы в соответствии со [4],
санитарными и противопожарными нормами [6].
. Предприятие обязано иметь масштабные планы своих коммуникаций с точными
привязками и надежными реперами. Предприятия, владельцы отчужденной территории
обязаны на этих планах иметь также планы подземных коммуникаций и других
предприятий, действующих на данной территории. В планы должны в 3 - 10-дневный
срок вносить изменения и дополнения.
. Вход посторонних лиц на территорию объекта магистральных газопроводов и
нахождение их на рабочих местах допускается только с разрешения руководства
предприятия, в сопровождении специально назначенного лица из числа
эксплуатационного персонала и после прохождения инструктажа.
. Территория основного производственного объекта должна быть ограждена и
иметь не менее двух выездов (выходов) на дороги общего пользования. Ограждение
должно постоянно поддерживаться в исправном состоянии, препятствующем доступу
посторонних лиц на территорию. У входа (въезда) на территорию объекта и по
периметру ограждения должны быть знаки безопасности и соответствующие надписи.
Ворота должны быть заперты.
. В ночное время территорию объектов необходимо освещать.
Электроосвещение должно отвечать требованиям ПУЭ и обеспечивать освещенность не
ниже установленных норм.
. Оборудование на объектах должно располагаться так, чтобы была
возможность удобного и безопасного его обслуживания и ремонта. Расстояние от
одного оборудования до другого, а также расстояние от оборудования до стен
здания должно быть не менее 1 м, а ширина рабочего прохода - 0,75 м. Рабочим
проходом считается минимальное расстояние между выступающими частями оборудования
или между оборудованием и стеной здания.
. Объекты должны быть обеспечены надежной телефонной и радиосвязью с
постоянным вызовом.
. На объектах, расположенных далеко от баз, необходимо иметь пятидневный
запас продуктов питания (воды) для всех работников. Удаленность объекта
определяется руководством предприятия по согласованию с профсоюзным комитетом.
. Проезды, проходы и подходы к зданиям и сооружениям, а также к узлам
управления запорной арматуры и КИПиА необходимо своевременно очищать от грязи, снега
(льда), песка.
. Помещения производственных объектов должны иметь не менее двух выходов,
расположенных в противоположных сторонах.
. В местности с суровым климатом вход в помещение должен иметь тамбур или
другое устройство, предохраняющее работающих от сквозняка и резкого понижения
температуры.
. Окна и двери помещения должны открываться наружу. Полы должны быть из
огнестойких материалов.
. Площадки, переходы и углубления в помещениях, а также узлы
оборудования, расположенные на высоте более 0,75 м, должны иметь лестницы с
перильным ограждением.
. Снаружи входной двери должны быть вывешены знак безопасности и надпись
"Вход посторонним воспрещен", а также классификация помещений по
пожаровзрывоопасности.
. Колодцы, в том числе водопроводные и канализационные, подземные
помещения и закрытые каналы (далее - колодцы), расположенные на промплощадках и
вдоль газопроводов на расстоянии 15 м от них по обе стороны, являются газо- и
взрывоопасными. Проверять их на загазованность должны по графику не реже 1 раза
в квартал, а в первый год их эксплуатации - не реже 1 раза в месяц. Кроме того,
проверять их на загазованность должны каждый раз перед спуском работников в
колодцы.
. Колодцы должны быть постоянно закрыты специальными крышками. На
территории неохраняемых площадок подземные помещения должны быть заперты на
замок. Ключи от замков должны быть у эксплуатационного персонала.
. Колодец, в котором проводится какая-либо работа, должен быть на
поверхности огражден с установкой знака безопасности, освещаемого в ночное
время.
. Во избежание скопления газа в колодце и облегчения отбора проб воздуха
без спуска в него в его крышке должно быть отверстие диаметром 20 - 30 мм.
. Колодцы должны предохранять от попадания в них поверхностных и
грунтовых вод. При необходимости должен быть организован дренаж с выпуском
стоков в промышленную канализацию через гидравлический затвор. Необходимо
своевременно проверять исправность затвора.
. Осмотр и очистку колодцев должны проводить с выполнением требований
даже после удовлетворительного анализа на загазованность.
. Персонал, обслуживающий колодцы, в которых возможна загазованность выше
ПДК, должен знать схему коммуникаций, размещение колодцев, способы определения
загазованности, признаки отравления вредными веществами, правила работ в загазованной
среде, пользования СИЗОД, эвакуации пострадавших и оказания им доврачебной
помощи.
. Оборудование, трубопроводы, инструмент, КИПиА необходимо
эксплуатировать в соответствии с технологическими инструкциями, составленными
на основе инструкций заводов-изготовителей. Изменять эти инструкции допускается
лишь по согласованию с проектной организацией и заводом-изготовителем.
. Устройство и эксплуатация резервуаров, баллонов и сосудов с рабочим
давлением выше 0,07 МПа (0,7 кгс/кв. см) должны соответствовать требованиям
Правил устройства и безопасной эксплуатации сосудов, работающих под давлением.
. Оборудование, а также арматура должны иметь порядковую нумерацию, четко
различимую с рабочих мест. Вспомогательное оборудование, непосредственно
связанное с основным оборудованием, должно иметь ту же нумерацию, что и
основное.
. Запрещается в случае аварийной остановки (отключения) оборудования,
трубопроводов, КИПиА повторный пуск их в работу до выявления и устранения
причины нарушения, вызвавшей аварийную остановку (отключение).
. Движущиеся и вращающиеся части оборудования должны быть надежно
ограждены.
. Допускается временно снимать ограждения движущихся и вращающихся
частей, а также сильно нагревающихся (охлаждающихся) поверхностей оборудования
на период осмотра и ремонта. Запрещается пуск этого оборудования в работу со
снятыми ограждениями.
. Запрещается при работе оборудования, трубопроводов становиться на
барьеры площадок, кожухи муфт и подшипников, а также на конструкции, не
предназначенные для прохода.
. Горячая поверхность оборудования и трубопровода должна быть покрыта
тепловой изоляцией, температура поверхности которой не должна превышать внутри
помещения 45 °С и вне его 60 °С. Теплоизоляцию нужно периодически проверять и
поддерживать в хорошем состоянии. Горячая поверхность в местах, где на нее при
аварии может попасть масло или газоконденсат, должна иметь защитный кожух.
. Опробование или испытание после ремонта запорной, регулирующей или
предохранительной арматуры должно быть оформлено актом.
. Постоянные и временные заглушки, устанавливаемые на технологических
трубопроводах, должны быть стальными. Привариваемая заглушка должна быть
сферической, толщина заглушки определяется расчетом.
. Заглушки, устанавливаемые между фланцами трубопроводов, должны иметь
хвостовики, выступающие за пределы фланцев, и должны быть поставлены на
прокладки из материалов, соответствующих условиям эксплуатации и
транспортируемой среде. На хвостовике заглушки должен быть выбит ее инвентарный
номер, диаметр, толщина, рабочее давление, марка стали.
. Утечки газа из сварных и других соединений оборудования, трубопроводов
и арматуры обнаруживают с помощью мыльного раствора, специальными приборами или
другим методом без применения открытого огня.
. В производственном подразделении (объекте) должно быть назначено лицо,
ответственное за контроль воздуха рабочей зоны промплощадок, зданий, сооружений
и колодцев. Результаты проверок регистрируются в журнале контроля воздушной
среды.
5.4 Мероприятия по охране окружающей среды при эксплуатации газопроводов
При возникновении аварийной ситуации воздействие на окружающую среду
связано с последствиями взрыва газовоздушной смеси, загрязнением атмосферного
воздуха углеводородами, сероводородом и продуктами сгорания (оксидом углерода,
оксидами азота, диоксидом серы, сажей). Кроме того, аварийная ситуация может
сопровождаться пожаром, загрязнением и антропогенным нарушением почв,
уничтожением растительности, нарушением мест обитания животных, шумом при
стравливании продукта (газа) через свечу.
Требования к охране окружающей среды при эксплуатации газопроводов
неочищенного сероводородсодержащего газа определяются СТО Газпром
2-1.19-570-2011 «Требования по охране окружающей среды при эксплуатации
газопроводов» [43]. Данный документ указывает на необходимость проведения
мероприятий, направленных на минимизацию негативного воздействия на окружающую
среду, и организационно-технологических мероприятий, косвенно приводящих к
такому результату.
Требования к охране атмосферного воздуха.
Анализ показал, что основными загрязняющими веществами при эксплуатации
трубопроводов сероводородсодержащих газов являются диоксид серы, оксиды азота,
оксид углерода, сажа, углеводороды, меркаптаны и метанол. В целях
предотвращения загрязнения атмосферного воздуха при неорганизованных выбросах
загрязняющих веществ, т.е. при утечках через неплотности запорной арматуры и
фланцевых соединений, необходимо регулярно проводить визуальный осмотр
запорно-регулирующей арматуры на наличие утечек продукта при обходе или объезде
и обследование с помощью газоанализаторов. При этом не допускается определение
утечек при помощи огня.
При наступлении неблагоприятных метеоусловий (НМУ) должны проводиться
мероприятия в соответствии с РД 52.04.52-85 «Методические указания.
Регулирование выбросов при неблагоприятных метеорологических условиях» и
инструкциями дочерних обществ или организаций ОАО «Газпром» [43], [44],
разработанными на основе указанного документа. Перечень действий в периоды НМУ
устанавливается проектом предельно допустимых выбросов (ПДВ) в зависимости от
степени НМУ.
Сероводородсодержащий газ при выпуске из трубопровода в атмосферу,
например при залповых выбросах, необходимость которых прописывается в
технологических регламентах на эксплуатацию, а частота и объем определяются
графиком проведения планово-предупредительных и диагностических работ, подлежит
сжиганию на факеле. Стравливание и сжигание газа должны проводиться с учетом
метеоусловий. Эти процессы запрещается проводить в период НМУ.
Порядок (последовательность) работ службы по охране окружающей среды при
выполнении аналитического и инструментального контроля для выполнения
требований по охране атмосферного воздуха основан на таких экологических
ограничениях, как:
) изменение направления ветра в сторону населенного пункта;
) снижение скорости ветра до величины менее 1 м/с по месту
проведения работы;
) превышение заявленного объема выбросов, в том числе в единицу
времени;
) погасание пламени факельной установки или свечи и т.д.
При изменении хотя бы одного из перечисленных выше экологических
ограничений сжигание (стравливание) продукта незамедлительно прекращается.
Требования к охране поверхностных и подземных вод.
Эксплуатацию трубопроводов, расположенных в границах водоохранных зон
поверхностных водных объектов, включая проведение ремонтных работ подводных
переходов, осуществляют при условии обеспечения охраны водных объектов от
загрязнения, засорения и истощения вод в соответствии с законодательством в
области охраны окружающей среды и водным законодательством. При проведении ремонтных
работ необходимо предусмотреть меры по предотвращению поступления в котлован
или траншею поверхностных вод (за счет устройства водоотводных канав или
обвалования).
Также одним из требований является сокращение объемов забираемой из
водных объектов воды для проведения гидравлических испытаний участков
трубопроводов. Для этого рекомендуется использование привозной технической
воды, включая очищенные производственные сточные воды (СВ); последовательные
испытания участков трубопроводов с повторным использованием производственных
СВ, образующихся в процессе проведения промывки и гидравлических испытаний;
использование мобильных подстанций (комплексов) с инвентарными резервуарами.
В случае неизбежности использования поверхностных вод для проведения
промывки и гидроиспытаний трубопроводов забор производят в межнерестовый период
с использованием временных водозаборных сооружений, оборудованных рыбозащитными
устройствами. Объемы забираемой воды должны быть предусмотрены в проектах на
строительство и ремонт.
Другим требованием к охране водной среды является уменьшение
неорганизованного сброса загрязняющих веществ с поверхностными СВ, что может
достигаться закреплением откосов площадочных и линейных сооружений от размывов,
предотвращением смыва грунта из временных отвалов размываемых грунтов,
восстановлением нарушенного почвенно-растительного покрова в местах проведения
ремонтных работ. При сбросе в поверхностные водные объекты СВ их качество
должно соответствовать СанПиН 2.1.5.980-00 «Гигиенические требования к охране
поверхностных вод» и нормативам качества воды водных объектов
рыбохозяйственного значения [27], а кроме того, удовлетворять условиям смешения
в приемнике СВ.
В случае попадания жидких углеводородов на почву для предотвращения
загрязнения поверхностных и подземных вод необходимо организовать их
немедленный сбор и утилизацию, вплоть до снятия грунта и вывоза на специально
оборудованную площадку для последующего обезвреживания, в частности с
применением биотехнологий. В зимнее время проводят сбор снега с последующим
вывозом на локальные очистные сооружения, а если таковые отсутствуют, то в
амбар.
Требования к охране земель и почвенного покрова.
Как известно, критерием степени загрязнения почвы является превышение в
ней предельно допустимой концентрации (ПДК) ориентировочных допустимых уровней
(ОДУ) вредных веществ либо превышение регионального фонового уровня
концентраций данного вещества. ПДК сероводорода в почве с учетом фона (кларка)
составляет 0,4 мг/кг, а лимитирующий показатель вредности - воздушномиграционный.
Для минимизации возможного воздействия на окружающую среду при
ингибировании и очистке трубопровода, связанного с приемомпоршневого
устройства, для исключения попадания продуктов очистки на почву извлекать
данное устройство необходимо в специальный лоток.
Для защиты грунта под трубопроводом и предупреждения развития эрозионных
процессов на склонах оврагов и берегах рек необходимо предотвращать сток
поверхностных вод вдоль оси газопровода, а также рост оврагов и промоин,
расположенных в охранной зоне газопроводов. Канавы для отвода вод (ливневых или
паводковых) и водопропускные отверстия в насыпях должны поддерживаться в
рабочем состоянии, что обеспечивается благодаря периодическим осмотрам
естественных и искусственных земляных сооружений вдоль трассы трубопровода,
связанных с его эксплуатацией. Кроме водопропускных сооружений и устройств в
ходе осмотров проверяются периодически подтопляемые территории, прилегающие к
трубопроводам, состояние откосов, каменных набросов и облицовок в местах переходов
и пересечений с водными преградами и оврагами, места возможных размывов.
Одним из мероприятий по защите почвенного покрова является рекультивация
земель и осуществление противоэрозионных мер в пределах отведенных участков
после проведения планово-предупредительных работ [34], [36].
Рекультивация природно-хозяйственного качества земель для
сельскохозяйственного, водохозяйственного, лесохозяйственного и других видов
использования, требующих восстановления плодородия почв, должна состоять из
двух этапов: технического и биологического. Обоснование и направление
рекультивации должны определяться на стадии проектной документации на ремонт.
Направление рекультивации должно определяться с учетом категорийности и
нарушенности земель, характера и объема нарушений земель, интересов местного
населения, планируемого использования территории, состояния растительного и
животного мира, сроков выполнения и стоимости рекультивационных работ.
Требования по обращению с отходами.
Процесс обезвреживания и использования отходов при эксплуатации
трубопроводов должен быть отражен в проекте нормативов образования отходов и
лимитов их размещения (ПНООЛР), где необходимо предусматривать определение
параметров накопленных отходов, выбор способа обезвреживания, направления
использования отходов или объектов захоронения продуктов обезвреживания
отходов. Сбор углеводородов при очистке полости трубопровода должен
осуществляться в приемную емкость, установленную у камеры приема очистных
устройств. Вопрос об утилизации решается при разработке ПНООЛР (закачка жидких
углеводородов в технологически связанные участки трубопроводов, переработка,
сжигание, передача другим организациям и т.д.). Обезвреживание отходов очистки
полости трубопровода должно снижать степень негативного воздействия на окружающую
среду.
Требования к организации производственного экологического контроля и
мониторинга.
В соответствии с требованиями ст. 64-68 Федерального закона № 7-ФЗ «Об
охране окружающей среды» [27] на объектах газовой промышленности должен
осуществляется производственный экологический контроль (ПЭК), который
проводится в соответствии с корпоративными нормативными документами СТО Газпром
2-1.19-275-2008 «Охрана окружающей среды на предприятиях ОАО «Газпром».
Производственный экологический контроль. Общие требования» [35] включает
контроль за соблюдением общих требований природоохранного законодательства,
охраной атмосферного воздуха, водных объектов, земель и почв, а также контроль
в области обращения с отходами и контроль аварийных залповых воздействий на окружающую
среду.
Внеплановые мероприятия в рамках ПЭК осуществляются в случаях,
устанавливаемых [35], в том числе при поступлении информации об аварийных
залповых воздействиях на окружающую среду, существенной аварии или иной
чрезвычайной ситуации со значимыми экологическими последствиями, существенных
изменениях в технологии производства. Производственный контроль параметров
негативного воздействия на окружающую среду должен осуществляться по нормативно
техническим документам (МВИ и т.п.), прошедшим метрологическую аттестацию и
внесенным в Государственный реестр методик количественного химического анализа.
В соответствии с [43] экологический мониторинг является элементом
природоохранной деятельности ОАО «Газпром» и его дочерних обществ и
осуществляется в составе производственного экологического контроля как
специфическая часть комплекса мероприятий, направленных на обеспечение
соблюдения природоохранных требований и нормативов. Для обеспечения
экологической безопасностии эксплуатационной надежности трубопроводов
необходимо разрабатывать и реализовывать программу ПЭМ, базирующуюся на
дистанционных и контактных методах.
На этапе эксплуатации трубопровода обследование трассы должно проводиться
как минимум раз в год с чередованием сезонов обследования (весна, лето, осень).
Требования к охране окружающей среды должны неукоснительно выполняться,
так как трубопроводы в основном расположены в густонаселенных районах, и
несоблюдение указанных требований может проводить к нежелательным серьезным
воздействиям на окружающую среду и население.
Заключение
В данной выпускной квалификационной работе разработан проект на тему
«Технический блок эксплуатации магистрального газопровода
Ухта-Торжок-Грязовец».
Здание технического блока состоит 1 этажа, разработан генплан, фасады, объемно-планировочные
и конструктивные решения объекта.
В проекте выполнен теплотехнический расчет ограждающих конструкций:
наружных стен и покрытия.
В расчетно-конструктивном разделе произведен расчет свайного фундамента.
Выполнена технологическая часть на монтаж металлического каркаса.
Организована строительная площадка.
В данном проекте произведен анализ и приняты меры по обеспечению
безопасных и здоровых условий труда при организации отделочных работ на
объекте, выполнен расчет устойчивости монтажного крана, проведены меры
безопасности на территории технического блока эксплуатации магистрального
газопровода.
Список использованных источников
1. Федеральный закон от 30.12.2009г.№384-ФЗ «Технический
регламент о безопасности зданий и сооружений; введ. 31.12.2009.
. СП 56.13330.2011. Производственные здания.
Актуализированная редакция СНиП 31-03-2001: утв. Минрегионом России 30.12. 2010
г. № 850; введ. 20.05.2011. - М: ФАУ ФЦС,2011г.-13с.
. СП 131.13330.2012. Свод правил. Строительная климатология.
Актуализированная редакция СНиП 23-01-99*: утв. Минрегионом России 30.06.
2012г. №275. - Взамен СНиП 23-01-99*; введ. 01.01.2013. - М: ФАУ ФЦС, 2012.г -
109с.
. СанПиН 2.2.1/2.1.1.1200-03 Санитарные правила и нормы.
Санитарно-защитные зоны и санитарная классификация предприятий, сооружений и
иных объектов (с изменениями на 25.04.2014.г): утв. и введ. постановлением
Главного государственного санитарного врача РФ 25.09. 2007 г. № 74 - 53с.
. СНиП 23-02-2003. Строительные нормы и правила. Тепловая
защита зданий: утв. и введ. 01.10.2003 - М: ФГУП ЦПП Госстроя России, 2004. -
27с.
. СП 5.13130.2009 Свод правил. Установка противопожарной
защиты: утв. и введ. МЧС России 25.03.2009 г. № 175 - 107с.
. СНиП 2.03.11-85 Строительные нормы и правила. « Защита
строительных конструкций от коррозии»: утв. и введ. 01.10.87-М: ФГУП ЦПП
Госстроя России, 1999.г - 24с.
. Серия 1.031.9-2.99 - Перегородки системы "Knauf"
поэлементной сборки из гипсокартонных листов на металлическом и деревянном
каркасах для жилых, общественных и производственных зданий: утв.
Госгражданстрой 2000. - 120 с.
. ГОСТ 30245-2003 Профили стальные гнутые замкнутые сварные
квадратные и прямоугольные для строительных конструкций. Технические условия:
утв. и введ. ЦНИИПСК 22.10.2003.г - 15с.
. ГОСТ 24045-94 Профили стальные листовые гнутые с
трапециевидными гофрами для строительства. Технические условия: утв. и введ.
ЦНИИПСК 17.11.1994.г - 19с.
. СП 16. 13330.2011 Строительные правила. Стальные
конструкции. Актуализированная редакция СНиП II -23-81*: утв. и введ. Минрегионом
России от 27.12.2011.г№ 791 - 171с.
. СП 53-102-2004 Строительные правила. Общие правила
проектирования стальных конструкций; утв. и введ. 01.01.2005 М.: ФГУП ЦПП,
2005г. - 100с.
. СП 63.13330.2012 Бетонные и железобетонные конструкции.
Основные положения. Актуализированная редакция СНиП 52-01-2003; утв. Приказом
Минрегиона России29.12.2011 № 635/8. - введ. 01.01.2013. - М: ОАО ЦПП, 2013. -
118 с.
. ГОСТ 22356-77* Болты и гайки высокопрочные и шайбы (с
изменением №1): утв. и введ. Постановлением Госстандарта от 28.07.92 N 791; М:
- 11с.
. СП 45.13330.2012 Земляные сооружения, основания и
фундаменты. Актуализированная редакция СНиП 3.02.01-87: утв. Минрегионом России
29.12.2011№635/2; введ. 01.01.2013. - ФАУ ФЦС, 2013. -113с.
. ЕНиР 1 Внутрипостроечные транспортные работы: утв.
Государственного строительного комитета СССР 05.12.1986.г № 43/512/29-50 -
133с.
. ЕНиР 4 Монтаж сборных и устройство монолитных
железобетонных конструкций: утв. Государственного строительного комитета СССР
05.12.1986.г № 43/512/29-50 - 133с. - 28с.
. ЕНиР 5 Монтаж металлических конструкций: утв.
Государственного строительного комитета СССР 05.12.1986.г № 43/512/29-50 - 45с.
. ЕНиР 22 Сварочные работы: утв. Государственного
строительного комитета СССР 05.12.1986.г № 43/512/29-50 - 23с.
. СНиП 2.02.01-83* Основания зданий и сооружений: утв.
Госстроя СССР от 01.07.1987 г. № 125 - 49с.
. СНиП 14-4-80* Техника безопасности в строительстве: утв.
Госстроем России 28.08.1997.г №18-40 - 239с.
. СП 70.13330.2012 Несущие и ограждающие конструкции .
Актуализированная редакция СНиП 3.03.01-87: утв. Минрегионом России 27.12. 2010
г. № 756 введ. 01.01.2013. - М.: Росстандарт. - 280 с.
. СП24.13330.2011. Свайные фундаменты. Актуализированная
редакция СНиП2.02.03-85*: утв. Минрегионом России 27.12. 2010 г. № 786; введ.
20.05.2011 г. - М.: Департамент архитектуры, строительства и градостроительной
политики РФ.
. СН 276-74 Инструкция по проектированию бытовых зданий и
помещений строительно-монтажных организаций: утв. Госстрой СССР 27.08.1974.г -
16с.
. ГОСТ 12.4.059-89 ССБТ. Строительство. Ограждения
предохранительные инвентарные. Общие технические условия: утв. Постановлением
Государственного строительного комитета СССР от 13.04.89 № 66 - 11с.
. СП 4.13130.2013 Ограничение распространения пожара на
объектах защиты: утв. Министерством Российской Федерации по делам гражданской
обороны, чрезвычайным ситуациям и ликвидации последствий стихийных бедствий
(МЧС России) 24.04. 2013 г. № 288 - 187с.
. №7 ФЗ «Об охране окружающей среды»: утв. 10.01.2002 - 1с.
. №89 ФЗ «Об отходах производства и потребления»: утв.
24.06.1998.г -2с.
. СП 2.2.1.1312-03 Гигиенические требования к проектированию
строящихся и реконструируемых промышленных предприятий: утв. Постановлением
Правительства Российской Федерации № 554 24.06.2000.г - 76с.
. СП 23-101-2004 Свод правил . Проектирование тепловой защиты
зданий: утв. и введ. ОАО "ЦНИИпромзданий" и ФГУП ЦНС1.06. 2004 г. №
01. - М: .ОАО ЦПП,2004. - 178 с.
. СП 20.13330.2011. Свод правил. Нагрузки и воздействия.
Актуализированная редакция СНиП 2.01.07-85*: утв. Минрегионом России 27.12.
2010г. №787. - Взамен СНиП 2.01.07-85*; введ. 20.05.2011. - М: ФГУП ЦПП, 2011.
- 80 с.
. ГОСТ 30674-99 Блоки оконные из поливинилхлоридных профилей:
утв. Госстроем России 06.05.2000 № 37. - введ. 01.01.2001. - М: ГУП ЦПП, 2000 -
33 с.
. ГОСТ 31173-2003 Блоки дверные стальные. Технические
условия: утв. Госстроем России 20.06.2003 № 76. - введ. 01.03.2004. - М:
Госстрой, 2004 - 31 с.
. ГОСТ 17.4.3-85 Охрана природы. Почвы. Общие требования к
методам определения загрязняющих веществ: утв. Госстрой СССР 02.12.1985 № 3798.
- введ. 01.01.1987. - М: Стандартинформ, 1987. - 2 с.
. СТО Газпром 2-1.19-275-2008 «Охрана окружающей среды на
предприятиях ОАО «Газпром». Производственный экологический контроль. Общие требования»
утв. и введ. ОАО «Газпром» 31.12. 2008 г. № 540; М.
. ГОСТ 17.5.3.06-85 Охрана природы. Земли. Требования к
определению норм снятия плодородного слоя почвы при производстве земляных
работ: утв. Госстрой СССР 17.07.1985 № 2256. - введ. 01.07.1986. - М.
Стандартинформ, 1986. - 4 с.
. ТСН 40-303-2003 Бестраншейная прокладка коммуникаций с
применением микротоннелепроходческих комплексов и реконструкция трубопроводов с
применением специального оборудования: утв. Госстроем России 04.03.2003 №
9-29/163. - введ. 03.08.2004. - М, 2004. - 76 с.
. СП 70.13330.2012 Несущие и ограждающие конструкции.
Актуализированная редакция СНиП 3.03.01-87: утв. Госстроем России 25.12.2012. -
введ. 01.07.2013. - М, 2013. - 205 с.
. СП 113.13330.2012. Свод правил. Стоянки автомобилей.
Актуализированная редакция СНиП 21-02-99*: утв. Минрегионом РФ от 29.12.2011 №
635/9. - Взамен СНиП 21-02-99*; введ. 01.01.2013. - М: ОАО ЦНИИпромзданий,
2013. - 20 с.
. ГОСТ 27935-88 Плиты древесноволокнистыеи
древесностружечные: Постановлением Государственного комитета СССР по стандартам
от 01.12.88 №3935- введ. 01.01.1990г; М.
. ГОСТ 9467-75 Электроды, покрытые металлические для ручной
дуговой сварки конструкционных и теплоустойчивых сталей (с изменением №1): утв.
09.1988.г - 6с.
. ГОСТ 23118-2012 Конструкции стальные строительные. Общие
технические условия: Актуализированная редакция ГОСТ 23118-99: утв.
Росстандартом 29.11.2012 г №1850-ст. введ. 1.07.2013г. - М: 2013 - 34с.
. СТО Газпром 2-1.19-570-2011 Требования по охране окружающей
среды при эксплуатации газопроводов: утв. 24.06.2011 ГГК «Газпром»; введ.
28.02.2012. М.: ОАО "Газпром", 2012 г.
. СТО Газпром 2-1.19-581-2011 Охрана окружающей среды при
строительстве станций обслуживания газопровода: утв. 19.06.2011 ГГК «Газпром»;
введ. 24.03.2012. М.: ОАО "Газпром", 2012 г.
0,92=2,457 м 2 ·оС/Вт.
0,92=4,011 м 2 ·оС/Вт.
, кН/м(2.3)
кН/м
,(2.4)
кН/м
,(2.5)
кН/м
,(2.6)
кН/м
кН/м(2.8)
(2.9)
кН/м

, т, (3.2)
- собственная масса элемента, т;
- масса монтажных приспособлений, т;
- масса грузозахватного устройства,т.=0,583+0,2=0,783т
, (4.4)
принимается по площади застройки,
при площади застройки до 30 га
.
- расход воды на хозяйственно-бытовые нужды:
, (4.5)
/-
расход воды на принятие душа;
, (4.6)
;
- коэффициент, учитывающий количество моющихся, принимаем
;
время работы душевой установки, час принимаем
;
// - расход воды на умывание, принятие пищи и другие нужды.
,(4.7)
- норма водопотребления на 1 человека в смену
;
- коэффициент неравномерности потребления воды,
;
- продолжительность смены в часах
;
, (4.8)
- коэффициент неравномерности водопотребления,
- суммарный расход воды в смену в литрах на все
производственные нужды по нормам;
, (4.9)
- скорость движения воды временного водопровода
;
.
, кВт, (4.10)
, м2 , (4.23)
Организация строительной площадки, участков работ и рабочих
мест:
Эксплуатация строительных машин
Монтажные работы
(5.1)
-
скорости вертикального и горизонтального перемещения точки подвеса груза при
работе механизма изменения вылета, м/с;
(5.2)
- нормативная ветровая нагрузка;
- наветренная поверхность груза.
(5.3)
(5.4)