Материал: Станочные приспособления

Внимание! Если размещение файла нарушает Ваши авторские права, то обязательно сообщите нам

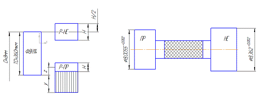
Рисунок 2.2 - Структурная схема закрепления заготовки: Q - требуемая сила закрепления, которую вырабатывает зажимное устройство; N исходная сила закрепления, которую вырабатывает силовой узел; i - передаточное отношение зажимного устройства (/ = QIN)

На основании этого разрабатываем техническое задание для данного приспособления. Для удобства анализа факторов составляем таблицу 2.1.

Табл. 2.1 - Выбор конструкции приспособления

Раздел

Содержание раздела

Наименование и область применения

Приспособление для закрепления винта с базированием по наружному диаметру 21 мм

Цель и назначение разработки

Проектируемое приспособление должно обеспечить: - точную установку и надежное закрепление заготовки, а также постоянное во времени положение заготовки относительно стола станка и режущего инструмента с целью получения необходимой точности размеров отверстия; - удобство установки, закрепления и снятия заготовки; - время установки заготовки не должно превышать 0,05 мин;

Документация, используемая при разработке

ЕСТПП. Правила выбора технологической оснастки. ГОСТ 14.305 - 73. ЕСТПП. Общие правила обеспечения технологичности конструкций изделий. ГОСТ 14.201 - 83

Документация, подлежащая разработке

Чертеж общего вида приспособления для сверлильной операции; спецификация

На основании расчетов составляем компоновочную схему приспособления зажима.

Установочные элементы (опоры) приспособлений служат для установки на них базовыми поверхностями обрабатываемой заготовки.

Число и расположение установочных элементов должно обеспечивать необходимую ориентацию заготовки согласно принятой в технологическом процессе схеме базирования.

Заготовка будет базироваться в приспособлении по наружной цилиндрической поверхности. Следовательно, установочными элементами в данном приспособлении будут призма. Материал призмы - сталь 20Х ГОСТ 4543-71; твердость рабочих поверхностей HRC 55 - 60; цементация на глубину 0,8 - 1,2 мм.

2.4 Расчет погрешности установки в приспособлении


Общая погрешность находится по формуле

                                                                                (2.8)

Находим погрешность базирования

                                                                                           (2.9)

где х - радиальное биение, в нашем случае примем равным 0, так как не задано по условию.

Находим погрешность закрепления

                                                                         (2.10)

где  - погрешность закрепления из-за непостоянства силы зажима;

 - погрешность закрепления из-за неоднородности шероховатости и твердости поверхностного слоя заготовки;

 - дополнительная составляющая погрешность закрепления из-за смещения заготовки.

 и  являются функциями зажимной силы.

А т.к. при использовании ручных зажимных механизмов прямого действия колебания зажимной силы незначительны, то в данном случае  +  можно принять равным нулю.

Пусть качество базовых поверхностей заготовок однородно.

Тогда  = 0, а значит εз = 0

Находим погрешность положения заготовки по формуле:

                                                                           (2.11)

где εУС - погрешность при изготовлении и сборке приспособления. Т.к. приспособление одно, то εУС = 0 - устраняется настройкой станка;

εИ - погрешность, вызванная износом установочных элементов приспособления;

εИ =                                                                                       (2.12)

где β - постоянная, зависящая от вида опор и условий контакта, β = 0,3÷0,8. Примем β = 0,8.- количество контактов заготовки с опорой.

εИ =

εС - погрешность установки приспособления на станок, εс =0,1÷0,2 мм. Примем εС = 0,02 мм = 20 мкм

Тогда погрешность положения заготовки

Общая погрешность .

Так как технологический допуск на выполняемый размер равен 360 мкм и существенно больше общей погрешности εдоп > ε , т.е 360мкм > 269мкм -приспособление обеспечивает требуемую точность сверления отверстия Ф8(+0,36)мм.

2.5 Определение силы закрепления


Расчёт силы зажима будем производить по осевой силе Ро=1637,9 Н.

К - коэффициент запаса. Принимаем К = 2,5

Ро × К - Fтр = 0                                                                              (2.13)

Сила трения рассчитывается по формуле:

тр = W×f                                                                                          (2.14)

 - коэффициент трения, торцевых поверхностей. Принимаем f = 0,75

Тогда сила закрепления

2.6 Выбор и расчет зажимного устройства


В качестве силового привода используем винт со сферическим опорным торцом М20х1,25 и с наконечником, длина ключа l=140 мм, шаг резьбы S=1,25.

Рассчитываем усилие на рукоятке ключа:

                                    (2.15)

ср - средний радиус резьбы. Для М20 - rср = 9,188 мм

m - коэффициент трения на плоском торце. Принимаем m = 0,1

R - радиус сферы винта. Принимаем R = 10 мм.

β - угол конусного углубления наконечника. Принимаем β = 130°.

2.6.1 Расчёт на прочность деталей приспособления

Проверяем прижимной болт (поз.6) на срез и смятие по осевой силе Ро=1637,9 Н. Материал пальцев болта сталь У7А.

Удельный вес: 7830 кг/м3

Твердость материала: HB 10 -1 = 187 МПа

Температура критических точек: Ac1 = 730 , Ac3(Acm) = 770 , Ar1 = 700 , Mn = 280

Температура ковки, °С: начала 1180, конца 800. Сечения до 100 мм охлаждаются на воздухе, 101-300 мм в яме.

Обрабатываемость резанием: в отожженом состоянии при HB 187, σв=620 МПа, К υ тв. спл=1,2 и Кυ б.ст=1,1.

Свариваемость материала: не применяется для сварных конструкций.

Флокеночувствительность: не чувствительна.

Склонность к отпускной хрупкости: не склонна.

Допускаемое напряжение на срез и смятие для стали У7А [τ]ср = 0,2…0,3[σ]в= 124… 186МПа.

Условие прочности болта на срез и смятие:

                                (2.16)

где F - площадь ослабленного сечения болта, находится по формуле:

Условие  для нашего случая выполняется, поэтому среза и смятия не произойдёт.

2.7 Описание работы приспособления


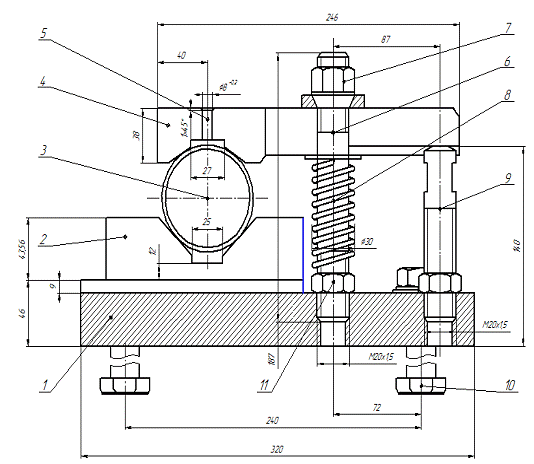
Приспособление специальное служит для надежного закрепления винта при сверлении отверстия Ф8 на вертикально-сверлильном станке 2Н135. Состоит из станины 1, нижней призмы 2, верхней призмы 4, прижимного болта 6, пружины 7, регулировочного болта 9, крепежного винта 10 и стандартных деталей.

Станина крепится на стол с Т-образными пазами, на него крепится нижняя призма при помощи винтов, верхняя призма устанавливается на болт прижимной и вкручивается в станину, для фиксации прихвата применяют регулировочный болт, крепящуюся в плиту. Деталь закрепляют прихватом, который закручивают механическим способом.

Рис. 2.3 - Общий вид приспособления для сверления

На основании проведенных расчетов вычерчиваем на листе формата А1 приспособление со спецификацией.

2.8 Расчет и проектирование средства технического контроля


В качестве контроля просверленного отверстия применим калибр-пробку. Калибрами называются такие измерительные инструменты, которыми проверяются правильность размеров и формы изделий и при помощи которых можно установить, что изготовленные изделия соберутся друг с другом в сборке и что это соединение изделий будет нужного качества.

Взаимозаменяемость гладких изделий зависит от единства размеров, допусков и отклонений калибров и применяемых типов калибров.

Стандарты на допуски гладких калибров (ГОСТ 24853-81 и ГОСТ 24852-81) распространяются на предельные гладкие калибры-пробки, служащие для контроля отверстий с номинальными размерами до 3150 мм и допусками IT6-ITM (ГОСТ 25346-89), а также на контрольные калибры. Допуски калибров для контроля деталей, допуски которых отличаются от стандартных, но лежат в диапазоне IТ6-IТМ, следует определять по квалитету, допуск которого является ближайшим к нестандартному допуску изделия.

. Исходные данные для расчета калибра-пробки: номинальный размеры для калибра-пробки D=8H14.

. По ГОСТ 25347-82 выписываем предельные отклонения для заданных полей допусков отверстия, а также строим схему его расположения.

Ф8H14 ()

. Производим расчет калибра-пробки для отверстия D= 30H7 ().

Определяем наибольший и наименьший предельные размеры:

=D+ES=8+0,36=8,36мм.=D+EI=8+0=8мм.

. Определяем допуски отверстия (мм):

= D max - D min; TD = 8,36 - 8,00 = 0,36мм.

. Определяем предельные зазоры или натяги (мм):

max = D max - D min; S max = 8,36 - 8,00 = 0,36мм.

По табл. ГОСТ 24853-81 для данного квалитета и находим данные для определения размеров необходимых калибров:=0,0035 мм - отклонение середины поля допуска на изготовление проходного калибра для отверстия относительно наименьшего предельного размера изделия;=0,003 мм - допустимый выход размера изношенного проходного калибра для отверстия за границу поля допуска изделия;=0,004 мм - допуск на изготовление калибров для отверстия.

Определяем размеры калибр-пробки:

Проходная сторона:

Р-ПРmax= Dmin+Z+H/2=8+0,0035+0,004/2=8,0055 мм.

Р-ПРmin= Dmin+Z - H/2=8+0,0035 - 0,004/2=8,0015 мм.

Р-ПРизн= Dmin - Y=8 - 0,003=7,997 мм.

Непроходная сторона:

Р-НЕmax= Dmax+H/2=8,360+0,004/2=8,362 мм.

Р-НЕmin= Dmax - H/2=8,360 - 0,004/2=8,358 мм.

По полученным данным вычерчиваем эскиз калибра-пробки с указанием использованных размеров, шероховатости рабочих поверхностей и маркировки.

Рис. 2.3 - Схема полей допусков и эскиз калибра-пробки.

Заключение


В ходе выполнения курсовой работы спроектировали приспособление для сверления отверстия Ф8 в головке винта механизма блокировки.

Провели анализ исходных данных, рассмотрели служебное назначение винта механизма блокировки, определили тип производства.

В конструкторском разделе разработали схему базирования детали в приспособлении, рассчитали усилие зажима, выбрали подходящую схему закрепления, определили погрешность при установке, а так же спроектировали и рассчитали калибр-пробку для контроля отверстия.

Список использованной литературы


1. Аверченков В.И., Гордиленко О.А. и др. Сборник задач и упражнений по технологии машиностроения. М: Машиностроение, 1988. 192 с.

2. Справочник технолога-машиностроителя. Т. 1. /А.Г. Косилова, Р.К. Мещеряков. М.: Машиностроение. 1986. 656 с.

3. Справочник технолога-машиностроителя. Т. 2. /А.Г. Косилова, Р.К. Мещеряков. М.: Машиностроение. 1986. 496 с.

4. Гельфгат Ю.И. Сборник задач и упражнений по технологии машиностроения. М.: Высшая школа. 1986. 271 с.

. Справочник контролёра машиностроительного завода. Допуски, посадки, линейные измерения/ А.Н. Виноградов, Ю.А. Воробьёв, Л.Н. Воронцов. М.: Машиностроение. 1980. 527 с.