Материал: Средства и системы технического обеспечения обработки, хранения и передачи информации

Внимание! Если размещение файла нарушает Ваши авторские права, то обязательно сообщите нам

Средства и системы технического обеспечения обработки, хранения и передачи информации

ФЕДЕРАЛЬНОЕ АГЕНТСТВО ПО ОБРАЗОВАНИЮ

БРЯНСКИЙ ГОСУДАРСТВЕННЫЙ ТЕХНИЧЕСКИЙ

УНИВЕРСИТЕТ

Кафедра

"Компьютерные технологии и системы "







Курсовой проект

по дисциплине

"Средства и системы технического обеспечения обработки, хранения и передачи информации "

Брянск 2009

Содержание

 

Задание на курсовую работу

1. Функциональная схема

2. Схемы блоков

2.1 Генератор функции

2.2 АЦП, ЦАП

2.3 Код Хэмминга

2.4 Интерфейс RS232

3. Работа системы

4. Цифровые устройства формирования видеоизображения

4.1 Классификация устройств обработки видеосигналов

4.2 Какие бывают форматы представления видеосигнала

4.3 Цифровое представление телевизионного сигнала

Список используемых источников

Задание на курсовую работу

Вопрос № 1.

Вариант

Входной сигнал, X

Функциональн. преобразов.

Макс. ошибка, %

Коррекция ошибок, бит

3

Sin (t) - sin (3t*t+5)

=Sqr (X)

4

3

Вопрос № 2.

Цифровые устройства формирования видеоизображения.

1. Функциональная схема


Схема в среде Simulink


2. Схемы блоков


2.1 Генератор функции


        

2.2 АЦП, ЦАП


Разрядность АЦП (ЦАП) была выбрана с учётом максимальной ошибки, которая не должна превышать 4%. Разрядность выбиралась по формуле:

n =100/e,

где- разрядность;- допустимая ошибка.

Из этой формулы можно выразить разрядность АЦП (ЦАП). Т.к., по условию, ошибка равновероятна на АЦП и ЦАП, то максимальная ошибка для них составит по 2%. Отсюда разрядность АЦП (ЦАП) составит 6.

В данной работе был использован АЦП MAX1011.

Отличительные особенности:

·   Высокая частота дискретизации: 90 М выборок/с

·   Низкая рассеиваемая мощность: 215 мВт

·   Отличные динамические характеристики:

·   5.85 ENOB (эффективное количество битов) при 20 МГц, аналоговый входной сигнал 5.7 ENOB при 50 МГц, аналоговый входной сигнал

·   INL (интегральная нелинейность) и DNL (дифференциальная нелинейность) ±1/4LSB (младшего значащего разряда), типичное значение

·   Входное смещение ±1/4LSB (тип)

·   Встроенный источник опорного напряжения (ИОН)

·   Встроенный тактовый генератор с возможностью использования внешнего генератора

·   Полоса входных усилителей с полно - дифференциальными входами 55 МГц (-0.5 дБ)

·   Выбираемый пользователем, диапазон входных сигналов (двойная амплитуда): 125 мВ, 250 мВ, или 500 мВ

·   Рассогласование смещения между каналами 1/4 LSB (тип)

·   Рассогласование усиления 0.1 дБ и фазы 0.5, типичные

·   Работа с одинарными/дифференциальными входными сигналами

·   Гибкое питание, 3.3 В, CMOS - совместимые цифровые выходы

Области применения:

·   Приемники с дискретизацией ПЧ

·   Приемники VSAT

·   Широкополосные сети LAN (WLAN)

·   Измерительные приборы

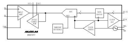
Функциональная схема:


Расположение выводов:


Описание:

ИС MAX1011 является 6-ти разрядным, аналого-цифровым преобразователем (АЦП), обладающим высокой скоростью преобразования, низким энергопотреблением, диапазонами входных сигналов, выбираемыми пользователем, встроенным источником опорного напряжения (ИОН) и тактовым генератором. АЦП преобразует аналоговые сигналы в выходной сигнал двоичного кода со скоростями дискретизации, вплоть до 90 М выборок/с. Возможность непосредственного подключения демодулированных полосовых сигналов делает ИС MAX1011 идеальной для использования в широком диапазоне коммуникационных и контрольно - измерительных приложений.

Входной усилитель ИС MAX1011 имеет полно - дифференциальный вход, полосу аналогового сигнала 55 МГц (-0.5 дБ) и, программируемые пользователем, диапазоны с двойной амплитудой входного сигнала 125 мВ, 250 мВ, или 500 мВ. При подключении входных сигналов по переменной составляющей, входное смещение, типично, не превышает 1/4 LSB. Динамические рабочие характеристики: количество эффективных бит (ENOB) составляет 5.85 при входном аналоговом сигнале 20 МГц, или 5.7 ENOB при входном сигнале 50 МГц.

ИС MAX1011 имеет однополярное напряжение питания аналоговых каскадов +5В и цифровых каскадов +3.3В, для упрощения согласования с 3.3В - процессорами цифровой обработки сигналов и с микропроцессорами. ИС выпускается в корпусе 24-pin SSOP.

Частота дискретизации по теореме Котельникова должна быть в 2 раза больше чем несущая частота сигнала. Несущая частота определяется путём разложения функции в ряд Фурье. На графике амплитудного спектра наглядно видна несущая частота.


Из графика видно, что несущая частота примерно равна 1 Rad/sec. Используя формулу W=2*Pi*F где F-частота в Hz а W частота в rads/sec, отсюда несущая частота равна 0.16Hz. Следовательно, частота дискретизации должна быть равна 0,3Hz.

Но теорема Котельникова действует при условии, что на приемнике известен вид сигнала. У нас же на практике этого нет. Т.е. в модели приходится брать большую частоту дискретизации, чтобы она удовлетворяла заданной максимальной ошибке, которая определяется выходным сигналом.

Рассмотрим выходные сигналы при разных частотах дискретизации:

Сигнал на выходе системы при частоте дискретизации, равной 1:


Сигнал на выходе системы при частоте дискретизации, равной 1/10:



Сигнал на выходе системы при частоте дискретизации, равной 1/50:


Сигнал на выходе системы при частоте дискретизации, равной 1/100:



Сигнал на входе системы:


Из приведенных выше графиков видно, что допустимая ошибка соблюдается только при частоте дискретизации, равной 1/100 секунды.

Схема АЦП в среде Simulink имеет вид:


Параметр блока Zero-Order-Hold Sample time равен 1/100, что соответствует выбранной частоте дискретизации.

Параметр блока Quantizer quantization interval равен 2/64. Он определяется исходя из формулы:

,

где

 - уровень квантования- входное напряжение- разрядность АЦП, выбранная исходя из ошибки

Теперь рассмотрим ЦАП

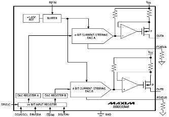
В данной работе использовался ЦАП MAX5548

Отличительные особенности:

Выбираемый сигналом на выводе I2C - или SPI - совместимый последовательный интерфейс

Гарантируемый ток утечки по выходу в дежурном режиме не более ±1 мкА

¬           Гарантированная монотонность характеристик во всем рабочем температурном диапазоне

¬           Два выхода позволяют использовать прибор в симметричных системах

¬           Максимальный выходной ток каждого ЦАП 30 мА

¬           Возможность запараллеливания выходов для обеспечения выходного тока до 60 мА

¬           Стабильность выходов при работе на РЧ фильтр

¬           Возможность работы от внутреннего или внешнего ИОН

¬           Цифровой выход DOUT позволяет в режиме SPI подключать несколько приборов последовательно

¬           Однополярное питание от +2.7 до +5.25 В

¬           16 контактный 3x3 мм тонкий QFN корпус

¬           Программируемый программно и при помощи внешнего резистора диапазон выходного тока

Области применения:

¬           Смещение для PIN диодов

¬           Управление РЧ аттенюаторами

¬           Подстройка VCO

Блок-схема:


Расположение выводов:


Общее описание:- двойной 8-битный цифро-аналоговый преобразователь (ЦАП) с высоким выходным током. MAX5548 имеет максимальный выходной ток каждого ЦАП до 30 мА, что делает его идеальным для использования в качестве источника смещения PIN диодов. Для обеспечения выходного тока до 60 мА можно запараллелить выходы. Работая от однополярного источника питания от +2.7 до +5.25 В, MAX5548 имеет типовой ток потребления 1.5 мА/ЦАП в рабочем режиме и менее 1 мкА в дежурном режиме. Также в дежурном режиме MAX5548 имеет очень низкий ток утечки по выходу (не более ±1 мкА), что позволяет гарантировать отключение диодов при нахождении прибора в этом режиме.

К другим отличительным особенностям прибора можно отнести наличие встроенного +1.25 В ИОН и регулирующего усилителя, позволяющего гарантировать высокую точность и низкие шумы. Для увеличения точности коэффициента усиления прибор может работать от внешнего опорного напряжения, подаваемого на вход REFIN. Вывод выбора типа последовательного интерфейса (I2C - или SPI - совместимый) дает MAX5548 дополнительную гибкость. Максимальное значение выходного тока может быть задано программно или при помощи внешнего резистора.доступен в 16 контактном 3x3 мм тонком QFN корпусе и имеет рабочий температурный диапазон от - 40°C до +85°

Схема ЦАП в среде Simulink имеет вид:


Параметры блоков Zero-Order-Hold и Quantizer аналогичны параметрам данных блоков в АЦП.

        

2.3 Код Хэмминга


Схема кодера Хэмминга в среде Simulink имеет вид:


Параметр блока Integer to Bit Converter "Number of bits per integer" равен 11, т.к. это необходимо для нормального функционирования блока Hamming Encoder. Дело в том, что кодер Хэмминга работает с определенным числом входящих битов. Количество входных битов высчитывается по формуле K=2M-1-M (К - количество входных бит, М - количество добавляемых кодером бит для формирования избыточности (причем М>=3)). Из данной формулы можно определить, что количество входных бит может быть 4, 11, 26… На практике мы имеем 6 бит данных, выходящих с АЦП. Отсюда делаем вывод, что подходящее для нас число входящих в кодер Хэмминга бит равно 11.

Параметр блока Hamming Encoder "Codeword Length N" равен 15. Это общее число бит выходящих из кодера Хэмминга: 11 информационных и 4 кодовых, добавочных. Параметр "Message Length K" равен gfprimfd (4,'min'), что означает, что к информационным битам добавляется еще 4 кодовых.

Схема декодера Хэмминга в среде Simulink имеет вид:


Параметры блоков декодера Хэмминга аналогичны параметрам блоков кодера.

        

2.4 Интерфейс RS232


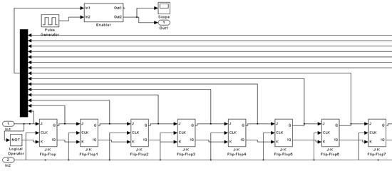
Схема интерфейса передачи в канал имеет вид:


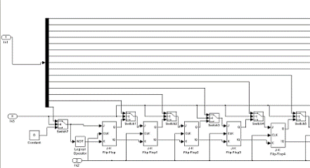
Схема интерфейса приема из канала имеет вид:


Параметр тактового генератора "период” равен 1/100, что соответствует выбранной частоте дискретизации. А параметр "Pulse Width”, равный 1410/15, был выбран исходя из того, что приемник должен выдавать параллельный код только в определенный момент, когда пришедшие данные полностью запишутся в регистр сдвига. Это означает, что данные должны передаваться один раз за пятнадцать тактов передачи данных в канал (или записи в регистр сдвига), т.е.14/15 времени передачи одного пакета данных приемник не должен выпускать пришедшие данные. Таким образом, ширина импульса, запрещающего передачу данных должна быть равна 14/15 * 100% от времени дискретизации (на практике было взято 14,1/15*100 из за того что JK триггеры работают по заднему фронту и происходит задержка)

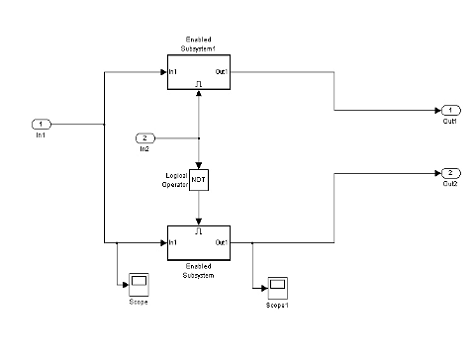
Схема блока Enabler имеет вид:


Общая схема приема - передачи имеет вид:


Параметры генератора импульсов, синхронизирующего работу приемника и передатчика "Period” и "Pulse Width" соответственно равны 1/1500 (1/15 часть от частоты дискретизации) и 1% (берется очень маленькое значение, т.к. JK триггеры работают по заднему фронту, что вызывает задержку).

Параметры генератора импульсов, синхронизирующего работу блоков Switch в передатчике, "Period” и "Pulse Width" соответственно равны 1/150 (частота дискретизации) и 100/30% (это означает, что разрешение подается только в первую из 15 частей периода дискретизации).

        


3. Работа системы


Входной сигнал имеет вид:


Сигнал после прохождения функционального преобразователя:


Спектр сигнала на входе:


Спектр сигнала на выходе:


Как видно из графика, спектры сигнала на входе и выходе отличаются незначительно.

Временные диаграммы сигнала при приеме из канала при нормальной работе:


Временные диаграммы сигнала при приеме из канала с возникновением ошибки:

Данные временные диаграммы отличаются от диаграмм до кодера Хэмминга только небольшим смещением, связанным с задержкой, возникшей при передаче данных через канал.

4. Цифровые устройства формирования видеоизображения


4.1 Классификация устройств обработки видеосигналов


Сегодня словами "видеообработка" и "цифровое видео" уже никого не удивишь. За последнее десятилетие устройства обработки видеосигналов прошли огромный путь развития, появилось множество специальных терминов и способов обработки видеоизображения. Все устройства обработки видеосигналов (УОВ) можно разделить на несколько категорий:

.        Специализированные устройства, выполняющие ограниченный набор функций и работающие, как правило, в реальном времени. К этой категории относятся всевозможные видеомикшеры, видеокоммутаторы, генераторы спецэффектов, синхронизаторы, транскодеры и т.д.

2.      Устройства обработки видеосигналов на базе компьютеров PC, Macintosh, Silicon Graphics, Amiga, Alfa DEC и т.д. Обычно эти устройства выполняются в виде плат или внешних блоков активно взаимодействующих с компьютером при помощи программного обеспечения. Такие устройства редко работают в реальном времени, но имеют практически неограниченные возможности.

.        Управляющие и вспомогательные устройства, которые управляют видеоаппаратурой (видеомагнитофонами, видеокамерами, видеомикшерами, коммутаторами и т.д.). Они могут быть как автономными, так и входить в состав компьютерного видеокомплекса. К этой категории относятся видеомонтажные контроллеры, платы линейного видеомонтажа, управляющие системы и т.д.

Следует отметить, что большинство вышеперечисленных устройств используют цифровую обработку сигналов, которая либо имеет ряд преимуществ, либо является единственно возможной. Цифровая техника достаточно специфична, поведение интеллектуальных машин иногда противоречит повседневному опыту человека и трудно воспринимается. Специальное образование, вскрывающее подноготную цифровых процессов, снимает такие трудности.

4.2 Какие бывают форматы представления видеосигнала


Как уже отмечалось, низкочастотный телевизионный видеосигнал является композитным, т.е. представляет собой результат сложения яркостного сигнала Y, двух цветовых поднесущих, модулированных сигналами цветности U и V, а также синхроимпульсов, причем частоты цветоразностных сигналов лежат в пределах полосы спектра яркостного сигнала. Но из-за строчной структуры телевизионного разложения в спектральной области все они имеют гребенчатую структуру, расcтояния между соответствующими пиками которых равны строчной частоте. При этом частоты поднесущих выбраны так, чтобы спектральные пики сигналов цветности оказались между пиками яркостного сигнала. В результате путем использования специальных гребенчатых фильтров возможно эффективное разделение этих сигналов. Однако, подобные фильтры весьма сложны и дороги, а потому в основном используются в профессиональной аппаратуре высокого разрешения.

В бытовых устройствах ограничиваются более простыми полосовыми фильтрами, заметно снижающими четкость изображений. Так в видеомагнитофонах и камерах классов VHS (Video Home System) и Video-8 используются только композитные видеосигналы, при этом разрешение ограничено 240 телевизионными линиями. Кроме того, даже полное использование всех различий сигналов все равно не позволяет идеально разделить их. Поэтому более эффективным оказывается использование не единого композитного сигнала, а двух композитных сигналов Y/C: Y, как и ранее, несет яркостный сигнал и синхроимпульсы, а C (Chrominance) - модулированные цветовые сигналы. Такой сигнал называют S-Video, он используется при записи/воспроизведении в аппаратуре классов S-VHS и Hi-8. Считается, что при этом обеспечивается разрешение в 400 линий.

Следующим шагом к повышению качества является переход к компонентному сигналу YUV. Он используется в профессиональной аппаратуре класса Betacam и связан с поддержкой разрешения до 500 линий. И, наконец, последним в этой череде является RGB-представление: при этом отсутствуют какие-либо кодирование и модуляция, наиболее простая и точная передача сигнала. Однако, в силу вышеуказанных особенностей зрительного восприятия человека достигаемое здесь повышение качества уже становится визуально несущественным. Поэтому, подобное представление реально используется только в высокоточной научной измерительной аппаратуре.

За последние несколько лет появилось большое число различных цифровых форматов представления видеосигнала. Аппаратура, работающая в этих форматах выпускается рядом фирм - законодателей мод в видеотехнике, такими как Sony, Panasonic, JVC и т.д. Такая аппаратура стала появляться и на нашем рынке, хотя пока она слишком дорога для "российского" уровня, особенно для бытового. Приведем сводную таблицу существующих форматов, в том числе и цифровых, к которым вернемся в дальнейшем.

4.3 Цифровое представление телевизионного сигнала


По своей массе и производственным мощностям аналоговая вещательная аппаратура все еще преобладает, но очень быстро сдает одну позицию за другой. Как и ожидалось, переход к цифровым вещательным комплексам осуществляется, главным образом, за счет поэтапного встраивания цифрового оборудования в аналоговое окружение. Процесс этот идет повсеместно, но в разных странах темпы перехода различны.

В наиболее развитых странах уже сейчас можно говорить о преобладании цифровой аппаратуры, в некоторых она просто отсутствует. Россию в этом плане, пожалуй, следует отнести к слаборазвитым странам. Бурному внедрению цифровых технологий в наше вещание, естественно, препятствует отсутствие необходимых средств у большинства телевизионных и радиовещательных компаний страны. Тем не менее, дело сдвинуто с мертвой точки и идет с впечатляющим ускорением. Что предлагают цифровые технологии на разных стадиях подготовки и распространения вещательных программ, как влияют на художественные возможности, о чем следует помнить, работая с цифровой аппаратурой, и чего надо опасаться, особенно в системах с компрессией сигналов - ответы на все эти вопросы следует знать всем работникам вещательных организаций - инженерно-техническому персоналу и творческим работникам.

Цифровая техника стала постепенно проникать в телевидение в семидесятые годы. Первыми появились цифровые корректоры временных искажений, затем - кадровые синхронизаторы, генераторы специальных эффектов, микшеры, коммутаторы. Но говорить о возможности полномасштабного перехода к цифровому телевидению стали десять лет назад, когда появился первый промышленный цифровой видеомагнитофон, разработанный фирмой Sony. Это - выдающееся событие для телевидения.

Прежде всего надо отметить, что параметры, характеризующие качество воспроизводимого изображения и звука в цифровом аппарате, превосходили те значения, которые были типичными для аналоговых магнитофонов. Но появление цифровой видеозаписи означало не просто значительное улучшение параметров. Эффект накопления искажений, присущий всем аналоговым системам, например, ограничивает предельно допустимое число перезаписей, которые могут быть сделаны на аналоговом магнитофоне. Так, например, перезапись на магнитофонах формата VHS, без потери качества в пределах нормы, не допускается вообще, формат S-VHS допускает 1-2 перезаписи, а Betacam SP три-четыре. А вот цифровые системы практически свободны от эффекта накопления искажений. Если в аналоговом аппарате предельно допустимое число перезаписей исчисляется единицами, то в цифровом видеомагнитофоне визуальное качество изображения не изменяется после десятков перезаписей. А это уже не просто количественное улучшение. Можно сказать, что предельно допустимое количество перезаписей уже практически не ограничивает возможности создателей телевизионных программ.

Десятилетия основным носителем в системах видеозаписи была магнитная лента. Но сейчас запись на диск завоевывает свое место в видеотехнике. Дисковые системы дороже ленточных и имеют меньшую емкость, но они обладают весьма важным преимуществом - практически мгновенным (в сравнении с ленточными системами) доступом к любому фрагменту записи. Это создает новые возможности для компоновки и монтажа.

Таким образом, появление цифровой видеозаписи ознаменовало начало кардинальных изменений в технологии производства телевизионных программ. Но цифровая техника порождает и проблемы. Полоса частот цифровых сигналов значительно шире полосы их аналоговых предшественников. Например, полоса частот, занимаемая телевизионным видеосигналом в цифровой форме, составляет сотни мегагерц. Так, при передаче телевизионного сигнала в цифровой форме требуются каналы связи с пропускной способностью до сотен мегабит в секунду. Использование каналов, не вносящих ошибки в цифровой поток и обладающих столь большой пропускной способностью, может оказаться невозможным или экономически невыгодным. При плотностях записи информации, которые приходится использовать, например, в цифровых видеомагнитофонах, чтобы добиться расхода ленты, сравнимого с расходом в аналоговых аппаратах, ошибки при воспроизведении просто неизбежны. Поэтому сам факт преобразования аналоговых сигналов в цифровую форму и использование двоичных сигналов в качестве носителя информации еще не гарантирует высокого качества.

цифровой сигнал помехозащищенность информация

Принципиальный способ решения проблем передачи и записи с высокой степенью помехозащищенности был обоснован Шенноном. Он заключается в кодировании сигнала. К системам кодирования в цифровой видеотехнике предъявляются весьма многочисленные и часто противоречивые требования. Поэтому на практике кодирование всегда выполняется в несколько приемов. Сейчас принято выделять следующие основные виды: кодирования источника информации с целью преобразования сигнала в цифровую форму и его экономное представление путем сжатия или, как часто говорят, компрессии; кодирования с целью обнаружения и исправления ошибок; канального кодирования с целью согласования параметров цифрового сигнала со свойствами канала связи и обеспечения самосинхронизации.

Список используемых источников


1. Сергиенко, А.Б. Цифровая обработка сигналов/ А.Б. Сергиенко - СПб.: Питер, 2002.

2. Дьяконов, В. MATLAB. Обработка сигналов и изображений. Специальный справочник/В. Дьяконов, И. Абраменкова - СПб.: Питер, 2002.

3. Титце, У. Полупроводниковая схемотехника/У. Титце, К. Шенк. - М.: Мир. 1982.

4. Федорков, Б.Г. Микросхемы ЦАП и АЦП: функционирование, параметры, применение/Б.Г. Федорков, В.А. Телец. - М.: Энергоатомиздат, 1990.

<http://www.gaw.ru/>

1. http://ada108. narod.ru/study/index. Htm