• возможность самопрограммирования;
• возможность внутрисхемной отладки в соответствии со стандартом IEEE 1149.1 (JTAG), а также наличие собственного однопроводного интерфейса внутрисхемной отладки debugWire);
• разнообразные способы синхронизации: встроенный RС-генератор с внутренней или внешней времязадающей RС-цепочкой, встроенный генератор с внешним кварцевым или пьезокерамическим резонатором, внешний сигнал синхронизации;
• наличие нескольких режимов пониженного энергопотребления;
• наличие детектора пониженного напряжения питания (Brown-Out Detector-BOD);
• возможность программного снижения частоты тактового генератора.
Основными характеристиками процессора микроконтроллеров AVR семейства Mega являются:
• полностью статическая архитектура, минимальная тактовая частота равна нулю;
• арифметико-логическое устройство (АЛУ) подключено непосредственно к регистрам общего назначения C2 регистра);
• большинство команд выполняются за один период тактового сигнала;
• векторная система прерываний, поддержка очереди прерываний;
• большое число источников прерываний (до 45 внутренних и до 32 внешних);
• наличие аппаратного умножителя.
Подсистема ввода/вывода микроконтроллеров AVR семейства Mega имеет следующие особенности:
• программное конфигурирование и выбор портов ввода/вывода;
• выводы могут быть запрограммированы как входные или как выходные независимо друг от друга;
• входные буферы с триггером Шмитта на всех выводах;
• имеется возможность полного отключения цифрового порта ввода/вывода от физического вывода микросхемы);
• на всех входах имеются индивидуально отключаемые внутренние подтягивающие резисторы сопротивлением 20...50 кОм.
Микроконтроллеры семейства Mega имеют богатый набор периферийных устройств (ПУ):
• один или два 8-битных таймера/счетчика. Во всех моделях с двумя 8-битными таймерами/счетчиками один из них может работать в качестве часов реального времени (в асинхронном режиме);
• от одного до четырех 16-битных таймеров/счетчиков;
• сторожевой таймер;
• одно- и двухканальные генераторы 8-битного ШИМ-сигнала (один из режимов работы 8-битных таймеров/счетчиков);
• двух- и трехканальные генераторы ШИМ-сигнала регулируемой разрядности (один из режимов работы 16-битных таймеров/счетчиков). Разрешение формируемого сигнала может составлять от 1 до 16 бит;
• аналоговый компаратор;
• многоканальный 10-битный АЦП последовательного приближения, имеющий как несимметричные, так и дифференциальные входы;
• последовательный синхронный интерфейс SPI;
• последовательный двухпроводный интерфейс TWI (полный аналог интерфейса 12 С);
• от одного до четырех полнодуплексных универсальных синхронных/асинхронных приемо-передатчиков (USART). В ряде моделей эти приемо-передатчики могут использоваться в качестве ведущего устройства шины SPI;
• универсальный последовательный интерфейс USI, который может использоваться в качестве интерфейса SPI или I2C. Кроме того, USI может использоваться в качестве полудуплексного UART или 4/12-битного счетчика.
Ядро микроконтроллеров AVR семейства Mega выполнено по усовершенствованной RISC-архитектуре (enhanced RISC) (Рис. 3.2.1.1), в которой используется ряд решений, направленных на повышение быстродействия микроконтроллеров.
Арифметико-логическое устройство (АЛУ), выполняющее все вычисления, подключено непосредственно к 32 рабочим регистрам, объединенным в регистровый файл. Благодаря этому, АЛУ может выполнять одну операцию (чтение содержимого регистров, выполнение операции и запись результата обратно в регистровый файл) за такт. Кроме того, практически каждая из команд (за исключением команд, у которых одним из операндов является 16-битный адрес) занимает одну ячейку памяти программ.
В микроконтроллерах AVR
реализована Гарвардская архитектура, характеризующаяся раздельной памятью
программ и данных, каждая из которых имеет собственные шины доступа. Такая
организация позволяет одновременно работать как с памятью программ, так и с
памятью данных. Разделение информационных шин позволяет использовать для
каждого типа памяти шины различной разрядности, причем способы адресации и
доступа к каждому типу памяти также различаются. В сочетании с двухуровневым
конвейером команд такая архитектура позволяет достичь производительности в 1 MIPS
на каждый МГц тактовой частоты. Архитектура ядра микроконтроллеров AVR
представлена на рисунке 5. [1]
Рисунок 5 - Архитектура ядра микроконтроллеров AVR
При создании опытного образца системы управления воспользуемся микроконтроллером AVR ATmega328, который по параметрам подходит для управления периферийными устройствами изделия.- имеет следующие технические характеристики:
FLASH-память программ объемом 32 Кбайт
ОЗУ объемом 2 Кбайт
EEPROM-память данных объемом 1 Кбайт
32 контакта ввода/вывода
Напряжение питания 4.0…5.5 В
Тактовая частота 16 МГц
Также, у данной модели микроконтроллера имеются
встроенные АЦП, два таймера/счетчика, интерфейсы USART,
TWI, JTAG.
[1]

Рисунок 6 - Архитектура микроконтроллера AVR ATmega328 и цоколевка выводов кристалла
3.2.2 Обоснование выбора чипа ENC28J60
Для сопряжения исполнительного устройства с
сетью Ethernet
необходимо
воспользоваться чипом компании Motorolla
ENC28J60, являющегося наиболее популярным и легкодоступным чипом для
микроконтроллеров. В сравнении с остальными схожими чипами ENC28J60 является
наиболее мощным при использовании и удобным для программирования. Он включает
протокол приема/передачи данных, MAC адрес, и протокол физического уровня в
одном чипе. При выборе микроконтроллера AVR
ATmega328 для обмена данными наиболее подходящим является интерфейс SPI.
Чип ENC28J60 позволяет производить обмен данными по интерфейсу SPI
со скоростью до 10 Мбит/с, что является приемлемой скоростью для
разрабатываемого исполнительного устройства. Структурная схема устройства
представлена на рисунке 7. [2]
Рисунок 7 - Структурная схема ENC28J60
(основные блоки) и цоколёвка выводов чипа
Назначение основных блоков:
· PHY - физический уровень. Этот уровень включает в себя приёмник, передатчик, драйверы, т.е. все что необходимо для работы с определённой средой передачи данных.
· MAC (Medium Access Controller) - канальный уровень. В него входит вся логика, необходимая для отправки и приёма кадров в сеть Ethernet. MAC занимается адресацией, расчетом контрольной суммы, фильтрацией принимаемых пакетов, разрешением коллизий (в полудуплексном режиме). Обменивается со следующим, сетевым уровнем готовыми пакетами, а с физическим - отправляемыми и принимаемыми байтами.
· Управляющая логика занимается всем остальным. В том числе, обслуживает буфер, из которого MAC берёт отправляемые данные и сохраняет принятые. Управляет режимами энергопотребления.
Вся память в ENC28J60 делится на буфер для данных, управляющие регистры и регистры PHY.
В ENC28J60 есть буфер размером 8 КБ. Часть этого буфера обычно выделяется для приёма пакетов, остальную часть можно использовать как угодно. Например, для отправляемых данных.
Управляющие регистры:
Адресное пространство регистров делится на 4
банк по 32 регистра. Основная часть регистров имеет префикс E (Ethernet).
Регистры MAC - с префиксом MA, регистры MII - с префиксом MI. Регистры можно
разделить на функциональные группы. [2]
Рисунок 8- Регистры чипа ENC28J60
Обмен данными с ENC28J60 выполняется
транзакциями. Транзакция начинается с отправки микроконтроллером команды. Затем
идут опциональные данные (приём или передача). Завершается транзакция
«поднятием» ножки CS.
а)
б)
в)
Рисунок 3.2.2.3 - Цикл чтения данных a)
структура цикла, б) по тактово для чтения ETH регистров, в) по тактово для
чтения MAC и MII регистров
а)
б)
в)
Рисунок 9 - Цикл записи данных a) структура
цикла, б) по тактово для записи управлюящих регистров, в) по тактово для записи
в буфер
Команда состоит из опкода и аргумента. При
чтении или записи регистра, аргумент содержит адрес регистра. Основные команды
представлены в таблице 1.
Таблица 1 - SPI
команды для ENC28J60
(команды управления от AVR)
Команда
Опкод
Аргумент
Данные
7
6
5
4
3
2
1
0
7
6
5
4
3
2
1
0
Чтение
регистра
0
0
0
а
а
а
а
а
-
-
-
-
-
-
-
-
Чтение
буфера
0
0
1
1
1
0
1
0
-
-
-
-
-
-
-
-
Запись
регистра
0
1
0
а
а
а
а
а
d
d
d
d
d
d
d
d
Запись
в буфер
0
1
1
1
1
0
1
0
d
d
d
d
d
d
d
d
Сброс
1
1
1
1
1
1
1
1
-
-
-
-
-
-
-
-
Для чтения регистра контроллер отправляет
ENC28J60 команду чтения регистра и забирает значение. При чтении регистров MAC
или MII, контроллер должен пропустить 1 «ложный» байт, затем прочитать
значение.
Перед тем, как осуществлять доступ к
определённому регистру, нужно выбрать банк. Чтобы не отправлять команду
переключения банка при каждой операции с регистром, можно закэшировать текущий
банк и переключать банк только при необходимости.
Обмен данными с AVR
ENC28J60
реализует пакетами. Отправляемые и принимаемы пакеты находятся в кольцевом
буфере. Буфер и структура пакетов представлена в таблице 2
Таблица 2 - Структура и описание пакетов для
обмена данными
Название
Структура
Описание
Буфер ERXRDPT, ERXWRPT - указатели
кольцевого буфера. Дойдя до конца буфера (ERXND), указатель
ERXRDPT
перемещается на его начало (ERXST).
ERXRDPT - указывает
на то место, откуда микроконтроллер будет забирать принятые пакеты.
ERXWRPT - указывает
на место, куда приёмник положит следующий принятый пакет.
ETXST
и ETXND - начало и конец отправляемого пакета. Например, если мы хотим
отравить пакет размером 256 байт, лежащий в буфере по адресу 0x1800,
устанавливаем ETXST в 0x1800 и ETXND в 0x18ff.
Отправка Данные
пакета - 1 или больше байт (до 1400) передаваемых данных.
Прием Адрес первого непрочитанного пакета
храниться в регистрах ERXRDPT. Забрав пакет,
микроконтроллер записывает в ERXRDPT адрес следующего пакета.
После этого место, которое занимал пакет считается свободным и ENC28J60 может
использовать его для приёма новых пакетов.
Статус приёма - длина пакета (2
байта) и флаги (тоже 2 байта).
Все принятые пакеты ENC28J60
записывает в буфер с выравниванием на 2 байта. Таким образом, адрес пакета
всегда чётный. Для того, чтобы забрать принятый пакет, микроконтроллер делает
следующее:
1)
Смотрит сколько принято пакетов (в регистре EPKTCNT).
2) Читает пакет из буфера (по адресу ERXRDPT).
3) Записывает в ERXRDPT
адрес следующего пакета. 4) Уменьшает значение счётчика пакетов
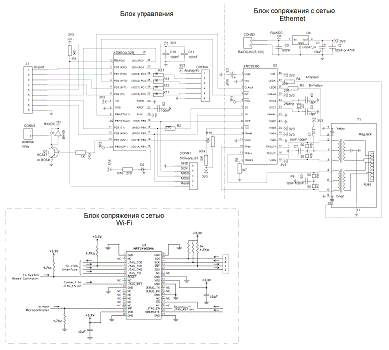
Структурная схема устройства сопряжения
микроконтроллера Atmega328
с сетью Ethernet
представлена на рисунке 10:
Рисунок 10 - Структурная схема устройства
сопряжения микроконтроллера Atmega328
с сетью Ethernet
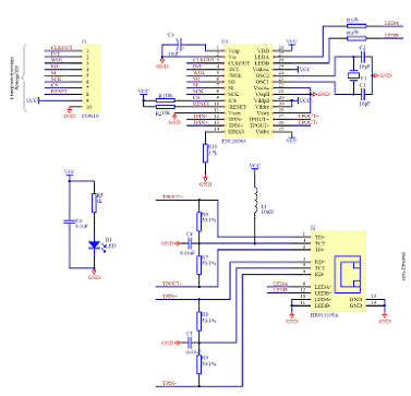
Принципиальная схема устройства сопряжения
микроконтроллера Atmega328
с сетью Ethernet
представлена на рисунке 11.
Рисунок 11 - Принципиальная схема сопряжения Atmega328
с сетью Ethernet
Взаимодействие микроконтроллера Atmega328 с чипом
ENC28J60 реализуется через SPI интерфейс. SPI - это
последовательный синхронный стандарт передачи данных в режиме полного дуплекса
<#"786102.files/image022.gif"> а) б)
Рисунок 12 - Сопряжение ведущего и ведомых
устройств по шине SPI
(а) - ведомые устройства объединены, б) ведомые устройства независимы)
.2.3 Обоснование выбора Wi-Fi модуля
Wi-Fi
чип должен удовлетворять следующим требованиям:
1) Поддерживать взаимодействие с
микроконтроллером Atmega328
по интерфейсу SPI, что
является наиболее предпочтительным при программировании.
2) Работать по стандарту беспроводных сетей
IEEE 802.11. Это дает возможность взаимодействовать с системой с обычного
ноутбука или wi-fi
роутера без дополнительного трансивера.
) Поддерживать передачу данных со
скоростями бла-бла
) Энергопотребление в пределах бла бла
для обеспечения работоспособности системы длительное время.
) Стоимость в пределах бла бла
На сегодняшний день наиболее популярными чипами Wi-Fi
для микроконтроллеров являются чипы фирмы ZigBee,
Microchip. Чипы фирмы Zigbee
работают по стандарту IEEE 802.15. Для взаимодействия по стандарту Wi-Fi
IEEE 802.11 необходимо реализовывать работу системы управления по следующей
схеме, представленной на рисунке 13.
Рисунок 13 - Схема работы системы беспроводного
удаленного управления с использованием чипа фирмы Zigbee
Данный вариант работы является неприемлемым,
т.к. необходимо использовать дополнительный трансмиттер, что приводит к
усложнению и увеличению стоимости разрабатываемой системы.
Вторым вариантом организации беспроводного
удаленного управления системой является использование чипа компании Microchip.
Наиболее предпочтительным чипом является чип MRF24WB0MA, технические
характеристики которого представлены в таблице 3.
Таблица 3 - Технические характеристики чипа
MRF24WB0MA
Название
параметра
Значение
Интерфейс
взаимодействия
SPI (25 Mhz)
Стандарт
работы
IEEE 802.11b
Работа
в диапазоне частот
2.4
- 2.48 Ghz
WEP
64-128
bit
Скорость
передачи (максимальная)
1
Mb/s
Питание
5
В
Энергопотребление
(спящий режим/прием/передача)
250
мкА, 85 мА, 230 мА
Температурный
режим
-20 / +85 °C
Как видно из таблицы, технические характеристики
полностью удовлетворяют поставленным требованиям. Структурная схема
взаимодействия модуля Wi-Fi
c блоком управления
представлена на рисунке 14
Рисунок 14 - Структурная схема взаимодействия
модуля Wi-Fi
c блоком управления
Главные блоки модуля MRF24WB0MA:
1) Интерфейс взаимодействия с
микроконтроллером - SPI
2) Flash-память,
RAM, ROM
) Трансивер, работающий на частоте 2.4 -
2.48 Ghz
) Усилитель по мощности ) Антенна
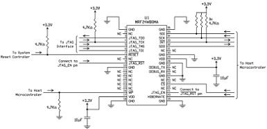
Принципиальная схема Wi-Fi
модуля представлена на рисунке 15.
Рисунок 15 - Принципиальная схема Wi-Fi
модуля
Выбрав необходимый микроконтроллер, чип
сопряжения с сетью Ethernet,
Wi-Fi
модуль можно уточнить структурную схему разрабатываемой системы (см. рис. 16)
Рисунок 16 - Структурная схема системы
удаленного управления
На основании структурной схемы разработана
принципиальная схема исполнительного устройства, представленная на рисунке 17
[3]
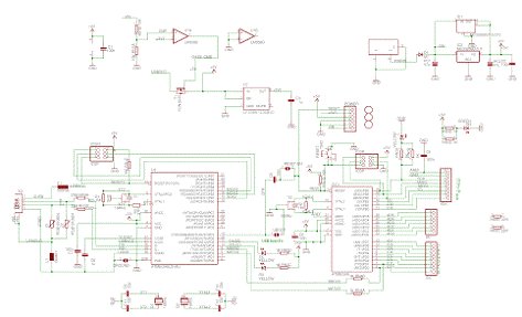
Рисунок 17- Схема электрическая принципиальная.
В качестве блока управления можно выбрать плату
Arduino Uno, в состав которой входит микроконтроллер Atmega328. Технические
характеристики модуля представлены в таблице 4.
Таблица 4 - Технические характеристики модуля Arduino
Uno
Параметр
Описание
Микроконтроллер
Atmega328
Сопряжение
с ПК
шина
USB
Аналоговые
входы
6
Цифровые
входы - выходы
14(6
из которых могут быть использованы как выходы ШИМ)
Питание
По
шине USB, от внешнего источника через гнездо
Рабочее
напряжение
5
В
Входное
напряжение
7-12
В
Uno является открытым проектом с открытыми
схемами и библиотеками программ. Также вместе с модулем предоставляется среда
разработки и отладки программ RAD, позволяющая писать программы для
микроконтроллеров на языке высокого уровня С, тем самым облегчая, ускоряя
процесс написания и отладки программ.
На рисунке 18представлены основные элементы
модуля Arduino Uno
Рисунок 18 - Основные элемент модуля Arduino Uno
Обозначения в рисунку:
- интерфейс USB для сопряжения с ПК;
- разъем для подключения внешнего питания;
- стабилизатор напряжения;
- кварцевый резонатор в 16 МГц, задающий частоту
для микроконтроллера Atmega328;
- кнопка сброса;
- ICSP интерфейс программирования
микроконтроллеров;
- выводные контакты питания для дополнительно
подключаемых модулей;
- аналоговые входы;
- цифровые входы/выводы для подключения внешних
устройств;
- Atmega8U2 контроллер для обмена данными с ПК;
Принципиалная схема Arduino Uno представлена на
рисунке 19:
Рисунок 19 - Принципиалная схема Arduino Uno
.3 Описание исполнительного устройства
В качестве исполнительного устройства
используется механическая машинка с закрепленной на ней Wi - Fi камерой для
трансляции видео в браузер пользователя. Объект управления движется благодаря
встроенным двум электрическим моторам, закрепленных на каждой оси колес.
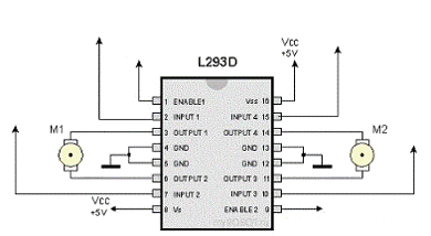
Для управления электрическими моторами
применяется драйвер мотора L293D фирмы Texas Instruments, принцип работы
которого представлен на рисунке 20.
Рисунок 20 - Принцип работы драйвера мотора
L293D
Таблица 5 - Назначение выводов микросхемы L293D
Номер
вывода
Назначение
1,2
- Enable1,2
Входные
управляющие сигналы, разрещающие работу моторов (ШИМ сигналы, позволяющие
контролировать скорость вращения мотора)
2,7,10,15
- Input 1,2,3,4
Входные
управляющие сигналы для схемы, влияющие на направление вращение моторов
3,6,11,14
- Output 1,2,3,4
Выходные
управляющие сигналы для моторов, задающие направление вращения моторов
8,
16 - Vs, Vss
Питание
схемы управления и оконечных каскадов силового драйвера
4,5,12,13
- Gnd
Заземление
Питание схемы управления и оконечных каскадов
силового драйвера раздельно, т.е. используется два источника питания, как
показано на рисунке 21
Рисунок 21 - Схема питание драйвера мотора L293D
Предельные допустимые параметры и температурные
характеристики микросхемы L293D представлены в таблице 6.
Таблица 6 - Предельные допустимые параметры и
температурные характеристики микросхемы L293D
Обозначение
Параметр
Значение
Ед.изм.
Vcc1
(max)
Максимальное
напряжение питания микросхемы
36
В
Vcc2
(max)
Максимальное
выходное напряжение питания
36
В
VI
Максимальное
входное напряжение
7
В
Vout
Диапазон
выходного напряжения
-3/+3
В
Iout
(peak)
Пиковый
выходной ток (не более 100 мс)
±1.2
А
Iout
Максимальный
выходной ток
±600
mA
Top
Температура
окружающей среды
0
+ 70
°C
Tstr
Температура
хранения
-65
+160
°C
В таблице 7 представлена схема подачи
управляющих сигналов на выводы драйвера L293D для управления вращением моторов.
Таблица 7 - Схема подачи управляющих сигналов на
выводы драйвера L293D для управления вращением левого мотора.
Enable1
Input
1
Input
2
Состояние
мотора
1
1
1
Торможение
1
1
0
Вращение
влево
1
0
1
Вращение
вправо
1
0
0
Торможение
0
Не
важно
Не
важно
Отключен
В таблице 8 представлена схема подключения
драйвера L293D к микроконтроллеру Arduino Uno.
Таблица 8 - Схема подключения драйвера L293D к
Arduino Uno
Номер
вывода L293D
Номер
вывода Arduino Uno
1
9
2
3
7
4
8
3V3
9
5
10
6
15
7
16
Внешний
источник питания
4,5,12,13
GND
Для поворота камеры на определенный угол
используется сервопривод SG - 90, технические характеристики которого представлены
в таблице 9.
Таблица 9 - Технические характеристики
сервопривода SG - 90
Параметр
Значение
Вес
9
гр
Размеры
23*12*29
мм
Крутящий
момент (усилие)
1,6
кг * см
Время
поворота на 60 градусов
0,1
с
Для подключения сервопривода к Arduino Uno используется
3 вывода: питание 5В, земля, управляющий вывод номер 8.
3.4 Разработка программного обеспечения
Средой моделирования работы устройства выбрана
программа Proteus
7.7 [4], которая является мощным средством при разработке электронным
устройств.
Программа создана компанией Labcenter
Electronics на основе ядра SPICE3F5
университета Berkeley
(Англия). Позволяет создавать устройства, начиная с его графического
изображения (принципиальной схемы) и заканчивая изготовлением печатной платы
устройства, с возможностью контроля на каждом этапе производства.
Proteus
7.7 включает в себя как простейшие аналоговые устройства, так и сложные
системы. Доступна огромная библиотека моделей элементов, пополнить которую
может сам пользователь. Достаточный набор инструментов и функций, среди которых
вольтметр, амперметр, осциллограф, всевозможные генераторы, способность
отлаживать программное обеспечение микроконтроллеров, делают Proteus
удобным инструментом для проектирования и разработки схем.
Программа не прихотлива к системным требованиям.
Как заявлено разработчиками работает в Windows
98/Me/2k/XP
и выше. Для комфортной работы программы рекомендуется процессор с частотой не
ниже 500 МГц, объем оперативной памяти 64 МБ, звуковая карта совместимая с DirectX
и разрешение монитора не ниже 1024 х 768 точек.
Proteus
состоит из двух самостоятельных программ: ISIS
и ARES. ARES
- это трассировщик печатных плат с возможностью создания своих библиотек
корпусов - графическое изображение элемента принципиальной схемы. Основной программой
является ISIS, в которой
непосредственно происходит разметка печатной платы, а также отладка работы
устройства.
Основное окно программы представлено на рисунке
22
Рисунок 22 - Основное окно программы Proteus
Рисунок 23 -Окно программы Proteus
для 3D моделирования
.5 Обоснование выбора компилятора
Написание программы при разработке электронного
устройства с использованием современных компиляторов для языков программирования
высокого уровня позволяет сократить затраты времени на разработку и получить
четко и правильно работающую программу. Благодаря простым, наглядным и понятным
функциям языков высокого уровня весомая часть интеллектуального потенциала
программиста освобождается от сложностей программирования на ассемблере и
начинает использоваться для проверки правильности работы программы в целом,
оптимизации работы каждой конкретной функции, создания более дружественного
интерфейса с пользователем и добавления новых функций, улучшающих
потребительские свойства разрабатываемого электронного устройства.
В поставку модулю Arduino
Uno входит среда для
разработки программ для микроконтроллеров. Отлаженный программный код можно
«зашить» непосредственно в кристалл микроконтроллера по шине USB,
что является очень удобно и освобождает программиста от работы с
специализированными программаторами.
Среда разработки Arduino состоит из встроенного
текстового редактора программного кода, области сообщений, окна вывода
текста(консоли), панели инструментов с кнопками часто используемых команд и
нескольких меню (см. рис. 24)
В функции компилятора входит автоматическая
генерация программ. Он позволяет буквально за несколько минут получить
работающую заготовку программы на Си.
Рисунок 24 - Среда разработки Arduino
Назначение кнопок управления программой
представлены в таблице 10
Таблица 10 - Назначение кнопок управления
программой
Выводы
На данном этапе выполнения дипломной работы были
проанализированы существующие на сегодняшний день системы удаленного управления
объектами. Подобные системы востребованы на рынке информационных технологий. В
связи с этим разработка систем удаленного управления чрезвычайно актуальна, что
является мотивацией для проектирования и создания новых исполнительных
устройств.
На этапе разработки системы удаленного
управления изучены средства моделирования устройств и программы для отладки
программного кода, позволяющие ускорить процесс проектирования,
программирования и тестирования разрабатываемой исполнительной системы.
Разработана структурная и принципиальная схема
будующей системы удаленного управления. Выбран необходимый микроконтроллер для
реализации поставленных задач на исполнительное устройство, чип для сопряжения
системы с сетью Ethernet для осуществления удаленного управления.
Библиографический список
[1] Микроконтроллеры AVR семейства
Mega. Руководство пользователя./А.В. Евстифеев
[2]
http://pdf.eicom.ru/datasheets/microchip_pdfs/enc28j60/enc28j60.pdf
[3]
http://www.rlocman.ru/shem/schematics.html?di=55059
[4]
http://kazus.ru/nuke/modules/Downloads/pub/185/0/Manual%20PROTEUS.pdf
[5] Программирование на языке С для
AVR и PIC микроконтроллеров / сост. Ю.А. Шпак - К.: «МК - Пресс», СПб.: «КОРОНА
- ВЕК», 2011. - 544 с.
ERXST, ERXND -
адрес начала и конца кольцевого буфера для принимаемых пакетов.
Управляющий
байт - позволяет переопределить некоторые настройки MAC для
отправки этого пакета.
ENC28J60
записывает пакеты в кольцевой буфер в виде связанного списка.