|
Выбор
функции
|
Выходные
данные при активных высоких уровнях
|
|
S3
|
S2
|
S1
|
S0
|
Логические
функции (на входе М-напряжение высокого уровня)
|
Арифметические
операции (на входе М-напряжение низкого уровня)
|
|
|
|
|
|
(без
переноса) (с
переносом)
|
|
|
0
|
0
|
0
|
0
|
 AA+1
|
|
|
|
0
|
0
|
0
|
1
|
А В(А В)+1
|
|
|
|
0
|
0
|
1
|
0
|
А (А )+1
|
|
|
|
0
|
0
|
1
|
1
|
0
|
-1
|
0
|
|
0
|
1
|
0
|
0
|
А+А А+ +1
|
|
|
|
0
|
1
|
0
|
1
|
(А В)+ А (А В)+ А +1
|
|
|
|
0
|
1
|
1
|
0
|
А ВА+В-1А+В
|
|
|
|
0
|
1
|
1
|
1
|
А А -1А
|
|
|
|
1
|
0
|
0
|
0
|
 ВА+АВА+АВ+1
|
|
|
|
1
|
0
|
0
|
1
|
А+ВА+В+1
|
|
|
|
1
|
0
|
1
|
0
|
В
|
(А )+АВ(А )+АВ+1
|
|
|
1
|
0
|
1
|
1
|
АВ
|
АВ-1
|
АВ
|
|
1
|
1
|
0
|
0
|
1
|
А+А
|
А+А+1
|
|
1
|
1
|
0
|
1
|
А
 (А В)+А(А В)+А+1
|
|
|
|
1
|
1
|
1
|
0
|
А В(А )+А(А )+А+1
|
|
|
|
1
|
1
|
1
|
1
|
А
|
А-1
|
А
|
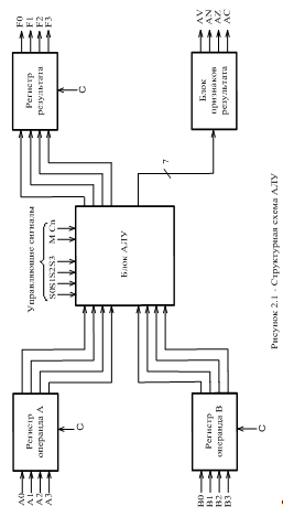
2 .РАЗРАБОТКА СТРУКТУРНОЙ СХЕМЫ АЛУ
Структурная схема разрабатываемого устройства
(рисунок 2.1) даёт общее представление об устройстве и взаимодействии между
собой его основных блоков. Таких блоков в устройстве несколько:
регистр операнда В;
регистр результата;
блок АЛУ;
блок признаков результата.
Регистр операнда А служит для временного
хранения четырёх разрядного числа, которое поступает на порт А. Данные
загружается в регистр по отрицательному фронту синхросигнала С.
Регистр операнда В выполняет так же функции
временного хранения данных, которые поступают на четырёх разрядный порт В.
Загрузка данных в регистр происходит аналогичным образом, по приходу
синхросигнала С.
Выходные данные блока АЛУ загружаются в регистр
результатов, который необходим для временного хранения четырёхразрядного
результата. Загрузка данных в регистр происходит по приходу отрицательного
фронта синхросигнала С.
Блок АЛУ является главным в схеме. Он производит
вычисления над поступающими на его входы двумя четырёхразрядными числами.
Управление блоком осуществляется через входы выбора S0-S3, подачей кодовой
комбинации, соответствующей определённой операции. Задание режима работы
(арифметика - логика) происходит путём подачи лог. «0» или лог. «1» на вход М.
Блок АЛУ имеет вход переноса Cn, принимающий входной сигнал переноса.
Блок признаков результата служит для того что бы
рассматривать некоторые результаты как знаковые и формирует следующие сигналы:
AZ - ZERO результат операции равен нулю.
AN - NEGATIV результат отрицательный.
AV - OVERFLOW - переполнение АЛУ.
AC - CARRY - перенос.
3. РАЗРАБОТКА МАКРОМОДЕЛИ АЛУ
Целью данного дипломного проекта является
разработка арифметико-логического устройства, которое в зависимости от
поставленной задачи, должно выполнять ряд функций необходимых для вычислений в
микропроцессоре или более простой структуре.
Для того, что бы разработать макромодель
микросхемы, необходимо знать, какую зависимость имеют функциональные выходы от
комбинаций входных сигналов. На основе этих зависимостей можно составить
принципиальную схему, которая и будет описана макромоделью.
.1 Синтез схемы блока АЛУ и блока признаков
результата
Арифметические и логические функции, которые
должна выполнять микросхема, описаны в таблице 1.4. Взяв их за основу, проведём
синтез АЛУ в следующем порядке: составление таблицы истинности, составление
совершенно нормальной дизъюнктивной формы (СДНФ), минимизация СДНФ.
Принимая во внимание то, что операции будут
выполняться над четырёх - разрядными числами (операндами), составим таблицу
истинности, которая будет отражать зависимость функциональных выходов
(результата) от информационных входов, входов выбора, входа задания режима
работы и входа переноса.
Таблица3.1 - Таблица истинности АЛУ
|
S3
|
S2
|
S1
|
S0
|
M
|
A0
|
B0
|
Cn
|
F0
|
|
1
|
2
|
3
|
4
|
5
|
6
|
7
|
8
|
9
|
|
0
|
0
|
0
|
0
|
1
|
0
|
0
|
1
|
1
|
|
0
|
0
|
0
|
0
|
1
|
0
|
1
|
1
|
1
|
|
0
|
0
|
0
|
0
|
1
|
1
|
0
|
1
|
0
|
|
0
|
0
|
0
|
0
|
1
|
1
|
1
|
1
|
0
|
|
0
|
0
|
0
|
1
|
1
|
0
|
0
|
1
|
1
|
|
0
|
0
|
0
|
1
|
1
|
0
|
1
|
1
|
0
|
|
0
|
0
|
0
|
1
|
1
|
1
|
0
|
1
|
0
|
|
0
|
0
|
0
|
1
|
1
|
1
|
1
|
1
|
0
|
|
0
|
0
|
1
|
0
|
1
|
0
|
0
|
1
|
0
|
|
0
|
0
|
1
|
0
|
1
|
0
|
1
|
1
|
1
|
|
0
|
0
|
1
|
0
|
1
|
1
|
0
|
1
|
0
|
|
0
|
0
|
1
|
0
|
1
|
1
|
1
|
1
|
0
|
|
0
|
0
|
1
|
1
|
1
|
0
|
0
|
1
|
0
|
|
0
|
0
|
1
|
1
|
1
|
0
|
1
|
1
|
0
|
|
0
|
0
|
1
|
1
|
1
|
1
|
0
|
1
|
0
|
|
0
|
0
|
1
|
1
|
1
|
1
|
1
|
1
|
0
|
|
0
|
1
|
0
|
0
|
1
|
0
|
0
|
1
|
1
|
|
1
|
2
|
3
|
4
|
5
|
6
|
7
|
8
|
9
|
|
0
|
1
|
0
|
0
|
1
|
0
|
1
|
1
|
1
|
|
0
|
1
|
0
|
0
|
1
|
1
|
0
|
1
|
1
|
|
0
|
1
|
0
|
0
|
1
|
1
|
1
|
1
|
0
|
|
0
|
1
|
0
|
1
|
1
|
0
|
0
|
1
|
1
|
|
0
|
1
|
0
|
1
|
1
|
0
|
1
|
1
|
0
|
|
0
|
1
|
0
|
1
|
1
|
1
|
0
|
1
|
1
|
|
0
|
1
|
0
|
1
|
1
|
1
|
1
|
1
|
0
|
|
0
|
1
|
1
|
0
|
1
|
0
|
0
|
1
|
0
|
|
0
|
1
|
1
|
0
|
1
|
0
|
1
|
1
|
1
|
|
0
|
1
|
1
|
0
|
1
|
1
|
0
|
1
|
1
|
|
0
|
1
|
1
|
0
|
1
|
1
|
1
|
1
|
0
|
|
0
|
1
|
1
|
1
|
1
|
0
|
0
|
1
|
0
|
|
0
|
1
|
1
|
1
|
1
|
0
|
1
|
1
|
0
|
|
0
|
1
|
1
|
1
|
1
|
1
|
0
|
1
|
1
|
|
0
|
1
|
1
|
1
|
1
|
1
|
1
|
1
|
0
|
|
1
|
0
|
0
|
0
|
1
|
0
|
0
|
1
|
1
|
|
1
|
0
|
0
|
0
|
1
|
1
|
1
|
1
|
|
1
|
0
|
0
|
0
|
1
|
1
|
0
|
1
|
0
|
|
1
|
2
|
3
|
4
|
5
|
6
|
7
|
8
|
9
|
|
1
|
0
|
0
|
0
|
1
|
1
|
1
|
1
|
1
|
|
1
|
0
|
0
|
1
|
1
|
0
|
0
|
1
|
1
|
|
1
|
0
|
0
|
1
|
1
|
0
|
1
|
1
|
0
|
|
1
|
0
|
0
|
1
|
1
|
1
|
0
|
1
|
0
|
|
1
|
0
|
0
|
1
|
1
|
1
|
1
|
1
|
1
|
|
1
|
0
|
1
|
0
|
1
|
0
|
0
|
1
|
0
|
|
1
|
0
|
1
|
0
|
1
|
0
|
1
|
1
|
1
|
|
1
|
0
|
1
|
0
|
1
|
1
|
0
|
1
|
0
|
|
1
|
0
|
1
|
0
|
1
|
1
|
1
|
1
|
1
|
|
1
|
0
|
1
|
1
|
1
|
0
|
0
|
1
|
0
|
|
1
|
0
|
1
|
1
|
1
|
0
|
1
|
1
|
0
|
|
1
|
0
|
1
|
1
|
1
|
1
|
0
|
1
|
0
|
|
1
|
0
|
1
|
1
|
1
|
1
|
1
|
1
|
1
|
|
1
|
1
|
0
|
0
|
1
|
0
|
0
|
1
|
1
|
|
1
|
1
|
0
|
0
|
1
|
0
|
1
|
1
|
1
|
|
1
|
1
|
0
|
0
|
1
|
1
|
0
|
1
|
1
|
|
1
|
1
|
0
|
0
|
1
|
1
|
1
|
1
|
1
|
|
1
|
1
|
0
|
1
|
1
|
0
|
0
|
1
|
1
|
|
1
|
1
|
0
|
1
|
1
|
0
|
1
|
1
|
0
|
|
1
|
1
|
0
|
1
|
1
|
1
|
0
|
1
|
1
|
|
1
|
1
|
0
|
1
|
1
|
1
|
1
|
1
|
1
|
|
1
|
1
|
1
|
0
|
1
|
0
|
0
|
1
|
0
|
|
1
|
1
|
1
|
0
|
1
|
0
|
1
|
1
|
1
|
|
1
|
1
|
1
|
0
|
1
|
1
|
0
|
1
|
1
|
|
1
|
1
|
1
|
0
|
1
|
1
|
1
|
1
|
1
|
|
1
|
1
|
1
|
1
|
1
|
0
|
0
|
1
|
0
|
|
1
|
1
|
1
|
1
|
1
|
0
|
1
|
1
|
0
|
|
1
|
1
|
1
|
1
|
1
|
1
|
0
|
1
|
1
|
|
1
|
1
|
1
|
1
|
1
|
1
|
1
|
1
|
1
|
|
0
|
0
|
0
|
0
|
0
|
0
|
0
|
1
|
0
|
|
0
|
0
|
0
|
0
|
0
|
0
|
1
|
1
|
0
|
|
0
|
0
|
0
|
0
|
0
|
1
|
0
|
1
|
1
|
|
0
|
0
|
0
|
0
|
0
|
1
|
1
|
1
|
1
|
|
0
|
0
|
0
|
1
|
0
|
0
|
0
|
1
|
0
|
|
0
|
0
|
0
|
1
|
0
|
0
|
1
|
1
|
1
|
|
0
|
0
|
0
|
1
|
0
|
1
|
0
|
1
|
1
|
|
0
|
0
|
0
|
1
|
0
|
1
|
1
|
1
|
|
0
|
0
|
1
|
0
|
0
|
0
|
0
|
1
|
1
|
|
0
|
0
|
1
|
0
|
0
|
0
|
1
|
1
|
0
|
|
0
|
0
|
1
|
0
|
0
|
1
|
0
|
1
|
1
|
|
0
|
0
|
1
|
0
|
0
|
1
|
1
|
1
|
1
|
|
0
|
0
|
1
|
1
|
0
|
0
|
0
|
1
|
1
|
|
0
|
0
|
1
|
1
|
0
|
0
|
1
|
1
|
1
|
|
0
|
0
|
1
|
1
|
0
|
1
|
0
|
1
|
1
|
|
0
|
0
|
1
|
1
|
0
|
1
|
1
|
1
|
1
|
|
0
|
1
|
0
|
0
|
0
|
0
|
0
|
1
|
0
|
|
0
|
1
|
0
|
0
|
0
|
0
|
1
|
1
|
0
|
|
0
|
1
|
0
|
0
|
0
|
1
|
0
|
1
|
0
|
|
0
|
1
|
0
|
0
|
0
|
1
|
1
|
1
|
1
|
|
1
|
2
|
3
|
4
|
5
|
6
|
7
|
8
|
9
|
|
0
|
1
|
0
|
1
|
0
|
0
|
0
|
1
|
0
|
|
0
|
1
|
0
|
1
|
0
|
0
|
1
|
1
|
1
|
|
0
|
1
|
0
|
1
|
0
|
1
|
0
|
1
|
0
|
|
0
|
1
|
0
|
1
|
0
|
1
|
1
|
1
|
1
|
|
0
|
1
|
1
|
0
|
0
|
0
|
0
|
1
|
1
|
|
0
|
1
|
1
|
0
|
0
|
0
|
1
|
1
|
0
|
|
0
|
1
|
1
|
0
|
0
|
1
|
0
|
1
|
0
|
|
0
|
1
|
1
|
0
|
0
|
1
|
1
|
1
|
1
|
|
0
|
1
|
1
|
1
|
0
|
0
|
0
|
1
|
1
|
|
0
|
1
|
1
|
1
|
0
|
0
|
1
|
1
|
1
|
|
0
|
1
|
1
|
1
|
0
|
1
|
0
|
1
|
0
|
|
0
|
1
|
1
|
1
|
0
|
1
|
1
|
1
|
1
|
|
1
|
0
|
0
|
0
|
0
|
0
|
0
|
1
|
0
|
|
1
|
0
|
0
|
0
|
0
|
0
|
1
|
1
|
0
|
|
1
|
0
|
0
|
0
|
0
|
1
|
0
|
1
|
1
|
|
1
|
0
|
0
|
0
|
0
|
1
|
1
|
1
|
0
|
|
1
|
0
|
0
|
1
|
0
|
0
|
0
|
1
|
0
|
|
1
|
0
|
0
|
1
|
0
|
0
|
1
|
1
|
1
|
|
1
|
0
|
0
|
1
|
0
|
1
|
0
|
1
|
1
|
|
1
|
0
|
0
|
1
|
0
|
1
|
1
|
1
|
0
|
|
1
|
0
|
1
|
0
|
0
|
0
|
0
|
1
|
1
|
|
1
|
0
|
1
|
0
|
0
|
0
|
1
|
1
|
0
|
|
1
|
0
|
1
|
0
|
0
|
1
|
0
|
1
|
1
|
|
1
|
0
|
1
|
0
|
0
|
1
|
1
|
1
|
0
|
|
1
|
0
|
1
|
1
|
0
|
0
|
0
|
1
|
1
|
|
1
|
0
|
1
|
1
|
0
|
1
|
1
|
1
|
|
1
|
0
|
1
|
1
|
0
|
1
|
0
|
1
|
1
|
|
1
|
0
|
1
|
1
|
0
|
1
|
1
|
1
|
0
|
|
1
|
1
|
0
|
0
|
0
|
0
|
0
|
1
|
0
|
|
1
|
1
|
0
|
0
|
0
|
0
|
1
|
1
|
0
|
|
1
|
1
|
0
|
0
|
0
|
1
|
0
|
1
|
0
|
|
1
|
1
|
0
|
0
|
0
|
1
|
1
|
1
|
0
|
|
1
|
1
|
0
|
1
|
0
|
0
|
0
|
1
|
0
|
|
1
|
1
|
0
|
1
|
0
|
0
|
1
|
1
|
1
|
|
1
|
1
|
0
|
1
|
0
|
1
|
0
|
1
|
0
|
|
1
|
1
|
0
|
1
|
0
|
1
|
1
|
1
|
0
|
|
1
|
1
|
1
|
0
|
0
|
0
|
0
|
1
|
1
|
|
1
|
1
|
1
|
0
|
0
|
0
|
1
|
1
|
0
|
|
1
|
1
|
1
|
0
|
0
|
1
|
0
|
1
|
0
|
|
1
|
1
|
1
|
0
|
0
|
1
|
1
|
1
|
0
|
|
1
|
1
|
1
|
1
|
0
|
0
|
0
|
1
|
1
|
|
1
|
1
|
1
|
1
|
0
|
0
|
1
|
1
|
1
|
|
1
|
1
|
1
|
1
|
0
|
1
|
0
|
1
|
0
|
|
1
|
1
|
1
|
1
|
0
|
1
|
1
|
1
|
0
|
|
0
|
0
|
0
|
0
|
0
|
0
|
0
|
0
|
1
|
|
0
|
0
|
0
|
0
|
0
|
0
|
1
|
0
|
1
|
|
0
|
0
|
0
|
0
|
0
|
1
|
0
|
0
|
0
|
|
0
|
0
|
0
|
0
|
0
|
1
|
1
|
0
|
0
|
|
0
|
0
|
0
|
1
|
0
|
0
|
0
|
0
|
1
|
|
1
|
2
|
3
|
4
|
5
|
6
|
7
|
8
|
9
|
|
0
|
0
|
0
|
1
|
0
|
0
|
1
|
0
|
0
|
|
0
|
0
|
0
|
1
|
0
|
1
|
0
|
0
|
0
|
|
0
|
0
|
0
|
1
|
0
|
1
|
1
|
0
|
0
|
|
0
|
0
|
1
|
0
|
0
|
0
|
0
|
0
|
0
|
|
0
|
0
|
1
|
0
|
0
|
0
|
1
|
0
|
1
|
|
0
|
0
|
1
|
0
|
0
|
1
|
0
|
0
|
0
|
|
0
|
0
|
1
|
0
|
0
|
1
|
1
|
0
|
0
|
|
0
|
0
|
1
|
1
|
0
|
0
|
0
|
0
|
0
|
|
0
|
0
|
1
|
1
|
0
|
0
|
1
|
0
|
0
|
|
0
|
0
|
1
|
1
|
0
|
1
|
0
|
0
|
0
|
|
0
|
0
|
1
|
1
|
0
|
1
|
1
|
0
|
0
|
|
0
|
1
|
0
|
0
|
0
|
0
|
0
|
0
|
1
|
|
0
|
1
|
0
|
0
|
0
|
0
|
1
|
0
|
1
|
|
0
|
1
|
0
|
0
|
0
|
1
|
0
|
0
|
1
|
|
0
|
1
|
0
|
0
|
0
|
1
|
0
|
0
|
|
0
|
1
|
0
|
1
|
0
|
0
|
0
|
0
|
1
|
|
0
|
1
|
0
|
1
|
0
|
0
|
1
|
0
|
0
|
|
0
|
1
|
0
|
1
|
0
|
1
|
0
|
0
|
1
|
|
0
|
1
|
0
|
1
|
0
|
1
|
1
|
0
|
0
|
|
0
|
1
|
1
|
0
|
0
|
0
|
0
|
0
|
0
|
|
0
|
1
|
1
|
0
|
0
|
0
|
1
|
0
|
1
|
|
0
|
1
|
1
|
0
|
0
|
1
|
0
|
0
|
1
|
|
0
|
1
|
1
|
0
|
0
|
1
|
1
|
0
|
0
|
|
0
|
1
|
1
|
1
|
0
|
0
|
0
|
0
|
0
|
|
0
|
1
|
1
|
1
|
0
|
0
|
1
|
0
|
0
|
|
0
|
1
|
1
|
1
|
0
|
1
|
0
|
0
|
1
|
|
0
|
1
|
1
|
1
|
0
|
1
|
1
|
0
|
0
|
|
1
|
0
|
0
|
0
|
0
|
0
|
0
|
0
|
1
|
|
1
|
0
|
0
|
0
|
0
|
0
|
1
|
0
|
1
|
|
123456789
|
|
|
|
|
|
|
|
|
|
1
|
0
|
0
|
0
|
0
|
1
|
1
|
0
|
1
|
|
1
|
0
|
0
|
1
|
0
|
0
|
0
|
0
|
1
|
|
1
|
0
|
0
|
1
|
0
|
0
|
1
|
0
|
0
|
|
1
|
0
|
0
|
1
|
0
|
1
|
0
|
0
|
0
|
|
1
|
0
|
0
|
1
|
0
|
1
|
1
|
0
|
1
|
|
1
|
0
|
1
|
0
|
0
|
0
|
0
|
0
|
0
|
|
1
|
0
|
1
|
0
|
0
|
0
|
1
|
0
|
1
|
|
1
|
0
|
1
|
0
|
0
|
1
|
0
|
0
|
0
|
|
1
|
0
|
1
|
0
|
0
|
1
|
1
|
0
|
1
|
|
1
|
0
|
1
|
1
|
0
|
0
|
0
|
0
|
0
|
|
1
|
0
|
1
|
1
|
0
|
0
|
1
|
0
|
0
|
|
1
|
0
|
1
|
1
|
0
|
1
|
0
|
0
|
0
|
|
1
|
0
|
1
|
1
|
0
|
1
|
1
|
0
|
1
|
|
1
|
1
|
0
|
0
|
0
|
0
|
0
|
0
|
1
|
|
1
|
1
|
0
|
0
|
0
|
0
|
1
|
0
|
1
|
|
1
|
1
|
0
|
0
|
0
|
1
|
0
|
0
|
1
|
|
1
|
1
|
0
|
0
|
0
|
1
|
1
|
0
|
1
|
|
1
|
1
|
0
|
1
|
0
|
0
|
0
|
0
|
1
|
|
1
|
1
|
0
|
1
|
0
|
0
|
1
|
0
|
0
|
|
1
|
1
|
0
|
1
|
0
|
1
|
0
|
0
|
1
|
|
1
|
1
|
0
|
1
|
0
|
1
|
1
|
0
|
1
|
|
1
|
1
|
1
|
0
|
0
|
0
|
0
|
0
|
0
|
|
1
|
1
|
1
|
0
|
0
|
0
|
1
|
0
|
1
|
|
1
|
1
|
1
|
0
|
0
|
1
|
0
|
0
|
1
|
|
1
|
1
|
1
|
0
|
1
|
1
|
0
|
1
|
|
1
|
1
|
1
|
1
|
0
|
0
|
0
|
0
|
0
|
|
1
|
1
|
1
|
1
|
0
|
0
|
1
|
0
|
0
|
|
1
|
1
|
1
|
1
|
0
|
1
|
0
|
0
|
1
|
|
1
|
1
|
1
|
1
|
0
|
1
|
1
|
0
|
1
|
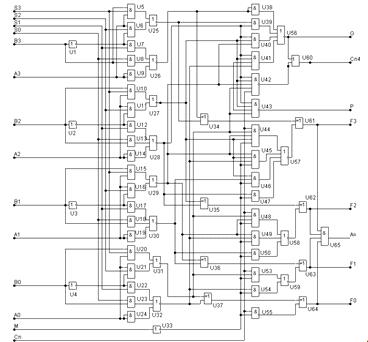
Из полученной таблицы, выписав СДНФ для функции
F0, и проведя минимизацию, получим:
Аналогичным образом составим
выражения для оставшихся трёх разрядов результата.


В приложении А покажем, как на
примере нулевого разряда изменяется выражение F0, при различных значениях
управляющих сигналов S0, S1, S2, S3, а так же входов М и Сn, определяющих
задание режима работы и перенос соответственно.
Полученные выражения функциональных
выходов позволяют составить принципиальную схему, которая приведена на рисунке
3.1. Для построения схемы использовались элементы И, ИЛИ-НЕ, И-НЕ, НЕ,
Исключающее ИЛИ.
Блок признаков результата должен
формировать сигналы, которые бы позволяли рассматривать результаты вычислений
как знаковые: признак переполнения (AV) и признак отрицательного результата
(AN), а так же дополнительные признаки: признак переноса (AC) и признак
нулевого результата (AZ).
Логика признака переполнения (AV)
основана на свойствах дополнительного кода. Он устанавливается, если старший
бит изменяется вопреки знаку операндов и характеру операции. Например, сложение
двух положительных чисел должно давать положительный результат; нарушение в
знаковом разряде соответствует переполнению и устанавливает AV=1. Прибавление
отрицательной величины может приводить или к отрицательному или к положительному
результату, но может вызывать переполнение. Признак отрицательного результата
(AN) устанавливается (лог. «1»), когда старший разряд результата соответствует
лог. «1». Логика признака переноса основана на беззнаковом представлении чисел.
Он установлен в 1, если возник перенос из старшего бита. Признак нулевого
результата устанавливается, когда все разряды результата равны лог. «0».
В таблицу 3.2, которая является
таблицей истинности, запишем все режимы работы блока признаков результата.
Таблица 3.2 - Таблица истинности
Блока признаков результата
|
F3
|
F2
|
F1
|
F0
|
A3
|
B3
|
Cn4
|
AV
|
AN
|
AZ
|
AC
|
|
1
|
X
|
X
|
X
|
0
|
0
|
X
|
1
|
-
|
-
|
-
|
|
1
|
X
|
X
|
X
|
X
|
X
|
X
|
-
|
1
|
-
|
-
|
|
0
|
0
|
0
|
0
|
X
|
X
|
X
|
-
|
-
|
1
|
-
|
|
X
|
X
|
X
|
X
|
X
|
X
|
0
|
-
|
-
|
-
|
1
|
Рисунок 3.1 - Принципиальная схема АЛУ К155ИП3
Используя таблицу истинности, выпишем
функциональные зависимости для каждого признака:
AV=
=
=
=
Составим схему блока признаков
результата (рисунок 3.2) на основе записанных выражений, эта схема будет
использоваться в общей схеме АЛУ для формирования признаков результата.
.2 Разработка макромодели
Программа МС7 поставляется с
достаточно обширной библиотекой компонентов, которые необходимы для
первоначального знакомства с ней. Тем не менее, с течением времени возникает
необходимость её пополнения, в первую очередь созданием библиотек отечественных
компонентов и макромоделей используемых типовых устройств. Создание модели ИМС
к155ип3 является необходимым, так как она отсутствует в стандартной библиотеке
компонентов.
В программе МС7 имеются макромодели
двух типов. Макромодели типа Macro создаются схемой замещения, Subckt -
текстовым описанием. Схема замещения макромодели первого типа помещается в файл
схем, имеющих расширение имени .MAC, а текстовое описание второго типа задаётся
с помощью директивы .Subckt, размещаемой непосредственно на схеме или, что
более удобно, в текстовом файле математических библиотек (расширение имени .LIB
или .LBR)
Для того что бы создать нужную
макромодель АЛУ и добавить её в библиотеку устройств воспользуемся следующей
методикой:
а) Составление принципиальной схемы
АЛУ;
б) Создание макромодели типа .
Subckt ;
в) Создание УГО для ИМС;
г) Добавление макромодели в текущую
библиотеку МС7.
а) Для составления схемы будем
использовать логические элементы следующих типов: ИЛИ, И, ИЛИ-НЕ, И-НЕ, НЕ,
Исключающее ИЛИ. Все логические элементы взяты из подгруппы стандартные вентили
группы цифровые элементы. Пользуясь инструментами
Рисунок 3.2 - Схема блока признаков
результата
«Select mode» (выбор), «Component
mode» (компоненты) и «Wire mode» (Цепи) составляем схему представленную на
рисунке 3.1. Так же необходимо присвоить имена узлам схемы которые будут
являться выводами микросхемы, это производим с помощью инструмента «Text mode»
(текст).
б) Имя создаваемого компонента
должно совпадать с именем макромодели. Для того, что бы установить логическую
зависимость выходных узлов от входных, воспользуемся логическим примитивом
LOGICEXP. Необходимо задать большой ряд логических выражений и что бы упросить
его запись воспользуемся промежуточными переменными, назначив которые, мы можем
использовать их при дальнейшей записи. Промежуточным переменным присваиваются
имена по тем же правилам, что именам узлов. Все переменные в описываемых
выражениях связаны друг с другом через логические операторы, приведём их в
порядке убывания их старшинства.
~ - логическое отрицание;
& - логическое И;
^ - логическое исключающее ИЛИ:
| - логическое ИЛИ
Назначим задержки распространения
сигналов с помощью Примитив PINDLY. Один единственный примитив PINDLY позволяет
моделировать временные соотношения и выходные характеристики целой интегральной
схемы. В скобках указываем количество путей распространения сигналов от входных
к выходным узлам, с каждым путём вход - выход ассоциируется задержка,
вычисляемая по определённым правилам.
С помощью секции BOOLEAN (булевского
назначения) определяются промежуточные переменные, которые будут использованы в
определении задержки. В таблице 3.1 перечислим булевские операторы в порядке
убывания их старшинства.
Таблица 3.3 -Булевские операторы
|
Оператор
|
Название
|
|
~
|
Логическое
отрицание
|
|
==
|
Равно
|
|
!=
|
Не
равно
|
|
&
|
Логическое
И
|
|
^
|
Логическое
исключающее ИЛИ
|
|
|
|
Логическое
ИЛИ
|
Далее используя функции изменения TRN_pn, где p
- значение предыдущего состояния, а n - нового состояния, назначаем время
задержки для каждого выходного узла. При этом выражение имеет три значения
задержек минимальное, типичное и максимальное. Для спецификации неизвестной
величины используем -1.
в) Простейшая библиотека графических символов
компонентов, находящаяся в файле STANDART.SHP, не содержит фигуры
соответствующей обозначению микросхемы К155ИП3, поэтому необходимо её создать.
Создание и редактирование символов или условных графических обозначений (УГО)
компонентов принципиальных электрических схем осуществляется с помощью
графического редактора, вызываемого из меню Windows по команде Shape Editor.
г) Полученную макромодель и фигуру микросхемы
необходимо связать между собой, для этого необходимо воспользоваться редактором
компонентов. Редактор загружается выбором в меню Windows команды Component
Editor. С его помощью редактируется библиотека компонентов (Component library),
содержащая все компоненты от резисторов до макромоделей. Для каждого компонента
в библиотеку заносится информация о его имени, графике символа, математической
модели, расположении позиционного обозначения и других текстовых атрибутов и
данные о выводах. Библиотека разбита на группы однотипных компонентов. Нам
необходимо создать группу «цифровые компоненты», в ней создаём группу «ТТЛ_Рус»
в ней так же создаём группу «К155», в которую уже будет вложена группа «ИП». В
группу ИП добавим новый компонент, изменив его название с New_1 на K155IP3,
заполнив все необходимые поля окна Component editor, закрываем его, сохраняя
при этом изменения.
Ниже приведён листинг полученной макромодели.
*
----------------------------------------------------------- K155IP3 ------
* Arithmetic Logic Units/Functions
Generators
*
* The Pop Digital Chips, 1987, Pages
177 to 181
* Shilo V.L.
*
.SUBCKT K155IP3 A0 A1 A2 A3 B0 B1 B2
B3 S0 S1 S2 S3
+ CN M F0 F1 F2 F3 G CN4 P AEQUALB
+ optional: DPWR=$G_DPWR
DGND=$G_DGND
+ params: MNTYMXDLY=0 IO_LEVEL=0IP3
LOGICEXP (14,8) DPWR DGND
+ A0 A1 A2 A3 B0 B1 B2 B3 S0 S1 S2
S3
+ CN M F0_O F1_O F2_O F3_O G_O CN4_O
P_O AEQUALB_O
+ D0_GATE IO_STD
MNTYMXDLY={MNTYMXDLY} IO_LEVEL={IO_LEVEL}
+
+ LOGIC:
+ i1 = { ~((S3 & A3 & B3) |
(S2 & A3 & (~B3))) }
+ i2 = { ~( (S1 & (~B3)) | (S0
& B3) | A3) }
+ i3 = { ~((S3 & A2 & B2) |
(S2 & A2 & (~B2))) }
+ i4 = { ~( (S1 & (~B2)) | (S0
& B2) | A2) }
+ i5 = { ~((S3 & A1 & B1) |
(S2 & A1 & (~B1))) }
+ i6 = { ~( (S1 & (~B1)) | (S0
& B1) | A1) }
+ i7 = { ~((S3 & A0 & B0) |
(S2 & A0 & (~B0))) }
+ i8 = { ~( (S1 & (~B0)) | (S0
& B0) | A0) }
+ G_O = {~(i2 | (i1 & i4) | (i1
& i3 & i6) | (i1 & i3 & i5 & i8))}
+ CN4_O = {~(G_O & (~(i1 &
i3 & i5 & i7 & CN)) )}
+ P_O = { ~(i1 & i3 & i5
& i7)}
+ F3_O = { ((i1 ^ i2)^ (~((CN &
i7 & i5 & i3 & (~M)) |
+ ( i3 & i5 & i8 & (~M))
|
+ ( i3 & i6 & (~M)) |
+ ( i4 & (~M))))) }
+ F2_O = { ((i3 ^ i4)^(~((CN &
i7 & i5 & (~M)) |
+ (i5 & i8 & (~M)) |
+ (i6 & (~M))))) }
+ F1_O = { ((i6 ^ i5) ^ (~((CN &
(~M) & i7) |
+ (i8 & (~M)))))};avt
+ F0_O = { ((i8 ^ i7) ^ (~((~M)
& CN))) }
+ AEQUALB_O = { (F3_O & F2_O
& F1_O & F0_O) }PINDLY (8,0,14) DPWR DGND
+ G_O CN4_O P_O F3_O F2_O F1_O F0_O
AEQUALB_O
+ A0 A1 A2 A3 B0 B1 B2 B3 S0 S1 S2
S3 CN M
+ G CN4 P F3 F2 F1 F0 AEQUALB
+ IO_STD MNTYMXDLY={MNTYMXDLY}
IO_LEVEL={IO_LEVEL}
+
+ BOOLEAN:
+ DATA = { CHANGED(A0,0) |
CHANGED(A1,0) | CHANGED(A2,0) |
+ CHANGED(A3,0) | CHANGED(B0,0) |
CHANGED(B1,0) |
+ CHANGED(B2,0) | CHANGED(B3,0) }
+ SUM = {(S1 == '0) & (S2 == '0)
& (S0 == '1) & (S3 == '1) & (M == '0)}
+ DIFF = {(S1 == '1) & (S2 ==
'1) & (S0 == '0) & (S3 == '0) & (M == '0)}
+ MODE_HI = { (M == '1) }
+ CARRY_IN = { CHANGED(CN,0) }
+
+ PINDLY:
+ CN4 = {
+ CASE(
+ CARRY_IN & TRN_LH,
DELAY(-1,12ns,-1),
+ CARRY_IN & TRN_HL,
DELAY(-1,13ns,-1),
+ SUM & DATA & TRN_LH,
DELAY(-1,28ns,-1),
+ SUM & DATA & TRN_HL,
DELAY(-1,27ns,-1),
+ DIFF & DATA & TRN_LH,
DELAY(-1,35ns,-1),
+ DIFF & DATA & TRN_HL,
DELAY(-1,33ns,-1),
+ DELAY(-1,36ns,-1)
+ )
+ }
+ G = {
+ CASE(
+ SUM & DATA & TRN_LH,
DELAY(-1,13ns,-1),
+ SUM & DATA & TRN_HL,
DELAY(-1,13ns,-1),
+ DIFF & DATA & TRN_LH,
DELAY(-1,17ns,-1),
+ DIFF & DATA & TRN_HL,
DELAY(-1,17ns,-1),
+ DELAY(-1,18ns,-1)
+ )
+ }
+ P = {
+ CASE(
+ SUM & DATA & TRN_LH,
DELAY(-1,13ns,-1),
+ SUM & DATA & TRN_HL,
DELAY(-1,17ns,-1),
+ DIFF & DATA & TRN_LH,
DELAY(-1,17ns,-1),
+ DIFF & DATA & TRN_HL,
DELAY(-1,17ns,-1),
+ DELAY(-1,18ns,-1)
+ )
+ }
+ AEQUALB = {
+ CASE(
+ DIFF & DATA & TRN_LH,
DELAY(-1,35ns,-1),
+ DIFF & DATA & TRN_HL,
DELAY(-1,32ns,-1),
+ DELAY(-1,36ns,-1)
+ )
+ }
+ F0 F1 F2 F3 = {
+ CASE(
+ CARRY_IN & TRN_LH,
DELAY(-1,13ns,-1),
+ CARRY_IN & TRN_HL,
DELAY(-1,12ns,-1),
+ SUM & DATA & TRN_LH,
DELAY(-1,28ns,-1),
+ SUM & DATA & TRN_HL,
DELAY(-1,21ns,-1),
+ DIFF & DATA & TRN_LH,
DELAY(-1,32ns,-1),
+ DIFF & DATA & TRN_HL,
DELAY(-1,23ns,-1),
+ MODE_HI & TRN_LH,
DELAY(-1,32ns,-1),
+ MODE_HI & TRN_HL,
DELAY(-1,23ns,-1),
+ DELAY(-1,33ns,-1)
+ )
+ }
.ENDS K155IP3
4. РАЗРАБОТКА ИМИТАТОРА УПРАВЛЯЮЩИХ СИГНАЛОВ
Для того, что бы оценить возможности
разрабатываемого АЛУ необходимо экспериментально проверить его функции
заявленные производителем в справочной литературе. Проверка подразумевает под
собой, анализ выходных сигналов, генерируемых микросхемой под воздействием
входных сигналов.
С помощью входов выбора S0-S3 можно выбирать
24=16 функций устройства, реально число этих функций в два раза больше с
помощью входа М (Mode control) переключаются режимы, и АЛУ выполняет либо 16
арифметических операций, либо генерирует 16 логических функций двух переменных.
Для того, что бы управлять работой микросхемы, на параллельные входы выбора и
вход управления режимом будем подавать сигналы, вырабатываемые устройством
«Digital switch» (ключ, управляемый щелчком курсора). Применение такого ключа
позволяет, в режиме анализа переходных процессов (Transient analysis), изменять
его значение (лог. «0» или логическая «1») не выходя из режима анализа, что удобно
при изучении схемы на начальных этапах.
На входы А0-А3 необходимо подавать
четырёхразрядное слово А (операнд А), на входы В0-В3 аналогичное слово операнд
В. Для имитации входных сигналов операндов лучше всего подходят Stimulus
Generators (генераторы цифровых сигналов). Программа МС7 имеет в своём составе
несколько видов генераторов цифровых сигналов, отличающихся главным образом
разрядностью вырабатываемого сигнала. Исходя из того, что АЛУ выполняет
операции над четырёх разрядными операндами, выбираем четырёх разрядный
генератор Stim4.
Генератор выбирается из меню Digital Primitives
(цифровые элементы) в подменю Stimulus Generators (генераторы импульсов), после
размещения на схеме этого элемента должно появится окно Stim4 (рисунок 4.1), в
котором размещаются основные параметры этого генератора. Перечислим поля,
необходимые для заполнения.
Переменная <формат> - это спецификация
переменной <данные>, в которой представлены логические уровни сигналов
генератора. Эта переменная представляет собой последовательность цифр, общее
количество которых равно переменной <количество сигналов> (число сигналов
вырабатываемых генератором). Каждая цифра принимает значения 1, 3 или 4, что
означает двоичную, восьмеричную или шестнадцатеричную систему счисления.
Главным параметром является атрибут COMMAND=
(команды описания формы сигнала). При выделении этой строки открывается окно
текста, в котором необходимо задать необходимую комбинацию одной или нескольких
следующих строк:
<t>, <логический уровень>=<имя
метки>
Рисунок 4.1
<t>GOTO <имя
метки>
<n> TIMES
<t>GOTO <имя метки>UNTIL GT
<данные>
<t>GOTO <имя метки> UNTIL GE
<данные>
<t>GOTO <тмя метки> UNTIL LT
<данные>
<t>GOTO <имя метки> UNTIL LE
<данные>
<t>INCR BY <данные>
<t>DECR BY <данные>
Каждая цифра переменной <данные>
представляет собой логический уровень соответствующего выходного сигнала,
который представлен в системе счисления 2m, где m - соответствующая цифра
переменной <формат>. Переменная <t> определят моменты времени, в которые
задаются логические уровни сигналов. Если перед значение переменной <t>
имеется символ «+», то эта переменная задаёт приращение относительно
предыдущего момента времени; в противном случае она определяет абсолютное
значение относительно начального отсчёта времени t=o. Суффикс «S» указывает
размерность времени в секундах (допускается так же суффикс «nS» - наносекунды и
т.п.)
Переменная <данные> состоит из символов
«0», «1», «X», «R», «F» или «Z», интерпретируемых в заданном формате.
Переменная <n> задаёт количество
повторяющихся циклов GOTO; значение n=-1 задаёт бесконечное повторение цикла.
Переменная <имя метки> используется при
организации цикла с помощью оператора перехода GOTO, который пере даёт
управление на строку, следующую за оператором LABEL=<имя метки>
Зададим форму сигнала для оператора А:
.DEFINE IN
+0NS 0
+LABEL=START
+200NS INCR BY 1
+400NS GOTO START -1 TIMES
+1800NS 0
Теперь зададим форму сигнала для оператора B она
должна отличатся от формы сигнала для А, так что бы было возможно проследить
выполнение тех операций, в которых учувствуют и А и В:
.define inb
+0ns f
+200ns 9
+400ns c
+600ns 6
+800ns 2
+1000ns 8
+1200ns 7
+1400ns 4
+1600ns b
+1800ns 0
+2000ns c
+2200ns e
+2400ns b
+2600ns c
+2800ns d
+3000ns f
Схема АЛУ содержит два регистра операндов А и В,
на параллельные входы которых D0-D3 должны загружаются от данные с генераторов
Stim4. Что бы разрешить загрузку с параллельных входов, на вход разрешения
необходимо подать напряжение высокого уровня, для этой цели будем использовать
источник сигнала лог. «1», из меню Digital Primitives (цифровые компоненты),
подменю Pullups/Pulldown (источники логических уровней).
Далее необходимо обеспечить регистры
синхросигналом, который будет подаваться на вход С2, по отрицательному фронту
которого будет происходить загрузка данных в регистры. Синхросигнал будем
подавать при помощи генератора цифровых сигналов Stim1, имеющего всего один
разряд, форму сигнала зададим следующим образом:
.DEFINE IN3
+ 150NS 0
+LABEL=BEGIN
++50NS 1
++50NS 0
++150NS GOTO BEGIN -1 TIMES
На рисунке 4.2 приведем два генератора цифровых
сигналов соответствующих А и В операндам и сигналы которые они вырабатывают.
5. РАЗРАБОТКА ОПИСАНИЯ ЛАБОРАТОРНОЙ РАБОТЫ
МС7 - является новой версией популярной системы
схемотехнического моделирования Micro-Cap (Microcomputer Circuit Analysis
Program) фирмы Spectrum Software. МС7 позволяет моделировать аналоговые,
цифровые и аналого-цифровых устройства на постоянном токе, во временной и частотных
областях. Она имеет многостраничный графический редактор принципиальных схем,
исчерпывающую встроенную помощь, интуитивно понятный интерфейс и другие
средства взаимодействия с программой, что особенно важно для использования в
учебных учреждениях.
Используя МС7 возможно:
создание схем, текстовых файлов и библиотеки
моделей;
выполнение моделирования:
а) анализ переходных процессов (Transient
Analysis);
б) расчёт частотных характеристик (AC Analysis);
в) расчёт передаточных функций по постоянному
току (DC Analysis);
г) расчёт режима по постоянному току (Dynamic
DC);
вывод на принтеры и плоттеры.
Запуск программы производится двойным щелчком
мыши на значок МС7 в каталоге программы или на рабочем столе. В системе МС7
используется многооконный интерфейс с ниспадающими и разворачивающимися меню,
который уже стал стандартным, окно программы изображено на рисунке 5.1, и оно
состоит из следующих компонентов:
. Главное текстовое меню. Расположено на вершине
окна и представляет собой
заголовки выпадающих меню
. Графическое меню. Набор кнопок с нанесёнными
на них пиктограммами,
представляет собой набор наиболее часто
применяемых команд
. Рабочая область, в которой размещаются
открытые окна с файлами, диалогами или другой информацией
. Линейка состояния, расположена в низу окна,
отображает текущий инструмент.
.1 Создание новой принципиальной схемы
Для создания чертежа новой схемы в основном меню
выбрать команду File, далее в появившемся выпадающем меню выбрать команду New,
( рисунок 5.2), а затем, в
Рисунок 5.1
появившемся окне New (рисунок 5.3), выбрать
верхнюю строку schematic (создание новой схемы).
Для того, что бы выбрать необходимый компонент,
в основном меню нажимается кнопка Component (имеется возможность выбирать
активные, пассивные аналоговые или цифровые компоненты, а также макромодели).
Выбор элемента может и не производиться, если предыдущий вводимый элемент был
точно таким же. После того, как элемент выбран, в нужном месте экрана
нажимается левая кнопка мыши. Перед пользователем появляется меню
редактирования параметров элемента схемы. Здесь задаются для каждого элемента
(резистора, конденсатора и т.д.) свои параметры (сопротивление, емкость, допуск
и т.д.). Схемы создаются и редактируются с помощью набора команд,
сгруппированных в системе ниспадающих меню. Наиболее употребимые команды
вызываются нажатием на пиктограммы или комбинации «горячих» клавиш. Доступные
команды и соответствующие им пиктограммы ярко высвечиваются, недоступные
затенены. Линейка наиболее употребимых клавиш приведена на рисунке 5.4.
Назначение клавиш следующее:
. Select mode (Выбор). Выбор объектов для
операций: редактирования, удаление, перемещение и т.д..
. Component mode (Компоненты). Добавление
компонентов в схему.
. Text mode (Текст). Нанесение на схему
текстовых надписей: имён цепей, описания моделей компонентов, комментариев.
. Wire mode (Цепи). Ввод ортогональных
проводников (цепей).
5. Diagonal wire mode (Диагональные
цепи).
Ввод
цепей под произвольным углом.
. Graphics mode (Графика). Рисование графических
объектов: линий, эллипсов, прямоугольников, и т.д..
. Flag mode (Режим флага) Этот режим позволяет
расставлять флаги, которые используются для отметки определенных мест на схеме.
Это позволяет переходить к нужному месту без прокрутки всей схемы.
. Info mode (Информация). Вывод информации о
параметрах выбранного щелчком мыши компонента с возможностью редактирования.
. Help mode (Помощь). Вызов текстовой информации
о модели компонента, выбранного щелчком курсора.
.Undo. Откат назад на один или несколько шагов.
. Redo. Откат в перёд на один или несколько
шагов.
. Zoom in. Увеличение масштаба изображения.
Рисунок 5.2
Рисунок 5.3
Рисунок 5.4
. Zoom out. Уменьшение масштаба изображения.
. Grid text (Текст). Высвечивание всех текстовых
надписей.
. Attribute text (Позиционные обозначения).
Высвечивание позиционных обозначений всех компонентов.
. Node numbers (Номера узлов). Вывод номеров
узлов схемы.
. Pin connections (Вывод компонентов).
Обозначение вводов всех компонентов.
. Grid. Высвечивание сетки.
. Title box. Нанесение изображения углового штампа
(основной надписи).
. Rubberbanding. Режим перемещения компонентов
вместе с присоединенными к ним проводниками.
. Properties. Просмотр и редактирование свойств
выбранного объекта
Номинальные значения параметров компонентов
вводятся в системе СИ. При этом допускается использовать масштабные
коэффициенты приведённые в таблице 5.1.
Таблица 5.1
|
Префикс
|
Meg
|
K
|
M
|
U
|
N
|
P
|
F
|
|
Значение
|
106
|
103
|
10-3
|
10-6
|
10-9
|
10-12
|
10-15
|
|
Название
|
мега
|
кило
|
милли
|
микро
|
нано
|
пико
|
фемто
|
При создании новой схемы есть возможность пользоваться
уже имеющейся библиотекой компонентов, выполняя последовательно команды:
File/New/Library, причем, при отсутствии в библиотеке необходимой модели, есть
возможность создать свою по имеющимся в справочной литературе параметрам.
Основной проблемой, возникающей при схемотехническом моделировании, является
проблема определения численных значений параметров математических параметров
моделей компонентов по справочным и экспериментальным данным. Она решается с
помощью специальных программ идентификации параметров.
.2 Открытие созданной принципиальной схемы
Для работы с уже существующими схемами в
библиотеке программы необходимо выбрать режим File, после чего в развернувшемся
вниз меню выбрать строку Open, как показано на рисунке 5.5. Далее в развернувшемся
меню приводится содержание каталога данных DATA (рисунок 5.6). В нём отмечается
строка с именем схемы, которую необходимо выбрать. С помощью окна Open можно
так же настроить тип просматриваемых файлов:
Schematic (*.cir)
Рисунок 5.5
Рисунок 5.6
- Macro (*.mac)
SPICE (*.ckt; *.stm)
SPICE Library (*.lib)
Model Library (*.lbr)
Model Data (*.mdl)
Filter (*.res,*.cap,*.ind)
- All Files (*.*) - все
Выбранную схему можно подвергнуть редактированию
и всем видам анализа, которые перечислялись выше.
.3 Анализ переходных процессов (Transient
Analysis)
После перехода в режим анализа переходных
процессов программа МС7 проверяет правильность составления схемы. При
отсутствии ошибок в схеме программа составляет ее топологическое описание,
выполняет подготовку к численному расчёту переходных процессов и открывает окно
задания параметров моделирования Transient Analysis Limits показанном на
рисунке 5.7.
Окно задания параметров расчёта переходных
процессов имеет следующие разделы.
Команды:- начало моделирования. Моделирование
может быть остановлено в любой момент нажатием на клавишу Esc;- добавление ещё
одной строки спецификации вывода результатов. На этой строке устанавливается
способ отображения результатов и аналитические выражения для построения
графиков; - удаление строки спецификации вывода результатов, отмеченной
курсором;- открытие дополнительного окна для ввода текста большого размера;-
открытие диалогового окна задания вариации параметров;- открытие диалогового
окна, показанного на рисунке 5.8, имеющего 5 или 6 закладок. Plot - управление
выводом графиков на экран и принтер. Scales and formats -выбор масштабов по
осям координат. Colors, fonts and lines - выбор цвета объектов, параметров
шрифта и типа линий. Header - нанесение заголовков в выходных числовых данных.
Save curves - выбор одой или нескольких переменных для сохранения в файлах User
source. bar -нанесение пиктограмм команд на панель инструментов на панель
инструментов;- вызов раздела Transient Analysis системы помощи.
Рисунок 5.7
Рисунок 5.8
Числовые параметры:range - спецификация
начального и конечного времени расчёта переходных процессов, по умолчанию
начальное время Tmin = 0;Time Step - максимальный шаг интегрирования. Если этот
шаг не задан (или равен нулю), то максимальный шаг интегрирования полагается
равным (Tmax -Tmin)/50;of Points - число точек, выводимых в таблицы по умолчанию
принимается равным 51;- диапазон температуры в градусах Цельсия;Group - в графе
Р числом от 1 до 9 указывается номер графического окна, в котором должна быть
построена данная функция;
Выражения:Expression - имя переменной,
откладываемой на оси Х. Обычно при анализе переходных процессов по этой оси
откладывается время (переменная T), но при расчёте спектра сигнала с помощью
преобразования Фурье (FFT) по оси Х откладывается частота (переменная
F);Expression - математическое выражение для переменной, откладываемой по оси
Y. Это может быть простая переменная типа напряжения в узле V(5);Range -
максимальное и номинальное значение переменной Х на графике по формату Hing
[,Low]. Для автоматического выбора диапазона переменных в этой графе
указывается Auto; Range - максимальной и минимальной значение Y. Для
автоматического выбора диапазона переменной в этой графе указывается Auto.
Опции:Options - управление выдачей результатов
расчёта:- результаты расчетов не сохраняются,- сохранение результатов расчетов
в бинарном файле <имя схемы>.TSA,- считывание последних результатов
расчета из файла <имя схемы>.ТSА, созданного ранее. При этом производится
построение графиков и таблиц переходных процессов, как после обычного
расчета.Variables - установка начальных условий:- установка нулевых начальных
условий для потенциалов всех аналоговых узлов и токов через индуктивности и
неопределенных логических состояний "X" для цифровых узлов,- чтение
начальных условий из бинарного файла <имя схемы>.ТОР, созданного с
помощью State Variables Editor, перед каждым вариантом расчета при изменении
температуры или другого параметра,- установка в качестве начальных условий
значений, полученных при окончании расчета предыдущего варианта. При расчете
первого варианта они полагаются нулевыми. Если в предыдущем варианте
рассчитывался только режим по постоянному току, то в качестве начальных
значений будут приняты параметры этого режима.Point - выполнение расчета режима
по постоянному току перед началом каждого расчета переходных процессов. Данные
этого режима заменяют значения всех начальных условий, если они были
установлены;Point Only - расчет только режима по постоянному току (расчет
переходных процессов не производится);Scale Ranges - присвоение признака
автоматического масштабирования "Auto" по осям X, У для каждого
нового варианта расчетов. Если эта опция выключена, то принимаются во внимание
масштабы, указанные в графах X Range, Y Range.
Щелчок курсором по одной их панелей Р, X
Expression,..., ... Y Range открывает всплывающие окна, пример которых приведен
на рисунке 5.7.
.4 Описание лабораторной работы «Исследование
работы АЛУ»
Цель данной лабораторной работы заключатся в
изучении функционирования АЛУ на примере ИМС АЛУ К155ИП3, проведя вычислений
над двоичными числами. Выполнение работы происходит в среде MicroCap 7.
В качестве подготовки к работе рекомендуется
изучить следующие вопросы.
) Возможности программы МС7 и основные принципы
работы с ней.
) Логические и арифметические операции над двумя
переменными.
) Представление чисел со знаком в дополнительном
коде.
) Признаки результата арифметических операций.
) Изучить таблицу выбора функций микросхемы
К155ИП3 (таблица 1.5).
Домашним заданием для студентов можно
рекомендовать несложные вычисления над разными типами чисел: четырёхразрядными беззнаковыми
и трёх разрядными знаковыми. При этом в вычислениях необходимо использовать
функции из таблицы истинности для ИМС К155ИП3.
Указания к выполнению лабораторной работы.
) Открытие схемы. Для выполнения работы
необходимо запустить программу МС7, как уже говорилось выше, это можно
производится двойным щелчком мыши на значок МС7 на рабочем столе при этом
появится окно показанное на рисунке 5.1. По команде File\Open (рисунок 5.5)
откроется диалоговое окно открытия программы (рисунок 5.6) в котором необходимо
открыть директорию с названием LAB ALU и выбрать файл схемы ALU.cir. В
результате загружается схема, показанная на рисунке 5.9. При наличии в
лаборатории принтера схему необходимо вывести на печать по команде File\Print.
Схема состоит из блока АЛУ (Х3), выполненного на
ИМС К155ИП3, трех сдвиговых регистров (X1, X2, X4), выполненных на ИМС К155ИР1
(7495), и блока признаков результата (U11, U12, U13), который представлен
микросхемами типовой логики (Inverter, Nor-Tri Gates). Для обеспечения режима загрузки
регистров с параллельных портов используется компонент источник логической
единицы (PullUp) U7. Цифровые ключи (Digital Switch) (U1-U4 и U9, U10)
предназначены для выбора функции, задания режимов работы АЛУ, переключения
входа переноса.
На схеме нанесены метки, в виде точек с
названием узлов, которые необходимы для спецификации переменных, выводимых на
графики. Нанесение меток производится инструментом Text Tool, щелчком курсора
по необходимому узлу, или цепи схемы.
) Выполнение вычислений, при помощи схемы, во
временной области при различных значениях операндов. Тип операции:
арифметическая или логическая задаёт преподаватель. Для этого выполнить
моделирование схемы в режиме Analysis/Transient Analysis. В окне Transient
Analysis Limits задаются выражения, по которым можно будет отследить ход работы
схемы (рисунке 5.10). Так по шкале Х будет откладываться переменная Т (время),
а для шкалы Y зададим следующие выражения:
A3 - A0 четыре разряда операнда А, поступающего
на вход АЛУ;
В3 - В0 четыре разряда операнда В, поступающего
на вход АЛУ;
F3 - F0 четыре разряда результата;
DEC(A3 - A0), (B3 - B0), (F3 - F0) - десятичное
представление слов А, В, F;
AV признак переполнения;
AN признак отрицательного результата;
AZ признак нулевого результата;
AC признак переноса.
В строке Time Range указываем 5u, что задаёт
длительность моделирования 5 мс. После этого запускаем расчет нажатием RUN.
Для того, что бы реализовать заданную
преподавателем функцию на схеме необходимо, не выходя из режима моделирования,
переключится в режим редактора схем. Это можно сделать следующим образом:
уменьшить размер окна Transient analysis, кликнув кнопкой мыши по кнопке
изменения размеров окна (restore down), при этом рабочая область MC7 примет
вид, показанный на рисунке 5.11. В данном виде имеется возможность изменять
значения компонента Digital Switch (лог. «0» или лог. «1») щелчком мыши.
Рисунок 5.9
Рисунок 5.10
С помощью ключей U1 - U4 выбирается тип функции,
заданной преподавателем, ключ U9 устанавливает входной сигнал переноса
(активный низкий уровень), а U10 меняет режим работы АЛУ (арифметика/логика).
Для дальнейшего проведения моделирования, необходимо вернуться в режим
Transient Analysis. Что бы графики начали отображать результаты новых
воздействий на схему, необходимо вновь запустить процесс моделирования. Это
можно сделать двумя путями: нажать функциональную клавишу F9 и во всплывшем
окне Transient Analysis Limits нажать кнопку RUN, или в окне Transient Analysis
нажать на кнопку, которая имеет пиктограмму треугольника.
После выполнения команды RUN начинается
моделирование, и в процессе получения результатов на экран выводятся их
графики, показанные на рисунке 5.12, где можно наглядно увидеть изменение
сигналов во временной области. Командой File\Print содержание окна с
изображением графиков выводится на печать. При наведении курсора мыши на одну
из кривых графика, над курсором высвечиваются данные, о текущем положении
курсора, в формате <Y expression, X expression>. Исходя из заданной
функции и полученных результатов вычислений, данные заносятся в таблицу,
составленную по аналогии с таблицей 5.2
Таблица 5.2 - Результаты вычислений при помощи
АЛУ
|
Операция
|
A3
|
A2
|
A1
|
A0
|
B3
|
B2
|
B1
|
B0
|
F3
|
F2
|
F1
|
F0
|
AV
|
AN
|
AZ
|
AC
|
|
|
|
|
|
|
|
|
|
|
|
|
|
|
|
|
|
|
|
|
|
|
|
|
|
|
|
|
|
|
|
|
|
|
Полученные результаты вычислений необходимо
сравнить с домашними расчётами и продемонстрировать преподавателю.
После завершения работы нужно закрыть программу
МС7 командой File\Exit или комбинацией клавиш Alt + F4, при этом на вопрос
программы сохранить изменения в файле ALU.Cir ответить нет.
Для дальнейшей защиты лабораторной работы
студент должен предоставить отчёт, который должен содержать следующие пункты:
Цель работы;
Схема АЛУ и графики;
Результаты домашних расчётов;
Результаты вычислений в лаборатории,
представленные в виде таблицы;
Выводы по проделанной работе.
Рисунок 5.11
Рисунок 5.12
6. ЭКСПЕРИМЕНТАЛЬНЫЕ ИССЛЕДОВАНИЯ МОДЕЛИ АЛУ
Программная модель АЛУ позволяет без
значительных затрат времени и труда, изучить работу важнейшего узла
микропроцессорного устройства. Создание макета лабораторной работы в «железе»,
т.е. с использованием реальных цифровых микросхем, является устаревающим и
уступает по наглядности проведения тестирования, разработанной схеме. В этом
пункте будут рассмотрены примеры проведения испытаний основных режимов работы
АЛУ и приведены графики результатов этих испытаний.
.1 Выполнение логических операций
программная модель арифметическое
логическое
Схема АЛУ, показанная на рисунке 5.9, имеет вход
управления режимом М. Если на вход М цифровым колючем U10 подать напряжение
высокого уровня, запрещаются все внутренние переносы и АЛУ будет выполнять все
логические операции поразрядно. Достаточным, для проверки выполнения логических
операций схемой, является набор следующих операций:
конъюнкция, операция И;
исключающее ИЛИ (сумма по модулю 2);
дизъюнкция, операция ИЛИ;
инверсия.
Выбор операции на схеме будем осуществлять с
помощью цифровых ключей (U1,U2,U3,U4), которые будут воздействовать на входы
S3,S2,S1,S0 согласно таблице 6.1
Таблица 6.1 - Значения ключей управления выбором
|
Название
функции
|
Функция
|
U1
|
U2
|
U3
|
U4
|
|
И
|
А В1101
|
|
|
|
|
|
Исключающее
ИЛИ
|
А В0110
|
|
|
|
|
|
ИЛИ
|
А В0111
|
|
|
|
|
|
Инверсия
А
|
0000
|
|
|
|
|
Установим ключи управления выбором (U1,U2,U3,U4)
в положение соответствующее операции И. Выполнив моделирование в режиме анализа
переходных процессов (Transient Analysis) получим графики, показанные на
рисунке 6.1. Из них видно, операция логического И выполняется.
Рисунок 6.1
Далее проверим правильность выполнения остальных
трех операций, используя так же анализ переходных процессов, графики,
полученные при моделировании приведены: на рисунке 6.2 - исключающее ИЛИ, на
рисунке 6.3 - ИЛИ, на рисунке 6.4 - инверсия А. Как видно все операции
выполняются поразрядно.
.2 Выполнение арифметических операций
При напряжении низкого уровня на
входе М разрешаются переносы, и схема будет выполнять арифметические операции
над двумя четырёх разрядными словами. В логико-арифметических операциях
встречаются и логические и арифметические операции одновременно. Запись типа
следует
понимать так: вначале поразрядно выполняются операции инвертирования (
),
логического сложения (
) и
умножения (
), а затем
полученные указанным образом два четырёх разрядных числа складываются
арифметически.
В цифровых устройствах используются
две формы представления чисел: с фиксированной и плавающей точкой. Форма с
плавающей точкой предусматривает представление числа в показательной форме и
требует большого числа разрядов, поэтому в нашем случае будут использоваться
числа с фиксированной точкой. В ячейке для хранения числа с фиксированной
точкой один разряд используется в качестве знакового, в нём записывается в
закодированной форме знак числа: 0 - в случае положительного, 1 - в случае
отрицательного числа. Остальные разряды используются для хранения абсолютного
значения числа. Под знак числа отводится разряд ячейки либо старший, либо
младший, мы будем записывать знак числа в старший разряд. Таким образом, данная
схема АЛУ сможет работать со знаковыми числами, но при этом максимальное
абсолютное значение, записанное в ячейку, будет равно Амакс=23-1=7. Если же
пользоваться беззнаковой формой представления числа и отводить под абсолютное
значение четыре разряда, то максимальное число, записанное в ячейку, будет
равно Амакс=24-1=15.
Основной операцией, которая
используется в цифровых устройствах при различных вычислениях, является
операция алгебраического сложения чисел (сложения в котором могут участвовать
как положительные, так и отрицательные числа). Вычитание легко сводится к
сложению путём изменения на обратный знак вычитаемого. Операции умножения и
деления так же выполняются с помощью операции сложения и некоторых логических
операций. Рассмотрим работу АЛУ в режиме арифметических операций, при этом
более подробно
Рисунок 6.2
Рисунок 6.3
Рисунок 6.4
Числа без знака представляются
прямом коде и все четыре разряда отводятся под абсолютное значение числа. Числа
со знаком в старшем (третьем) разряде несут информацию о знаке числа, остальные
три разряда отводятся под абсолютное значение числа. Если число отрицательное,
т.е. в старшем разряде 1, то оно представляется в дополнительном коде.
Дополнительный код связан с обратным кодом простым соотношением Nдоп= Nобр+1,
где обратный код есть простая инверсия прямого кода. Надо отметить, что при
инверсии прямого кода знаковый разряд не участвует.
Положение цифровых ключей для выполнения
операции алгебраического сложения должно быть таким: U1=U4=U9=1 и U2=U3=U10=0.
Выполнив моделирование, в режиме переходных процессов получим графики,
показанные на рисунке 6.5. Каждому значению операндов и результатов
соответствует их десятичный формат, который упрощает изучение процесса
логического сложения. Например, сумме 1+9 соответствует 10, что подтверждает и
бинарный код.
Работу блока признаков результата
можно проследить по выходам AV, AN, AZ, AC. На выходе АС устанавливается
напряжение высокого уровня, когда полученный результат, например 8+11=19, не
помещается в четырёх разрядной сетке, при этом результат равен 3. Работа
признака переполнения (AV) и отрицательного результата (AN) основана на
представлении чисел со знаком. Рассмотрим третью комбинацию, которая приходит
на вход АЛУ, операнд А число +2 представленное в прямом коде, операнд В число
-4 представленное в дополнительном коде в результате получаем число -2 в
дополнительном коде. При этом сигналом того, что результат отрицательный, служит
установившийся высокий уровень напряжения на выходе AN. Признак переполнения
устанавливается, когда результат сложения двух положительных чисел имеет
отрицательный знак, например, при сложении +3 и +6 получаем -7. Это происходит
по тому, что результат сложения число +9 не помещается в три разряда,
отведённых под абсолютное значение числа. Принцип установки признака нулевого
результата AZ наиболее прост: достаточно, что бы на всех выходах результата
установились напряжения низкого уровня.
Операция арифметического вычитания
выполняется устройством при наличии входного сигнала переноса Сn, его
устанавливает ключ U9, а так как вход Cn инверсный, то U9 должен быть
установлен в 0. На входы выбора функции должна подаваться кодовая комбинация,
соответствующая цифре 6 в двоичном формате. Результаты выполнения операции
представлены в виде графиков показанных на рисунке 6.6. Следует отметить, что
если в ходе данной операции образовывается отрицательный результат, то он
представляется в дополнительном коде.
Рисунок 6.5
Рисунок 6.6
Результатом проведённых тестов следует считать,
что данная схема АЛУ выполняет все необходимые арифметические и логические
операции, которых достаточно для ознакомления с АЛУ и проведения лабораторной
работы.
7. РАСЧЁТ НАДЁЖНОСТИ ПРОЕКТИРУЕМОЙ МОДЕЛИ
В данном пункте рассматривается надёжность
модели АЛУ, но программные средства со всеми сложными алгоритмами описания
моделей компонентов, не могут реально отразить такой параметр как выход из
строя компонента в процессе нормальной эксплуатации. В связи этим будет
произведён расчёт надёжности схемы АЛУ, так если бы она была выполнена на
печатной плате.
Надежность системы - это ее свойство сохранять
во времени в установленных пределах значения всех параметров, характеризующих
способность выполнять требуемые функции в заданных режимах и условиях
эксплуатации. К основным характеристикам надежности элемента, узла или
радиоэлектронной аппаратуры относятся вероятность безотказной работы Р(t),
интенсивность отказов λ, среднее
время наработки на отказ Т.
Расчет надежности заключается в определении
показателей надежности радиоэлектронной аппаратуры по известным характеристикам
надежности составляющих элементов конструкции и компонентов схемы с учетом
условий эксплуатации. Для расчета надежности необходимо иметь логическую модель
безотказной работы системы. При ее составлении, предполагается, что отказы
элементов и компонентов независимы, а элементы, компоненты и система в целом
могут находиться в одном из двух состояний; работоспособном и ли
неработоспособном. Элемент или компонент, при отказе которого отказывает вся
система, считается последовательно соединенным на логической схеме надежности.
Элемент или компонент, отказ которого не приводит к отказу системы, считается включенным
параллельно.
В разработанном устройстве, выход из строя хотя
бы одного элемента приведет к отказу всей системы. Следовательно, все элементы
системы соединены последовательно, и система является нерезервированной.
Техническое состояние изделия в данный момент
времени характеризуется исправностью или неисправностью, работоспособностью или
неработоспособностью, а также предельным состоянием.
Исправным состоянием (исправностью) изделия
называется такое его состояние, при котором оно соответствует всем требованиям,
установленным нормативно-технической документацией. Если изделие не
соответствует хотя бы одному из этих требований, то оно находится в не
исправном состоянии. Если изделие находится в состоянии, при котором оно
способно выполнять заданные функции, сохраняя значения заданных параметров в
пределах, установленных нормативно-технической документацией, то оно находится
в работоспособном состоянии. Неработоспособным состоянием изделия называется
такое его состояние, при котором значение хотя бы одного заданного параметра,
характеризующего способность выполнять заданные функции, не соответствует
требованиям, установленным нормативно-технической документацией.
Все изделия можно разделить на ремонтируемые и
неремонтируемые, восстанавливаемые и невосстанавливаемые.
Восстанавливаемым называется изделие,
работоспособность которого в случае возникновения отказа подлежит
восстановлению в рассматриваемой ситуации. Если же в рассматриваемой ситуации
восстановление работоспособности данного изделия при его отказе, по каким либо
причинам признаётся нецелесообразным или неосуществимым, то изделие называется
невосстанавливаемым.
Ремонтируемым изделием называется изделие,
исправность работоспособность которого в случае возникновения отказа или
повреждения подлежат восстановлению. В противном случае изделие называется
неремонтируемым.
Неремонтируемое изделие всегда является и
невосстанавливаемым (например, резистор, конденсатор, полупроводниковый прибор
и т. д.). В тоже время, ремонтируемое изделие может быть как восстанавливаемым,
так и не восстанавливаемым - все зависит от существующей системы технического
обслуживания и ремонта, конкретной ситуации в момент отказа.
Другими важными понятиями в теории надежности и
практике эксплуатации РЭА является повреждение и отказ.
Повреждением называется событие, заключающееся в
нарушении исправности изделия или его составных частей из-за влияния внешних
условий, превышающих уровни, (установленные в нормативно - технической
документации на изделие). Отказ - это событие, заключающееся в нарушении
работоспособности изделия. Повреждение может быть существенным и явиться
причиной отказа и не существенным, при котором работоспособность объекта
сохраняется.
Рассчитаем безотказность объектов, где под
словом объект понимается часть электрической схемы.
Расчет основан на знании структуры объекта, т.
е. состава элементов, их влияния на работоспособность объекта и интенсивностей
или вероятностей отказов элементов. При последовательном соединении элементов
схемы, в случае независимых отказов, вероятность безотказной работы равна
совокупности произведения и вероятности безотказной работы отдельных
компонентов.
Производить расчёт будем по методике приложенной
в [8]
Исходя из того, что элементы или сам объект
имеют высокие показатели надёжности в реальных условиях, принимаем стандартное
время наработки на отказ t=1500 ч.
Приведём среднее значение интенсивности отказов
элементов принципиальной схемы, по которым будет производиться дальнейший
расчёт:
- для микросхем со средней степенью
интеграции λ=0,013
(1/ч);
для платы печатной схемы λ=0,7
(1/ч);
для пайки печатного монтажа λ=0,01
(1/ч).
Определим интенсивность отказов
элементов и компонентов по формуле:
, (8.1)
где
,
,
,
поправочные коэффициенты в
зависимости от:
механических ударов;
воздействий влажности и температуры;
давления воздуха.
Исходя из того, что схему АЛУ
предполагается использовать в лабораторных условиях, то все поправочные
коэффициенты равняются единицы.
Произведём расчёт регистра операнда
А.
Рассчитаем вероятность отказа
микросхемы
по формуле:

(8.2)
Так как для всех элементов схемы
выполняется условие
<<1/n,
то расчёт вероятности безотказной работы
будет производиться по формуле:
, (8.3)
где n - количество элементов n=1.
Рассчитаем вероятность безотказной
работы платы печатной схемы:
(8.4)
Рассчитаем вероятность безотказной
работы пайки печатного монтажа:
, (8.5)
где 10 количество паек в схеме.
Расчёт вероятности безотказной
работы регистра операнда А производится по формуле:

(8.6)
Вероятность отказов
находим по
формуле:
(8.7)
Регистр операнда А, регистр операнда
В и регистр результата имеют полностью идентичную структуру и построены на
одной и той же микросхеме регистра. Следовательно, вероятность отказов,
посчитанная для одного, будет действительна и для всех остальных регистров.
Рассчитаем надёжность блока АЛУ.
По формуле (8.3) определим
вероятность безотказной работы микросхемы:
По формуле (8.3) определим
вероятность безотказной работы печатной платы:
По формуле (8.3) определим
вероятность безотказной работы пайки печатного монтажа:
,
где 19 число паек печатного монтажа.
По формуле (8.6) определим
вероятность безотказной работы блока АЛУ:
Используя формулу (8.7), найдём
вероятность отказов:
Рассчитаем надёжность блока
признаков результата.
Определим вероятность безотказной
работы микросхем по формуле (8.3):
,
где 4 число микросхем.
Определим вероятность безотказной
работы печатной платы по формуле (8.3):
Определим вероятность безотказной
работы пайки печатного монтажа по формуле (8.3):
,
где 11 число паек печатного монтажа.
Пользуясь формулой (8.6), определим
вероятность безотказной работы блока признаков результата:
По формуле (8.7) найдём вероятность
отказов:
Расчёт вероятности безотказной
работы всей схемы АЛУ производится по той же упрощённой формуле, так для всех
элементов схемы выполняется условие Q(t)<<1.
,
где p(t),…, pn(t) - вероятности
безотказной работы последовательно включённых в структурную схему элементов.
Вероятность отказов находим по
формуле (8.7):
Из приведённых расчётов видно, что
безотказность работы схемы АЛУ составляет
0,99, этот факт показывает высокую
надёжность.
8. ВОПРОСЫ ОХРАНЫ ТРУДА И ТЕХНИКИ
БЕЗОПАСНОСТИ
Охрана труда - это система
законодательных актов, социально-экономических, организационных, технических,
гигиенических и лечебно-профилактических мероприятий и средств, обеспечивающих
безопасность, сохранение здоровья и работоспособности человека в процессе
труда.
Полностью безопасных и безвредных
производственных процессов не существует. Задача охраны труда - свести к
минимальной вероятность поражения или заболевания работающего с одновременным
обеспечением комфорта при максимальной производительности труда.
Так как в дипломном проекте
разработана программная модель устройства, которая предназначена для изучения
её работы на ЭВМ, то необходимо рассмотреть вопросы создания оптимального и
безопасного рабочего места для данного вида работ с точки зрения эргономики и техники
безопасности и проанализировать проблемы необходимой вентиляции и освещенности.
Прежде всего, следует рассмотреть
требования к организации рабочего места пользователя ЭВМ.
Площадь, выделенная для одного
рабочего места с видеотерминалом или персональной ЭВМ, должна составлять не
менее 6 квадратных метров, а объем - не менее 20 кубических метров. При
размещении рабочих мест с видеотерминалами и персональным ЭВМ необходимо
соблюдать следующие требования:
рабочие места с видеотерминалами и
персональным ЭВМ размещаются на расстоянии не менее 1 м от стен со световыми
прорезами;
расстояние между тыльной
поверхностью одного видеотерминала и экраном другого не должно быть менее 2,5
м;
проход между рядами рабочих мест
должен быть не менее 1 м.
Конструкция рабочего места
пользователя видеотерминала (при работе сидя) должна обеспечивать поддержание
оптимальной рабочей позы со следующими эргономичными характеристиками: ступни
ног - на полу или на подставке для ног; бедра - в горизонтальной площади;
предплечья - вертикально; локти - под углом 70 - 90 градусов к вертикальной
площади; кисты согнуты под углом не более 20 градусов к горизонтальной площади,
наклон головы - 15-20 градусов относительно вертикальной площади.
Высота рабочей поверхности стола для
видеотерминала должна быть в пределах 680 - 800 мм, а ширина - обеспечивать
возможность выполнения операций в зоне досягаемости моторного поля.
Рекомендуемые размеры стола: высота
- 725 мм, ширина - 600 - 1400 мм, глубина - 800 - 1000 мм.
Рабочий стол для видеотерминала
должен иметь пространство для ног высотой не менее 600 мм, шириной не менее 500
мм, глубиной на уровне колен не менее 450 мм, на уровне вытянутой ноги - не
менее 650 мм.
Рабочее сидение (сидение, стул,
кресло) пользователя видеотерминала и персональной ЭВМ должно иметь следующие
основные элементы: сидение, спинку и стационарные или съемные подлокотники.
Рабочее сидение пользователя
видеотерминала и персональной ЭВМ должно быть подъемно-вращательным,
регулируемым по высоте, углу наклона сидения и спинки, по расстоянию спинки до
переднего края сидения, высоте подлокотников.
Ширина и глубина сидения должны быть
не менее 400 мм. Высота поверхности сидения должна регулироваться в пределах
400 - 500 мм, а угол наклона поверхности - от 15 градусов вперед до 5 градусов
назад.
Экран видеотерминала и клавиатура
должны располагаться на оптимальном расстоянии от глаз пользователя, но не
ближе 600 мм, с учетом размера алфавитно-цифровых знаков и символов.
Оптимальные расстояния от экрана до
глаз работника, в зависимости от размера экрана по диагонали, приведены в
таблице 7.1.
Таблица 7.1
|
Размер
экрана по диагонали, см
|
Расстояние
от экрана, мм
|
|
35/38
см (14"/15")
|
600
- 700
|
|
43
см (17")
|
700
- 800
|
|
48
см (19")
|
800
- 900
|
|
53
см (21")
|
900
- 1000
|
Клавиатуру нужно располагать на поверхности
стола или на специальной, регулируемой по высоте, рабочей поверхности отдельно
от стола на расстоянии 100 - 300 мм от края, ближнего к работнику. Угол наклона
клавиатуры должен быть в пределах 5 - 15 градусов.
Согласно «Временным санитарным нормам и правилам
для работников вычислительных центров» для создания операторам ЭВМ оптимальных
условий труда на рабочем месте, необходимо выполнять требования, предъявляемые
вышеуказанными документами к планировке помещений для целей их использования в
качестве компьютерных классов. Эти требования относятся к вентиляции и
кондиционированию воздуха, допустимыми уровням шума и вибрации, освещению,
отоплению используемого помещения, защите от статического электричества и
электромагнитных излучений, организации рабочих мест, оптимального планирования
режима рабочего дня и отдыха работников.
Для создания нормальных условий труда на рабочем
месте оператора ЭВМ должны быть обеспечены определенные параметры по ряду
основных факторов, которые приводятся ниже.
Первым и одним из важных факторов является
освещенность. Освещение рабочих помещений должно удовлетворять следующим
условиям:
уровень освещенности рабочих поверхностей должен
соответствовать гигиеническим нормам для данного вида работы;
должны быть обеспечены равномерность и
устойчивость уровня освещенности в помещении, отсутствие резких контрастов
между освещенностью рабочей поверхности и окружающего пространства;
в поле зрения не должно создаваться блеска
источниками света и другими предметами;
искусственный свет по своему спектральному
составу должен приближаться к естественному.
В помещениях, предназначенных для организации
компьютерных лабораторий, должно обеспечиваться естественное освещение за счет
проникновения света через оконные проемы (боковое освещение), световые фонари
(верхнее) или одновременное через фонари и окна (комбинированное). Нормирование
естественного освещения производится с помощью коэффициента естественной
освещенности (КЕО), выраженного в процентах. Рекомендуется с целью получения максимальной
величины КЕО проектировать таким образом, чтобы световые проемы преимущественно
были ориентированы на север и северо-восток. Значение КЕО должно быть не менее
1,2% для территорий с устойчивым снежным покровом и не менее 1,5% для всех
остальных. Величина освещенности при искусственном освещении люминесцентными
лампами должна быть не менее трехсот люкс для системы общего освещения, и не
ниже семисот пятидесяти люкс для случая комбинированного освещения.
По микроклиматическим параметрам, к которым относятся:
температура воздуха, относительная влажность, скорость движения воздуха, должны
выполняться оптимальные или допустимые нормы, установленные согласно
требованиям ГОСТ 12.1005-88 «Общие санитарно-гигиенические требования к воздуху
рабочей зоны».
Уровень шума не должен превышать в помещении
величины в пятьдесят акустических дБ. Не допускается организация компьютерных
классов в помещении, которые располагаются вблизи производственных цехов,
мастерских, спортивных залов и других помещений с повышенным уровнем шума и
вибраций. Запрещается расположение рабочих мест дисплейного класса в подвальных
и цокольных помещениях.
Электромагнитные излучения создаются
устройствами визуального отображения информации (мониторами), которые
генерируют несколько типов излучений - радиочастотное, видимое,
ультрафиолетовое и рентгеновское (самое опасное для здоровья). Однако в
соответствии с нормами, уровни этих излучений для современных ЭВМ не превышают
действующих норм, что подтверждается соответствующими измерениями величины
ионизирующего излучения при работе компьютера. Следует отметить, что величина
излучения может быть уменьшена за счет применения специальных защитных экранов,
которые позволяют также снизить утомляемость в процессе работы и тем самым
увеличить продолжительность рабочего времени, в настоящее время выпускаются
мониторы со встроенными защитными экранами, они не требуют применения
дополнительных мер по снижению излучения.
Расчет воздухообмена проводится по теплоизбыткам
от людей, машин, систем искусственного освещения и от солнечной радиации.
Рассмотрим требования по электробезопасности. В
компьютерном классе существует опасность поражения статическим электричеством и
прикосновения к токоведущим частям оборудования. Статическое электричество
возникает при использовании материалов с высокими изоляционными свойствами.
Систематическое воздействие электростатического поля на организм человека может
вызывать функциональные изменения центральной нервной, сердечно-сосудистой и
других систем организма. Поэтому предельно допустимые напряженности
электростатического поля на рабочих метах нормируются. Допустимые напряженности
электростатического поля устанавливается без учета воздействия на человека
электрических разрядов. Указанные нормы при напряженности поля свыше 20 кВ/м
применяются при условии, что остальное время рабочего дня напряженность не
превышает 20 кВ/м.
Существует ряд мер, позволяющий снизить уровень
напряженности электростатического поля. К указанным мерам относятся, удаление
источников электростатических полей от рабочих мест, экранирование источника
поля или рабочего места, замена легко электризующихся материалов и изделий не
электризующимися, устройство электропроводящих покрытий полов, а также подбор
материалов и покрытий, слабо электризующих другие тела или электризующих их
зарядами различной полярности.
В качестве индивидуальных средств защиты от
электростатического электричества обычно применяют электропроводящую обувь,
белье и халаты, которые обеспечивают электростатическое заземление тела
человека.
В компьютерном классе применяется сеть
напряжением 220 В для питания ЭВМ. Опасность прикосновения к токоведущим частям
в такой сети вызвана тем, что в процессе эксплуатации изоляция токоведущих
частей электрооборудования стареет, разрушается и может прийти в негодность под
воздействием механических повреждений, влаги и ряда других факторов. Для
контроля состояния изоляции в процессе эксплуатации производится периодическое
измерение ее сопротивления в установленные правилами сроки или в случае
обнаружения дефекта. Измерения производятся при отключенной электроустановке
(источников и потребителей энергии), при этом определяются сопротивления
электроизоляции отдельных участков сети между двумя последовательно
установленными защитными аппаратами. На каждом участке электрической сети
измеряется сопротивление изоляции фазы относительно земли и между парами фазных
проводов. В сетях напряжения до одного киловольта сопротивление изоляции
каждого участка сети должно быть не менее 0,5 МОм на фазу.
Измерения сопротивления изоляции производятся
мегомметром, измерительное напряжение которого должно быть равным или несколько
большим номинального напряжения электроустановки, так как сопротивлении
изоляции является нелинейной функцией приложенного напряжения. В результате измерения
обнаруживаются участки с низким сопротивлением изоляции, требующие
профилактических мероприятий для предупреждения замыканий на землю и коротких
замыканий.
Опасность поражения электрическим током может
быть снижена применением двойной изоляции, сущность которой заключается в том,
что помимо основного наносится еще один слой изоляции токоведущих частей,
предохраняющий человека от прикосновения металлическим не токоведущим частям,
которые могут случайно оказаться под напряжением. Для этого металлические
корпуса электрооборудования покрывают слоем изоляционного материала. Надежную
защиту людей обеспечивает такой способ выполнения двойной изоляции, при котором
корпуса электрооборудования изготавливаются из изоляционного материала. Данный
метод двойной изоляции реализован для ЭВМ, поскольку их корпуса изготовлены из
пластмассы.
Длительность работы с ЭВМ во время занятий
определяется сложностью решаемой задачи, характером работы (ввод данных,
редактирование, программирование), а также техническими данными и вычислительной
способностью персональных ЭВМ.
Во время перерывов следует производить сквозное
проветривание помещений с обязательным выводом из него сотрудников.
Запрещается для внутренней отделки интерьера
учебных помещений (аудиторий вычислительной техники, кабинетов, дисплейных
классов) применять полимерные материалы выделяющие в воздух вредные химические
вещества. К таким материалам относятся древесностружечные плиты и слоистый
бумажный пластик.
Соблюдение перечисленных норм и требований
позволит обеспечить безопасность, сохранение здоровья и работоспособности
человека в процессе работы на ЭВМ.
ЗАКЛЮЧЕНИЕ
В ходе разработки программой модели АЛУ в среде
MC7 были рассмотрены арифметические и логические операции, выполняемые в
современных МП, выделив из них основные операции, была составлена таблица
функций разрабатываемого устройства.
Разработанная структурная схема АЛУ отражает
наиболее общие тенденции в построении устройств данного типа. Составленная
макромодель ИМС К155ИП3 была внесена в библиотеку компонентов программы МС7,
что позволило использовать ее для построения схемы лабораторной работы.
Разработан имитатор управляющих сигналов, позволяющий смоделировать все
необходимые функции устройства над различными типами операндов.
Разработка описания лабораторной работы включила
в себя как краткое руководство пользователя программы МС7, так и инструкции по
выполнению лабораторной работы. Рассмотрены вопросы охраны труда, при этом
учтена специфика работы на ЭВМ. Расчёт надежности проектируемой модели показал
высокую надежность разработанной схемы.
На основании проведенных исследований
установлено, что на основе разработанной программной модели АЛУ, на ИМС
К155ИП3, можно построить лабораторную работу, которая служила бы для обучения
студентов операциям, выполняющимся в МПУ.
СПИСОК ИСПОЛЬЗОВАННЫХ ИСТОЧНИКОВ
1. В.Д.
Разевиг. Схемотехническое моделирование с помощью Micro-Cap 7. - М.: Горячая
линия - Телеком, 2003.
. Микропроцессорный
комплект БИС серии К1815 для цифровой обработки сигналов. Справочник под
редакцией И.А. Сухопарова. - М,: Радио и связь, 1992.
. В.Л.
Шило. Популярные цифровые микросхемы. - М.; Радио и связь 1987.
. Е.А.
Зельдин. Цифровые интегральные микросхемы в информационно-измерительной
аппаратуре. - Л.: Энергоавтоматиздат. Ленингр. отделение, 1986.
. Б.А.
Калобеков. Микропроцессоры и их применение в системах передачи и обработки
сигналов. Учебное пособие для высших учебных заведений. - М.: Радио и связь,
1988.
. Е.П.
Урюмов. Цифровая схемотехника. Учебное пособие. - СПб.: БВХ-Петербург, 2002.
. Г.А.
Кардашев. Цифровая электроника на персональном компьютере. Electronics Work
bench и Micro-Cap. - М.: Горячая линия - Телеком, 2003.
.
В.Г. Костиков. Источники электропитания электронных средств. Схемотехника и
конструирование. - М.: Радио и связь, 1998.
.
В.Д. Разевиг. Система сквозного проектирования электронных устройств DesignLab
8.0. - М.: Солон, 1999.
.
А.В. Нефедов, В.И. Гордеева. Отечественные полупроводниковые приборы и их
зарубежные аналоги. Справочник. - М.: Радио и связь, 1990.
.
В.И. Карлащук. Электронная лаборатория на IBM PC. Программа Electronics
Workbench и ее применение. - М.: Солон - Пресс, 2003.
.
По материалам сайта http\\www.dian.ru.
.
П.А. Долин. Основы техники безопасности в электроустановках. - М.:
Электроатомиздат, 1984.
ПРИЛОЖЕНИЕ А
Функции АЛУ для младшего разряда F0
В данном приложении приведены выражения, которые
определяют состояния младшего разряда результата F0, при всех возможных
комбинациях сигналов выбора функции и выбора режима работы.
Для краткости двоичные числа S3S2S1S0
представлены их двоичными эквивалентами (по порядку 0,1,2,…,15). Сначала
запишем функции F0 при различных логических выражениях, при этом М=1 и Cn=1.
S=0
=1
=2
=3
=4
=5
=6
=7
=8
=9
S=10
=11
=12
=13
=14
=15
Далее примем М=0, т.е. сейчас будут
выполнятся арифметические и смешанные логико-арифметические операции, при этом
Сn=1, т.е. входной перенос отсутствует.
S=0
=1
=2
=3
=4
=5
=6
=7
=8
=9
=10
S=11
=12
=13
=14
=15
Сейчас изменим Cn=0, т.е. вход
переноса активен и оставив М=0, запишем какие функции будет вырабатывать F0.
S=0
=1
=2
=3
=4
=5
=6
=7
=8
=9
=10
=11
=12
=13
=14
=15