Материал: Создание автоматизированного графического комплекса по расчету опор и элементов корпуса редуктора

Внимание! Если размещение файла нарушает Ваши авторские права, то обязательно сообщите нам

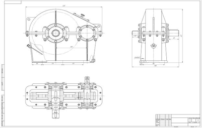
При нажатии на кнопку «Начать расчет» программа построит три вида чертежа рассчитываемого редуктора (рисунок 24).

Рисунок 24 - Результат работы программы.

5. Безопасность и экологичность проекта

Работа в помещении, оборудованном персональным компьютером, не сопровождается выделением вредных веществ и выбросом их в атмосферу. Вследствие того, что загрязнения окружающей среды не происходит, можно считать, что проект является экологически чистым.


5.1 Организация рабочего места


В нашем случае производственное помещение представляет из себя учебный класс, который находится в капитальном здании. В этом классе находится 2 компьютера, которые объединены в локальную сеть, подключённую к Интернет. Электропитание компьютеров осуществляется через обычную электросеть 220 В. В помещении предусмотрена система
естественной вентиляции.

Данное помещения для ЭВМ находится в здании, которое оборудовано системами центрального отопления, хозяйственно-питьевого водопровода.

Рабочее место для выполнения работ сидя организовано с учетом физических параметров и возможностей оператора.

Длительная работа на ПЭВМ приводит к перенапряжению зрения, общему и психическому утомлению, что влечет за собой снижение реакции оператора, увеличивает риск ошибок.

Для исключении ошибок при работе на ПЭВМ соблюдаются следующие основные условия:

·  Высота рабочей поверхности составляет - 655 мм, высота
сиденья - 420 мм.

·        Ширина поверхностей стола для клавиатуры и монитора - 750мм.

·        Помещение оборудовано одноместными столами, что
соответствует нормам.

·        Проходы обеспечивают свободное перемещение по помещению и свободный вход и выход из помещения.

·        Дисплей располагается так, чтобы его зоны, требующие точного и быстрого считывания, располагаются прямо перед оператором. так, чтобы линия взгляда на эти зоны составляла не более 30° с горизонтальной плоскостью и была ниже этой горизонтальной плоскости, проведенной на уровне глаз оператора. То же самое относится к расположению рабочих документов. Если обращение к средствам отображения информации происходит менее двух раз в минуту, они могут располагаться в пределах 30° от указанной горизонтальной плоскости и на такой же угол влево и вправо.

Чтобы исключить возникновение заболеваний необходимо иметь возможность свободной перемены поз. Необходимо соблюдать режим труда и отдыха с перерывами, заполняемыми “отвлекающими” мышечными нагрузками на те звенья опорно-двигательного аппарата, которые не включены в поддержание основной рабочей позы.

Для хранения документов, литературы, дискет в помещении предусмотрен шкаф.

Предусматривается:

·   производственной площади S на одного работающего 6 м2

·   объема производственного помещения V на одного работника 20 м3

Данное помещение имеет следующие габариты:

·  длина - 5 м;

·        ширина - 4 м;

· высота - 3,5 м;

·  полезная площадь помещения

·  объем помещения

Рассчитав соотношения площади и объема помещения к количеству рабочих мест получили, что данный компьютерный кабинет полностью удовлетворяет требованиям.

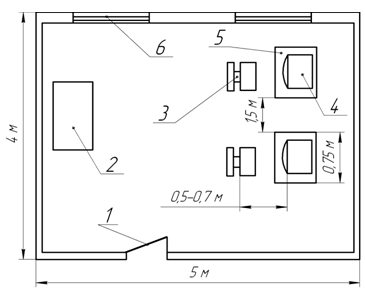
Общий вид нашего компьютерного класса представлен на рисунке 25.

Рисунок 25 - Общий вид компьютерного класса: 1 - Входная дверь, 2 - Шкаф, 3 - Стул, 4 - Монитор компьютера, 5 - Компьютерный стол, 6 - Окно

5.2 Анализ потенциальных опасностей


При анализе необходимо руководствоваться ГОСТ 12.0.003-74 «Опасные и вредные производственные факторы. Классификация».

Возникновение потенциальных опасностей и вредностей обусловлено наличием следующих факторов:

1)   Физической природы

- повышенная или пониженная температура воздуха рабочей зоны;

повышенный уровень шума на рабочем месте;

повышенный уровень статического электричества;

недостаточная или чрезмерная освещенность рабочей зоны;

повышенный уровень электромагнитных излучений.

2)   Психофизиологической природы

- физические перегрузки (статические);

нервно-психические перегрузки (умственное перенапряжение, перенапряжение анализаторов, монотонность труда).

5.3 Производственная санитария помещения

5.3.1 Микроклимат учебного помещения

Микроклимат устанавливается.

Категории работ разграничиваются на основе интенсивности энергозатрат организма в ккал/ч (Вт).

Работу на компьютере можно отнести к категории Iа с интенсивностью энергозатрат до 120 ккал/ч (до 139 Вт), производимые сидя и сопровождающиеся незначительным физическим напряжением, и к категории Iб с интенсивностью энергозатрат 121-150 ккал/ч (140-174 Вт), производимые сидя, стоя или связанные с ходьбой и сопровождающиеся некоторым физическим напряжением. В нашем случае работа в компьютерном классе относится к категории Iа и Iб.

Таблица 2 - Оптимальные величины показателей метеоусловий в учебном помещении с вычислительной техникой.

Период года

Категория работ по уровню энергозатрат, Вт

Температура, 0C

Температура поверхностей, 0C

Относительная влажность, %

Скорость воздуха, м/с

Холодный

Iа (до139)

22-24

21-25

60-40

0,1


Iб (140-174)

21-23

20-24

60-40

0,1

теплый

Iа (до139)

23-25

22-26

60-40

0,1


Iб (140-174)

22-24

21-25

60-40


Индекс тепловой нагрузки среды (ТНС - индекс) является эмпирическим показателем, характеризующим сочетанное действие на организм человека параметров микроклимата (температуры, влажности, скорости движения воздуха и теплового облучения).

Таблица 3 - Рекомендуемые величины интегрального показателя тепловой нагрузки среды (ТНС - индекса) для профилактики перегревания организма.

Категория работ по уровню энергозатрат, Вт

Величины интегрального показателя, °С

Iа (до 139)

22,2…26,4

Iб (140…174)

21,5…25,8


Для обеспечения нормируемых параметров микроклимата предусматривается:

·   дежурное отопление в холодный период года, поддерживающее температуру воздуха в пределах 15 - 16°С.

·   естественная вентиляция помещения, обеспечивающая подачу воздуха в помещение на одного работающего 20 м3.

Для создания и автоматического поддержания в компьютерном классе независимо от наружных условий оптимальных значений температуры, влажности, чистоты и скорости движения воздуха, в холодное время года используется центральное отопление, в теплое время года применяется кондиционирование воздуха, при этом колебания в течение суток не должны превышать 4оС. Для поддержания параметров микроклимата используется естественная вентиляция (через оконные проемы). В целом параметры соответствуют нормам.

5.3.2 Искусственное освещение

Для обеспечения нормальных условий деятельности человека существуют нормы освещенности рабочих мест, которые регламентируются СНиП 23-05-95 «Естественное и искусственное освещение».

Согласно нормам, работа оператора относится к высокой и средней точности 3 разряда, следовательно, оптимальная освещенность для данной работы должна быть в пределах лк.

Необходимые расчетные и нормируемые параметры для поддержания
в рабочем помещении достаточной освещенности:

-  коэффициент естественного бокового освещения - КЕО = 1,3%;

-       коэффициент запаса для осветительных установок - ;

-       коэффициент пульсации - 5%.

Расчет освещения выполняют методом коэффициента использования светового потока:

(1)

где Ф - необходимый световой поток лампы в каждом светильнике, лм;

Е - нормативная минимальная освещенность рабочих поверхностей для определенного разряда зрительных работ, Лк; принимаем Е = 300 лк;

S - освещаемая площадь, м2;

k - коэффициент запаса светильников, учитывающий их запыление и  износ в процессе эксплуатации;

z - коэффициент минимальной освещенности, z = 1,1-1,5 (при оптимальных отношениях расстояния между светильниками к расчетной высоте для люминесцентных ламп z ~ 1,1); N - число ламп в помещении;

η - коэффициент использования светового потока.

Освещаемая площадь помещения S, м2:


где a - длина помещения, м;

b - ширина помещения, м.

Высоту подвеса светильника над рабочей поверхностью находим по формуле, м:

,(2)

где  - высота помещения, м;

 - высота стола на рабочем месте, м;

Подставив значения в формулу (2), получим:

м;

Далее рассчитывается количество ламп N для установки в помещении:

 

,(3)

где L - расстояние между светильниками.