Министерство образования и науки Российской Федерации
ФЕДЕРАЛЬНОЕ ГОСУДАРСТВЕННОЕ БЮДЖЕТНОЕ ОБРАЗОВАТЕЛЬНОЕ УЧРЕЖДЕНИЕ ВЫСШЕГО ПРОФЕССИОНАЛЬНОГО ОБРАЗОВАНИЯ
"САНКТ-ПЕТЕРБУРГСКИЙ НАЦИОНАЛЬНЫЙ ИССЛЕДОВАТЕЛЬСКИЙ УНИВЕРСИТЕТ ИНФОРМАЦИОННЫХ ТЕХНОЛОГИЙ, МЕХАНИКИ И ОПТИКИ"
Кафедра
лазерных технологий и лазерной техники
РЕФЕРАТ
Тема:
Современные лазерные гироскопы.
Работу выполнил Федоров Павел
Руководитель Парфенов Вадим Александрович
САНКТ-ПЕТЕРБУРГ
2015
Содержание
Введение
. История развития
. Классификация
. Лазерные гироскопы
.1 История развития лазерного гироскопа
.1.1 Первый образец лазерного гироскопа
.2 Принцип работы и принцип действия лазерного гироскопа
.3 Конструктивные особенности лазерного гироскопа
.4 Преимущества лазерного гироскопа
.5 Лазерные гироскопы 70-х годов
.6 Лазерные гироскопы 80-х
.7 Сверхбольшие лазерные гироскопы
. Современные лазерные гироскопы
. Применение
. Перспективы развития гироскопического приборостроения
Заключение
Библиографические ссылки
Гироскоп- это динамически сбалансированное тело вращения, которое с большой скоростью поворачивается вокруг оси, укрепленной в рамке, и имеет, по крайней мере, одну неподвижную точку. В переводе с греческого “гироскоп” означает указатель вращения. Поэтому под гироскопом можно понимать любой измеритель, выходной параметр которого зависит от скорости вращения.
Бурное развитие техники в последние десятилетия неразрывно связано с
совершенствованием различных систем управления движущимися объектами. Системы
управления торпедами, морскими кораблями, самолетами, ракетами и космическими
объектами трудно представить себе без гироскопических приборов.
До изобретения гироскопа человечество использовало различные методы определения направления в пространстве. Издревле люди ориентировались визуально по удалённым предметам, в частности, по Солнцу. Уже в древности появились первые приборы: отвес и уровень, основанные на гравитации. В средние века в Китае был изобретён компас, использующий магнетизм Земли. В Европе были созданы астролябия и другие приборы, основанные на положении звёзд.
Гироскоп изобрёл Иоганн Боненбергер и опубликовал описание своего изобретения в 1817 году. Однако французский математик Пуассон ещё в 1813 году упоминает Боненбергера как изобретателя этого устройства. Главной частью гироскопа Боненбергера был вращающийся массивный шар в кардановом подвесе. В 1832 году американец Уолтер Р. Джонсон придумал гироскоп с вращающимся диском. Французский учёный Лаплас рекомендовал это устройство в учебных целях. Первое практическое применение гироскоп нашел в 1852 году , когда французский ученый Л. Фуко с помощью гироскопа подтвердил свой эксперимент с маятником, доказавший вращение Земли. Первый гироскопы имели большие погрешности, обусловленные несбалансированностью отдельных частей прибора, инерцией рамок, люфтами в соединениях, неравномерным трением в опорах кардана и т.п. Преимуществом гироскопа перед более древними приборами является то, что он правильно работает в сложных условиях. Однако гироскоп быстро останавливался из-за трения. Впервые на практике гироскоп был применён в 1880-х годах инженером Обри для стабилизации курса торпеды. В XX веке гироскопы стали использоваться в самолётах, ракетах и подводных лодках вместо компаса или совместно с ним.
Успехи в развитии квантовой электроники привели к созданию нового научного направления, которое можно назвать квантовой гироскопией.
Основные типы гироскопов:
. механические гироскопы
. вибрационные гироскопы
. квантовые гироскопы
. оптические гироскопы
Механические гироскопы
Рисунок 1. Роторный гироскоп
Среди механических гироскопов выделяется роторный гироскоп - быстро вращающееся твёрдое тело, ось вращения которого способна изменять ориентацию в пространстве. Это показано на рисунке 1. При этом скорость вращения гироскопа значительно превышает скорость поворота оси его вращения. Основное свойство такого гироскопа - способность сохранять в пространстве неизменное направление оси вращения при отсутствии воздействия на неё моментов внешних сил. Впервые это свойство использовал Фуко в 1852 г. для экспериментальной демонстрации вращения Земли. Именно благодаря этой демонстрации гироскоп и получил своё название от греческих слов «вращение», «наблюдаю».
Вибрационные гироскопы - устройства, сохраняющие свои колебания в одной плоскости при повороте. Данный тип гироскопов является намного более простым и дешёвым при сопоставимой точности по сравнению с роторным гироскопом. В зарубежной литературе также употребляется термин «Кориолисовы вибрирующие гироскопы» - так как принцип их действия основан на эффекте силы Кориолиса, как и у роторных гироскопов.
Квантовая гироскопия - собирательный термин для названия новой области квантовой электроники, занимающейся изучением принципов и возможностей создания устройств, в основу действия которых положены гироскопические свойства частиц, образующих рабочие тела датчика прибора. Эти свойства могут быть обусловлены спиновыми и орбитальными моментами атомных ядер, атомов, электронов или фотонов. Гироскоп находится в рабочем состоянии, когда механические моменты частиц предварительно ориентированы в некотором направлении. Приборы такого рода получили собирательное название квантовых гироскопов, в отличие от классических механических гироскопов, необходимым элементом которых является вращающееся или колеблющееся тело. Измеряемыми величинами в приборах такого рода являются, например, частоты вынужденных когерентных квантовых переходов между энергетическими подуровнями, соответствующими различным возможным значениям проекций механического момента частиц на физически выделенное направление. Вращение приборов вызывает смещение или расщепление энергетических подуровней системы, измерение частот переходов между которыми и позволяет обнаружить это вращение, а также определить направление и величину его угловой скорости.
Оптические гироскопы. Делятся на волоконно-оптические и лазерные
гироскопы. Принцип действия основан на эффекте Саньяка и теоретически
объясняется с помощью специальной теорией относительности (СТО). Согласно СТО
скорость света постоянна в любой инерциальной системе отсчёта. В то время как в
неинерциальной системе она может отличаться от нее. При посылке луча света в
направлении вращения прибора и против направления вращения разница во времени
прихода лучей (определяемая интерферометром) позволяет найти разницу оптических
путей лучей в инерциальной системе отсчёта, и, следовательно, величину углового
поворота прибора за время прохождения луча.
Лазерный гироскоп - устройство, в котором:
используется оптический квантовый генератор направленного излучения;
содержится плоский замкнутый контур, образованный тремя и более
зеркалами, где циркулируют два встречных световых потока и применяется в
системах инерциальной навигации.
Рисунок 2. Упрощенная схема лазерного гироскопа
Особенности и основные характеристики лазерных гироскопов
. Отсутствие вращающегося ротора
. Моноблочность и высокая механическая стойкость конструкции
. Работоспособность при больших линейных перегрузках
. Высокая чувствительность
. большой диапазон измеряемых угловых скоростей
. малый собственный дрейф
. малое время готовности < 0,1 с;
. малая потребляемая мощность - до 10 Вт;
. большой ресурс работы > 3 10 ч;
. высокая надежность;
. дискретность выходного канала.
Не секрет, что наиболее значительные научные и практические результаты в области лазерной и волоконно-оптической гироскопии были получены в недрах военно-промышленных комплексов ведущих государств. Детальная информация о технологических процессах, испытаниях и практических применениях лазерной гироскопии была и во многом остается до настоящего времени закрытой. Этот процесс усугублялся наличием "железного занавеса", разделявшего страны НАТО и участников Варшавского пакта. В этих условиях международное сотрудничество и научно-техническая кооперация исследователей и разработчиков лазерной гироскопии практически исключалась.
История развития лазерной гироскопии в нашей стране начинается почти одновременно с появлением в 1960 г. газовых лазеров. В те беспокойные годы на заре зарождения лазерной техники весь научный мир буквально будоражили многочисленные лазерные эффекты, открытия, смелые гипотезы, туманные перспективы, которые шумно и с энтузиазмом обсуждались, тогда еще немногочисленной группой пионеров лазерной техники, на еженедельных семинарах в ФИАНе, которые блестяще проводил Нобелевской лауреат, академик А.М. Прохоров.
На схеме 1 показано временное развитие лазерных гироскопов
Схема 1. Временное развитие лазерных гироскопов
Одну из первых моделей продемонстрировала компания Lockheed Martin уже в
середине 60-х годов. Фотография и конструкция предложенного устройства показаны
на рис.2-3 . ЛГ был построен по модульной схеме и включал в себя He-Ne лазер с
длиной волны 1152,3 нм, треугольный контур со сторонами 7,62 мм, образованный
призмами полного внутреннего отражения, фарадеевскую ячейку для искусственного
создания невзаимности и пьезоэлектрический привод на одной из призм для
контроля и управления периметром. Резонатор был выполнен из алюминия и
дополнительно оснащен датчиком температуры и набором обогревателей. Они
поддерживали постоянную температуру 65˚C, обеспечивая тем самым
постоянство геометрических размеров резонатора. Конструкция в сборе помещалась
в корпус, снабженный термо и магнитным экранами для сохранения стабильных
условий эксплуатации. Так выглядел представленный впервые образец лазерного гироскопа,
в котором отсутствовал вращающийся ротор.
Рисунок 3. Схема первого лазерного гироскопа

По своим характеристикам лазерный гироскоп оказался наиболее пригодным
для использования в бесплатформенных инерциальных системах (БИНС), развитие
которых началось бурными темпами, чему в немалой степени содействовало
появление быстродействующей вычислительной техники. Заманчивой представлялась
установка в корпус триады датчиков для создания инерциальных измерительных
модулей. Несмотря на ряд недостатков (срок службы трубки менее 1000 ч, большое
время готовности, высокое энергопотребление) разработанные гироскопы
пользовались спросом. В частности, их испытаниями занимались в NASA, а также в
лабораториях морских и военно-воздушных сил США.
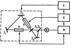
Принцип работы лазерного гироскопа можно описать следующим образом, в кольцевом резонаторе под воздействием накачки возбуждаются две электромагнитные волны с частотами v1 и ν2, распространяющиеся по замкнутому контуру в противоположных направлениях. Эти волны, интерферируя между собой, образуют стоячую волну с узлами и пучностями, так что суммарная амплитуда интенсивности электромагнитных колебаний либо максимальна, либо равна нулю. С помощью специального оптического смесителя - интерферометра и при наличии внешнего возмущения в виде угловой скорости (t), которую нужно измерять, интерференционную картину можно зафиксировать. Если кольцевой резонатор привести во вращение, то на основании эффекта Саньяка в смесителе-интерферометре и в оптически связанном с ним фотоприемнике выделяется сигнал разностной частоты Fр ~ (ν1 - ν2) - частота биений, по которой можно четко различить прохождение темно светлых полосок интерференционной картины относительно фотоприемника. Чем быстрее вращается система в целом, тем чаще проходят темные полоски и тем выше частота выходного сигнала. Таким образом, мерой угловой скорости Ω (t) служит сигнал разностной частоты Fр. Ток фотоприемника усиливается, формируется и преобразуется в электронном тракте в сигнал двоичного кода, который поступает в бортовую ЭВМ и далее, например, в контур управления полетом летательного аппарата. Лазерный гироскоп представляет собой многоконтурную взаимосвязанную систему автоматического регулирования, в которую помимо чувствительного модуля (кольцевого лазера) введен целый ряд систем: стабилизации мощности, магнитного поля, частоты, регулировки периметра резонатора. Для создания смещения по частоте, увеличения точности лазерного гироскопа и определения знака вводят систему частотной «подставки» и систему обработки информации.
Теоретически принцип действия лазерного гироскопа объясняется с помощью СТО
(специальной теории относительности). Согласно СТО скорость света постоянна в
любой инерциальной системе отсчёта. В то время как в неинерциальной системе она
может отличаться от скорости света. При посылке луча света в направлении
вращения прибора и против направления вращения разница во времени прихода лучей
(определяемая интерферометром) позволяет найти разницу оптических путей лучей в
инерциальной системе отсчёта, и, следовательно, величину углового поворота
прибора за время прохождения луча. Действие лазерного гироскопа основано на
зависимости разности собственной частоты кольцевого оптического резонатора для
встречных волн от скорости его вращения относительно инерциальной системы
отсчёта. В отличие от волоконно-оптического гироскопа, регистрирующего угловую
скорость вращения, лазерный гироскоп позволяет определять изменение угла
поворота.
Рисунок 5. Схема лазерного гироскопа.
Усилия конструкторских разработок направлены на создание жесткой,
малогабаритной и монолитной конструкции кольцевого резонатора лазерного
гироскопа. В современных конструкциях лазерные гироскопы применяют как
треугольные, четырехугольные, моноблочные, так и волоконно-оптические кольцевые
резонаторы. Моноблочные резонаторы изготавливают из материалов, коэффициент
линейного расширения которых мал: это инвар, плавленый кварц, ситалл и
констасил, что частично решает проблему стабилизации параметров (в частности,
выходной характеристики). Это достигается также одномодовым режимом работы и
автоматической стабилизацией мощности и частоты излучения кольцевого лазера.
Датчики угловых скоростей, устанавливаемые на - летательных аппаратах, должны
быть компактными с отношением массы к объему ~1 кг/дм3. Надежность
такой конструкции должна гарантировать срок службы 5000... 14 000 ч и срок
хранения примерно 14 лет. В одной из последних конструкций лазерного гироскопа
вместо отдельных трубок и зеркал используется заготовка из высококачественного
плавленого кварца, в которой выточены отверстия и полости для генерационных
каналов и имеются два анода, катод, а также отверстия для заполнения смесью
газов (Рис.6). Четыре отверстия образуют генерационный канал - квадратный
световод с круглым сечением, который одновременно является и единой
газоразрядной трубкой, наполненной смесью изотопов Не3 и Ne20,
Ne22.
Рисунок 6. Схема конструкции моноблочного лазерного гироскопа
. кварцевый моноблок
. газоразорядные каналы
. аноды
. элемент разноса частот
. резервуар для газовой (гелий-неоновой) активной среды
. призменный оптический смеситель
. выходное зеркало
. отодиоды
. холодный катод
. геттер
. зеркало
. отверстия для крепления длиной до 10 см каждый
Лазерный гироскоп обладает угловым разрешением, недоступным механическим
гироскопам. Так, если оптический резонатор имеет форму треугольника со стороной
около 12 см, то каждому периоду синусоиды выходного сигнала соответствует
поворот на одну угловую секунду. Показания лазерного гироскопа не зависят от
линейных и угловых ускорений, выходной сигнал легко обрабатывается
компьютерами, которые все шире используются в навигационных системах. С
одинаковым изяществом такой гироскоп может измерять угловые скорости от тысяч
оборотов в секунду до скоростей в сотни миллиардов раз меньших, до 0,01 градуса
в час. Это очень мало: один оборот с такой скоростью занимает более четырех
лет; часовая стрелка движется в 3.000 раз быстрее. Такая точность измерения
соответствует точности прилунения в десять километров. Включение лазерного
гироскопа занимает тысячные доли секунды. Принципиальный предел его точности,
по некоторым оценкам, равен одной миллионной градуса в час. Это один оборот за
40 000 лет!