Материал: Составление технологического маршрута обработки деталей

Внимание! Если размещение файла нарушает Ваши авторские права, то обязательно сообщите нам

Составление технологического маршрута обработки деталей

Содержание

 

Введение

1. Анализ исходных данных

2. Выбор исходной заготовки и методов её получения

3. Выбор видов и методов обработки деталей

4. Выбор технологических баз детали

5. Составление технологического маршрута обработки

6. Установление рациональной последовательности выполнения переходов в операции

Список использованных источников

Введение

Разработка технологического процесса представляет собой многовариантную технико-экономическую задачу. Решение поставленной задачи сводится к разработке такого варианта технологического процесса, который обеспечивает получение готовых деталей высокого качества с минимальными затратами труда и денежных средств.

обработка деталь маршрут технологический

1. Анализ исходных данных

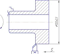
Изучив чертеж детали, делаем вывод, что поршень предназначен для преобразования одного вида энергии в другой. Деталь включает два вида механической обработки, в которых используется стандартный режущий инструмент.

2. Выбор исходной заготовки и методов её получения


Учитывая особенности конструкции детали (класс диски), её материал (Сталь 40Х ГОСТ 4543-71) и объем производства (По заданию N=1 - единичное производство). Наиболее рациональным получение детали литьем в песчаную форму.

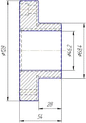
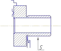
Эскиз заготовки

Рис.2.1 Эскиз заготовки полученной литьем в песчаной форме

Таблица1. Припуски на механическую обработку и допуски

50

0,56

6

0,24

0

0,8

3,6

120

0,70


0,24

0

0,94

3,6

50

2,4

52,4

54,1

-

-

-

120

5

125

128

-

-

-

50

2,4

47,6

46,2

-

-

-

64

2,4

66,4

68,4

-

-

-


 

3. Выбор видов и методов обработки деталей


Учитывая диаметральные размеры и допуски на их изготовление, а также шероховатость поверхности (0,63), при разработке технологического процесса, должно быть, предусмотрено два вида обработки:

а) черновая;

б) чистовая.

и следующие методы обработки:

а) точение;

б) сверление;

В качестве чистовой обработки используем шлифование.

4. Выбор технологических баз детали


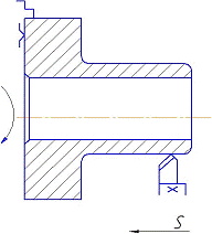
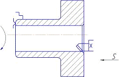
Учитывая, что рассматриваемая деталь относится к классу дисков, за черновую технологическую базу принимаем один из торцов и наружный диаметр заготовки, а в качестве чистовой базы принимаем торец и внутренний диаметр отверстия 25.2 мм.

Термическая

Шлифовальная

Контрольная.

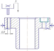
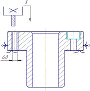
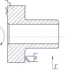
6. Установление рациональной последовательности выполнения переходов в операции


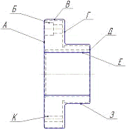
Токарная


)        Установить и закрепить заготовку в патроне токарного станка


2)      Точить торец А "как чисто".


3)      Точить поверхность В до диаметра  мм на длине 30 мм


)        Точить поверхность Е, диаметром 50,5 мм.


)        Расточить фаску размером 2х45º


)        Переустановить и закрепить заготовку в патроне токарного станка


7)      Точить поверхность Д длиной  мм


)        Точить поверхность З диаметром 64,5 мм длиной 30 мм

 

9)      Точить торец длиной 20 мм и диаметром 64,5 мм


)        Точить канавку диаметром 60 мм и шириной 2 мм от края торца


)        Снять заготовку

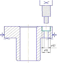
Сверлильная

)        Установить заготовку в патроне сверлильного станка


12)    Сверлить отверстие Б диаметром 14 мм и 10 мм на расстоянии 14 мм от края


)        Сверлить отверстие К диаметром 6.8 мм


)        Нарезать резьбу в отверстии К М8-7Н


)        Снять заготовку

Долбежная

)        Установить заготовку в патрон долбежного станка


)        Долбить шпоночное отверстие глубиной 7 мм шириной 16 мм


Термическая

Шлифовальная

)        Закрепить деталь заготовку в шлифовальном станке


)        Шлифовать поверхность Е до диаметра 50 шероховатостью 6,3


)        Переустановить заготовку в шлифовальном станке


)        Шлифовать поверхность З до диаметра 64-0,029 шероховатостью 0,63


Контрольная

Произвести контроль по всем параметрам, согласно рабочего чертежа.

Список использованных источников


1. Справочник технолога-машиностроителя: В 2 т. Т.1. - 4-е изд., перераб. и доп. / Под ред.А.Г. Косиловой и Р.К. Мещерякова. - М: Машиностроение, 1985. - 656с.

. Справочник технолога-машиностроителя: В 2т. Т.2 - 4-е изд., перераб. и доп. / Под ред.А.Г. Косиловой и Р.К. Мещерякова. - М.: Машиностроение, 1985. - 496 с.

3. Основы технологии производства и ремонт автомобилей. Методическое пособие. / Г.В. Голованов. - Братск: БрГТУ, 2005. - 72 с