Материал: Система управления электроприводами

Внимание! Если размещение файла нарушает Ваши авторские права, то обязательно сообщите нам

Система управления электроприводами















Курсовой проект

Системы управления электроприводов

Задание на курсовое проектирование

электропривод тиристор вентильный

Необходимо спроектировать систему подчиненного регулирования вентильного электропривода постоянного тока согласно техническому заданию, представленному в таблице 1.

Табл. 1 - Задание на курсовое проектирование

Вид САУ

Мощность двигателя

Вариант  пуска

Режимы работы

Статическая ошибка

ТП-Д

42 кВт

БО

Р, Т

10%


Примечания: ТП-Д - тиристорный преобразователь - двигатель; БО - пуск с блоком ограничения в цепи обратной связи регулятора скорости; Р - реверс, Т - торможение и останов.

Задание состоит в проектировании системы подчинённого регулирования вентильного электропривода постоянного тока. По заданной мощности выбрать тип двигателя с конкретными значениями параметров (напряжение, ток, скорость, момент инерции и др.), вентильный преобразователь, элементы главной цепи (автоматические выключатели, пускатели и др.)

Выбрать необходимые датчики контролируемых координат.

Выбрать устройства управления, защиты и сигнализации.

Произвести расчет параметров объекта управления как составной части САУ.

Выбрать структуру САУ, обеспечивающую минимально возможное время переходных процессов в заданных режимах.

Рассчитать параметры регуляторов: коэффициенты передачи, постоянные времени.

Выполнить расчет статических характеристик разомкнутой и замкнутой САУ.

Рассчитать и построить переходные процессы ω(t) и Iя(t) в заданных режимах.

Рассчитать параметры управляющего устройства электропривода.

Составить принципиальную схему и подробную спецификацию электрооборудования.

Дать описание работы схемы, рекомендации по возможному ее применению.

Введение

Системы управления электроприводами обеспечивают требуемые характеристики электропривода. Они состоят из аналоговых или цифровых регуляторов, изменяющих с необходимой точностью по заданному закону основную координату электропривода и ограничивающих допустимые значения промежуточных координат; логических систем, служащих для управления режимами электропривода, сигнализации и защиты.

В зависимости от выполняемых функций основного регулятора электроприводы делятся на электроприводы:

с регуляторами скорости двигателя;

с регуляторами ЭДС или напряжения электродвигателя;

с регуляторами положения исполнительного органа или вала двигателя;

с регуляторами взаимного положения двух или нескольких исполнительных органов, приводимых отдельными электродвигателями;

- с регуляторами тока;

- с регуляторами мощности (как правило, для размоточно-намоточных механизмов).

В зависимости от использованной элементной базы системы управления выполняются аналоговыми, цифровыми и цифро-аналоговыми.

Для получения высокой точности отработки задания используются цифро-аналоговые системы. На базе цифровой техники в этом случае выполняется регулятор основной координаты, а также, возможно, нескольких промежуточных. Часто цифровые системы реализуются на основе микропроцессоров.

1. Выбор звеньев САУ


.1 Выбор двигателя

По справочнику [1, стр. 384, табл. 10.11, стр. 393, табл. 10.15] выбираем двигатель типа 2ПФ200LУХЛ4. Параметры двигателя приведены в таблице 2.

Табл. 2 - Параметры двигателя

Параметр

Значение

Номинальная мощность

Pн=42 кВт

Номинальное напряжение

Uн=440 В

Частота вращения номинальная

nн=2360 об/мин

Частота вращения максимальная

nмакс=3500 об/мин

КПД

η=90,5 %

Сопротивление якоря при температуре 15 °С

Rя=0,055 Ом

Сопротивление добавочных полюсов при температуре 15 °С

Rдп=0,037 Ом

Число пар полюсов

p=2

Момент инерции якоря двигателя

Jя=0,03 кг*м2


Ток двигателя расчитаем по формуле, А:

. (1.1)

1.2 Выбор комплектного тиристорного электропривода и тиристоров

По справочнику [2, стр. 6-7, табл. 1.1, стр. 10] выбираем комплектный тиристорный электропривод КТЭ 200/440-132. Данный комплектный тиристорный электропривод однодвигательный реверсивный с возможностью изменения полярности напряжения на якоре.

Параметры КТЭ 200/440-132:

Мощность до 1000 кВт;

Номинальный ток I=200 А;

Номинальное напряжение преобразователя U=440 В.

По справочнику [8, стр. 387-392] выбираем тиристоры типа Т 161 - 125. Параметры тиристоров:

падение напряжения UVS=1,15 В.

.3 Выбор силового трансформатора

По справочнику [2, стр. 262, табл. 8.3; стр. 263-265, стр. 271, табл. 8.5] выбираем трансформатор типа ТСЗП 125/0,7 УХЛ4 данный трансформатор - сухой.

Параметры трансформатора:

номинальная мощность Sн=117 кВА;

напряжеие первичной обмотки U1н=380 В;

напряжеие вторичной обмотки U2н=410 В;

номинальный ток фазы со стороны вторичного напряжения I2=165А;

напряжеие короткого замыкания Uкз = 5,8 %;

ток холостого хода Iхх = 4%.

.4 Выбор тахогенератора

Тахогенератор выбираем из [2, стр. 180]. Тип - ТП 130 постоянного тока. Параметры:

номинальное выходное напряжение Uтг=200 В;

номинальная скорость nтг=4000 об/мин.

1.5 Выбор измерительного шунта

Выбираем шунт измерительный ШС-75 [4].

Параметры шунта:

падение напряжения Uш=75 мВ;

номинальный ток шунта Iш=200 А;

Номинальное сопротивление шунта Rш=375 мкОм.

2. Расчёт статических параметров


Определим угловую скорость вращения якоря двигателя, рад/с:

,(2.1)

Определим сопротивление якорной цепи двигателя, приведённое к рабочей температуре 750С, Ом, при коэффициенте, учитывающем изменение сопротивления обмоток при нагреве на 600С β = 1,24:

. (2.2) [3, стр. 32]

Определим коэффициент ЭДС двигателя, В*с:

. (2.3) [3, стр. 32]

Передаточный коэффициент двигателя:

. (2.4) [3, стр. 32]

Определим индуктивность якоря двигателя, Гн:

,(2.5) [3 стр. 32]

где

С=1…1,75 - коэффициент, характеризующий эл. машину;

p = 2 - число пар полюсов.

.

Максимальная ЭДС преобразователя, В:

, (2.6)

где kсх=1,35 - коэффициент схемы соединения тиристоров (трёхфазная мостовая);

Uл2= 405 В - линейное напряжение на выходе трансформатора.

Определим сопротивление двух фаз трансформатора, Ом:

, (2.7) [3, стр. 32]

где m = 6 - пульсность схемы;

Idн = 200 - номинальный ток преобразователя.

Индуктивность двух фаз трансформатора, Гн:

, (2.8) [3, стр. 9]

где fс = 50 -частота питающей сети, Гц.

Определим динамическое сопротивление тиристора в открытом состорянии, Ом:

, (2.9) [3, стр. 32]

где IVS = 125 - номинальный средний ток, протекающий через тиристор, А.

Определим индуктивное сопротивление двух фаз трансформатора, Ом:

. (2.10) [3, стр. 33]

Коммутационное сопротивление преобразователя, Ом:

. (2.11) [3, стр. 33]

Найдём эквивалентное сопротивлекние цепи якоря, Ом:

(2.12) [3, стр. 33]

Определим диапазон регулирования скорости двигателя вниз от номинальной. Для этого определим напряжение, соответствующее эл. механической характеристике, проходящей через точку с координатами 2IН и w = 0 и параллельной характеристике, соответствующей номинальным параметрам.

. (2.13)

Определим скорость, соответствующую номинальному току и данной характеристике, рад/с:

. (2.14)

Данная скорость в об/мин:

. (2.15)

Предельный угол регулирования, град:

. (2.16)

Определим величину граничного тока, разделяющего зоны прерывистого и непрерывного тока, А:

. (2.17) [3, стр. 33]

Определим величину индуктивности якорной цепи, необходимую для обеспечения режима непрерывного тока, Гн:

. (2,18) [3, стр. 33]

Определим индуктивность сглаживающего дросселя, Гн:

.(2,19) [3,стр. 34]

Выбираем реактор типа ФРОС-250/0,5УЗ из справочника [2, стр. 300]. Параметры:

номинальная индуктивность Lн=6,5 мГн.

Определим постоянную времени якорной цепи, с:

. (2.20) [3, стр. 34]

Определим механическую постоянную времени, с:

. (2.21) [3, стр. 34]

Расчитаем коэффициенты обратных связей по току и скорости.

Обратная связь по току содержит шунт с коэффициентом передачи шунта Kш=0,000375 Ом [3, стр. 34] и стандартную ячейку датчика тока с коэффициентом:

. (2.22) [3,стр. 34]

Общий передаточный коэффициент канала обратной связи по току составит, В/А:

. (2.23) [3, стр. 34]

В канале обратной связи по скорости использован тахогенератор, передаточный коэффициент которого, В*с:

. (2.24) [3,стр. 34]

Обратная связь по скорости должна обеспечивать напряжение обратной связи по скорости 10 В при максимально возможной скорости двигателя, исходя из этих условий определим передаточный коэффициент датчика скорости, В*с:

. (2.25) [3, стр. 34]

После тахогенератора устанавливаем делитель напряжения с передаточным коэффициентом:

. (2.26) [3, стр. 35]

Определим коэффициент передачи преобразователя:

. (2.27) [3, стр. 34]

Тиристорный преобразователь опишем передаточной функцией:

. (2.28) [3, стр. 8]

Постоянная времени преобразователя Tп=0,01 с [3, стр. 8].

3. Оптимизация контура тока


Так как  и

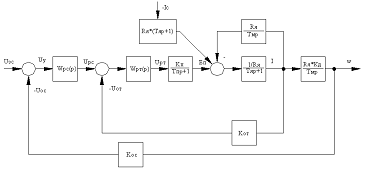
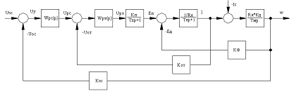
пренебрегать внутренней обратной связью по ЭДС двигателя нельзя, тогда по [5, стр. 128-130] структурную схему (рис. 1) приведём к виду (рис. 2).

Рис. 1 - Структурная схема электропривода с внутренней обратной связью по ЭДС

Рис. 2 - Преобразованная структурная схема электропривода с внутренней обратной связью по ЭДС

Исходя из этой схемы и по [5, стр. 128-130], регулятор тока будет выглядеть следующим образом:

, (3.1)

где

. (3.1) [5, стр. 128-130]

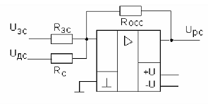
Данный регулятор тока можно реализовать в виде следующей схемы на рис. 3.

Рис. 3 - Реализация регулятора тока с помощью операционных усилителей и R-C- элементах

Передаточную функцию регулятора можно разложить на П, И, ПИД составляющие [6, стр. 141-142].

Расчитаем параметры П составляющей. Коэффициент усиления здесь равен:

. (3.2)

При R1=Rс=100 Ом:

. (3.3)

Расчитаем параметры И составляющей, если постояная времени интегрирования Ти=Тп=0,01 с.

При R2=1000 Ом

. (3.4)

ПИД-регулятор можно представить в виде параллельного соединения П, И, Д звеньев.

. (3.5)

Расчитаем параметры П звена.

Так как коэффициент усиления равен 1, то R3= Rос2=1 Ом.

Расчитаем параметры И звена. Постояная времени интегрирования Ти=Тм=0,021621169 с. При R4=10000 Ом

.(3.5)

Расчитаем параметры Д звена. Постояная времени дифференцирования Тд=Тя=0,03847с. При Rос3=10000 Ом

.(3.5)

Передаточная функция замкнутого оптимизированного контура тока:

. (3.6) [3, стр. 35]

4. Оптимизация контура скорости


Расчитаем статическую ошибку по скорости для зщамкнутой системы с П-регулятором скорости, рад/с:

.(4.1) [3, стр. 36]

В относительных единицах, %:

. (4.2) [3, стр. 36]

Так как по заданию δ=10% и , то используем П-регулятор скорости оптимизированный по модульному оптимуму.

Передаточная функция П-регулятора:

. (4.3) [5, стр. 131]

П-регулятор реализуем на операционном усилителе и R-C-элементах.

Рис. 4 - Реализация регулятора скорости с помощью операционного усилителя и R-C- элементов

Расчитаем параметры П-регулятора. При Rзс=Rc2=10000 Ом

. (4.4) [3, стр. 36]

Тогда передаточная функция замкнутого оптимизированного контура скорости:

(4.5) [3, стр. 36]

5. Статические характеристики системы


Статизм на естественной характеристике эл.двигателя, рад/с:

. (5.1) [3, стр. 36]

Статизм на характеристике разомкнутой системы, рад/с:


Статизм на характеристикезамкнутой системы, рад/с:

.(5.3) [3, стр. 37]

Скорость идеального холостого хода, рад/с:

. (5.3)

На рисунке 5 представлены эл.механические характеристики.

Рис. 5 - Статические эл. механические характеристики

6. Динамические характеристики замкнутой системы


В соответствии с заданием на выход регулятора скорости включаем блок ограничения выходного напряжения регулятора скорости при пуске.

Расчитаем для заданного значения пускового тока Iп величину напряжения ограничения Uогр, В.

Пусковой ток, А:

. (6.1) [3, стр. 38]

Напряжение ограничения, В:

. (6.2) [3, стр. 38]

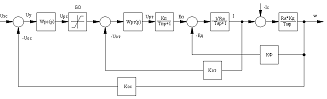
Структурная схема электропривода.

Рис. 6 - Структурная схема эл. привода

Рис. 7 - Структурная схема эл. привода, собранная в MATLAB

Исследовались режимы пуска в холостую, реверса и торможения.

Рис. 8 - График скорости

Рис. 9 - График тока

Вывод


В данном курсовом проекте была спроектирована система управления электроприводом на основе регуляторов тока и скорости. Полученные статические эл. механические и динамические характеристики удовлетворяют заданию. Для ограничения пускового тока после регулятора скорости включён блок ограничения выходного напряжения регулятора скорости. Данная система устойчива, имеет малое значение перерегулирования.

Список литературы

1.   Справочник по электрическим машинам: В 2 т. / Под ред. И.П. Копылова и Б.К. Клокова. Т.1. - М.: Энергоатомиздат, 1988.

2.      Комплектные тиристорные электроприводы: Справочник/ И.Х. Евзоров, А.С. Горобец, Б.И. Мошкович и др.; Под ред. Перельмутера. - М.: Энергоатомиздат, 1988. - 319 с.: ил.

.        Расчет системы подчиненного регулирования электроприводом постоянного тока: Учеб. пособие. / А.К. Мурышкин, С.А. Дружилов, Т.В. Богдановская - СибГИУ, Новокузнецк, 2007. - 55 с.

.        Шунты измерительные стационарные взаимозаменяемые 75 ШСМ.М, 2010 г.

.        Терехов В.М. / Системы управления электроприводов./В.М. Терехов, О.И. Осипов. - М.: "Академия", 2006 г. - 304 с.

.        Зимин Е.Н./Автоматическое управление электроприводами. - М.: Высш. школа, 1979 г. - 318с.

7.      Замятин В.Я. Мощные полупроводниковые приборы. Тиристоры: Справочник / В.Я. Замятин, Б.В. Кондратьев, В.М. Петухов. -М.: Радио и связь, 1988.