Материал: Система оценка производительности ШГНУ по динамограмме и управления ею

Внимание! Если размещение файла нарушает Ваши авторские права, то обязательно сообщите нам

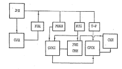
станции управления контролируемых пунктов (СУ КП).

На рисунке 1.2.2 показано размещение элементов СТК РНК-ЛЭП на объектах нефтепромысла и их взаимодействие с объектами управления.

Рисунок 1.2.1 Схема СТК РНК-ЛЭП

ДП - диспетчерский пункт, СУЦ - станция управления центральная, УПЦ, УПКП - устройства присоединения, КТП, Т-Р - комплектная трансформаторная подстанция, трансформатор, СУКП - станция управления контролируемого пункта, СУ СК - станция управления и защиты СКН при работе без РЭП СКН.

Конструктивно станции управления СТК РНК-ЛЭП представляют собой шкафы, в которых размещены кассеты с блоками. Диспетчерский пункт СТК РНК-ЛЭП оборудован ИЗМ-совместимым компьютером. Станции управления контролируемых пунктов устанавливаются на объектах телеуправления. СУ КП, имеющие проводные линии связи с диспетчерским пунктом НГДУ (СУ РП, КНС и др.), подключаются к ДП непосредственно, удаленные СУ КП подключаются к ЛЭП с помощью конденсаторного устройства присоединения и используют их в качестве физических линий связи с распределительной подстанцией 6(10) кВ (РП) и затем через СУЦ связываются с ДП. Принципиально возможно использование радиоканала для организации связи ДП-СУ КП.

Станции управления центральные на РП 35/6(10) кВ обеспечивают ретрансляцию команд и запросов диспетчерского пункта и ввод сигнала в ЛЭП через устройство присоединения к сборным шинам 6(10) кВ, а также прием и ретрансляцию данных от контролируемых пунктов, подключенных к ЛЭП. Связь ДП-СУЦ - проводная, по выделенной паре или с частотным уплотнением телефонной линии диспетчерской связи с подстанцией 35/6(10) кВ.

Технические возможности станций управления СТК РНК-ЛЭП позволяют осуществлять телесигнализацию и телеуправление (ТС и ТУ):

станками-качалками (СКН);

групповыми замерными установками (ГЗУ);

кустовыми насосными станциями (КНС);

распределительными подстанциями напряжением 110-35/6(10) кВ, РП),- другими объектами нефтедобычи и первичной переработки нефти. Примером функций ТС и ТУ могут служить следующие: включение, выключение и регулирование скорости качаний головки балансира станка-качалки, контроль потребляемой мощности, формирование ваттметрограммы двигателя, динамограммы станка-качалки, контроль количества откачиваемой жидкости, превышения давления в выкидном трубопроводе, несанкционированного доступа в СУ.

Станции управления КП позволяют оперативному персоналу связаться по телефонному каналу с диспетчером НГДУ. Программные средства СТК РНК-ЛЭП позволяют вести архивы накопленных (контролируемых параметров, ваттметрграмм, динамограмм и др.), составлять отчеты.

.2.3 Устройство для диагностирования состояния скважинного глубиннонасосного оборудования (патент)

Устройство используется в области нефтедобычи. Предназначено для автоматического сбора, анализа и хранения информации о работе скважин, оборудованных штанговыми глубиннонасосными установками (ШГНУ), а также электроцентробежными насосами (ЭЦН).

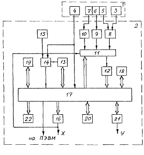
Схема устройства для диагностирования состояния скважинного глубиннонасосного оборудования представлена на рисунке 1.2.3

Рисунок 1.2. 3 Схема устройства для диагностирования состояния скважинного глубиннонасосного оборудования

Для проведения диагностирования технического состояния штанговой глубиннонасосной установки все датчики устанавливают в соответствующем месте на дневной поверхности скважины, выходы датчиков подключают к входу вторичного прибора, на соответствующие тракты измерения блока регистрации 2.

Режим работы устройства выбирают с помощью клавиатуры 18. Запись информации о техническом состоянии ШГНУ производят в течение одного или кратного количества циклов работы установки. Рабочий цикл определяют по интервалу времени между двумя "мертвыми" точками положения балансира ШГНУ.

При снятии динамограммы, характеризующей работу насоса, в блоке регистрации 2 в оперативно-запоминающем устройстве 20 задается область, в которую будет заноситься информация о работе насоса, а также заносятся данные: N куста, N скважины, длина хода и период хода полированного штока. Затем запускают отсчет времени в блоке временной задержки 13, после чего запускают станок-качалку на несколько периодов, полированный шток при этом совершает возвратно-поступательное движение, как следствие - датчики усилия 3 и хода 4 полированного штока начинают формировать сигналы. По истечении времени задержки, после того, как ШГНУ вошла в установившийся режим работы, автоматически или с дистанционного пульта оператора запускается режим измерения, и сигнал с датчика усилий 3 поступает на усилитель 8 и далее через мультиплексор 11, который осуществляет коммутацию имеющихся аналоговых сигналов, - на вход аналого-цифрового преобразователя 12, а с него - на порт микропроцессорного контроллера 17. В это же время сигнал с датчика положения 4 также поступает на вход микропроцессорного контроллера 17 и на вход блока запуска измерений 14. При этом датчик положения 4 установлен на полированном штоке станка-качалки таким образом, чтобы синхронизирующий сигнал запуска измерения микропроцессорного контроллера 17 вырабатывался в блоке запуска измерений 14 только тогда, когда канатная подвеска находится в крайнем нижнем положении. По этому сигналу контроллер 17 начинает измерять время одного качания и усилие между траверсами подвески штанг. Обработка постоянно поступающей в цикле измерения информации о времени и усилии осуществляется в контроллере 17 в соответствии с заданной программой, поступающей из программного блока управления 19. После прихода с датчика положения второго синхронизирующего сигнала по цепи датчик положения 4 - блок запуска измерений 14 - контроллер 17 - генератор 16 синусоидальных колебаний информация автоматически выводится на графический индикатор 22, заносятся в память оперативно-запоминающего устройства 20 все необходимые уровни нагрузок и единичная динамограмма. При этом развертка динамограммы по оси X осуществляется по сигналу с генератора синусоидальных колебаний 16, период колебаний которого соответствует периоду одного качания. На экране графического индикатора 22 отображается одиночная динамограмма (фиг. 2), по которой определяют вес штанг Pшт, вес штанг плюс жидкости Pш+ж, минимальный (Pmin) и максимальный (Pmax) вес штанг, а также длину хода. Значения нагрузок в цифровом виде заносятся в протокол промысловых испытаний с фактическими нагрузками за период одного цикла. По полученной одиночной динамограмме в соответствии с программой, заданной программным блоком управления 19, автоматически прямо на скважине рассчитываются величина среднего дебита, утечки в клапанах насоса, производительность насоса.

.2.4 Системы контроля за состоянием глубинно-насосного оборудования " СИДДОС"

Программно-аппаратный комплекс "СИДДОС", разработанный Томским НПО "СИАМ", предназначен для контроля и измерения рабочих характеристик штанговых глубинных насосов: силовых нагрузок в различных положениях полированного штока, длины хода, числа качаний, наличия утечек в глубинном оборудовании, динамограммы работы насоса. Данные измерений записываются в энергонезависимую память электронного блока и далее могут быть:

выведены на термопечатающее устройство в виде динамограммы и цифрового отчета;

переданы в компьютерную базу данных по проведенным исследованиям.

Телединамометрическая система контроля, разработанная Московским нефтяным институтом, представляет собой датчики усилия и перемещения, стационарно устанавливаемые на балансире СКН. Система фиксирует деформацию балансира в процессе работы СКН, пропорциональную возникающим в глубинном оборудовании нагрузкам. Информация о состоянии глубинного оборудования регистрируется в процессе обхода скважин путем подключения вторичного электронного прибора к штепсельному разъему стационарного датчика с последующей передачей в компьютер и созданием необходимой базы данных. При наличии кабельной или радиосвязи система предусматривает возможность дистанционного контроля за состоянием глубинного оборудования централизованно, с пульта диспетчера.

1.2    Постановка задач


Цель работы - спроектировать систему оценка производительности ШГНУ по динамограмме и управления ею, что подразумевает под собой разработку информационно-измерительной системы оценки производительности динамометрирования скважин, оборудованных ШГНУ. Что подразумевает под собой решение следующих задач:

- характеристика станков качалок

·        размерный ряд станков-качалок по гост

·        динамометрирование и результаты исследований

·        требования к измерениям количества сырой нефти по гост

известные методы оценки производительности

·        теоретическая производительность шгну

·        оценка дебита по ваттметрограмме

·        оценка дебита по динамограмме

·        методики оценки дебита по динамограмме

прикладные вопросы связанные с решением задач

·        расчеты структуры и параметров моделей

·        выбор алгоритмов и методов

·        методы обработки и представления информации

реализация результатов

·        развернутый пример решения задач

·        описание интерфейса по

·        выбор параметров для оценки с помощью наблюдателей

·        описание применение наблюдателей

оценка эффекта от использования результатов

·        оценка прогрессивности опытно-конструкторской разработки

·        планирование разработки

·        определение затрат, себестоимости и цены окр

·        определение и оценка показателей экономической эффективности окр

Научная новизна. Для повышения качество оценки производительности ШГНУ по динамограмме был разработан алгормитм. Научная новизна заключается в доработке одного из существующих методов оценки. Оценка осуществляется с использованием наблюдателей Люенбергера - динамических наблюдающих устройств (ДНУ). Наблюдатели позволят оценивать параметры динамограммы более точно на основе их оценки по математическим моделям. Была разработана математическая модель оценки параметров с помощью наблюдателей Люенбергера.

Первоначально основной сферой использования ДНУ были динамические системы, в состав которых входят формирователи сигналов управления, использующих информацию в виде прямых и обратных связей по состоянию объекта или источника конечномерного экзогенного воздействия. В настоящее время сфера использования ДНУ заметно расширилась за счет нового поколения измерительных комплексов, которые решают задачу формирования результата измерения в алгоритмической среде ДНУ.

В общесистемной постановке наибольшее количество информации о ходе управляемых процессов (динамических объектов) содержится в векторе состояния, который характеризуется наибольшей по сравнению с другими переменными процесса размерностью. Но состояние есть скрытая (внутренняя) переменная, несущая полную информацию о системном «секрете» процесса, она не должна быть доступна непосредственному измерению в полном объеме.

Методы исследования. Поставленные в работе задачи решены с использованием классической теории электрических цепей, теории погрешностей и помехоустойчивости, методов статистической обработки результатов измерений, методов решения уравнений математической физики, технологии высокоуровневого программирования. Проверка эффективности решения поставленных задач осуществлялась на реальных промысловых данных. На защиту выносятся: алгоритм оценки производительности динамограммы ШГНУ на основе применения наблюдателей Люенбергера для оценки неизвестных параметров.

1.3 Пути решения поставленных задач


Эффективность добычи нефти способом ШГНУ в основном зависит от правильного подбора оборудования, установления оптимальных режимов откачки жидкости и степени автоматизации скважины. Контроль откачки можно проводить несколькими методами, но наиболее распространены наиболее информативны два метода: динамометрирование и ваттметрографирование.

.3.1 Ваттметрографический метод

В основе метода лежит анализ ваттметрограмм, записанных в процессе контроля за работой глубиннонасосных скважин при помощи ваттметрографов. Ваттметрограмма представляет собой зависимость потребляемой мощности ШГНУ в зависимости от положения штанги. В отличие от динамометрирования, получение ваттметрограммы не связано с применением специальных датчиков, для этого достаточен только контроль тока и напряжения.

Предположение о возможности применения ваттметрограмм для контроля за работой станков-качалок были впервые высказаны еще в 1948г. профессором Куликовским Л.Ф., но не были разработаны методики расшифровки ваттметрограмм. В настоящее время, в связи с повышенными требованиями к качеству и надежности контроля за работой станков-качалок при минимальных затратах по обслуживанию, ваттметрографический метод заслуживает внимание и дальнейшего развития. С помощью этого метода можно определить:

состояние работы насоса;

степень неуравновешенности станка-качалки;

наличие отрицательных усилий, ведущих к преждевременному выходу из строя редуктора;

степень износа и состояние отдельных узлов станка-качалки;

состояние ремней передачи;

степень загруженности электродвигателя.

В настоящее время существует множество технических средств контроля и управления работой технологического объекта нефтедобычи, отличающихся оригинальными техническими и конструктивными решениями и выполненными на высоком техническом уровне, но все эти системы ваттмет-рографии имеют высокую стоимость и, как правило, являются самодостаточными, т.е. данные системы трудно состыковать с уже имеющимся парком станций управления и невозможно постепенное наращивание системы.

Для создания недорогой системы ваттметрографирования необходим блок снятия ваттметрограмм со следующими параметрами:

малая стоимость;

малые габариты (блок должен устанавливаться во все типы существующих станций управления);

простота установки;

возможность подключения к существующим системам контроля.

Ваттметрграмма представляет собой зависимость потребляемой ГШН мощности в зависимости от положения лгтанги. В отличие от динамометрирования, получение ваттметрграммы не связано с применением специальных датчиков, для этого достаточен только контроль тока и напряжения.

Предположение о возможности применения ваттметрграмм для контроля за работой станков-качалок были впервые высказаны еще в 1948г. профессором Куликовским Л.Ф., но не были разработаны методики расшифровки ваттметрграмм. В настоящее время, в связи с повышенными требованиями к качеству и надежности контроля за работой станков-качалок при минимальных затратах по обслуживанию, ваттметрографический метод заслуживает внимание и дальнейшего развития. С помощью этого метода можно определить:

. Состояние работы насоса.

. Степень неуравновешенности станка-качалки.

. Наличие отрицательных усилий, ведущих к преждевременному выходу из строя редуктора.

.3.2 Метод динамограм

Динамографирование скважин - это процесс получения зависимости изменения нагрузки в точке подвеса штанг от перемещения этой точки в виде замкнутых кривых, называемых динамограммами.

Динамографирование осуществляется с помощью различных типов динамографов, подразделяющихся по принципу действия преобразующего устройства на гидравлические, механические и электрические. Последние могут быть как ручными, так и автоматическими.

Изменение нагрузки на полированном штоке за время одного полного хода станка-качалки является результатом сложного взаимодействия большого числа различных факторов. Чтобы правильно читать практические динамограммы, необходимо изучить законы их образования при различных условиях работы глубинного насоса.

К наиболее простым случаям относятся следующие:

глубинный насос исправен и герметичен;

погружение насоса под динамический уровень равно нулю;