Материал: Система дистанционного пуска бензинового двигателя легкового автомобиля

Внимание! Если размещение файла нарушает Ваши авторские права, то обязательно сообщите нам

Еще одна особенность современных систем, это работа, как с бензиновыми двигателями, так и с дизельными. Для "дизелей" предусмотрена дополнительная задержка перед включением стартера, необходимая для предпускового прогрева свечей зажигания. Задержки перед включением стартера позволяют всем задействованным системам двигателя подготовиться к пуску. Это обеспечивает стабильный запуск, особенно в холодное время года, а также защищает узлы двигателя от преждевременного износа.

Почти все сигнализации с автозапуском предусматривают дополнительное количество способов автозапуска. Автоматический запуск двигателя может производиться через заданные интервалы времени, при падении напряжения в аккумуляторе или снижении температуры двигателя ниже заданного уровня, а также один или два раза в день в установленное время.

Если в автомобиле активирован штатный иммобилайзер, то на время работы двигателя в режиме автозапуска система может отключать штатную блокировку с помощью специального модуля (модуль обхода штатного иммобилайзера). По истечении заданного времени, отведенного на прогрев, система выключает двигатель и аксессуары, а затем восстанавливает работу штатного иммобилайзера.

Очень важный момент при установке системы с автозапуском, согласование со Страховой компанией (далее, страховые компании) при случае, если автомобиль застрахован по риску «Угон» и оборудован штатным иммобилайзером.

У автомобилей, оборудованных штатным иммобилайзером, для организации автозапуска чип одного из ключей придется «хоронить» в недрах автомобиля. По этой причине желательно заказать дополнительный чип у Дилерского Центра и прописать его в автомобиль. Так как, практически все страховые компании требуют предоставления полного комплекта ключей при наступлении страхового случая. Все эти моменты необходимо согласовать со страховыми компаниями, желательно письменно.

Следует отметить, что хотя эти устройства исправно запускают двигатель и надежно контролируют его работу, все они, как правило, большинство из них имеют серьезный недостаток - преобладание сервиса над охранными функциями.

По степени защищённости и противоугонным свойствам сигнализации с автозапуском существенно различаются, и главное различие состоит в принципе блокировки двигателя автомобиля.

Система дистанционного управления замками дверей и запуска двигателя позволяет запирать и отпирать двери (включая дверь багажника), а также запускать двигатель, имея при себе электронный ключ.

Также электронный ключ может использоваться как пульт дистанционного управления для системы дистанционного управления замками дверей. «Система дистанционного управления замками дверей и запуска двигателя: Система дистанционного управления замками дверей».

Электронный ключ должен всегда находиться у водителя. Он необходим для отпирания и запирания дверей (включая дверь багажника), пуска двигателя и выполнения других функций. Поэтому прежде чем покидать автомобиль и запирать двери, убедитесь, что ключ находится при вас.

Рисунок 1.1 - Иконки с буквенным обозначением - индикация команд, режимов и функций сигнализации

Режим автозапуска по будильнику (вкл/выкл)

Режим автозапуска по таймеру (вкл/выкл.)

Режима автозапуска по температуре (вкл/выкл.)

Режим сервисного обслуживания VALET (вкл/выкл.)

Автоматическое включение режима охраны (вкл/выкл.)

Режим иммобилизатора (вкл/выкл.)

Блокировка кнопок брелка включена

Режим экстренного отключения ПИН - кодом включен

Режим ручной коробки передач включен


Иконки с цифровым обозначением - индикация состояния сигнализации и автомобиля

Включен режим охраны со звуковыми сигналами тревоги

Включен режим бесшумной охраны

Замки дверей закрыты

Замки дверей открыты

Зажигание включено

Открыты двери

, капот

, багажник




Не затянут стояночный тормоз, Нажат ножной тормоз

Двигатель работает

Включен режим антиограбления

Требуется замена элемента питания брелка

Температура в салоне автомобиля / Температура двигателя

Подключен охранно-поисковый модуль StarLine Space

Включен будильник

Включен таймер обратного отсчета времени

PASS1 Обход 1-го уровня датчика удара


PASS2 Обход 1-го уровня дополнительного датчика

PASS1 Обход обоих уровней датчика удара


PASS2 Обход обоих уровней дополнительного датчика

SH-1 Сработал 1 -й уровень датчика удара


SH-2 Сработал 1 -й уровень дополнительного датчика

SH-1 Сработал 2-й уровень датчика удара


SH-2 Сработал 2-й уровень дополнительного датчика


1.2 Классификация систем дистанционного пуска двигателя автомобиля

Зима, мороз, а Вы садитесь в теплый автомобиль с отогретыми ото льда стеклами и, сразу трогаетесь в путь. И нужно для этого совсем немного - чтобы кто-то заранее завел двигатель и включил отопитель авто. Идея автоматического или дистанционного запуска двигателя возникла не вчера. Ведь, по идее, все достаточно просто: нужно лишь воспроизвести Ваши действия при запуске двигателя, проще говоря - повернуть ключ зажигания за Вас. В настоящее время существует множество авто сигнализаций с функцией автозапуска двигателя, но у большинства из них ограничен радиус действия, особенно в городской черте. И была создана схема для контроля и управления функциями автозапуска двигателя автомобиля с почти любого расстояния (ограничивается зоной GSM-приема).

К общим свойствам систем с автозапуском отнесем виды запуска, остановки двигателя и условия безопасного использования.

Виды запуска двигателя на удалении от водителя:

дистанционной текущей командой с брелка при нахождении системы в режиме охраны;

автоматически ежедневно в установленное время;

автоматически периодически через заданные интервалы времени;

автоматически при снижении температуры до установленного значения.

Виды остановки двигателя:

дистанционной текущей командой с брелка;

автоматически по истечении заданного времени прогрева;

автоматически при проникновении в автомобиль постороннего лица и срабатывании тревоги.

Условия безопасного использования:

запуск не будет осуществлен текущей командой при включенном зажигании;

запуск не производится при нарушении любого условия программной нейтрали;

процедура запуска будет прекращена или запущенный двигатель будет остановлен в случае нажатия педали тормоза, отключения стояночного тормоза, открытия капота или двери, превышения оборотов двигателя, а также после того, как были исчерпаны все попытки запуска.

Данная схема разрабатывалась для совместной работы с модулем автозапуска автомобиля “StarLine-03”, но возможно ее адаптировать к другим модулям автозапуска или авто сигнализациям с функцией автозапуска, Т.к. в большинстве авто сигнализации с функцией автозапуска, имеется дополнительный вход для управления ею, по GSM или по пейджинговому каналу.

сотовый телефон (имеющий опцию авто ответа при подключении hands free) с SIM-картой, разъем от hands free и зарядное устройство (устанавливаемые в автомобиле). Номер телефона (SIM карты) владелец в целях безопасности, хранит в тайне.

интерфейс, для декодирования DTMF сигнала, управления и контроля модулем автозапуска.

Также можно поставить и миниатюрный аккумулятор резервного питания, при отключении бортового аккумулятора автомобиля.

В первую очередь при построении схемы учитывалась, ее низкая себестоимость, повторяемость и возможность работы с любым сотовым телефоном (не вмешиваясь в конструкцию телефона).

При работе с системой владелец имеет прямой контроль, над функциями автозапуска автомобиля прослушивая тональные посылки от авто. Работа с данным интерфейсом проста. При наборе номера на телефон установленный в автомобиле, в динамике телефона слышится 2-3 гудка, зависит от модели телефона уставленного в автомобиле, затем происходит автоответ последнего (телефон установленный в авто должен иметь функцию автоответа при подключении hands free). Автоответ можно контролировать по таймеру разговора на дисплее телефона или по пропаданию гудков вызова. Затем нажимают кнопку №3 на телефоне (вызывающий телефон должен обеспечивать набор в стандарте DTMF). После этого в динамике слышатся короткие гудки. Это произойдет, если автомобиль был подготовлен к автозапуску. Если в динамике слышатся короткие гудки, это означает, что автомобиль, либо завелся или идет подготовка к последующим стартам двигателя (зависит опций автозапуска). Проверить это можно, продолжая, прослушивая гудки в течение некоторого времени, либо перезвонив позже и прослушав наличие гудков. На время работы двигателя в режиме автозапуска происходит автоматическое отключение датчика детонации (реле R2).

Принудительная досрочная остановка двигателя осуществляется еще одним звонком и прослушиванием ответа из динамика гудков. Наличие гудков - двигатель работает, отсутствие - двигатель остановлен. При наличии гудков также нажимают кнопку №3, и прослушивают звук из динамика. Если отсутствуют гудки, это означает, что двигатель остановлен.

Интерфейс имеет также противоугонную опцию (анти-грабер): принудительную блокировку двигателя, световую индикацию “моргающий” дальний свет и звуковую индикацию (прерывистый сигнал клаксона). Эта команда подается звонком на телефон, установленный в автомобиле, и нажатии на кнопку №7, одновременно владелец слышит в динамике телефона звук сирены. Сброс этой опции кнопкой №5.

Также в данном устройстве, имеется экстренная остановка двигателя работающего под контролем модуля автозапуска, при срабатывании заводских или установленных охранных систем (вход 6).

В этой системе используются три электронных датчика, которые установленные на двигателе автомобиля, которые измеряют различные показатели работы двигателя. Сигналы передаются на электронный модуль управления (ECU), который имеет встроенное устройство памяти.

Рисунок 1.2 - Компоненты автосигнализации с автозапуском

Словом «автосигнализация» принято обозначать специальное оборудование, которое звуковым или иным способом оповещает автовладельца или, окружающих машину, людей о том, что с ней происходят какие-либо неприятности. Сразу оговоримся, что следует различать между собой понятия противоугонных систем и противоугонных комплексов.

Среди противоугонных охранных систем различают: собственно автосигнализацию, иммобилайзер (электронная блокировка двигателя) и механические средства (устанавливаемые отдельно - замок на рулевой вал или КПП, замок капота и другие). Противоугонный комплекс - это подобранная комбинация из охранных систем, часто индивидуального технического наполнения.

Обычно сигнализация состоит из: основного блока, брелока, антенны приемо-передатчика, светодиодного индикатора, кнопки сервиса и датчика удара. Основной способ ценовой классификации самих автосигнализаций, представленных на рынке на сегодняшний день, базируется на технических особенностях связи автомобиля с устройством управления (брелоком). По этому принципу автомобильные сигнализации делятся на- имеющие одностороннюю связь и имеющие обратную (двустороннюю) связь.

Сигнализирующие охранные системы без обратной связи на сегодня являются самыми простыми и дешевыми. Их задача - не дать (случайному) вору завести автомобиль (за счет работы внутреннего электронного блока) и сообщить о несанкционированном проникновении в машину окружающим (без информирования владельца, если тот находится вне зоны видимости автомобиля и звуковой досягаемости сирены). К сожалению, таким способом легко можно отпугнуть только случайного взломщика или хулигана (что актуально для недорогих авто и автомобилей средней ценовой категории). Однако для профессионального автоугонщика проблема взломать такую сигнализацию особого труда не представляет. Поэтому можно говорить о том, что в настоящее время автосигнализации без обратной связи в плане реальной защиты автомобиля - это уже вчерашний день.

Автосигнализации с двусторонней (обратной) связью информируют владельца обо всем, что происходит с его машиной. Выполняется эта функция путем передачи на экран брелока данных о том, какому конкретно воздействию подвергся автомобиль, причем не обязательно этот момент будет сопровождаться звуковой сиреной. Современная двусторонняя связь может выполняться по трем алгоритмам: динамического и диалогового кодирования и путем передачи сигнала по мобильной связи (GSM-модуль). И тут начинается основная интрига, так как от способа кодировки напрямую зависят реальные противоугонные характеристики автосигнализации с обратной связью. Сегодня на рынке предлагаются самые различные модели автомобильных сигнализаций с обратной связью, разнообразие которых в основном базируется на комбинации прилагаемых тюнинговых функций, таких как запуск двигателя (автозапуск) в отсутствие водителя, управление электрическими стеклоподъемниками, регулировка настроек кондиционера, магнитолы, водительского сиденья и других. Итоговая цена такой автосигнализации зависит от уровня и количества встроенных опций. И зачастую информация о способе кодировки, используемой в обратной связи автосигнализации, не является ключевой для покупателя - а зря.

Поскольку наша задача - обзор возможностей современных автосигнализаций и их характеристик, вернемся к алгоритмам кодировки двусторонней связи. Динамическое кодирование основано на использовании запрограммированного алгоритма изменения кодов, по которым распознают друг друга блоки автосигнализации - находящиеся в автомобиле и в брелоке. Самым известным доступным и распространенным среди способов динамической шифровки является код KeeLoq (запатентован американской компанией Microchip Inc.). Код KeeLoq популярен среди производителей автосигнализаций благодаря своей недорогой лицензии (или возможностью пиратского использования), надежности, дешевым кодерам KeeLoq, из-за малых размеров отлично подходящих для конструирования брелока. Однако благодаря его распространенности этот код доступен всем, в том числе злоумышленникам, которые при помощи печально известных кодграбберов (устройство считывания и копирования кода) без серьезных усилий открывают автомобиль защищенный такой сигнализацией. Цена на автосигнализацию с обратной связью с динамическим кодированием без особых функциональных изысков и без учета установки колеблется в пределах 70-90 у.е.

Диалоговое кодирование опирается все на тот же код KeeLoq, но не применяет стандартных вариантов, а варьирует его самые сложные возможности с использованием статических и динамической части алгоритма. Такие автосигнализации появились на рынке недавно и пока еще представляют определенные трудности для профессиональных взломщиков авто, их базовая цена находится на уровне 200-250 у.е. Автосигнализаций с элементами диалогового кодирования обратной связи на рынке не так много, однако можно предположить, что именно за ними - ближайшее будущее. Недостаток и первых и вторых типов автомобильных сигнализаций с обратной связью - реализация этой связи происходит только по средствам их радиопередатчиков - что значительно ограничивает радиус действия двусторонней связи (порядка полукилометра в пределах “прямой видимости”). Но этого недостатка лишена следующая реализация обратной связи.

Автосигнализация с GSM-модулем позволяет владельцу практически всегда и везде (где имеется мобильная связь) «видеть» свой автомобиль благодаря постоянному общению с ним через сеть мобильной связи. Понятно, что это самый современный, сложный и дорогой принцип, реализуемый в защите машины путем сигнализации на сегодня, он еще не получил большого распространения. Его «минусы»: во-первых, дороговизна при покупке, установке и абонентском обслуживании, во-вторых, связь с автомобилем будет утеряна, как только машина попадет в зону «вне доступа» либо будет применено оборудование, глушащее сигнал. Такая Базовая автосигнализация со встроенным GSM-модулем обойдется покупателю в среднем в 400-700 у.е.

Среди автосигнализаций с односторонней связью из широко известных можно назвать Challenger, двусторонней с аналоговым кодированием в базовом варианте - Pharaon, Sheriff. Среди таких «модных» сегодня автосигнализаций с обратной связью премиум -класса, как Scher-Khan, Tomahawk, Pandora, StarLine только две последние можно отнести к разряду диалоговой кодировки, причем у StarLine функция автоматического контроля канала обратной связи полноценно работает только первые десять минут. Львиную долю их стоимости составляют увеличенная дальность каналов управления и оповещения, автозапуск двигателя и другие сервисные функции.

Рисунок 1.3 - Схема работы иммобилайзера

Немного о процессе подключения автосигнализации… для установки автосигнализации необходимо произвести вмешательство в электронные «мозги» автомобиля для подключения проводов к автоэлектропроводке и периферийным участкам сигнализационного оборудования (к сирене, светодиодному индикатору, концевым выключателям, всевозможным датчикам). Соответственно, чем больше всякого разного периферического оборудования владелец хочет установить на свой автомобиль вместе с сигнализацией, тем больше его машина будет «раскурочена». Возвращение деталей салона и кузова на свои места после монтажа всех звеньев системы не всегда проходит гладко, оставляя после себя царапины, вмятины - в общем, портя внешний вид. Поэтому установку автосигнализации (а тем более с дополнительными функциями) лучше поручить сертифицированным профессионалам. Стоит отметить, что подключение такой функции, как автоматический запуск двигателя (автозапуск) требует отключения иммобилайзера, что не может не отразиться на общей безопасности автомобиля (и даже порой влечет за собой повышение тарифа по КАСКО, а то и отказ в страховании).

Чтобы не переплатить за то, что в будущем вряд ли потребуется, при выборе охранной автомобильной сигнализации необходимо изучить и оценить ее функциональность. Если хозяин авто испытывает потребность только в функции отпугивания «шпаны», то вполне подойдет сигнализация без обратной связи. При определенных запросах к удобству можно остановить свой выбор на автосигнализации с динамической обратной связью (коих подавляющее большинство на рынке), при этом сфокусировав внимание на дополнительном функционале. Так, человеку рассеянному пригодится опция автоматического включения сигнализации, а в морозное время года любому водителю приятно сесть в заранее прогретый автомобиль (опция автозапуска двигателя в отсутствие хозяина). Как было сказано выше, автосигнализация может по совместительству управлять большим количеством функций салонного комфорта, но увеличение числа «наворотов» существенно поднимет цену оборудования.

Важно помнить, что установка автосигнализации не является панацеей от профессионального взлома. Хорошим дополнением охранных функций для автомобиля послужат иммобилайзер (в настоящее время он штатно устанавливается почти всеми производителями на новые авто), механические средства защиты и элементарная осторожность и аккуратность в выборе места для парковки.

Рисунок 1.4 - Временные диаграммы системы при дистанционном запуске двигателя

Применение данной системы автозапуска преследует несколько целей. Первая - получить более удобную и комфортную систему автозапуска с помощью мобильного телефона. Ведь нам будет удобней пользоваться телефоном, чем брелком от сигнализации.

Вторая цель - обезопасить нас от злоумышленников, хакеров которые различными методами пытаются угонять автомобили, взламывать систему наших автомобилей.

И третья - Запуск автомобиля с помощью иммобилайзера.

Система дистанционного пуска двигателя автомобиля имеет большие перспективы, поскольку нет предела совершенствованию автомобиля, то в отношении систем сигнализации с автозапуском прогнозы на будущее выглядят вполне оптимистично. Работы по упрощению конструкции и издержек на изготовление систем автозапуска ведутся.

По крайней мере, уже скоро будут автозапуски работать с помощью мобильных телефонов, уже есть на данный момент такие системы, но эти системы устанавливают в базовую комплектацию дорогих иномарок.

Потребительская привлекательность систем с двухсторонней связью обусловлена:

• в первую очередь, тем, что благодаря контролю состояния охраны на приличном расстоянии (700-1500 м) у водителя исчезла или существенно снизилась тревога за сохранность автомобиля;

• во-вторых, управление системой и контроль состояния охраны стали осуществляться с одного эргономического и изящного пульта с жидкокристаллическим дисплеем.

Прежде чем рассматривать функции систем с автозапуском, укажем на возможность работы некоторых автосигнализаций (без двухсторонней связи) в режиме охраны с работающим двигателем. Из названия режима следует, что водитель, вынув ключ из замка зажигания и закрыв двери, может оставить автомобиль под охраной с работающим двигателем на неограниченное время. Работающий же двигатель будет всегда теплым, а включенный отопитель салона в лютый мороз сохранит еще и тепло в салоне. При открывании двери (или капота, багажника) сигнализация выключит двигатель и запустит сигнал тревоги. Наличие установленных в автомобиле блокировок не позволит угонщику вновь запустить двигатель. Отметим, что в этом режиме входящий в состав системы датчик удара отключается. Недостаток системы - из-за расхода топлива режим не может быть длительным. Режим охраны с работающим двигателем имеют системы Alligator S-300, Bruin BR-930, Centurion Xanada, Fortress, KGB VS-4000/VS-5000, Mongoose Matrica, Partisan RX-1/RX-4, «Сталкер», StarLine Twage A6 и ряд других. Немаловажно, что наличие такого режима практически не увеличивает стоимость австосигнализаций.

У некоторых автосигнализаций, уже установленных на автомашины и не имеющих дистанционного запуска двигателя, его можно получить, подключив к автосигнализации дополнительный модуль запуска, например, такие, как модули StarLine 03, «Абсолют» АRS-201, SRS-101, Reef DZ-01. Удобством наращивания функции запуска является и то, что к используемой автосигнализации не предъявляется дополнительных требований, кроме того, чтобы для управления запуском она имела свободный сервисный канал. В конечном результате пользователь получает дистанционный запуск с экономией своих затрат.

2. Разработка структурной схемы, системы дистанционного пуска бензинового двигателя легкового автомобиля

По сравнению с другими сигнализациями система автозапуска имеет следующие преимущества:

она не имеют ограничений по дальности действия;

управление автомобилем при помощи мобильного телефона;

запускаются кнопкой специального брелока лишь на расстоянии прямой видимости;

таймер, позволяющий запустить двигатель автомобиля, например, за полчаса до вашего выезда на работу.

В данном разделе разработана структурная схема системы дистанционного пуска бензинового двигателя легкового автомобиля, которая представлена на рисунке 2.

Рассматривая структурную схему системы дистанционного пуска бензинового двигателя легкового автомобиля, имеет следующие элементы:

бортовая сеть;

аккумуляторная батарея;

брелок сигнализации;

приемник;

блок управления;

датчик температуры двигателя;

датчик положения нейтральной скорости;

отопитель салона;

стартер;

штатная противоугонная система;

датчик оборотов двигателя;

Электронный блок управления двигателя.

Силовой модуль; - габаритные огни.

Рисунок 2.1 - Структурная схема системы автозапуска

2.1 Разработка принципиальной схемы системы автозапуска

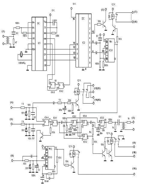
Рисунок 2.2 - Схема электрическая - принципиальная системы автозапуска

) Вход DTMF (выход от сотового телефона через провод hands free, головные телефоны.

) Выход на микрофон (вход на сотовый телефон через провод hands free, микрофон).

) Start/Stop модуля автозапуска, провод управления Start/Stop модулем автозапуска.

)12Volt замка зажигания.

)Бензонасос.

)К выходу авто сигнализации автомобиля - сирена/колокол.

,8) Блокировка двигателя или бензонасоса автомобиля.

) Реле дальнего света (под рулевой переключатель света автомобиля).

) Кнопка ножного тормоза автомобиля, провод сброса работы модуля автозапуска.

,13)Блокировка датчика удара авто сигнализации.

,15) Блокировка датчика удара авто сигнализации.

При поступлении тональной посылки “3” (нажатии на кнопку “3” на вызывающем телефоне), происходит декодирование сигнала, элементами IC1 и IC2. Далее с15 ножки IC2 и ключевой транзистор через вывод (3) интерфейса, подается команда на модуль автозапуска. Модуль автозапуска автомобиля, произведет старт авто. При поступлении напряжения 12 вольт, на (4) и (5) вывод интерфейса, через элементы IC4.4 и IC4.1, происходит разрешение на запуск генераторов на IC5.1, IC5.3, коммутатора IC5.4 и включения реле R2 блокировки датчика детонации авто. На (2) выводе интерфейса появляется короткие сигналы с частотой 800-1000 Гц. При тональной посылке нажатии на кнопку “7” происходит срабатывание IC3.1, реле R1 и элементов IC5.1, IC5.2. Произойдет блокировка двигателя, выхода (7) и (8), на выводе (2) интерфейса появятся двух тональные сигналы (имитация звука сирены), периодическое срабатывание реле R3 и появление соответствующих уровней на (9)и (10) выводах интерфейса. (9) вывод будет периодически замыкаться на массу что вызовет срабатывание клаксона, а на (10) выводе будет периодически появляться 12 вольт для срабатывания реле дальнего света фар автомобиля. Сброс происходит при тональной посылке “5”.

Когда автомобиль заведен дистанционно, но произошло срабатывание авто сигнализации, узел IC3.2 подает сигнал сброса модуля автозапуска. Если авто сигнализация с автозапуском, от узла IC3.2

3. Алгоритм работы, системы дистанционного пуска двигателя автомобиля

Рисунок 3.1 - Алгоритм работы системы автозапуска

Алгоритм работы устройства сохранился в прежнем виде, но появилась возможность изменять основные параметры работы.

В первом блоке система отображает на экране температуру двигателя генератора и текущий режим «Сеть». При пропадании внешней сети включается таймер задержки пуска генератора (значение от 0 до 250 мин, по умолчанию 0 мин (5 сек)). После таймера запускается генератор. Во время пуска система контролирует температуру двигателя и в зависимости от этого выбирает режим работы подсоса (воздушной заслонки).

Режим подсоса задается двумя температурами и временем включения: Т нижняя температура подсоса (значение от -30°С до 50°С, по умолчанию 15°С), Т верхняя температура подсоса (значение от 0 до 90°С, по умолчанию 40°С) и t время перед открытием подсоса (значение от 1 до 120 сек, по умолчанию 7 сек). Работа подсоса происходит по одному из трех алгоритмов:

Если Т двигателя меньше Т н. т. п., то подсос закрывается и после пуска система ждет, пока температура двигателя достигнет Т н. т. п., потом включается таймер открытия подсоса и по его завершении подсос открывается и подается сигнал готовности генератора.

Если Т двигателя больше Т н. т. п. но меньше Т в. т. п., то подсос закрывается и после пуска система включает таймер открытия подсоса и по его завершении подсос открывается и подается сигнал готовности генератора.

Если Т двигателя больше Т в. т. п., то подсос сразу открывается и после пуска система подает сигнал готовности генератора.

Вылет штока моторедуктора управления подсосом меняется от 0 до 41 мм (значения от 1 до 254, по умолчанию 127).

Во время пуска задается время включение стартера (значение от 1 до 20 сек, по умолчанию 3 сек), количество попыток пуска (значение от 1 до 9 раз, по умолчанию 3), время задержки между попытками пуска (значение от 1 до 120 сек, по умолчанию 10 сек).

После получения сигнала готовности от генератора включается задержка перед включением силовых реле (значение от 1 до 120 сек, по умолчанию 15сек).

С включением силовых реле система переходит в режим «Работа» (значение от 1 до 250 мин, по умолчанию 30 мин). Время режима «Работа» выводится на экран вместе с температурой двигателя и может контролироваться оператором.

По завершении времени режима «Работа» система переходит в режим «Пауза» (значение от 0 до 250 мин, по умолчанию 240 мин).Двигатель глушится. Время режима «Пауза» выводится на экран вместе с температурой двигателя и может контролироваться оператором. Если значение «Пауза» выбрано равным «0», то выход в этот режим не происходит и система работает постоянно в режиме «Работа» до появления внешней сети.

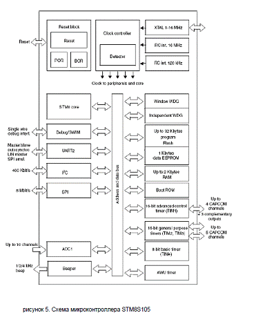
3.1 Описание микроконтроллера STM8S-DISCOVERY

S-DISCOVERY - ознакомительная плата (evaluation board) для быстрого освоения, которая поможет Вам изучить особенности микроконтроллера STM8S, разрабатывать и применять Ваши собственные приложения. Она создана на основе микроконтроллера STM8S105 и содержит встроенный отладчик ST-LINK и чувствительную к прикосновению кнопку (touch sensing).

Особенности

Микроконтроллер STM8S105C6T6 с 32 Кб Flash, 2 Кб RAM, 1 Кб EEPROM памяти

Питается от порта USB ПК по кабелю между ПК и STM8S105C6T6

Выбор напряжения питания 5. В или 3,3. В

Кнопка TS1, чувствительная к прикосновению

Светодиод LD1, управляемый приложением пользователя

Разъемы для всех портов Ввода/Вывода микроконтроллера

Монтажное поле для установки дополнительных компонентов пользователя

Встроенный ST-Link для семейства STM8S

USB интерфейс для программирования и отладки

Поддержка отладчика SWIM.

Плата STM8S-DISCOVERY разработана на основе микроконтроллера STM8S105C6T6 в корпусе LQFP48. Она состоит из двух отдельных частей, которые могут быть разделены на модуль контроллера STM8S105C6T6 и модуль программатора ST-LINK. На рисунке 2 показаны соединения микроконтроллера STM8S105C6T6 и периферийных устройств (STLINK, touch-sensing кнопка, светодиод и внешние разъемы). Рисунок 3 помогает найти эти элементы на плате STM8S-DISCOVERY, а также показывает потенциальную линию разделения (более детально это описано в п. 2.2.2. : Применение ST-LINK в других приложениях STM8S).

Рисунок 3.2 - Схема аппаратной части

Рисунок 3.3 - Расположение элементов - вид сверху

3.2 Преимущества микроконтроллераSTM8S105C6T6

Рисунок 3.4 - Корпус микроконтроллера STM8S105C6T6

Этот прибор обладает следующими преимуществами:

Сниженная стоимость системы

Интегрированная память текущих данных EEPROM, рассчитанная более чем на 300 000 циклов перезаписи

Высокий уровень интеграции системы: встроенные тактовые генераторы, сброс при снижении напряжении питания, сторожевой таймер.

Производительность и надежность

Тактовая частота процессора 16 МГц

до 38 портов ввода/вывода в 48-ми выводном корпусе с 16-ю выводами с высокой нагрузкой

защита входов/выходов против бросков тока

Независимые сторожевые таймеры с раздельными источниками тактовых импульсов

Гибкое управление тактовой частотой 4 главных генераторов (HSI, LSI, HSE и внешний HSE)

Система защиты тактирования

Продукт рассчитан на напряжение питания в диапазоне 2,95 … 5,5. В

Короткий цикл разработки

Масштабируемость приложений внутри общей архитектуры семейства с совместимым расположением выводов, таблицей распределения памяти и структурой периферии

Полная документация и широкий выбор средств разработки

Стандартная программная библиотека кодов встраиваемых программ и программ управления touch sensing для быстрого начала разработки

Доступно множество примечаний по приложениям и примеров программного кода

Долговечность продуктов

При создании ядра и периферии применяется самая современная технология

Режимы низкого потребления (wait, active-halt, halt)

Таймер автоматического wake-up для режима active halt

Низкое потребление при непрерывной активности

Другие особенности

Контроллер вложенных прерываний с 32 прерываниями

До 37 внешних прерываний в 6 векторах

2 16-ти разрядных таймера общего назначения с 2+3 каналами управления внешними устройствами с импульсным управлением, управлением с открытым коллектором, ШИМ управлением

Расширенный управляющий таймер: 16 бит, 4 канала управления, 3 выхода сравнения, ввод времени отсечки, гибкая система синхронизации

8-ми разрядный базовый таймер с 8-ми разрядным прескаляром

Интерфейсы: UART с тактируемым выходом для синхронных операций, IrDA, LIN Smartcard

Интерфейс I2C со скоростью до 400 Кбит/с

10-ти разрядный АЦП с числом мультиплексируемых каналов до 10 и +/- 1 младшим значащим битом

Рисунок 3.5

4. Блок-схема охранных устройств с автозапуском

Дополнительная электроника, встроенная в автомобильные сигнализации, может помочь, чтобы автомобиль зимой не превратился в бесчувственный снежный ком. Идея не нова, но популярности таких устройств это совершенно не мешает. Они с успехом прогревают двигатель и не дают ему замерзнуть. Для этого не нужна внешняя электроэнергия и какие-либо подогреватели, поскольку для нагрева двигателя используется сам двигатель и его топливо, которого должно быть в некотором избытке. При этом, периодически запуская двигатель, удается поддерживать его температуру таким образом, чтобы следующий его запуск был «легким» и безотказным.

Несмотря на хорошо известные и важные потребительские возможности автозапуска двигателя, этим устройствам часто потенциальный пользователь не уделяет того внимания, которого они заслуживают. В настоящее время устройства дистанционного и автоматического запуска претерпели коренные изменения, благодаря которым в них удачно сочетаются охранные функции и запуск двигателя. На российском рынке представлено достаточно много охранных устройств с автозапуском, что позволяет сделать подходящий выбор.

К наиболее существенным последним достижениям в автосигнализациях с автозапуском относится внедрение двухсторонней связи между охранной системой и пользователем. С ее использованием возросла наглядность представляемой информации о состоянии автомобиля и комфортность управления автозапуском и охранной системой. Это в целом, безусловно, новый продукт.

Рисунок 4.1 - Блок-схема охранных устройств с автозапуском

Главная новизна нового продукта не в наличии в нем режима автозапуска, а в увеличении дальности сообщений о срабатывании и состоянии сигнализации, малая величина которой в прежних моделях из-за роста угонов, отсутствия близких мест парковки совершенно перестала удовлетворять водителя. Увеличение возможностей по управлению охранной системой (в том числе и автозапуском), с нашей точки зрения, в системах с двухсторонней связью является скорее следствием открывшегося «горизонта возможностей», а отнюдь не первопричиной. Разработчикам грешно было не воспользоваться этими возможностями для дистанционного прогрева двигателя или для охлаждения салона автомобиля (если машина оборудована кондиционером).

Потребительская привлекательность систем с двухсторонней связью обусловлена:

• в первую очередь, тем что благодаря контролю состояния охраны на приличном расстоянии (700-1500 м) у водителя исчезла или существенно снизилась тревога за сохранность автомобиля;

• во-вторых, управление системой и контроль состояния охраны стали осуществляться с одного эргономического и изящного пульта с жидкокристаллическим дисплеем.

Прежде чем рассматривать функции систем с автозапуском, укажем на возможность работы некоторых автосигнализаций (без двухсторонней связи) в режиме охраны с работающим двигателем. Из названия режима следует, что водитель, вынув ключ из замка зажигания и закрыв двери, может оставить автомобиль под охраной с работающим двигателем на неограниченное время. Работающий же двигатель будет всегда теплым, а включенный отопитель салона в лютый мороз сохранит еще и тепло в салоне. При открывании двери (или капота, багажника) сигнализация выключит двигатель и запустит сигнал тревоги. Наличие установленных в автомобиле блокировок не позволит угонщику вновь запустить двигатель. Отметим, что в этом режиме входящий в состав системы датчик удара отключается. Недостаток системы - из-за расхода топлива режим не может быть длительным. Режим охраны с работающим двигателем имеют системы Alligator S-300, Bruin BR-930, Centurion Xanada, Fortress, KGB VS-4000/VS-5000, Mongoose Matrica, Partisan RX-1/RX-4, «Сталкер», StarLine Twage A6 и ряд других. Немаловажно, что наличие такого режима практически не увеличивает стоимость австосигнализаций.

У некоторых автосигнализаций, уже установленных на автомашины и не имеющих дистанционного запуска двигателя, его можно получить, подключив к автосигнализации дополнительный модуль запуска, например, такие, как модули StarLine 03, «Абсолют» АRS-201, SRS-101, Reef DZ-01. Удобством наращивания функции запуска является и то, что к используемой автосигнализации не предъявляется дополнительных требований, кроме того, чтобы для управления запуском она имела свободный сервисный канал. В конечном результате пользователь получает дистанционный запуск с экономией своих затрат.

Часто пользователь интересуется, ухудшается ли с применением дистанционного запуска уровень охраны автомобиля? Не проще ли находящийся «под парами» автомобиль угнать? Поскольку в автомашине с работающим двигателем отключен датчик удара, чтобы вибрация кузова и шасси не регистрировались им, то теоретически уровень защиты несколько ниже обычного. Но отключение датчика удара есть стандартная функция, часто используемая и в обычной охранной системе. Угнать автомобиль с работающим двигателем так же трудно, как и неработающий. Поскольку двигатель прогрет, то двигатель быстрее завести, но не быстрее преодолеть его защиту. Может быть, системы с автозапуском имеют упрощенные функции охраны в противовес дополнительным функциям запуска? Конечно, нет. Системы автозапуска на открытие капота, двери реагируют стандартным глушением двигателя и включением тревоги, не давая возможности угонщику вновь его запустить и похитить автомобиль. Более того, мощные современные охранные комплексы и рассчитаны на то, чтобы предоставить владельцу автомобиля все наилучшие средства защиты в сочетании с максимальным комфортом.

5. Технико-экономическое обоснование разработки

.1 Обоснование целесообразности разработки

Предпринимателю в процессе деятельности постоянно приходиться принимать решения о цене, по которой продукция будет реализована, о переменных и постоянных издержках, о приобретении и использовании ресурсов. Для этого необходимо точно и достоверно организовать уровни затрат и прибыли.

Все предпринимаемые в условиях рынка управленческие модели основаны на изучении взаимосвязи затрат, объема производства и прибыли. Специальный анализ помогает понять взаимоотношения между ценой изделия, объемом производства, переменными и постоянными затратами. Он позволяет сравнить различные варианты цен на продукцию и получение прибыли, а также отыскать наиболее выгодное соотношение между переменными, постоянными затратами, ценой и объемом производства продукции. Достичь этого можно разными способами:

снизить цену продаж и соответственно увеличить объем реализации;

увеличить постоянные затраты и увеличить объем;

пропорционально изменять переменные, постоянные затраты, и объем выпуска продукции. Иногда анализ соотношения затрат, объема производства и прибыли (CVP- анализ, Cost-Volume-Profit)трактуют более узко, как анализ критической точки.

Под критической понимается та точка объема производства, в которой затраты равны выручке от реализации всей продукции, т.е. где нет ни прибыли ни убытков. Эту точку называют также «мертвой», или точкой безубыточности.

Для ее вычисления можно использовать три метода: уравнения, маржинальной прибыли и графического изображения.

Метод уравнения.

В качестве исходного уравнения для анализа принимают следующее соотношение выручки, издержек и прибыли:

Выручка - переменные затраты - постоянные затраты - прибыль.

Если выручку представить как произведение цены продажи единицы изделия и количества проданных единиц, а затраты пересчитать на единицу изделия, то в точке критического объема производства будем иметь:

 (4.2)

где Qkp - объем производства продукции в критической точке (количество единиц);

Р - цена единицы продукции;удельные переменные затраты на единицу продукции;постоянные расходы.

Из формулы (1) определяем количество единиц продукции, которое необходимо продать, чтобы достигнуть критической точки:

где Qkp - объем производства продукции в критической точке (количество единиц);

Р - цена единицы продукции;удельные переменные затраты на единицу продукции;постоянные расходы.

5.2 Длительность работ на этапе проектирования

Для подсчета трудовых затрат необходимо, в первую очередь, подсчитать общее количество часов, потраченных на разработку системы. Весь процесс производства проектируемой системы можно разбить на несколько этапов, каждый из которых занимает определенное количество трудовых часов:

подготовка материала - 20час.;

анализ литературы - 60 час.;

синтез вариантов решений - 40 час.;

разработка структурной и принципиальной схем - 35 час.;

экономический анализ - 30 час.;

безопасность проекта -40 час.

На основании вышесказанного можно построить ленточный график выполнения работ.

Таблица 5.1 - Ленточный график выполнения работ

Этапы разработки

Длит. Этапа, Час.

50

100

150

200

250

300

350

400

450

500

Подготовка материала

20











Анализ литературы

60











Синтез вариантов решений

40











Разработка структурной схемы

35












Экономический анализ

30













Безопасность системы проекта

40


6. Безопасность и надежность при эксплуатации устройства

.1 Системный анализ опасных и вредных факторов

Изготовление системы дистанционного пуска двигателя производится в лаборатории.

сборно-монтажные работы;

производство печатных плат;

регулировку;

) испытания.

Проанализируем причины отказа в работе системы автозапуска двигателя автомобиля.

Разрабатываемое устройство должно быть надежным устройством с гарантийным сроком 6 лет. Рассматриваемое устройство имеет совокупность причин, при которых система автозапуска не активна.

Эти причины следующие:

) короткое замыкание;

) села батарейка в брелке;

) обрыв провода детали;

) выход датчиков из системы;

) не поставлен на нейтральную скорость;

) повреждение платы устройства;

) нет напряжения питания;

) не поднят ручной тормоз;

) сел аккумулятор;

) заведенный двигатель.

Рисунок 6.1 - Дерево отказов системы автозапуска

Первый блок причин отказа- нет напряжения питания- если:

оборваны провода (механическое, термическое или химическое воздействие на проводку);

сгорел предохранитель (неисправен стабилизатор напряжения, короткое замыкание).

Второй блок причин отказа - повреждение платы устройства- если: - наблюдается старения элементов;

перегрев элементов, из-за нарушения теплового режима или механического воздействия.

Третий блок причин отказа- это не поставлен на нейтральную скорость- если:

а) не поставлен на ручной тормоз:

б) естественное старение:

в) обрыв провода детали.

6.2 Разработка мероприятий по повышению безопасности

Организационные мероприятия. Персонал для работы над сборкой, монтажом и наладкой блока управления готовится специально. К работе могут быть допущены лица, достигшие 18-летнего возраста, прошедшие медицинскую комиссию и имеющие удостоверение на право производства работ. Для персонала, непосредственно работающего в электроустановках, производится повторная проверка знаний раз в год.

Для безопасности работ в электроустановках осуществляются организационные мероприятия. Организационными мероприятиями являются:

допуск рабочих, квалификационная группа которых не ниже 3;

инструктаж по технике безопасности;

оформление перерывов в работе, переводов на другое рабочее место, окончания работы.

Гигиенические мероприятия. На рабочих местах большое значение отводится созданию комфортных условий труда, которые обеспечиваются параметрами микроклимата и степенью запыленности воздуха.

Местная вытяжная вентиляция предназначена для удаления воздуха непосредственно от мест образования или выхода вредных выделений, приточная - для подачи воздуха на определенные рабочие места или участки

Светотехнические условия являются важнейшим фактором при работах, требующих зрительного напряжения. Выполняемые в лаборатории работы относятся к III разряду зрительных работ (размер объекта 2-4 мм). Согласно требованиям СНиП 23-05-95 необходимая освещенность рабочего места для III разряда зрительных работ должна составлять не менее 300 лк. При работе в дневное время суток используется естественное боковое освещение, то есть через свето проёмы (окна) в наружных стенах. Свет в лаборатории проникает через оконные проемы общей площадью 6м2. В вечернее время используется система общего искусственного освещения, состоящая из шести светильников типа ШОД с лампами ЛБ-80 и ЛДЦ-80, размещенных в два ряда группами по четыре лампы на высоте 3,5 м от пола.

Так как работы производятся в основном в светлое время суток, то рассмотрим естественное освещение помещения лаборатории.

Естественное освещение характеризуется коэффициентом естественной освещенности (КЕО) (е), который представляет собой отношение освещенности естественным светом какой-нибудь точки внутри помещения к значению наружной освещенности горизонтальной поверхности, освещаемой светом полностью открытого небосвода и выражается в процентах:

е = (Евн/Енар)*100 %;

где Евн - освещенность какой-либо точки внутри помещения;

Енар - освещенность точки вне помещения.

Чтобы снизить утомление глаз рекомендуется после каждого часа работы делать десятиминутный перерыв.

Существенным фактором предотвращения несчастных случаев является соблюдение правил электробезопасности. Для этого необходимо:

применение пониженного напряжения (12-24)В;

применение защитного заземления до 4Ом.

Для контроля изоляции в лаборатории применяют специализированные омметры типа М1101 и МС-06. При допуске персонала в лабораторию с ним должен быть проведен инструктаж по технике безопасности, в котором необходимо тщательным образом предупредить о возможных причинах поражения электрическим током. При обслуживании электронных систем, используют только специальные электрозащитные инструменты и приборы.

Для защиты от поражения электрическим током, лаборатория оборудована контурным заземлением и устройством защитного отключения от сети. Для защиты от коррозии резьбовые соединения в цепях заземления нужно покрывать вазелином.

В процессе работы с устройством существует опасность возникновения пожара. Причины пожара могут быть электрического и неэлектрического характера. К причинам электрического характера относятся:

искрение в электрических устройствах;

токи коротких замыканий, нагревающие проводники до высокой температуры, при которой может возникнуть воспламенение их изоляции, а также значительные электрические перегрузки проводов и обмоток электрических приборов;

плохие контакты в местах соединения проводов, когда вследствие большого переходного сопротивления выделяется большое количество тепла;

электрическая дуга, возникающая в результате ошибочных операций.

Вследствие того, что блок управления - это низковольтный прибор, то возникновение опасности пожара электрического характера непосредственно из-за этого прибора практически исключены. Однако не стоит забывать, что генератор работает только в системе с телевизионным приёмником, который может стать, источником пожара.

При изготовлении печатных плат для травления используют сильнодействующие ядовитые вещества (хлорное железо). Покрытие печатных плат различными лаками приводит к выделению в атмосферу вредных веществ.

Основным загрязнением при этом производстве являются пары свинца, выделяющиеся при пайке деталей. Предельно допустимая концентрация паров свинца в воздухе рабочей зоны не должна превышать 0,01 мг/м3. Для уменьшения этого фактора используем припой ПОС-60, который содержит 60 % олова, остальные 40% свинец.

Вода, используемая для промывки плат после травления, собирается в контейнеры и раз в неделю отвозится на утилизатор.

Заключение

В дипломном проекте на тему “Разработка системы дистанционного пуска бензинового двигателя легкового автомобиля” на основе обзора литературных источников, патентов и сети интернет были изучены различные системы и на основе полученного опыта разработана система дистанционного пуска бензинового двигателя легкового автомобиля.

Разработаны: структурная схема, алгоритм работы системы автозапуска автомобиля.

В экономической части бакалаврской работы рассмотрены разные способы определения соотношения затрат, объема производства и прибыли:

снизить цену продаж и соответственно увеличить объем реализации;

увеличить постоянные затраты и увеличить объем;

пропорционально изменять переменные, постоянные затраты, и объем выпуска продукции.

В разделе безопасность и экологичность дан системный анализ надежности и безопасности автомобильной системы. Разработаны дерево отказов и мероприятия по электробезопасности и пожарной безопасности определены вредные для экологии факторы, основным из которых является загрязнение воздуха, предложены различные виды устройств, для очистки воздуха.

Разработанная в дипломном проекте система реализована на комплектующих элементах и составных частях, выпускаемых промышленностью.

Список литературы

.        Автомобильный справочник Bosch. Перевод с англ. Первое русское издание.- М.: ЗАО «КЖИ «За рулем», 2002. - 896 с.

.        Акимов С.В., Чижков Ю.П. Электрооборудование автомобилей. Учебник для вузов. - М.:ЗАО «КЖИ «За рулем», 2004. - 384 с.: ил.

.        Акимов С.В. Расчет электропривода: учеб. пособие для студ. спец. 180800.- М., 2004.

.        Резник А.М., Орлов В.М. Электрооборудование автомобилей. - М.: Транспорт, 1983. - 248 с.

.        Справочник по эксплуатации электрооборудования: - Москва, АСТ, Сталкер, 2005 г.- 144 с.

.        Электрическое и электронное оборудование автомобилей: М. Рэндалл - Москва, Алфамер Паблишинг, 2008 г.- 284 с

.        Электрооборудование автомобилей ВАЗ-2110, -2111, -2112: В. В. Литвиненко - Санкт-Петербург, За Рулем, 2007 г.- 168 с.

.        Электрооборудование автомобилей и тракторов: С. Н. Снежко - Санкт-Петербург, ПОНЧиК, 2002 г.- 96 с..       Tranter - Руководство по электрическому оборудованию автомобилей

.        http://www.12V-club.ru Принципиальные электрические схемы автомобилей;

.        http://www.ardio.ru Электронные системы;

.        http://www.hvignition.ru Системы с Электрическими приводами;

.        Журнал Радио 12 номер 2002 год. ЭЛЕКТРОНИКА ЗА РУЛЕМ;

.        Цифровые интегральные микросхемы: Справ. / М. И. Богданович, И. Н. Грель, В. А. Прохоренко, В. В. Шалимов. - Мн.: Беларусь, 1991.- 493с.;

.        http://ru.wikipedia.org - Материал из Википедии;

.        Творческая Мастерская АВТООБОЗ (www.cartest.omega.kz);

.        Электронное издание "Транспорт в России".

.        Р.М. Нуреев Курс микроэкономики издательство НОРМА Москва 2007;

.        Дж. Фрайден. Современные датчики. Справочник - М.: Техносфера. 2006. - 592 с.

.        http://avtorazborka.ru

.        http://www.freepatentsonline.com

.        http://www.autodevice.ru Принцип работы ;

.        http://www.avtoliteratura.ru;

.        http://www.automan.ru Сайт о конструкции автомобилей;

25.    http://www.autozone.com/autozone/repairguides/Honda-Accord-Prelude-1996- 2000/STEERING/Rack-and-Pinion-Steering-Gear/_/P-0900c1528003a4e9

26.    http://www.radiorecord.ru/player/index.php?radio=radio_record --- про БМВ

.        http://guardavto.ru/item/item/22-distancionniy-zapusk-dvigatelya.html

.        http://www.fibergt.ru/stati/19-kak-samomu-sdelat-distancionnyj-zapusk-dvigatelya.html

.        http://www.excellent.ru/index.php?an=cont_zapusk_dvig

.        http://www.1001statya.ru/read.php?pid=16502

.        http://www.autosecurity.ru/security/alarm/autostart/

.        http://r-s-v.su/distantsionnii_zapusk_dvigatelya_mersedes/

Приложение

Список используемых сокращений

ЭБУ - электронный блок управления;

БУ - блок управления;

ИП - источник питания;

АКБ - аккумуляторная батарея;

Автозапуск - система дистанционного пуска бензинового двигателя легкового автомобиля.


Не нашли материал для своей работы?
Поможем написать уникальную работу Без плагиата!