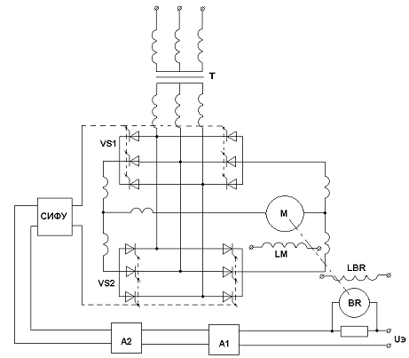
Задание
Рисунок 1 Исходная
принципиальная электрическая схема АСУ.
Синтезировать АСУ стабилизации скорости двигателя постоянного тока с тиристорным преобразователем (рис.1).
Допустимая погрешность регулирования
Допустимое перерегулирование
Время переходного процесса
Диапазон регулирования
Коэффициент усиления тиристорного преобразователя принять
,
Коэффициент тахогенератора принять
Коэффициент фильтра принять равным1
Выбор двигателя произвести в соответствии с вариантом № 14
(ж).
Содержание
Введение
1. Описание работы схемы. Назначение элементов
1.1 Описание работы схемы (рис.1)
1.2 Элементы схемы
2. Выбор элементов
3. Составление математической модели АСУ
3.1 Двигатель
3.1.1 Дифференциальные уравнения ДПТ НВ
3.1.2 Структурная схема двигателя.
3.1.3 Расчет параметров двигателя.
3.2 Тахогенератор
3.2.1 Дифференциальные уравнения тахогенератора
3.2.2 Структурная схема ТГ
3.3 Операционный усилительэ
3.3.1 Передаточная функция
3.4 Тиристорный преобразователь
3.5 Структурная схема АСУ
4. Описание АСУ в пространстве состояний
4.1 Детализированная схема АСУ
4.2 Вектор переменных состояния X и вектор входных воздействий U
4.3 Матрицы А, В, С, D
5. Передаточные функции системы
5.1 Передаточные функции замкнутой АСУ по входным воздействиям
5.2 Передаточные функции по ошибкам
6. Коэффициенты передачи (Кu, Km). Напряжение задания (Uз). Статическая ошибка системы (ε)
6.1 Определение коэффициента передачи АСУ
6.2 Определение Uз.
6.3 Нахождение статической ошибки (ε)
7. Устойчивость АСУ. Корректирующее устройство
7.1 Устойчивость исходной АСУ
7.1.1 Критерий Гурвица
7.1.2 Критерий Рауса
7.1.3 Критерий Михайлова
1.7.4 Критерий Найквиста применительно к ЛАЧХ и ЛФЧХ
7.2 Синтез корректирующего устройства (КУ)
7.3 Переходный процесс АСУ
Заключение
Список используемой литературы
Введение
При регулировании скорости изменением величины напряжения двигатель должен питаться от отдельного регулируемого источника постоянного тока. В качестве такого источника ранее широко применялись машинные преобразователи (система "генератор-двигатель"). В настоящее время машинные преобразователи применяются редко, а в качестве регулируемого преобразователя переменного тока в постоянный применяются тиристорные преобразователи (система "тиристорный преобразователь - двигатель").
Применение тиристорных преобразователей в электроприводах постоянного тока позволяет достигнуть повышенной управляемости и быстродействия привода, а также улучшить его энергетические и весовые показатели. КПД тиристорного электропривода постоянного тока на 10-12% выше КПД системы Г-Д, на 7% выше КПД привода с магнитными усилителями. Электропривод с тиристорным преобразователем обладает высокой стабильностью скорости, которая может быть доведена до 0,2% и ниже.
Такие характеристики позволяют значительно повысить качество
техпроцессов и снизить расходы на электроэнергию на предприятиях использующих
как новое оборудование, выпускаемое уже с применением ТП, так и старое, путем
замены систем управления на системы с ТП.
Схема работает по принципу отклонения скорости вращения
электродвигателя М от заданной. Тахогенератор BR, насаженный на вал
двигателя,
вырабатывает напряжение UТГ, функционально зависящее от скорости двигателя,
которое суммируется с эталонным напряжением Uэ. Полученное напряжение ∆U=UЭ-UТГ через фильтр A2 и усилитель A1 попадает на систему
импульсно-фазового управления (СИФУ) которая, в зависимости от входного сигнала
(∆U)
подает управляющие импульсы на вентили VS тиристорного
преобразователя, на выходе которого образуется выпрямленная ЭДС Еd. Еd подается на двигатель.
При понижении (увеличении) скорости вращения, увеличивается (уменьшается)
напряжение ∆U на входе СИФУ, так как падает (возрастает) UТГ, и выпрямленная ЭДС на
выходе управляемого выпрямителя возрастает (уменьшается). Таким образом,
скорость двигателя стабилизируется.
Тиристорный преобразователь.
Служит для управления напряжением якорной цепи двигателя;
преобразовывает напряжение сети переменного тока UТР, поступающее с вторичной
обмотки трансформатора, в выпрямленное напряжение UЯ. ТП состоит из двух
основных частей: силовой части - вентильной группы и системы управления
(рис.2).
тиристорный преобразователь двигатель стабилизация
Рисунок 2 Структурная схема тиристорного преобразователя.
Система управления представляет собой СИФУ с вертикальным
принципом управления (рис.3).
Рисунок 3 регулирование фазы импульса по вертикальному
принципу.
Каждый блок управления содержит генератор пилообразного
напряжения (ГПИ), который преобразует синусоидальную форму опорного напряжения
в пилообразную (рис.4).
Рисунок 4 Структурная схема блока управления
тиристором.
Это напряжение (UГ) сравнивается с регулируемым напряжением и в момент их равенства генератор импульсов (ГИ) выдаёт отпирающий импульс на тиристор, вследствие чего он открывается и начинает пропускать ток. Изменение Uу приводит к изменению фазы импульса (рис.3).
Используется в качестве датчика скорости. Преобразовывает угловую скорость двигателя в напряжение.
Фильтр.
Служит для сглаживания пульсаций напряжения ТГ.
Операционный усилитель.
ОУ выполняет функциональное преобразование управляющего сигнала. В данной схеме ОУ пропорционально изменяет сигнал (усиливает), поступивший с фильтра.
Трансформатор.
Служит для согласования напряжения сети переменного тока и
выходного напряжения управляемого выпрямителя; электрически разделяет питающую
сеть и сеть нагрузки.
Электродвигатель
Выбираем ДПТ НВ общепромышленного применения серии П22. Защищенное исполнение.
Паспортные данные двигателя:
Рн=0,45 кВт
Ін=2,75 А
n=1000 об/мин
ŋ=74,5 %
J=0,052 кг·м²
2р=2
wa=1242
Ra=8 Ом
wd=465
Rd=1,65 Ом
wв=4800
Rв=712 Ом
Тахогенератор
По исходным данным коэффициент тахогенератора Кг=1,6 В·с/рад.
Фильтр
Коэффициент фильтра равный 1.
Тиристорный преобразователь
Коэффициент усиления тиристорного преобразователя КТП=30,
постоянная времени Тm=0,01 с (по исходным данным).
Допустим что:
система абсолютно жесткая, то есть двигатель имеет одну степень свободы; масса вращающихся частей постоянна; статический момент, приведенный к валу двигателя, постоянный; реакция якоря скомпенсирована; зависимость угловой скорости вращения вала двигателя от напряжения якоря Uя линейная; поток двигателя неизменен, F=const;
Полагая что вращающий момент двигателя М расходуется на
преодоление динамического момента, обусловленного моментом инерции и
статического момента нагрузки Мс, получим уравнение моментов
, (3.1)
где
─ момент инерции в кг·м²; М - Движущий момент двигателя в
Н·м:
, (3.2)
где k ─ конструктивная постоянная двигателя,
,
где р - число пар полюсов,
N - число активных проводников обмотки якоря,
а - число
параллельных ветвей,
Тогда уравнение моментов (3.1) можно записать в виде:
(3.3)
Запишем уравнение электрического равновесия цепи якоря. При
принятых допущениях оно имеет вид:
(3.4)
гдеLя - индуктивность цепи якоря,
Rя - сопротивление якоря,
kФΩ - ЭДС вращения,
Uя - напряжение якоря.
Подставив Iя из (3.4) в уравнение для моментов (3.3)
получим:
, (3.5)
здесь
- электромеханическая постоянная времени;
- электромагнитная постоянная времени якорной цепи;
- передаточный коэффициент двигателя по напряжению якоря;
- передаточный коэффициент двигателя по статическому моменту
(возмущающему воздействию).
Подставив принятые обозначения в уравнение статического равновесия
(3.5), окончательно получим дифференциальное уравнение двигателя, записанное
относительно регулируемой величины Ω, при входном Uя и возмущающем Мс воздействиях:
(3.6)
В операторной форме р=d/dt уравнение (3.6) примет вид:
(3.7)
Передаточные функции двигателя по входному и возмущающему
воздействиям:
(3.8)
(3.9)
Запишем систему дифференциальных уравнений двигателя:

Уравнение (1) описывает переходные процессы в якорной цепи двигателя. Принимаем за выходную координату ток якоря Ia, за входную - напряжение Ua и противо-ЭДС (Ед=кФΩ).
Тогда после преобразований уравнение (1) примет вид:
Заменяя d/dt на р получим:
(3.10)
Уравнение (2) представим в виде:
(3.11)
где Ic - статический ток нагрузки,
В операторной форме уравнение (3.11) будет иметь вид:
.
По полученным уравнениям составим структурную схему двигателя
(рис.5)
Рисунок 5 Структурная схема ДПТ НВ.
Связь угловой скорости с частотой вращения выражается
зависимостью:
, (3.12)
рад/с.
Найдем значение kF:
(3.13)
В·c
Индуктивность якорной цепи Lя:
, (3.14)
Гн,
где 5,5 - коэффициент для нескомпенсированных машин;
Электромагнитная постоянная времени якорной цепи:
, (3.15)
с
Передаточный коэффициент двигателя по напряжению якоря:
, (3.16)
рад/ (В·с);
передаточный коэффициент двигателя по статическому моменту:
, (3.17)
Ом/ (В·с) 2;
Электромеханическая постоянная времени:
, (3.18)
с.
Запишем уравнение электрического равновесия для цепи
возбуждения:
, (3.19)
где Uв - напряжение возбуждения тахогенератора,
Lв - индуктивность цепи возбуждения,
ів - ток возбуждения,
Rв - сопротивление цепи возбуждения.
Для якорной цепи:
, (3.20)
, (3.21)
где Ег - ЭДС тахогенератора,
Rя - сопротивление якорной цепи,
Rн - сопротивление нагрузки.
Уравнение ЭДС ТГ (3.20) можно записать как:
, (3.22)
При составлении передаточной функции тахогенератора пренебрегаем: индуктивностью якорной цепи, моментом инерции, реакцией якоря, нелинейностью статической характеристики в зоне малой скорости, пульсациями напряжения, изменением магнитного потока.
За выходную координату принимаем напряжение Uвых, за входную - скорость Ω,