Материал: семинар 8

Внимание! Если размещение файла нарушает Ваши авторские права, то обязательно сообщите нам

Цикл ПТУ АЭС на насыщенном паре

Главной особенностью ПТУ на насыщенном паре является то, что

процесс расширения в турбине протекает в области влажного пара ( х

1).

1

 

Следствием этого является высокая влажность пара на выходе из турбины

(рис. 14).

ПГ – парогенератор; Т – турбина; Г – генератор; Н - насос

Рис. 14. Принципиальная схема и цикл ПТУ на насыщенном паре

Для снижения влажности на выходе из турбины (повышения степени сухости) предлагают циклы с сепарацией пара (рис. 15 и рис. 16).

ПГ – парогенератор; ЦВД – цилиндр высокого давления; ЦНД – цилиндр низкого давления; Г – генератор; К-р – конденсатор; Сеп – сепаратор; Н I и H II – насосы первого и второго подъема соответственно

Рис. 15. Принципиальная схема ПТУ на насыщенном паре с сепарацией

Рис. 16. Цикл ПТУ на насыщенном паре с сепарацией

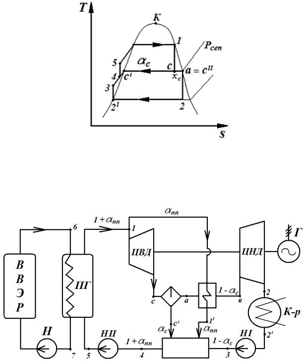
Цикл ПТУ атомной электростанции (АЭС) с водо-водяным энергетическим реактором (ВВЭР) – цикл ПТУ на насыщенном паре с сепарацией и промежуточным перегревом пара (рис. 17 и рис. 18).

Рис. 17. Принципиальная схема ПТУ АЭС с ВВЭР с сепарацией и промежуточным перегревом пара

Рис. 18. Цикл ПТУ АЭС с ВВЭР с сепарацией и промежуточным перегревом пара в Т,s-диаграмме и процесс расширения пара в турбине в h,s-диаграмме

Доля «отсепарированной» влаги рис. 17):

 

 

с

 

 

Если принять ха

1, то

 

(для схем, представленных на рис. 15 и

=

х

а

х

с

 

 

 

 

 

 

 

 

 

 

х

а .

 

 

 

 

Энтальпия

h4

 

с

=1 х

 

с

находится из теплового

.

баланса смешения потоков –

основного конденсата после конденсатного насоса ПН1, «отсепарированной» влаги и конденсата греющего пара промежуточного перегревателя (если таковой есть). Для схемы, представленной на рис. 17, уравнение теплового баланса:

(1c ) h3

+

 

+ c

 

= (1+ пп ) h4 .

пп h1

hc

В свою очередь, доля пара, отбираемого на промежуточный перегрев,

определяется из уравнения теплового баланса перегревателя:

(1

с

) h

+

nn

h = (1

c

) h +

пп

h

 

a

 

1

в

1

 

Термический КПД цикла ПТУ с сепарацией пара (рис. 3):

сеп

=

l

=

(h h )+ (1

 

) (h

h ) (1 )(h h

) (h

 

1

c

c

а

2

 

с

3

2

5

 

 

 

 

t

 

 

q

 

 

 

 

 

h h

 

 

 

 

 

 

 

 

 

 

 

 

 

 

 

 

 

 

 

1

 

 

 

 

 

1

5

 

 

 

 

h4 )

.

Термический КПД цикла ПТУ АЭС с ВВЭР с сепарацией пара и

промежуточным перегревом (рис. 17):

спп =

(h1 hc )+ (1 c ) (hв h2 ) (1 c )(h3 h2 ) (1 + пп )(h5 h4 ) .

t

(1 + пп ) (h1 h5 )

 

Задача № 24

Сравните значения термических КПД и степени сухости на выходе из турбины трех паротурбинных установок на насыщенном паре.

Все установки работают по двухконтурной схеме (рис. 14,15,17). В первом контуре (атомного реактора) теплоносителем является вода. Вода первого контура передает теплоту воде второго контура в парогенераторе, за

счет чего образуется сухой насыщенный пар с давлением

р1

= 6 МПа. Этот

пар подается в турбину. Давление в конденсаторах ПТУ для всех установок:

р

2

 

= 4 кПа.

Первая установка работает по обратимому циклу Ренкина на насыщенном паре (рис. 14).

Вторая установка работает с сепарацией пара: давление промежуточной сепарации рс = 0,5 МПа (рис. 15 и рис. 16).

Третья установка работает с сепарацией пара ( рс = 0,5 МПа) и промежуточным перегревом пара до температуры tв = 265°С (рис. 17 и рис.18).